电子应用系统集成 线性恒流LED驱动集成电路的多种应用电路详解

小编头像

小编

管理员

发布于:2025年05月03日

100 阅读 · 0 评论

线性恒流LED驱动集成电路的多种应用电路详解

这里以EG501为例,系统地讲解线性恒流LED驱动集成电路各种类型的典型应用电路。图2-67是EG501集成电路引脚分布、功能示意图。从图中可以看出,它只有3根引脚,分别是电源引脚、输出引脚和接地引脚。

图2-67 EG501 集成电路引脚分布、功能示意图

线性恒流LED驱动集成电路主要应用于手机、MP3、MP4、GPS接收机、LED灯、数码相机、笔记本电脑和手电筒等中。

内电路方框图

图2-68所示是EG501集成电路的内电路方框图。

图2-68 EG501 集成电路的内电路方框图

EG501线性恒流LED驱动集成电路各引脚的作用如下。

① 脚为恒流输出引脚,它用来接LED的负极。

② 脚是电源引脚,其输入的直流电压为1.6~5.5 V。

③ 脚是接地引脚。

典型应用电路

图2-69所示是EG501集成电路典型应用电路,这是驱动一只LED的电路,外电路十分简单,使用方便。电路中,有一个5 V直流电源,VD1是LED,A1是线性恒流LED驱动集成电路。

图2-69 EG501 集成电路典型应用电路

5 V直流电压加到A1的电源引脚②脚,使集成电路A1工作,A1 的①脚与③脚之间的内电路导通,这时VD1 在5 V 直流电压供电下导通,有电流流过VD1,VD1发光。图2-70是流过VD1的电流回路示意图。

图2-70 流过VD1 的电流回路示意图

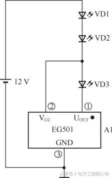
多只LED驱动电路(LED降压)

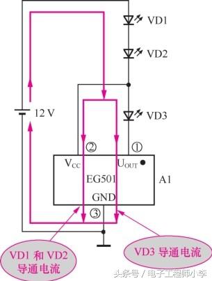
图2-71所示是多只LED驱动电路,电路中用一只线性恒流LED驱动集成电路A1驱动3只LED(VD1~VD3)。

图2-71 多只LED 驱动电路

电路中,直流工作电压是12 V,它通过VD1和VD2加到集成电路A1的电源引脚②脚上,这样在VD1和VD2导通发光的同时集成电路A1也进入工作状态。

VD1和VD2导通后的电压加到了VD3的正极,使VD3也导通发光,这样3只LED全部导通发光。图2-72所示是3只LED导通后的电流回路示意图,注意VD1和VD2、VD3的电流回路是不同的。

图2-72 3 只LED 导通后的电流回路示意图

重要提示

VD1和VD2导通后的管压降将12 V降低后加到集成电路A1的电源引脚②脚,以保证集成电路A1的②脚上的直流电压不超过 6 V,否则有损坏集成电路A1的危险。

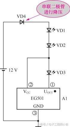
如果VD1和VD2导通后的电压降比较小,加到集成电路A1②脚的电压大于6 V,可以在VD1回路中串联一只或是多只普通二极管VD4(1N4007),如图2-73所示,以保证加到集成电路A1的②脚上的直流电压不大于6 V。当然,集成电路A1 的②脚上的直流电压也不能太小,否则集成电路A1无法正常工作,这时就会导致VD1~VD3无法发光。

图2-73 串联二极管降压电路

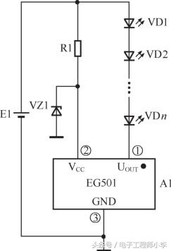
多只LED驱动电路(电源引脚稳压)

图2-74所示是另一种多只LED驱动电路,因为要驱动许多只LED,这时要求直流工作电压比较高。由于直流工作电压远高于集成电路A1的工作电压,在A1的电源引脚②脚电路上接入由R1和VZ1构成的简易直流稳压电压,使集成电路A1的②脚电压稳定在额定工作电压范围内。

图2-74 另一种多只LED 驱动电路

电路中,通过电阻R1和稳压二极管VZ1使集成电路A1的电源引脚上有合适的直流工作电压,这样集成电路A1就能进入工作状态。VZ1 可以选用3.6 V 的稳压二极管,要求流过电阻R1 的电流为1 mA,R1的取值≤(E1−3.6)V/1 mA。

串联在集成电路A1的①脚回路中的LED数量愈多,要求直流工作电压愈大,以保证LED能够导通发光。注意,各LED是串联的,所以所有LED是同时导通发光的。图2-75是LED导通后的电流回路示意图。

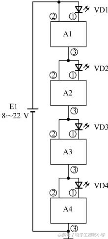
线性恒流LED驱动集成电路串联运用

图2-76所示是线性恒流LED驱动集成电路串联运用电路,电路中的A1、A2、A3和A4是相同型号的EG501线性恒流LED驱动集成电路,VD1、VD2、VD3和VD4是4只LED,直流电源E1的工作电压为8~ 22 V。

当直流电源E1电压波动范围比较大时,可以采用这种串联驱动的方式,以使每只LED均能得到恒流驱动。

图2-75 LED 导通后的电流回路示意图

图2-76 线性恒流LED 驱动集成电路串联运用电路

重要提示

这一电路的工作原理与单块集成电路运用时是相似的,相当于4块集成电路的电源电路串联起来后接到总电源E1上,每块集成电路平均分配到1/4的直流工作电压。同时,4块集成电路的地线回路也是串联的,流过每只LED的电流是相等的,且是恒定的。

这一电路的最高直流工作电压不能超过6 V×4=24 V,因为每只集成电路的最高直流工作电压不能超过6 V。

线性恒流LED驱动集成电路并联运用

在大电流LED电路中,如果一块线性恒流LED驱动集成电路的输出电流不足以驱动大电流LED时,可以采用线性恒流LED驱动集成电路并联运用电路。图2-77所示是两块线性恒流LED驱动集成电路并联运用的电路。

图2-77 两块线性恒流LED 驱动集成电路并联运用的电路

电路中,A1的①脚与A2的①脚相连接,A1的②脚与A2的②脚相连接,A1的③脚与A2的③脚直接相连接。电路中的电流平均地流过了A1和A2。

PWM信号调节LED亮度电路

运用线性恒流LED驱动集成电路可以实现PWM信号调节LED的亮度,如图2-78所示。电路中,A1是EG501线性恒流LED驱动集成电路,PWM信号直接加到集成电路A1 的电源引脚②脚上,5 V 直流工作电压直接加到VD1的正极。

图2-78 PWM 信号调节LED 亮度的电路

图2-79所示是PWM信号示意图。

图2-79 PWM 信号示意图

当PWM 信号加到EG501 的电源引脚②脚时,流入VD1 的电流在0 A 和设定的电流值之间变化,即LED中的电流有两种状态:一是电流为0 A,二是电流为设定值。这样流入VD1 的平均电流就受PWM 信号的控制,VD1的平均电流随PWM 占空比的增大而增加。

0%的占空比将完全关断VD1的电流,此时VD1不发光;100%的占空比使得VD1的电流为设定的最大电流,此时VD1为设定的最大发光亮度。这样VD1的发光亮度受PWM信号控制,出现受PWM控制的亮、不亮的变化,借助于人眼视觉惰性,可以主观感觉到亮度的连续变化。

重要提示

关于人眼视觉惰性是这样的:在生活中我们都有这样的体会,看了一个光源后闭上眼睛,眼前光的影子要过一会儿才消失,这就是视觉惰性造成的。人眼的视觉感觉总是滞后于光源信号。当光源突然出现时,人眼的视觉感觉以近似指数特性上升,在光源消失后也是以近似指数特性下降的。

电路中,对PWM信号发生器有一定要求,为确保集成电路A1(EG501)的电源引脚②脚的正常工作电压,要求PWM信号的电平在+2~+6 V 范围内,输出电流能力需大于70 mA,PWM 信号的频率应该小于10 kHz。

第一章 信息化知识-中级系统集成项目管理工程师真题演练

第一章 真题演练

1.某软件公司希望采购一套自用的管理信息系统,覆盖公司生产经营管理的各个方面,并可以根据自身情况灵活地组合不同的功能模块进行集成和使用,该公司应采购( )系统*

A、CDS B、ERP C、CRM D、IDS

分析:CDS:内容分发服务(Content Distribution Service)的缩写,内容分发服务是互联网的一项新技术。通过此种服务使各地的Internet客户在访问这些网站时,可以访问最接近本地缓存服务器中缓存的内容,从而缩短请求响应时间和网络延迟,减轻网站服务器的负载。ERP:企业资源计划(Enterprise Resources Planning)的简称,它将企业的财务、采购、生产、销售、库存和其它业务功能整合到一个信息管理平台上,从而实现信息数据标准化,系统运行集成化、业务流程合理化、绩效监控动态化、管理改善持续化。CRM:客户关系管理(Customer Relationship Management)。一种以客户为中心的经营策略,它以信息技术为手段,对业务功能进行重新设计,并对工作流程进行重组。IDS:入侵检测系统(Intrusion Detection Systems)。依照一定的安全策略,通过软、硬件,对网络、系统的运行状况进行监视,尽可能发现各种攻击企图、攻击行为或者攻击结果,以保证网络系统资源的机密性、完整性和可用性。参考答案:B

2.在利用电子信息技术进行客户关系管理活动中,数据采信和存储是其中非常重要的环节,( )不是其中重点关注的数据*

A、描述性数据 B促销性数据 C交易性数据 D、关系性数据

分析:客户数据可以分为描述性、促销性和交易性数据三大类。参考答案:D

3.供应链管理是一种将正确数量的商品在正确的时间配送到正确地点的集成的管理思想和方法,评价供应链管理的最重要的指标是:( )*

A供应链的成本B、客户满意度C、供应链的响应速度D、供应链的吞吐量

分析:供应链管理是以客户为中心的,整个供应链管理追求的目标,首先是满足客户的需求,衡量供应链管理绩效的最重要的指标就是客户满意度。降低供应链的成本、提供供应链的响应速度等,都要以满足客户需求为目的。参考答案:B

4.我国企业信息化必须走两化融合的道路,以下说法不恰当的是( )*

A、工业为信息化打基础B、完成工业化后开始信息化C、信息化促进工业化

D、信息化和工业化相互促进,共同发展

分析:两化融合,是指电子信息技术广泛应用到工业生产的各个环节,信息化成为工业企业经营管理的常规手段。信息化进程和工业化进程不再相互独立进行,不再是单方的带动和促进关系,而是两者在技术、产品、管理等各个层面相互交融,彼此不可分割,并催生工业电子、工业软件、工业信息服务业等新产业。两化融合是工业化和信息化发展到一定阶段的必然产物。参考答案:B

5.网上订票系统为每一位订票者提供了方便快捷的购票业务,这种电子商务的类型属于( )*

A、B2C B、B2B C、C2C D、G2B

分析:送分题。企业对消费者。参考答案:A

6.ERP系统作为整个企业的信息系统,具有物流管理功能,用于对企业的销售、库存及采购进行管理控制,关于物流管理的叙述中( )是不恰当的*

A、为所有的物料建立库存信息,作为采购部门采购、生产部门编制生产计划的依据。

B、收到订购物料,经过质量检验入库;生产的产品也需要经过检验入库。

C、建立供应商档案,用最新的成本信息来调整库存的成本。

D、收发料的日常业务处理工作

分析:3)物流管理(2)库存控制① 为所有的物料建立库存,作为采购部门采购、生产部门编制生产计划的依据。② 收到订购物料,经过质量检验入库:生产的产品也同样要经过检验入库。③ 收发料的日常业务处理工作。(3)采购管理① 确定合理的订货量、优秀的供应商和保持最佳的安全储备。能够随时提供定购、验收的信息,跟踪和催促外购或委外加工的物料,保证货物及时到达。② 建立供应商的档案,用最新的成本信息来调整库存的成本。此题,四个选项都对!若题干中的问题为“关于库存控制的叙述中(6)是不恰当的”,则选C。参考答案:C

7.在电子政务信息系统设计中应高度重视系统的( )设计,防止对信息的篡改、越权获取和蓄意破坏*

A、容错 B、结构化C、可用性D、安全性

分析:考虑题干中“对信息的篡改、越权获取和蓄意破坏”与四个选项的关系即可。参考答案:D

8.企业信息化是国民经济信息化的基础,企业信息化的结构不包括( )*

A、产品(服务)层B、作业层C、管理层D、检测层

分析:1)企业信息化结构(1)产品(服务)层(2)作业层(3)管理层(4)决策层参考答案:D

9.在电子商务中,除了网银、电子信用卡等支付方式以外,第三方支付可以相对降低网络支付的风险。下面不属于第三方支付的优点的是( )*

A、比较安全B、支付成本较低C、使用方便D、预防虚假交易

分析:第三方支付的优点:(1)比较安全,信用卡信息或账户信息仅需要告知支付中介,而无需告诉每一个收款人,大大减少了信用卡信息和账户信息失密的风险。(2)支付成本较低,支付中介集中了大量的电子小额交易,形成规模效应,因而支付成本较低。(3)使用方便。对支付者而言,他所面对的是友好的界面,不必考虑背后复杂的技术操作过程。(4) 支付担保业务可以在很大程度上保障付款人的利益。缺点1、风险问题2、电子支付经营资格的认知、保护和发展问题3、业务革新问题4、恶性竞争问题5、法律、法规支持问题参考答案:D

10.电子政务根据其服务的对象不同,基本上可以分为四种模式。某市政府在互联网上提供的“机动车违章查询”服务,属于( )模式*

A、G2B B、G2C C、G2E D、G2G

分析:G2C:是指政府( Government)与公众(Citizen)之间的电子政务。是政府通过电子网络系统为公民提供各种服务。参考答案:B

11.客户关系管理(CRM)系统将市场营销的科学管理理念通过信息技术的手段集成在软件上,能够帮助企业构建良好的客户关系。以下关于CRM系统的叙述中,错误的是( )*

A、销售自动化是CRM系统中最基本的模块

B、营销自动化作为销售自动化的扩充,包括营销计划的编制和执行、计划结果分析等

C、CRM系统能够与ERP系统在财务、制造、库存等环节进行连接,但两者关系相对松散,一般不会形成闭环结构

D、客户服务与支持是CRM系统的重要功能。目前,客户服务与支持的主要手段是通过呼叫中心和互联网来实现

分析:(2)CRM系统的功能。CRM系统具备以下的功能。⑤系统应该具有良好的可扩展性和可复用性,即可以实现与其他相应的企业应用系统之间的无缝整合。参考答案:C(选项D也不准确!)

12.以下关于电子商务及其相关技术的叙述,正确的是( )*

A、利用电子商务系统向消费者在线销售产品,已经超越了传统的零售方式

B、产品的存储、打包、运送和跟踪等,对组织的成功非常重要,几乎没有制造商或零商售将这些行为外包

C、SSL通信协议用于保护电子商务交易中的敏感数据

D、购物车功能是由WWW服务器软件来实现的

分析:SSL(Secure Sockets Layer 安全套接层),及其继任者传输层安全(Transport Layer Security,TLS)是为网络通信提供安全及数据完整性的一种安全协议。TLS与SSL在传输层对网络连接进行加密。电子商务支付系统是电子商务基础设施的关键组成部分,但是用于电子商务系统应用于Internet网上,为防止用户信用卡、账号等信息被探测和监听,常常采用安全套接字层(SSL)技术来保证敏感、关键数据的安全。SSL包括握手阶段,该阶段用来认证服务期,决定使用的加密算法并在发送和接收方之间交换密钥。电子购物车的功能是跟踪客户选择的购买物品中,目前购物车的实现主要是通过Cookie方式实现,可能会在服务器的数据库中存放购物车内容信息,购物车功能不是由Web服务器软件实现的。参考答案:C

13.商业智能是指利用数据挖掘、知识发现等技术分析和挖掘结构化的、面向特定领域的存储与数据仓库的信息。它可以帮助用户认清发展趋势、获取决策支持并得出结论。( )不属于商业智能范畴*

A、某大型企业通过对产品销售数据进行挖掘,分析客户购买偏好

B、某大型企业查询数据仓库中某种产品的总体销售数量

C、某大型购物网站通过分析用户的购买历史记录,为客户进行商品推荐

D、某银行通过分析大量股票交易的历史数据,做出投资决策

分析:送分题!排除法即可。比较四个选项可以发现,B的实现太简单、层次太低,明显与其他选项不同!参考答案:B

14.企业在信息化过程中,要形成高水平、稳定的信息化人才队伍,建立和完善信息化人才激励机制。这一做法符合信息化发展过程中的( )*

A、效益原则B、“一把手”原则

C、中长期与短期建设相结合的原则

D、以人为本的原则

分析:⑤以人为本的原则。以人为本在企业信息化建设过程中显得尤为重要,企业信息化成功与否,最终决定于人的素质,取决于企业是否建立了一支稳定的高水平的信息化人才队伍,是否具备运用现代信息技术的本领和能力,是否能够运用信息技术为企业现代生产、管理和经营服务。企业在信息化过程中,要形成高水平、稳定的信息化人才队伍,建立和完善信息化人才激励机制。参考答案:D

15.()不属于电子商务基础设施*

A、智能交通监控平台

B、TCP/IP互联网协议

C、WEB服务器

D、中国银联网络支付平台

分析:送分题!智能交通不是商务。参考答案:A

16.目前,在电子商务交易过程中支付方式很多,按照支付的流程不同,主要存在四种电子商务支付模式:支付网关模式、网上银行模式、第三方支付模式和手机支付模式。()不属于第三方支付模式*

A、拉卡拉B、支付宝C、余额宝D、财付通

分析:余额宝是支付宝打造的余额增值服务。把钱转入余额宝即购买了由天弘基金提供的增利宝货币基金,可获得收益。参考答案:C

17.电子商务物流又称网上物流,是基于互联网技术,创造性推动物流行业发展的新商业模式。通过互联网,物流公司能够被更大范围内的货主客户主动找到,能够在全国乃至世界范围内拓展业务。( )不是当前电子商务的常用物流模式*

A、联合物流模式 B、第三方物流模式

C、第二方物流模式 D、物流一体化模式

分析:电子商务物流模式有:物流联盟、第三方物流、第四方物流、物流一体化。参考答案:C

18.“十二五”期间,电子政务促进行政体制改革和服务型政府建设的作用更加显著,其发展目标不包括()*

A、电子政务统筹协调发展不断深化

B、应用发展取得重大进展

C、初步形成电子政务网络与信息安全保障体系

D、政府公共服务和管理应用成效明显

分析:排除法。选项C太初级,早在十二五前就完成了。“十二五”期间,电子政务全面支撑政务部门履行职责,满足公共服务、社会管理、市场监管和宏观调控各项政务目标的需要,促进行政体制改革和服务型政府建设的作用更加显著。——电子政务统筹协调发展不断深化。全面推进电子政务顶层设计,符合科学发展的电子政务工作体制和机制不断完善,统筹协调能力不断提高。——应用发展取得重大进展。县级以上政务部门主要业务基本实现电子政务覆盖,政务信息资源开发利用成效明显。政务部门主要业务信息化覆盖率,中央和省级超过85%,地市和县区分别平均达到70%、50%以上。——政府公共服务和管理应用成效明显。县级以上政府社会管理和政务服务电子政务水平明显提高,社会管理和政务服务事项电子政务覆盖率平均达到70%以上。县级以下街道(乡镇)和社区(行政村)的政务服务事项电子政务覆盖率分别平均达到50%、30%以上。——电子政务信息共享和业务协同取得重大突破。县级以上政府普遍开展跨地区、跨部门信息共享和业务协同,共享内容和范围不断扩大,业务协同能力不断增强。主要业务信息共享率平均达到50%以上。——电子政务技术服务能力明显加强。电子政务基础设施建设不断发展,专业技术服务水平持续提升,应用支撑服务能力明显提高。电子政务网络互联互通率平均达到85%以上,专业技术服务机构技术服务达标率平均达到60%以上。——电子政务信息安全保障能力持续提升。县级以上地方电子政务信息安全管理制度普遍建立,信息安全基础设施不断发展,安全可靠软硬件产品应用不断加强,信息系统安全保障取得显著成绩。参考答案:C

19.从电子政务的实施对象和应用范畴角度,可将电子政务分为四种类型。其中,电子工商审批及证照办理属于()*

A、政府对政府的电子政务(G2G)

B、政府对企业的电子政务(G2B)

C、政府对公众的电子政务(G2C)

D、政府对公务员的电子政务(G2E)

分析:送分题!电子工商审批及证照办理属于政府对企业的电子政务(G2B)参考答案:B

20.信息化是人类社会发展的一个高级进程,它的目标是()*

A、建设基于现代信息技术的先进社会生产工具

B、创建信息时代的社会生产力

C、推动社会生产关系及社会上层建筑的改革

D、使国家综合实力、社会文明素质和人民生活质量全面达到现代化水平

分析:信息化是人类社会发展的一个高级进程,它的核心是要通过全体社会成员的共同努力,在经济和社会各个领域充分应用基于现代信息技术的先进社会生产工具,创建信息时代社会生产力,推动生产关系和上层建筑的改革,使国家的综合实力、社会的文明素质祁人民的生活质量全面达到现代化水平。参考答案:D

21.供应链管理是把正确数量的商品在正确的时间配送到正确的地点的一套管理方法。它控制和管理的各种“流”不包括()*

A、物流B、资金流C、信息流D、控制流

分析:3)供应链管理的概念供应链管理是一种集成的管理思想和方法,是在满足服务水平要求的同时,为了使系统成本达到最低而采用的将供应商、制造商、仓库和商店有效地结合成一体来生产商品,有效地控制和管理各种信息流、资金流和物流,并把正确数量的商品在正确的时间配送到正确的地点的一套管理方法。参考答案:D

22.在电子商务的发展过程中,安全电子交易协议(SET:Secure Electronic Transaction)标准作为北美民间组织推行的电子支付安全协议,其针对的主要交易类型是基于()的网络交易*

A、专用电子货币B、不记名账号C、虚拟货币D、信用卡

分析:安全电子交易协议(secure Electronic Transaction简称SET)由威士(VISA)国际组织、万事达(MasterCard)国际组织创建,结合IBM、Microsoft、Netscope、GTE等公司制定的电子商务中安全电子交易的一个国际标准。安全电子交易协议SET是一种应用于因特网(Internet)环境下,以信用卡为基础的安全电子交付协议,它给出了一套电子交易的过程规范。通过SET协议可以实现电子商务交易中的加密、认证、密钥管理机制等,保证了在因特网上使用信用卡进行在线购物的安全。参考答案:D

23.我国O2O的常见应用不包括()*

A、电子政务政府集采

B、餐饮服务网上团购

C、APP手机的约车服务

D、旅游服务网上团购

分析:排除法。O2O即Online To Offline(在线离线/线上到线下),是指将线下的商务机会与互联网结合,让互联网成为线下交易的前台,这个概念最早来源于美国。O2O的概念非常广泛,既可涉及到线上,又可涉及到线下,可以通称为O2O。参考答案:A

24.“十二五”期间,电子政务全面支撑政务部门履行职责,满足公共服务、社会管理、市场监管和宏观调控各项政务目标的需要,促进行政体制改革和服务型政策,建设的作用更加显著。其发展目标不包括()*

A、逐步完善与电子政务相关的法规和标准

B、电子政务信息安全保障能力持续提升

C、电子政务技术服务能力明显加强

D、电子政务信息共享和业务协同取得重大突破

分析:《国家电子政务“十二五”规划》(发布时间:2012年04月13日)http://www.miit.gov.cn/n11293472/n11295327/n11297217/14562026.html三、发展目标电子政务统筹协调发展不断深化。应用发展取得重大进展。政府公共服务和管理应用成效明显。电子政务信息共享和业务协同取得重大突破。电子政务技术服务能力明显加强。电子政务信息安全保障能力持续提升。选项A是“十五”的目标。(2014年11月考试第7题刚考过)参考答案:A

25.《国家信息化领导小组关于我国电子政务建设指导意见》中明确指出政务内网主要是()以上政务部门的办公网,与其下属政务部门的办公网物理隔离*

A、省级 B、副省级 C、市级 D、副市级

分析:2002年8月5日,中共中央办公厅17号文件“十五”期间,电子政务建设的主要任务是:(一)建设和整合统一的电子政务网络。为适应业务发展和安全保密的要求,有效遏制重复建设,要加快建设和整合统一的网络平台。电子政务网络由政务内网和政务外网构成,两网之间物理隔离,政务外网与互联网之间逻辑隔离。政务内网主要是副省级以上政务部门的办公网,与副省级以下政务部门的办公网物理隔离。政务外网是政府的业务专网,主要运行政务部门面向社会的专业性服务业务和为需在内网上运行的业务。要统一标准,利用统一,促进各个业务系统的互联互通、资源共享。要用一年左右的时间,基本形成统一的电子政务内外网络平台,在运行中逐步完善。参考答案:B

26.以下关于商业智能BI的叙述中,()是不正确的*

A、商业智能BI系统运作简单,计算量小,需要数据库技术的支持

B、商业智能通常被理解为将组织中现有的数据转化为知识的技术,有助于组织提出明智的业务经营决策

C、商业智能的实现涉及到软件、硬件、咨询服务及应用,是对商业信息的搜集、管理和分析过程

D、数据分析处理是商业智能BI的重要组成部分

分析:送分题!商业智能是对商业信息的搜集、管理和分析过程,目的是使企业的各级决策者获得知识或洞察力(insight),促使他们做出对企业更有利的决策。商业智能一般由数据仓库、联机分析处理、数据挖掘、数据备份和恢复等部分组成。商业智能的实现涉及到软件、硬件、咨询服务及应用,其基本体系结构包括数据仓库、联机分析处理和数据挖掘三个部分。参考答案:A

27.根据控制论创始人维纳及信息论的奠基者香农对信息的定义,信息是( )*

A、一种物质 B、一种能量

C、事先预测可知的报道

D、事物的运动状态和状态变化的自我表述

分析: 控制论的创始人维纳( Norbert Wiener)认为:信息就是信息,既不是物质也不是能量。这个论述第一次把信息与物质和能量相提并论。信息论的奠基者香农认为:信息就是能够用来消除不确定性的东西。这个论述第一次阐明了信息的功能和用途。事物的本体论信息,就是事物的运动状态和状态变化方式的自我表述。参考答案:D

28.国家信息化体系包括信息技术应用,信息资源等六要素,其中( )是国家信息化成功之本,对其他各要素的发展速度和质量有着决定性的影响,是信息化建设的关键*

A、信息资源 B、信息化法规和标准规范

C、信息化人才 D、信息化技术和产业

分析:信息化人才信息化人才是国家信息化成功之本,对其他各要素的发展速度和质量有着决定性的影响,是信息化建设的关键。参考答案:C

29.《国务院关于积极推进“互联网+”行动的指导意见》中提出的推动互联网与制造业融合,加强产业链协作,即基于互联网的协同制造新模式,提升制造业数字化、网络化和( )水平,是发展“互联网+”的重点活动之一*

A、3D化 B、重型化 C、定制化 D、智能化

分析:根据上下文的语境,发挥阅读理解即可。参考答案:D

30.( )不利于推动电子商务基础设施建设*

A、制定并实施“宽带中国”战略及实施方案

B、充分利用现有物流资源,完善全国物流体系建设

C、取消电子商务税收优惠政策

D、大力发展智慧货运,提升物流运输效率

分析:送分题,排除法即可。参考答案:C

31.安全电子交易协议(SET:Secure Electronic Transaction)标准是一种应用于因特网环境下,以信用卡为基础的链电子交付协议,它给出了一套店子交易过程规范,其支付系统主要由持卡人(CardHolder)、商家(Merchant)、发卡行(Issuing Bank)、收单行(Acquiring Bank)、支付网关(Payment Gateway)和( )等六个部分组成 *

A、安全中心

B、认证中心

C、支付中心

D、信用中心

分析:略。参考答案:B

32.任何企业都是依赖于客户生存的。某电子商务公司为提升客户满意度与忠诚度,决定引入( )系统*

A、ERP B、CRM C、SCM D、MRPII

分析:了解CRM的英文含义即可。送分题。参考答案:B

33.某大型企业已建有CRM、ERP和OA等信息系统,为将现有系统的数据转化为知识,帮助管理层进行决策,可通过( )解决方案来实现*

A、数据仓库 B、数据挖掘 C、商业智能 D、数据报表

分析:商业智能基本概念商业智能通常被理解为将组织中现有的数据转化为知识,帮助组织做出明智的业务经营决策。参考答案:C

34.以下关于云计算机叙述中,( )是不正确的*

A、云计算通过互联网来提供动态易扩展且经常是虚拟化资源的计算模式

B、云计算可以脱离网络提供服务

C、云计算比本地计算具备更好的扩展性

D、云计算使得计算能力成为一种在互联网上流通的资源

分析:云就不是本地,所以,云离不开网络。参考答案:B

35.人通过获得、识别不同信息来区别不同事物,得以认识和改造世界。以下关于信息的叙述中,不正确的是 ( )

A、信息的载体是数据

B、信息是事物的运动状态和状态变化方式的自我表述

C、信息是按照特定方式组织在一起的数据的集合

D、信息通过载体进行传播

分析:数据是信息的载体,是描述客观事物的数、字符、以及所有能输入到计算机中,被计算机程序识别和处理的符号的集合。但是反过来说,信息的载体是数据就不对了,信息的载体还有很多其他的形式,比如,语音,文字。。。控制论的创始人维纳( Norbert Wiener)认为:信息就是信息,既不是物质也不是能量。这个论述第一次把信息与物质和能量相提并论。信息论的奠基者香农认为:信息就是能够用来消除不确定性的东西。这个论述第一次阐明了信息的功能和用途。事物的本体论信息,就是事物的运动状态和状态变化方式的自我表述。参考答案:A

36.以下关于“互联网+”的理解中,正确的是( )

A、“互联网+ "行动可以助推传统产业的转型升级

B、“互联网+”是指互联网与物联网的融合

C、“互联网+”是电子商务在移动互联网上的创新发展

D、IPv6的应用推广,催生互联网转型升级到“互联网+”

分析:“互联网+”就是“互联网+各个传统行业”,但这并不是简单的两者相加,而是利用信息通信技术以及互联网平台,让互联网与传统行业进行深度融合,创造新的发展生态。它代表一种新的社会形态,即充分发挥互联网在社会资源配置中的优化和集成作用,将互联网的创新成果深度融合于经济、社会各域之中,提升全社会的创新力和生产力,形成更广泛的以互联网为基础设施和实现工具的经济发展新形态。参考答案:A

37.《国务院关于积极推进“互联网+”行动的指导意见》中提出的推动互联网与制造业融合,加强产业链协作,发展基于互联网的协同制造新模式,提升制造业数字化、网络化和( )水平,是“互联网+"的重点行动之一。

A、3D化 B、智能化 C、定制化 D、精细化

分析:根据上下文的语境,发挥阅读理解。国务院关于积极推进“互联网+”行动的指导意见(国发 〔2015〕40号)二、重点行动(二)“互联网+”协同制造。推动互联网与制造业融合,提升制造业数字化、网络化、智能化水平,加强产业链协作,发展基于互联网的协同制造新模式。在重点领域推进智能制造、大规模个性化定制、网络化协同制造和服务型制造,打造一批网络化协同制造公共服务平台,加快形成制造业网络化产业生态体系。(工业和信息化部、发展改革委、科技部共同牵头)参考答案:B

38.物流对电子商务的发展影响重大。通常认为选择物流供应商的主要因素包括( )

A、价格、运输时间、灭失与损坏

B、价格、运输时间、运输质量

C、运输包装、运输质量、灭失与损坏

D、运输质量、运输时间、运输工具

分析:排除法。对于物流而言,价格、质量、时间一般是考虑的首选。参考答案:B

39.信息物理系统(CPS, Cyber-Physical Systems)是一个综合计算、网络和物理环境的多维复杂系统,通过3C(Computing、Communication、Control)技术的有机融合与深度协作,实现大型工程系统的实时感知、动态控制和信息服务。该系统主要应用于( )领域

A、新一代网络控制

B、智能制造

C、智慧城市

D、电子商务

分析:参考(百度百科)下一代工业将建立在CPS之上,随着CPS技术的发展和普及,使用计算机和网络实现功能扩展的物理设备无处不在,并将推动工业产品和技术的升级换代,极大地提高汽车、航空航天、国防、工业自动化、健康/医疗设备、重大基础设施等主要工业领域的竞争力。”何积丰表示,“CPS不仅会催生出新的工业,甚至会重新排列现有产业布局。参考答案:B

40.企业信息化建设内容一般不包括( )

A、企业技术知识信息化

B、通用基础操作系统的研发

C、企业管理知识信息化

D、企业信息应用系统的采购

分析:通用基础操作系统的研发这个是一个非常复杂的工作,每个企业不可能单独来研发一套操作系统。企业信息化概念概括地说,企业信息化就是:“在企业作业、管理、决策的各个层面,科学计算、过程控制、事务处理、经营管理的各个领域,引进和使用现代信息技术,全面改革管理体制和机制,从而大幅度提高企业工作效率、市场竞争能力和经济效益。”参考答案:B

41.某法院将罚没的物品通过某拍卖网站对社会公开拍卖,成交后买方通过网络支付将款项直接支付当地财政系统,该活动属于()的范畴

A、电子政务

B、行政管理

C、电子商务

D、电子交易

分析:一方是政府,另一方是社会买家,所以,是电子政务。电子政务模型:可简单概括为2个方面,(1)政府部门内部的办公自动化、管理信息化、决策科学化;(2)政府部门与社会各界利用网络信息平台充分进行信息共享与服务、加强群众监督、 提高办事效率及促进政务公开等。参考答案:A

42.以下技术服务工作中,( )不属于IT系统运行维护

A、某大型国企中,对于用户终端的软件及硬件管理和日常维护

B、对提供互联网服务的机房内各类服务器、网络设备、网络安全、网络性能等进行监控和故障恢复

C、对某省税务局的税务稽查系统的使用情况进行监测、对其数据库定期检查、优化、备份

D、某工业企业由于业务流程变化,对其使用的生产管理系统进行升级改造

分析:IT运维管理,是指单位 IT 部门采用相关的方法、手段、技术、制度、流程和文档 等,对IT 如硬运行环境(软件环境、网络环境等)、IT 业务系统和 IT 运维人员进行的综合管理。选项D是一个开发项目。参考答案:D

43.构建电子商务平台是当前一种重要的商业模式,任何希望从事电子商务的公司或个人可以通过注册商铺的形式在该平台上从事电子商务活动。从技术角度来看,该平台属于() 服务模式

A、IaaS B、DaaS C、SaaS D、PaaS

分析:IaaS(Infrastructure-as-a- Service):基础设施即服务。消费者通过Internet可以从完善的计算机基础设施获得服务。例如:硬件服务器租用。PaaS(Platform-as-a- Service):平台即服务。PaaS实际上是指将软件研发的平台作为一种服务,以SaaS的模式提交给用户。因此,PaaS也是SaaS模式的一种应用。但是,PaaS的出现可以加快SaaS的发展,尤其是加快SaaS应用的开发速度。例如:软件的个性化定制开发。SaaS(Software-as-a- Service):软件即服务。它是一种通过Internet提供软件的模式,用户无需购买软件,而是向提供商租用基于Web的软件,来管理企业经营活动。例如:阳光云服务器。参考答案:C

44.信息的传输模型中包括信源、编码器、信道、解码器、信宿、噪声等要素。噪声主要对( )形成干扰或影响

A、信源 B、编码器

C、信道 D、解码器

分析:参考答案:C

45.以下关于信息化的叙述中,不正确的是( )

A、信息化的主体是程序员、工程师、项目经理、质量管控人员

B、信息化是一个长期的过程

C、信息化的手段是基于现代信息技术的先进社会生产工具

D、信息化的目标是使国家的综合实力、社会的文明素质和人民的生活质量全面达到现代化水平

分析:信息化的基本内涵启示我们:信息化的主体是全体社会成员,包括政府、企业、事业、团体和个人参考答案:A

46.我国现阶段信息化的主要任务不包括()

A、新型工业化发展模式基本成熟

B、加强信息资源的开发利用及提高信息产业竞争力

C、提高国民信息技术应用能力,造就信息化人才队伍

D、建设先进网络文化及国家信息安全安全保障体系

分析:中级教程p22-1.2.3 我国信息化发展的主要任务和发展重点黑体字。参考答案:A

47.信息化可分成产品信息化、企业信息化、产业信息化、国民经济信息化、社会生活信息化等不同层次。目前正在兴起的智慧城市、互联网金融等是()的体现和重要发展方向

A、产品信息化

B、产业信息化

C、国民经济信息化

D、社会生活信息化

分析:中级教程p7-1.1.3 信息化教程原文参考答案:D

48.以下关于我国现阶段电子政务建设的叙述中,不正确的是()

A、我国电子政务建设一直坚持统一规划,加强领导,需求主导,突出重点的原则

B、我国电子政务建设一直坚持整合资源,拉动产业,统一标准,保证安全的原则

C、我国电子政务建设把建设独立互不干扰的电子政务网络、引进和完善重点业务系统作为主要任务之一

D、我国电子政务建设把基本建立电子政务网络与信息安全保障体系和加强公务员信息化培训和考核作为主要任务之一

分析:中级教程p34-1.3.4 电子政务建设的发展方向和应用重点4. 强化政务信息资源开发利用(3)大力推动信息共享和政务信息资源社会化利用。积极推进跨地区、跨部门、跨层级信息共享,丰富信息共享内容,扩大信息共享覆盖面,提高信息共享使用成效。参考答案:C

49.在电子商务系统架构中,基础设施包括四个。其中()主要负责电子商务活动设计的各种信息,包括文字、语音、图像、视频等

A、网络基础设施

B、报文和信息传播的基础设施

C、多媒体内容和网络出版的基础设施

D、商业服务的基础设施

分析:中级教程p70-1.4.5 电子商务3. 电子商务系统的结构和要点2)多媒体内容和网络出版的基础设施多媒体内容和网络出版的基础设施主要负责管理电子商务活动涉及的各种信息,包括文字、语音、图像、视频等。参考答案:C

50.某网站提供电影票购买业务,消费者可以在网页上选择影院、影片、观影时间、座位,并可通过手机应用支付费用。该电子商务模式是()

A、B2C B、B2B C、O2O D、O2C

分析:中级教程p72-1.4.5 电子商务4. 电子商务的类型(4)O2O即Online To Offline,含义是线上购买线下的商品和服务,实体店提货或者享受服务。……特别适合餐饮、院线、会所等服务类连锁企业……参考答案:C

51.以下关于智慧城市的理解中,恰当的是()

A、智慧城市建设的关键是大量、有效地建设城市IT系统

B、社会治安防控体系不是智慧城市顶层设计主要考虑的内容

C、电子政务系统是智慧城市的组成部分,由于其特殊性,不鼓励电子政务系统向云计算模式迁移

D、通过传感器或信息采集设备全方位地获取城市系统数据是智慧城市的基础

分析:参考中级教程p99-1.6.4 智慧城市参考答案:D

52.在大数据的关键技术中,数据抽取工作ETL是()过程主要使用的技术

A、数据采集

B、数据存储

C、数据清洗

D、数据分析

分析:中级教程p78-1.5 商业智能商业智能的关键是从来自组织的许多不同的运作系统的数据中提取出有用的数据并进行清理,以保证数据的正确性,然后经过抽取(extraction)、转换(transformation)和装载(load),即ETL过程,合并到一个组织级的数据仓库里,从而得到组织数据的一个全局视图,在此基础上利用合适的查询和分析工具、数据挖掘工具、OLAP工具等对其进行分析和处理(这时信息变为辅助决策的知识),最后将知识呈现给管理者,为管理者的决策过程提供支持。参考答案:A

相关问答

电力 电子系统 集成 是什么? - Miss.cici 的回答 - 懂得

其中,电力电子系统的集成在于建立一系列的标准芯片或者是模块,通过集成满足用户需要的智能化应用系统

光电信息工程与 集成 电路工程哪个好?

光电信息工程与集成电路工程都好,光电信息技术是由光学、光电子、微电子等技术结合而成的多学科综合技术,涉及光信息的辐射、传输、探测以及光电信息的转换、...

本科 电子 科学与技术和集成电路设计与 集成系统 专业,哪个专业好?

电子科学与技术专业会更好一些,电子科学与技术专业和集成电路设计与系统集成这两个专业都是一级学科电子科学与技术专业大类下的两个本科专业,其中电子科学与...

电子 信息工程的 集成 电路方向与嵌入式方向有什么区别?

电子信息工程专业是现在的热门专业之一,通常不同学校开设时会有不同的方向侧重。你所提到的集成电路方向指的是学习的方向是集成电路设计,该方向以如何设计各...

集成 电路工程与 电子 通信工程区别?

其实电子信息工程和通信工程基本上没多大区别,以后的就业方向也差不多,集成电路呢应该是新分出来的专业吧,我总觉得新的专业就业不如以前就有的专业好,前两者...

集成电路 微电子 这两个专业有什么区别和联系? 申请方

微电子学包含工艺和设计两个方向;集成电路设计与集成系统专业一般只是做设计,不做工艺方向。微电子技术是随着集成电路,尤其是超大型规模集成电路...

南京航空航天大学 电子 信息工程学院怎么样?设有哪些专业? 申请方

[回答]~接下来我为大家简单介绍一下我们南京航空航天大学的电子信息工程学院开设的专业以及研究情况专业设置:电子信息科学与技术-本科、电子信息科学与技...

《集成电路设计与 集成系统 》和《微 电子 科学与工程》专业的就业方向有什么不同?

前者不是电路版设备。两者专业有很多交集,说白了前者更偏向集成电路设计,后者更偏向集成电路的制造。注:集成电路不是常规意义的电路板,而是我们常说的芯片...

西安 电子 科技大学集成电路设计与 集成系统 专业就业形势如何?

还不错了。西电微电子学院一般有一半人都去读研了,读完之后工资还算不错。剩下一半找工作,如果还做IC的话,一般都是后端画版图,或者去联电,台积电,三星之类...

电子 信息工程与 集成 电路有关系吗?

电子信息工程是个大方向本科阶段下面有三个专业方向信息工程,电子工程,电磁场与电磁波技术电子信息工程专业说白了就是通信类的电子专业,也就是无线电技...

标签:

相关阅读