电子开关继电器应用 应用实例:PNOZ s5安全继电器监控安全门开关

小编头像

小编

管理员

发布于:2026年04月14日

106 阅读 · 0 评论

应用实例:PNOZ s5安全继电器监控安全门开关

上一篇文章我们介绍了Pilz安全继电器PNOZ s5,今天这篇文章我们来举个应用实例:使用PNOZ s5监控安全门开关。

本文包括如下几个主题:

应用场景;安全开关介绍;设计思路;EPLAN电气原理图;

1、应用场景

为了防止人员误入机器作业的危险区域,将该区域设立围栏并安装一扇安全门。只有当安全门关闭后,机器才能运行。如果在机器运行过程中安全门被打开,则立刻切断机器的电源并紧急制动。下面这张图是使用机械式安全开关做主控元件的安全门的示意图:

2、安全开关介绍

安全开关是安全门的核心元件,常见的安全开关有机械式、感应式等等。本例程使用Pilz机械型安全开关PSENmech3.1,其外观如下图所示:

该安全开关有2路常闭触点,在默认情况(未触发)下处于闭合状态;当安全开关被触发后(门被打开),2路常闭触点断开;

3、设计思路

安全门开关的两路常闭触点连接到安全继电器PNOZ s5的两路输入通道S11/S12和S21/S22上,立即动作型常开触点13/14串联到电机控制回路中,控制接触器(KM1)的线圈;接触器KM1控制电机的启停;立即动作型常开触点23/24控制电机的抱闸,当23/24闭合后电机抱闸松开,电机可以正常运行;当23/24断开后电机抱闸闭合,电机不能正常运行;

当安全门关闭时:

安全开关常闭触点闭合;安全继电器PNOZ s5的输入通道处于闭合状态,因此其常开触点13/14和23/24闭合,电机控制回路接通,抱闸松开,可正常运转;

当安全门打开时:

安全开关被触发,其常闭触点断开;安全继电器PNOZ s5的输入通道处于断路状态,因此其常开触点13/14断开,电机控制回路断开,电机失去动力;常开触点23/24断开,电机抱闸闭合,在抱闸的作用下失去动力的电机将紧急制动;

4、EPLAN电气原理图

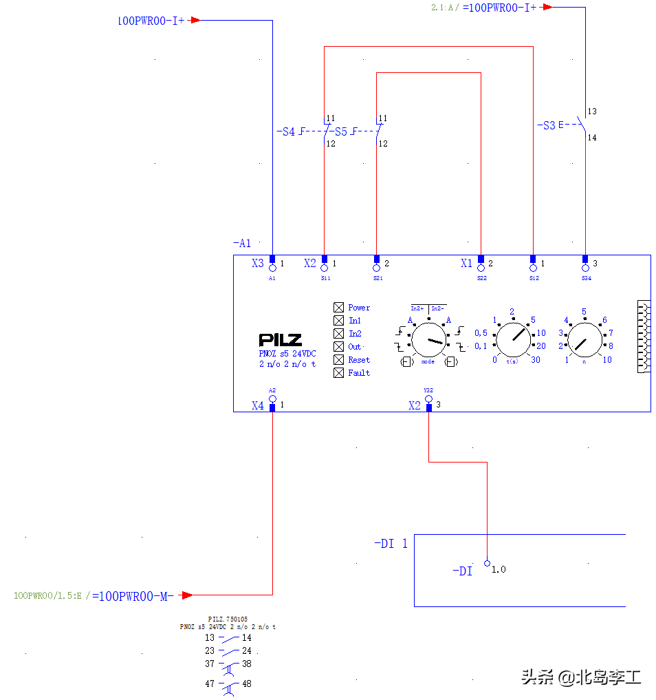
下面这张图是我用EPLAN绘制的PNOZ s5电源及安全输入通道:

其中:

S3是复位按钮;S4/S5是安全门开关的常闭触点;X3(A1)连接24V正极;X4(A2)连接24V负极;X2(Y32)是PNOZ s5的输出信号,连接到PLC的数字量输入通道;

下面这张图是PNOZ s5辅助触点的原理图:

其中:

输出通道Q0.0接到PNOZ s5的常开触点S13/S14,再连接到电机接触器KM1的线圈;输出通道Q0.1连接到PNOZ s5的常开触点S23/S24,连接到中间继电器K1的线圈;中间继电器K1用于控制电机抱闸(AC 220V),如下图所示:

另外说明的是,Pilz还有PSENgate/PSENlock系列产品,具有更强大的安全门功能,感兴趣可以去官网看下。

好了,这就是基于PNOZ s5的安全门(安全开关)的应用实例,如果有任何问题欢迎留言讨论。

我的新书《西门子S7-200 SMART PLC应用技术——编程、通信、装调、案例》已经出版,欢迎点击下面的链接查看:

#pgc-card .pgc-card-href { text-decoration: none; outline: none; display: block; width: 100%; height: 100%; } #pgc-card .pgc-card-href:hover { text-decoration: none; } /*pc 样式*/ .pgc-card { box-sizing: border-box; height: 164px; border: 1px solid #e8e8e8; position: relative; padding: 20px 94px 12px 180px; overflow: hidden; } .pgc-card::after { content: " "; display: block; border-left: 1px solid #e8e8e8; height: 120px; position: absolute; right: 76px; top: 20px; } .pgc-cover { position: absolute; width: 162px; height: 162px; top: 0; left: 0; background-size: cover; } .pgc-content { overflow: hidden; position: relative; top: 50%; -webkit-transform: translateY(-50%); transform: translateY(-50%); } .pgc-content-title { font-size: 18px; color: #222; line-height: 1; font-weight: bold; overflow: hidden; text-overflow: ellipsis; white-space: nowrap; } .pgc-content-desc { font-size: 14px; color: #444; overflow: hidden; text-overflow: ellipsis; padding-top: 9px; overflow: hidden; line-height: 1.2em; display: -webkit-inline-box; -webkit-line-clamp: 2; -webkit-box-orient: vertical; } .pgc-content-price { font-size: 22px; color: #f85959; padding-top: 18px; line-height: 1em; } .pgc-card-buy { width: 75px; position: absolute; right: 0; top: 50px; color: #406599; font-size: 14px; text-align: center; } .pgc-buy-text { padding-top: 10px; } .pgc-icon-buy { height: 23px; width: 20px; display: inline-block; background: url(https://lf6-cdn-tos.bytescm.com/obj/cdn-static-resource/pgc/v2/pgc_tpl/static/image/commodity_buy_f2b4d1a.png); } S7-200 SMART PLC应用技术 ¥84.5 购买

电气百科:开关与继电器种类和作用?时间继电器原则实物接线图

电气百科: 《模拟电子技术》基础:开关与继电器,继电器种类包括哪些?继电器的作用是什么?时间继电器的原则和实物接线图,纯干货

电气百科:《模拟电子技术》基础:开关与继电器

开关的两个重要特征:是否是瞬间接触,开关有没有一个中间断开的位置。

瞬间开关包含主要的按键开关,用于只需要短暂接通或断开的情况,瞬间接触开关有常闭和常开两种形式。

中心断位开关在两个接通位置之间附加了一个断开位置。必须注意的是并不是所有的开关都有中心断位或瞬间接触的特性,这些特性必须说明。

继电器分三类:机械继电器,舌簧继电器,固态继电器。

舌簧继电器:由一对簧片组成,只要电流流过簧片就会弯曲。中等电流500ma~1000ma以及中等开关速度的场合(0.2~2ms)。

机械继电器:电流流过电磁线圈产生磁力把导电片由一个触点拉向另一个触点。用于大电流2~15A以及速度相对较慢的场合(10~100ms)。

固态继电器 :由半导体材料制成,只要在其半导体的PN结上外加电压就可以使其呈开关状态。适用电流范围很宽。固态继电器包括晶体管和晶闸管,无磨损问题,开关速度极高,导通电阻高。

固态继电器的主要参数

输入参数:控制电压,关断电压,开启电流,控制电流,

输出参数:工作电压,工作电流,通态压降,泄漏电流,通断时间,绝缘耐压。

其他参数:工作温度,感性负载,阻性负载,冷却条件(自然风冷)

固态继电器由三部分组成:输入电路,输出电路,隔离(耦合)

输入电路:电压固定的信号采用阻性输入,将电流控制在一定范围。电压变化范围较大采用恒流电路。

固态继电器的输入输出电路隔离和耦合有光电耦合和变压器耦合两种。

输出电路:分为直流输出,交流输出和交直流输出,直流输出时可用双极性器件或者场效应管,交流输出时通常使用两个可控硅或者一个双向可控硅。

选型与注意事项:

固态继电器的选型主要是选取适当的额定电流,而其额定电流需要根据不同的负载类型来选用,比如感性负载具有反电动势,容性负载相当于短路等。

各种浪涌负载特性对固态继电器的选择:被控负载在接通瞬间会产生很大的浪涌电流,由于热量来不及散发可能会使内部的可控硅损坏,所以应对被控负载的浪涌特性进行分析,然后再选择继电器选择时可参考各种负载时的降额系数。

一般在选用时除了遵循上述规则,低电压要求信号失真小时可选用场效应管做输出的器件的直流固态继电器,对于交流负载和多数感性负载,可选用过零型继电器,可延长负载和继电器的寿命,也减小自身的射频干扰。做相位输出时,应选用随机性固态继电器。

固态继电器的优点:

(1) 高寿命,高可靠:固态继电器没有机械零部件,有固体器件完成触点功能,由于没有运动的零部件,能在高冲击高震动的环境下工作。

(2) 灵敏度高,控制功率小,电磁兼容性好:固态继电器的输入范围较宽,驱动功率低,可与大多数逻辑集成电路兼容不需加缓冲器和驱动器。

(3) 快速转换:固态继电器因为采用固体器件,所以切换速度可从几毫秒至几微秒。

(4) 电磁干扰小:固态继电器没有输入线圈,没有触点燃弧和回跳,减少了电磁干扰。大多数交流输出固态继电器是零电压开关,在零电压处导通,零电流处关断。

固态继电器的缺点:

(1) 导通后的管压降大,可控硅和双向控硅的正向压降可达1~2V,大功率晶体管的饱和压降也在1~2V之间。

(2) 半导体器件关断后仍有数微安至数毫安的漏电流,不能实现理想隔离。

(3) 管压降大,功耗和发热量也大,大功率的固态继电器体积远大于同容量的电磁继电器,成本高。

(4) 电子元器件的温度特性和电子线路抗干扰能力较差,耐辐射能力也较差。

双极型晶体管 ,通常断开,NPN在BE之间加小电流与正向偏置电压,PNP在BE之间加小电流与反向偏置电压。允许EC之间有较大电流通过。小电流和电压控制大电流。

结型场效益管 ,通常导通,N沟道GS之间加小的反偏电压,P沟道GS之间加小的正偏电压,不允许有较大电流通过DS。不需要栅极(D)电流。

结型场效应管的特性是当它们的栅极与源极之间没有电压差时,它是导通的。在实际应用中它的输入阻抗会非常大,这个高阻抗意味着结型场效应管输入极小或者不输入电流,因而,对连接到栅极的外部元器件或者电路没有影响----没有电流从控制电路流出,也没有不需要的电流进入控制电路。

金属氧化物半导体场效应管(耗尽型,增强型)

增强型:通常断开,N沟道GS之间加小的正偏电压,P沟道GS之间加小的反偏电压,允许有较大电流通过DS。不需要栅极(D)电流。

耗尽型:通常断开,N沟道GS之间加小的反偏电压,P沟道GS之间加小的正偏电压,允许有较大电流通过DS。不需要栅极(D)电流。

晶闸管: 可控硅(SCR)正常时关断,当有一个小电流进入控制级(G)时,SCR导通,即使当控制级电流被除去,SCR依旧导通,为了关断SCR,,其阳极到阴极的电流必须为零或者在阳极加一个比阴极更负的电压。电流仅从阳极(A)到阴极(C)。

硅可控开关(SCS)。类似SCR,但是通过在其第四端加正电压脉冲可以关断,当负电压加在阳栅极也能触发,电流从阳极到阴极。

双向可控硅:类似SCR,双向开断,可开断交流,仅当控制级接受电流时双向可控硅导通,电流通过MT1H和MT2双向导通。

0R电阻的作用

1. 做跳线2. 匹配参数不确定时用0R代替。3. 模拟地和数字地单点接地。4. 芯片电源旁边接电容电容:

安规电容:电容器失效后不会导致电击,不危及人身安全的安全电容器。安规电容通常只用于抗干扰电路中的滤波作用。他们用在电源滤波器里面起到电源滤波作用,分别对共模和差模其滤波作用,出于安全考虑,一般在电源输入口

电气百科:继电器种类包括哪些?继电器的作用是什么?

继电器是一种电控制器件。它具有控制系统(又称输入回路)和被控制系统(又称输出回路)之间的互动关系。通常应用于自动化的控制电路中,它实际上是用小电流去控制大电流运作的一种“自动开关”。故在电路中起着自动调节、安全保护、转换电路等作用。

当输入量(如电压、电流、温度等)达到规定值时,继电器被所控制的输出电路导通或断开。输入量可分为电气量(如电流、电压、频率、功率等)及非电气量(如温度、压力、速度等)两大类。

继电器具有动作快、工作稳定、使用寿命长、体积小等优点。广泛应用于电力保护、自动化、运动、遥控、测量和通信等装置中。

工作原理和特性:

电磁继电器一般由铁芯、线圈、衔铁、触点簧片等组成的。只要在线圈两端加上一定的电压,线圈中就会流过一定的电流,从而产生电磁效应,衔铁就会在电磁力吸引的作用下克服返回弹簧的拉力吸向铁芯,从而带动衔铁的动触点与静触点(常开触点)吸合。当线圈断电后,电磁的吸力也随之消失,衔铁就会在弹簧的反作用力返回原来的位置,使动触点与原来的静触点(常闭触点)释放。

这样吸合、释放,从而达到了在电路中的导通、切断的目的。对于继电器的“常开、常闭”触点,可以这样来区分:继电器线圈未通电时处于断开状态的静触点,称为“常开触点”;处于接通状态的静触点称为“常闭触点”。继电器一般有两股电路,为低压控制电路和高压工作电路。

固态继电器是一种两个接线端为输入端,另两个接线端为输出端的四端器件,中间采用隔离器件实现输入输出的电隔离。

固态继电器按负载电源类型可分为交流型和直流型。按开关型式可分为常开型和常闭型。按隔离形式可分为混合型、变压器隔离型和光电隔离型,以光电隔离型为最多。

热敏干簧继电器是一种利用热敏磁性材料检测和控制温度的新型热敏开关。它由感温磁环、恒磁环、干簧管、导热安装片、塑料衬底及其他一些附件组成。热敏干簧继电器不用线圈励磁,而由恒磁环产生的磁力驱动开关动作。恒磁环能否向干簧管提供磁力是由感温磁环的温控特性决定的。

磁簧继电器是以线圈产生磁场将磁簧管作动之继电器,为一种线圈传感装置。因此磁簧继电器之特征、小型尺寸、轻量、反应速度快、短跳动时间等特性。

当整块铁磁金属或者其它导磁物质与之靠近的时候,发生动作,开通或者闭合电路。由永久磁铁和干簧管组成。永久磁铁、干簧管固定在一个不导磁也不带有磁性的支架上。以永久磁铁的南北极的连线为轴线,这个轴线应该与干簧管的轴线重合或者基本重合。由远及近的调整永久磁铁与干簧管之间的距离,当干簧管刚好发生动作(对于常开的干簧管,变为闭合;对于常闭的干簧管,变为断开)时,将磁铁的位置固定下来。

这时,当有整块导磁材料,例如铁板同时靠近磁铁和干簧管时,干簧管会再次发生动作,恢复到没有磁场作用时的状态;当该铁板离开时,干簧管即发生相反方向的动作。磁簧继电器结构坚固,触点为密封状态,耐用性高,可以作为机械设备的位置限制开关,也可以用以探测铁制门、窗等是否在指定位置。

光继电器为AC/DC并用的半导体继电器,指发光器件和受光器件一体化的器件。输入侧和输出侧电气性绝缘,但信号可以通过光信号传输。

其特点为寿命为半永久性、微小电流驱动信号、高阻抗绝缘耐压、超小型、光传输、无接点等。主要应用于量测设备、通信设备、保全设备、医疗设备等。

时间继电器是一种利用电磁原理或机械原理实现延时控制的控制电器。它的种类很多,有空气阻尼型、电动型和电子型等。

在交流电路中常采用空气阻尼型时间继电器,它是利用空气通过小孔节流的原理来获得延时动作的。它由电磁系统、延时机构和触点三部分组成。

时间继电器可分为通电延时型和断电延时型两种类型。

空气阻尼型时间继电器的延时范围大(有0.4~60s和0.4~180s两种) ,它结构简单,但准确度较低。

当线圈通电(电压规格有ac380v、ac220v或dc220v、dc24v等)时,衔铁及托板被铁心吸引而瞬时下移,使瞬时动作触点接通或断开。但是活塞杆和杠杆不能同时跟着衔铁一起下落,因为活塞杆的上端连着气室中的橡皮膜,当活塞杆在释放弹簧的作用下开始向下运动时,橡皮膜随之向下凹,上面空气室的空气变得稀薄而使活塞杆受到阻尼作用而缓慢下降。

经过一定时间,活塞杆下降到一定位置,便通过杠杆推动延时触点动作,使动断触点断开,动合触点闭合。从线圈通电到延时触点完成动作,这段时间就是继电器的延时时间。延时时间的长短可以用螺钉调节空气室进气孔的大小来改变。

吸引线圈断电后,继电器依靠恢复弹簧的作用而复原。空气经出气孔被迅速排出。

继电器是具有隔离功能的自动开关元件,广泛应用于遥控、遥测、通讯、自动控制、机电一体化及电力电子设备中,是最重要的控制元件之一。

继电器一般都有能反映一定输入变量(如电流、电压、功率、阻抗、频率、温度、压力、速度、光等)的感应机构(输入部分);有能对被控电路实现“通”、“断”控制的执行机构(输出部分);在继电器的输入部分和输出部分之间,还有对输入量进行耦合隔离,功能处理和对输出部分进行驱动的中间机构(驱动部分)。

作为控制元件,概括起来,继电器有如下几种作用:

1) 扩大控制范围:例如,多触点继电器控制信号达到某一定值时,可以按触点组的不同形式,同时换接、开断、接通多路电路。

2) 放大:例如,灵敏型继电器、中间继电器等,用一个很微小的控制量,可以控制很大功率的电路。

3)综合信号:例如,当多个控制信号按规定的形式输入多绕组继电器时,经过比较综合,达到预定的控制效果。

4) 自动、遥控、监测:例如,自动装置上的继电器与其他电器一起,可以组成程序控制线路,从而实现自动化运行。

电气百科:时间继电器的原则和实物接线图,纯干货

时间继电器在电气自动化、电气工程技术中的应用非常广泛。在上篇文章《电工基础知识之时间继电器》中,我们已经详细介绍了时间继电器的分类、原理和动作过程,今天我们就讲解一下时间继电器的选用原则、实物接线和注意事项。

时间继电器的选用原则在选用时间继电器时,一般可遵循下面的规则:1、根据受控电路的需要,来决定选择时间继电器是通电延时型还是断电延时型。2、根据受控电路的电压来选择时间继电器吸引绕组的电压。3、若对延时要求高,则可选择晶体管式时间继电器或电动式时间继电器;若对延时要求不高,则可选择空气阻尼式时间继电器。4、根据需要选择延时时间范围内的时间继电器。

断电延时型时间继电器

时间继电器的实物接线图

上图为断电延时时间继电器,线圈通电后延时触点先动作,线圈断电以后再开始延时复位。上图的8-5 为延时常闭,8-6 为延时常开。例如:设置8S工作过程:2-7 线圈通电后 8-5马上断开、8-6接通,若线圈一直得电则一直保持这个状态不变。

若2-7 线圈断电后则开始计时,8S时间到了以后,所有触点复位8-5 为延时常闭,8-6 为延时常开。3-4 是复位信号,如果 2-7 线圈断电后不想让它延时时使用,所有触点立即复位。

时间继电器结构

时间继电器的注意事项1、控制电源:使用时要检查电源电压和频率与时间继电器的额定电压和频率是否相符。1.1、应按产品接线图正确接线,特别注意直流电产品,接电源是查看电源正、负极极性。1.2、断电延时型时间继电器的输入是高阻抗回路。断电后,由于感应电压和泄漏电流等的影响,有时会不动作,这种场合应在时间继电器的电源端子间连接泄漏电阻,使电源断开时,电源端子上的电压小于额定电压的7%。1.3、时间继电器的电源电压允许在85%~110%额定电源电压范围之内波动。1.4、在高温下连续通电使用时,应注意此时允许电源电压波动范围为90%~110%,并且在高温下长时间处于动作状态,会因内部发热而加快电子元件老化。因此,可通过改变控制线路来避免长时间处于动作状态。

时间继电器针脚和底座

2、控制信号输入2.1、使用无触点元件控制时间继电器时,其输出部分应尽可能使用光电耦合器隔离。2.2、控制信号输出装置的电源和输出回路端尽量采用隔离变压器,并且输出回路不要接地。时间继电器的电源也最好使用隔离变压器。2.3、控制信号输入导线应尽可能的短,并且使用屏蔽或专用金属配线管,尽可能的远离动力线和高压线,以免形成干扰,造成误动作。

时间继电器针脚

3、休止时间时间继电器在重复延时时,两次间的休止时间应大于规定的复位时间,如果小于复位时间则有可能产生延时间偏移瞬动、不动作现象或者死机的情况。

4、断电延时、断开延时的控制4.1、断电延时型延时在180s以下的时间继电器的最短通电时间应大于或者等于2s;而断开延时型的时间继电器最短控制输入时间应大于50ms。4.2、触点恢复到初始状态断电延时继电器在投入控制电路使用前,如果产品触点未复位到初始状态,应先将产品延时时间设定到最小时间,接通产品电源2秒后断开电源,经延时到最小设定时间即可复位到初始状态。

电气百科,进口食品,工业网址大全,零食,工业导航,食相印,电的世界我最懂。

相关问答

中间 继电器 开关 电源主要用途?

1、用其常开或常闭触点来控制一个或多个较大负荷电流(10A以上)的线路开关〔主要是接触器和断路器),作为控制按钮或微型开关与较大负荷电流的电路开关元件之冋...

钥匙 开关 dr负载 继电器 是控制什么?

钥匙开关DR负载继电器是一种电气元件,它可以控制电路中的负载,通常用于控制电机、灯光、风扇等电气设备的开关。这种继电器的特点是在电路中加入一个钥匙开关...

继电器 能当模拟 开关 用么?

继电器能当模拟开关,小功率用T73,大功率用T91,用三极管驱动继电器。继电器是一种电控制器件。它具有控制系统(又称输入回路)和被控制系统(又称输出回...继电...

中间 继电器开关 可以作为电源开关使用?

中间继电器用于继电器保护和自动控制系统中,以增加触点的数量和容量,并在控制电路中传输中间信号。例如,在一个电路中,某个接触器只有两个常开辅助触点,但...

【电磁 继电器 是利用______控制工作电路通断的一种 开关 .】作业帮

[最佳回答]电磁继电器是一个利用电磁铁来控制电路工作的开关,其作用是用低电压、弱电流电路的通断来控制高电压、强电流电路的通断,以确保人的安全操作.故答案...

接近 开关 能否直接控制 继电器 ?

可以。方法一:1、接近开关电源是直流12伏,共有三条引出线,两条电源线,一条输出线。2、继电器选用:线圈直流12伏,触点交流220伏。3、电磁阀有交流220伏和...

【电磁 继电器 就是利用______控制工作电路通断的 开关 ,利用电...

[最佳回答]电磁继电器主要是由电磁铁构成的,通过开关控制电磁铁电流的通断,使电磁铁有无磁性,从而控制被控电路的通断,实现远距离操作和自动控制等功能,它可以...

继电器开关 和普通开关有什么区别呢?今天去家装市场购买材料,...

[回答]其实继电器开关在市面上已经是很常见的开关了,他最大的特点就是,由信号来控制开关,比如我们常见的声控,遥控等等,这种开关更不容易短路,而且有自动...

一个 开关 控制两个 继电器 怎样实现互锁?

一个开关做起始信号触发,动作后以其上沿信号触发内部继电器1。内部继电器自保,维持接通,接通维持中再引出一个定时器。内部继电器驱动输出信号接通实体继电器...

开关 电源保护 继电器 原理?

开关电源保护继电器(又称三相电源监视器、相序保护器、过欠压保护器等)的工作原理主要是用于交流50/60Hz,额定电压660V以下,工业三相100V、220V、380V(400V...

标签:

相关阅读