电子门图纸应用方法 地轨,隐藏轨推拉门及折叠门的构造做法,值得收藏!

小编头像

小编

管理员

发布于:2025年05月04日

97 阅读 · 0 评论

地轨、隐藏轨推拉门及折叠门的构造做法,值得收藏!

本期内容分为2大板块:

1、地轨与隐藏推拉门的构造解析:地轨和隐藏导轨推拉门的做法解析。

2、常规折叠门的构造解析:木质、金属推拉门的节点构造做法解析。

01./地轨与隐藏轨道推拉门

之前我们提到过,移门的构造做法解析分为常规推拉门、玻璃推拉门、常规折叠门、玻璃折叠门以及活动隔断这5种类型。

今天,我们再来分析常见的两种常规推拉门的构造做法以及常规材质的标准折叠门做法。

注:

1、这里指的"常规",是指除玻璃材料外的常见材料。如:木门、金属门、木框门、金属框门等等,只要导轨连接件不是与玻璃直接接触的移门,都是我们所指的常规移门。

2、门的重量直接影响到了吊轨和滑轮的选样,进而影响到了吊轨与门扇的连接方式和尺寸规格。故本文提到的标准案例仅为在约束条件下的标准参考,望熟知。

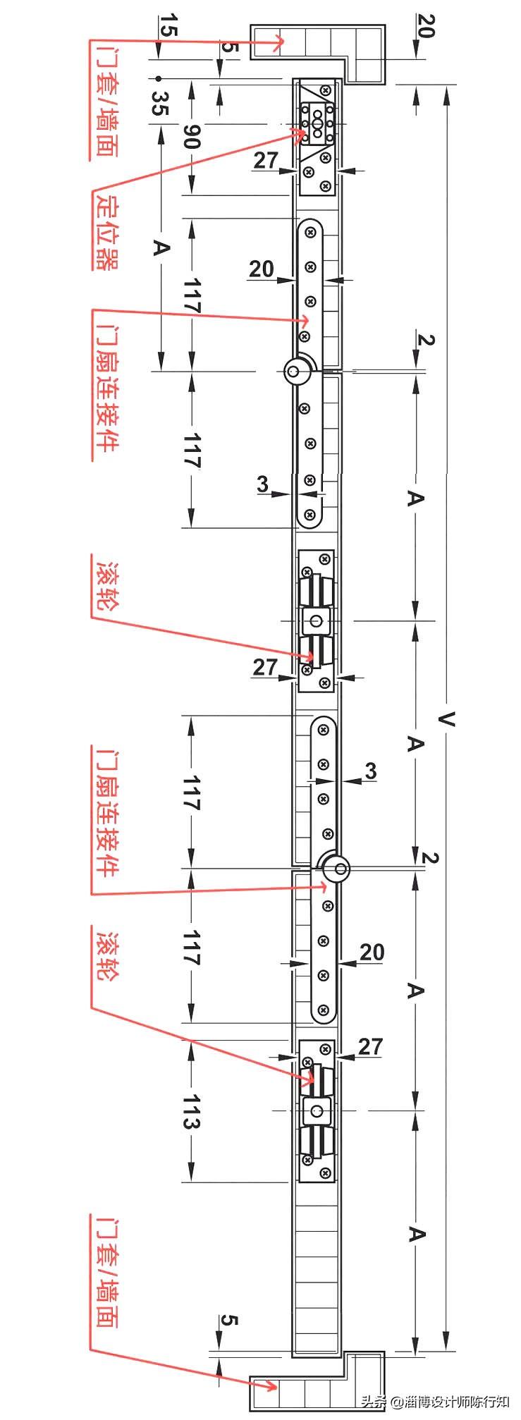
带地轨的推拉门:

虽然我们一直强调,现在很多设计中,都是采用吊轨的形式来做移门设计,但当移门过重或把移门换为柜体,又或者需要靠地轨分割空间时,则通常会选择用地轨受力、吊轨固定的方式来进行移门设计。

这样一来安装成本更低,而且也便于后期检修。所以,下面给你介绍一种标准的地轨移门构造做法,供你解决。

注:

1、地轨必须为实心的钢条。2、导向轨只起到导向作用,受力与滑动主要靠底部承受。3、门的重量决定了地轨的大小于滚轮的载重。

02.隐藏轨道推拉门的构造

通常来说,常规的推拉门主要分为吊轨和地轨两种安装方案。但是,你应该看到过一些案例,直接是一扇门在墙面,没有吊轨和地轨,还是可以开关自如。

如下图所示:

上面这些空间中的门,被很多人称为隐藏轨道门,它广泛地被应用于一些高空间。需要做推拉门的场合与谷仓门一样,也是直接装在墙上的导轨,但谷仓门是把轨道露在外边,而它则是把轨道隐藏了起来。

这种隐藏轨道门的标准做法如下(供参考):

03.常规折叠门的构造

我们之前提到过,折叠门和推拉门可以简单的理解成一回事,只是折叠门在推拉门的基础上加入了门的开合构件元素,当门受外力拉开时,通过开合构件和天地转轴的作用,让门得以折叠打开。

折叠门具体的优劣及应用,在之前的内容中已经提到过了,这里就不过多赘述。我们重点来聊聊当碰到常规折叠门的深化时,图纸应该怎么画?

我们以最常见的吊轨式折叠门来解析折叠门的标准构造做法:

当你理解了上图的折叠门构造时,再一次看到以下场景时,它将变得无比轻松。

图文源自于网络,如有侵犯请联系删除。

(此处已添加圈子卡片,请到今日头条客户端查看)

实用技巧 CAD大佬这样制作“门窗表”的

实例应用:

CAD建筑行业图纸(或其他专业用于计数统计),每一个楼层需要设置不同尺寸和类型的门窗,以表示在CAD建筑平面图中,且每一个门窗位置都有对于的编号说明;(如下图示)

概念介绍:

每一个门窗备注文字符号都对应不同的附加信息,但这远远不够;

绘制平面图纸之后需要制作门窗表:

把每一个楼层不同类型的门窗进行数量汇总,这是图纸不可缺少的一个部分;如何快速的根据建筑平面图中门窗,快速准确制作出“门窗表”,也成为了我们工作中最繁杂和耗精废神的一个步骤;

CAD门窗表制作高级技巧

定义ATT属性文字:

定义属性文字:输入快捷键“ATT”,根据提示设置“门窗编号”的标记,设置文字样式和文字高度,设置对正样式为“正中”,确定进入下一步;

快捷键:ATT

得到属性文字:

确定后,得到内容为“门窗编号”的文字内容;

定义属性文字:

再次输入快捷键“ATT”,根据提示设置“洞口尺寸”的标记,设置文字样式和文字高度,设置对正样式为“正中”,设置样式为“不可见”;确定进入下一步;

快捷键:ATT

得到属性文字:

确定后,得到内容为“洞口尺寸”的文字内容;

继续定义属性文字:

参考上述相同步骤,依次输入快捷键“ATT”,根据提示设置“尺寸图示内容”的标记,设置文字样式和文字高度,设置对正样式为“正中”,设置样式为“不可见”;

定义属性文字:

由于“门窗编号”内容为可见,其余内容均为不可见,我们制作完成后,显示内容仅为“门窗编号”对应的文本内容;这样我们就对“单个”门窗赋予了多个不可见的“标签”内容;

制作属性块

将所有文字内容定义块:

打输入命令B,选择对象时候“从上到下”鼠标依次点选选中文字,这样就可以根据重要程度排序;

快捷键:B

编辑属性文字内容:

定义块后,出现图示设置面板,根据门窗不同属性输入不同的标签内容;

复制多个属性文字:

根据图中门窗不同属性吗,复制多个“门窗编号”的块,然后设置其对应的各种信息

在建筑图每一个门窗设置与其对应不同的属性文字:

图示仅为教程示范,日常工作中以建筑图为准,根据“不同楼层”和“门窗属性”设置详细建筑图纸信息;

数据提取出门窗编号信息

数据提取:

输入快捷键DX选择“DATAEXTRACTION”进行数据提取;

快捷键:DX

创建新数据提取:

如图示,选择“创建新数据提取”,选择下一步;

保存新数据提取:

选择任意位置输入任意的文件名,保存数据提取文件*dxe;

选择数据源:

如图示,选择图形/图纸集,选中✔包括当前图形,然后下一步;

选择对象“门窗编号”:

选中✔仅比显示具有属性的块,对象中自动显示出“门窗编号”的属性块;

设置特性:

仅仅选中✔属性,表格中特性显示出对象“门窗编号”属性块各个设置的不同标签内容;

生成初始表格:

提取出当前所有“门窗编号”属性块的类别,生成一个初始比预览表格;然后右键选择“插入公式列”;

GIF动态演示:

插入公式列:

输入“列名”为“数量”;右侧位置选择添加出公式:<楼层总数>*<计数>,然后选择确定;

表格中显示出计算数量:

拖动表格标题框左右移动,进行表格顺序的排序;

列排序选项:

设置“列排序选项”,然后选择“列”为“门窗编号”,选择确定;

设置显示样式:

仅仅设置“✔合并相同的行”,设置其他表格列隐藏显示,选择下一步;

GIF动态演示:

设置输入选项:

设置“✔将数据提取处理表插入图形”,将生成的表格插入到CAD当前文件内;

生成门窗统计表

设置生成表格的样式:

设置表格样式,输入表格名称,选择下一步;

选择完成进行提取:

点击生成,进行下一步;

GIF动态演示:

生成门窗表:

自动生成图示的门窗表;

自动更新数据:

自修改门窗属性后,选中表格后右键选择“更新表格数据链接”,自动更新表格内容;

GIF动态演示:

CAD自学吧,

专注CAD精品教程分享。

相关问答

黎明觉醒现代感应 门图纸 怎么获得?

1、金币商城-金币建筑-购买建筑图纸,购买后可以建造。2、枪械配件图纸,在装备台使用配件图纸可以进行配件升级,配件图纸需要通过补给卡购买或者日程积累奖励...

玻璃 的立面图咋画?

首先,玻璃门的立面图需要精确测量门的长度、宽度和高度。然后,使用比例尺将这些尺寸转化为合适的比例。接着,在纸上绘制一个长方形,代表门的轮廓。根据门的...

天正建筑肿么画立面图的 (双开门)-ZOL问答

后面有一个门的立面选项。然后找到想要的里面样式即可。一般的里面都不要用天正导!导出来的也不能用!都有手动修改的你在说什么啊……先把问题说清楚好不好...

玻璃 门图纸 用什么表示?

一般M表示门,如M1,M0921,FM1021(一般表示防火门)。c一般代表窗,如C1,C1515等。MLC:门连窗。在图纸中一般构件都用名称的第一个字母表示。L:梁Z:柱M...

图纸门 左开和右开怎样区别?

区别在开门的方向不同。左开门:人站在门外向内推,门轴的转动在门左边;右开门:人站在门外向内推,门轴的转动在门右边;右开为图纸的方向为虚实线的交叉点在右...

入户 门图纸 怎么表示?

在户型图上,常见的图标有六种,分别是入户门、窗户、空调、衣柜、电视机和承重墙。在户型图上,入户门利用一个扇形表示,代表着推开的方向和范围。分为内开门...

电子门 锁如何开孔?

首先,要按照电子锁的开孔图纸,将门开好孔!然后,对照说明书,联系方轴和接线。最后,用密码或是开门卡以及机械钥匙,分别开一下门,来检测门锁是否正常首先,要按...

的开启方向 图纸 怎么看?

门的开启方向可以通过以下几种方式来确定:1.图纸说明:在门的设计图纸上通常会有标注门的开启方向,使用箭头指示门是向内还是向外开启。2.图纸标识符号:一些...

地下室防火 门图纸 怎么看?

看防火门的图纸设计意以下几点:1.防火门的类别。防火门按耐火极限分为甲级防火门,乙级防火门和丙级防火门。2.防火门的开启方向。对于安全出口的防火门,特...

防护密闭 图纸 上怎么标注?

防护密闭门在图纸上的标注方式通常是根据设计规范和标准进行。以下是一些常见的标注方式:直接标注防护密闭门的名称或编号:在图纸上用文字或符号直接标注出防...

标签:

相关阅读