电子元件干簧管应用 认识什么叫干簧管?它有什么功能和作用呢

小编头像

小编

管理员

发布于:2026年04月14日

139 阅读 · 0 评论

认识什么叫干簧管?它有什么功能和作用呢

干簧管是具有磁力感应而使内部接点闭合的一种开关。如图是一款干簧管外观。干簧管与磁铁相互依存,

干簧管

干簧管的工作原理非常简单,玻璃壳内部两片可磁化的簧片、间隔距离仅约几微米,玻璃壳中装填有高纯度的惰性气体,没有足够的磁力时,两片簧片并未接触,处于常开状态;当外加的磁场使两个簧片端点位置附近产生不同的极性,结果不同极性的簧片将互相吸引而闭合。干簧管可以作为传感器用于计数、限位等。

干簧管相对于一般机械开关具有结构简单、体积小、速度高、工作寿命长等优点。干簧管图形符号

在做实验时注意干簧管引脚的整形,当需要弯曲时,打弯的地方不能靠近玻璃壳,否则有可能引起玻璃破损,这点一定要注意。

干簧管与磁铁是一对好朋友,在一起就导通,分开后就断开,我要在面包板上做个简单实验验证一下。

今天这个电路自己搭建,看一看干簧管的“真本事”。

演示干簧管控制LED,

磁铁远离干簧管,LED熄灭

磁铁靠近干簧管,LED点亮

一、干簧管初体验

1.

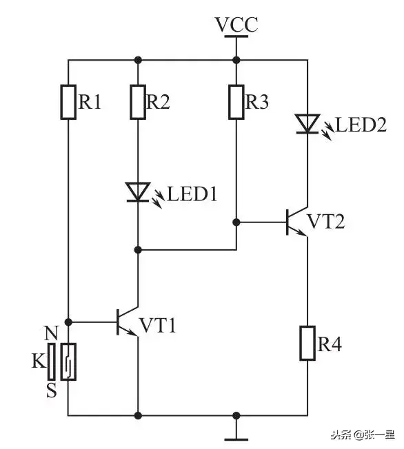
电路图

元器件清单

3.一起来分析

磁铁远离干簧管时,三极管VT1的基极经过电阻R1获得较高电压而导通,发光二极管LED1点亮,三极管VT2的基极电压接近0V而截止,发光二极管LED2熄灭;当磁铁靠近干簧管时,干簧管内部常开触点闭合,三极管VT1的基极电压接近0V而截止,发光二极管LED1熄灭,三极管VT2的基极经过电阻R3获得较高电压而导通,发光二极管LED2点亮。

4.面包板制作步骤

安装两个三极管

安装干簧管以及电阻R1

安装电阻R2以及LED1

安装三极管VT2周边的元件

5.装配图

装配图

第2章 常用电子元器件与安防系统常用线缆认识 之轻触开关 干簧管

元器件是所有电子设备的基础,安防系统维修,离不开安防设备,虽然我们重点不是维修设备,但是作为系统维修技术员,了解一些元件器基础知识,在维修的过程中往往事半功倍。

设备是安防系统基础的话,线缆就是整个系统的中枢神经,将这些设备连接起来。了解各种线缆特性,有助于我们整个系统的维修。

2.3轻触开关、干簧管、霍尔元件、光耦、保险管

2.3.1轻触开关

轻触开关又叫按键开关,也称敏感开关,使用时以满足操作力的条件向开关操作方向施压,开关闭合接通,当撤销压力时开关即断开,其内部结构是靠金属弹片受力变化来实现通断的。轻触开关在安防电子设备中得到广泛应用,如报警探测器中的防拆开关,云台,高速球中的行程开关,主机主板上的设置开关等等。如图2-31,图2-32为遥控器轻触开关。主要故障表现为接触不良或触点粘连,在维修时要注意检查。

图2-31

图2-32

2.3.2干簧管

干簧管也称磁簧开关,它是一个通过所施加的磁场操作的电开关。是由两片磁簧片(通常由铁和镍这两种金属所组成的) 密封在玻璃管内。 两片磁簧片呈重叠状况但中间间隔有一小空隙,外来适当的磁场将会使两片磁簧片接触。如图2-33。在安防领域中,干簧管也被广泛应用,如报警系统中的门磁、窗磁,也有被用作设备的防拆开关。

图2-33

图2-33

相关问答

电子 电路中常用到一种称为 干簧管 元件 ,它在电路中能起到的...

[最佳回答]开关;大于

但留有间隙,就制成了一种磁控 元件 —— 干簧管 ,以实现自动...

[最佳回答]但留有间隙,就制成了一种磁控元件——干簧管,以实现自动...

干簧管 与霍尔 元件 的区别与联系?

干簧管为机械式的磁敏开关,无源器件。其工作原理是磁场磁化其簧片,使其开启与关断达到开关的效果。但由于是接触式的开关,其工作寿命有限制,而且运输、安装过...

接近开关 干簧管 的优点都有哪些?

[回答]热释电式接近开关用能感知温度变化的元件做成的开关叫热释电式接近开关。这种开关是将热释电器件安装在开关的检测面上,当有与环境温度不同的物体接...

ghj是什么意思?

ghj是干簧继电器电子元件。干簧管传感器技术在干簧传感器中,关键的元件是簧片开关,它是由WesternElectric公司在1940年发明的。其它主要元件是开或关的弹性簧...

大侠们!谁能给我说一下, 干簧管 磁芯感应开关启动装置怎么样?

[回答]要掌控气缸自动倒数地往返运动,必须2个磁干簧管电源。对于3线的干簧管,可选其中2根线(常开触点,附近磁铁开口)。永久磁铁见图。磁控电源其实是干簧...

松下洗衣机里主板上 干簧管 (磁控开关)是什么型号-ZOL问答

干簧管是一种非常重要的电子元器件,它广泛应用于计算机、通信设备等领域。在选择干簧管时,我们需要了解其型号含义和规格参数。首先,不同的触点形式对应着不同...

()A.传感器担负着信息采集的任务B. 干簧管 是一种磁传感器C....

[最佳回答]A、传感器能将被测信号量u微小变化转换成电信号,担负着信息采集u任务.故A正确.B、干簧管在磁场中两磁簧片被磁化,两触点为异名磁极,两触点相吸,电路...

霍尔开关用途主要有哪些?-设计本有问必答

霍尔开关就属于这种有源磁电转换器件,它是在霍尔效应原理的基础上,利用集成封装和组装工艺制作而成,它可方便的把磁输入信号转换成实际应用中的电信...

磁簧开关接线原理?

磁性开关工作原理1、磁性开关中的干簧管又叫磁控管是利用磁场信号来控制的一种开关元件,当无磁时电路断开,能够用来检测机械运动或电路的状态。磁性开关不处...

标签:

相关阅读