无极性电子开关应用 「霍尔感应器件应用」FH8913|CMOS 无极性高灵敏度微功耗霍尔开关

小编头像

小编

管理员

发布于:2026年04月14日

92 阅读 · 0 评论

「霍尔感应器件应用」FH8913|CMOS 无极性高灵敏度微功耗霍尔开关

FH8913|CMOS 无极性高灵敏度微功耗霍尔开关

FH8913 是一款基于混合信号CMOS 技术的无极性霍尔开关,这款IC 采用了先进的斩波稳定技术,因而能够提供准确而稳定的磁开关点。

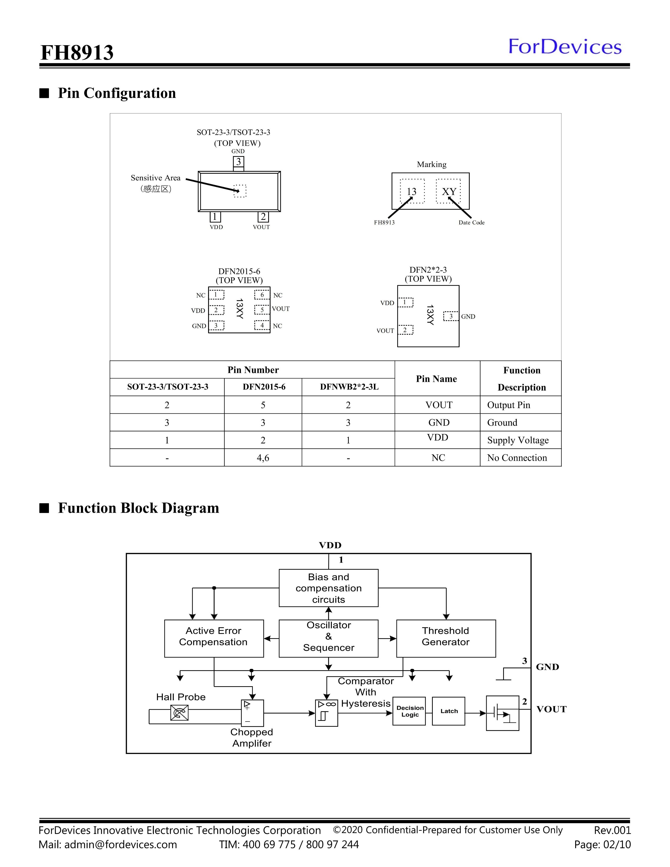
在电路设计上,FH8913 提供了一个内嵌的受控时钟机制来为霍尔器件和模拟信号处理电路提供时钟源,同时这个受控时钟机制可以发出控制信号使得消耗电流较大的电路周期性的进入“休眠”模式;同样通过这个机制,芯片被周期性的“唤醒”并且根据预定好的磁场强度阈值检测外界穿过霍尔器件磁场强度的大小。如果磁通密度高于“操作点”阈值或者低于“释放点”阈值,则开漏输出晶体管被驱动并锁存成与之相对应的状态。而在“休眠”周期中,输出晶体管被锁定在其先前的状态下。在电池供电应用中,这种设计对于延长工作寿命提供了最好支持。

FH8913 的输出晶体管在面向封装标示一面存在一定强南极或北极磁场时被锁定在开状态,而在无磁场时锁定在关状态。

电气特性

● 1.65V ~ 5.5V 电池应用

● 磁开关点的高灵敏度高稳定性

● 抗机械应力强

● 数字输出信号

● 无极性的开关

额定工作参数

● 工作温度范围: TMIN ≤ TA ≤ TMAX: −40°C ≤ TA ≤ 85°C

● 工作电压范围: 1.65V ≤ VDD ≤ 6.0V

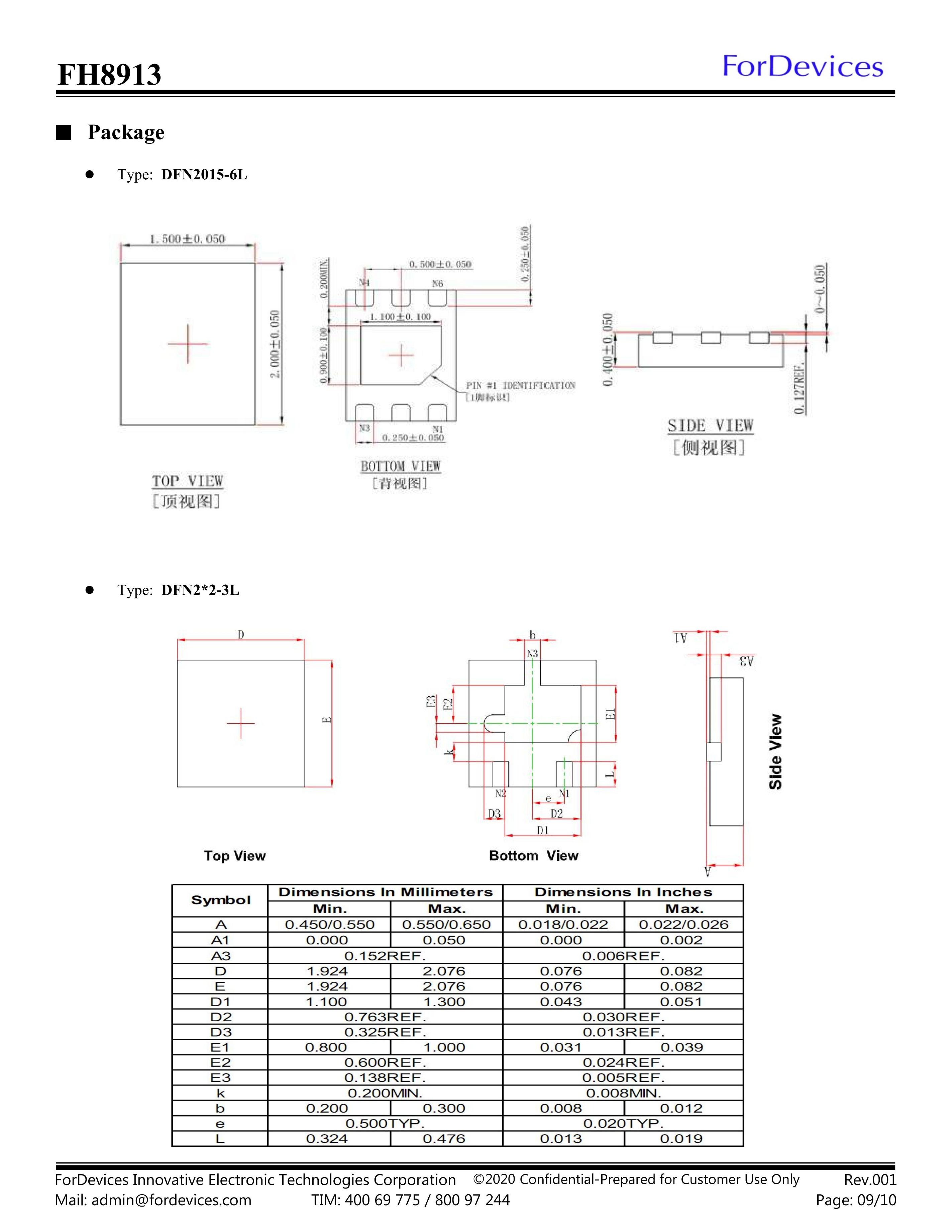
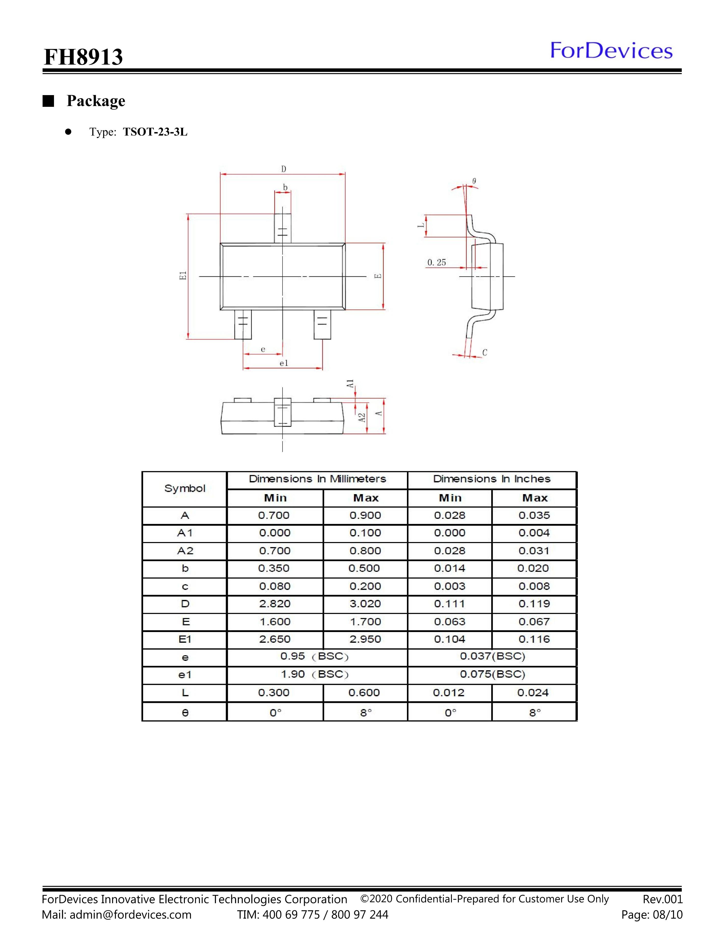
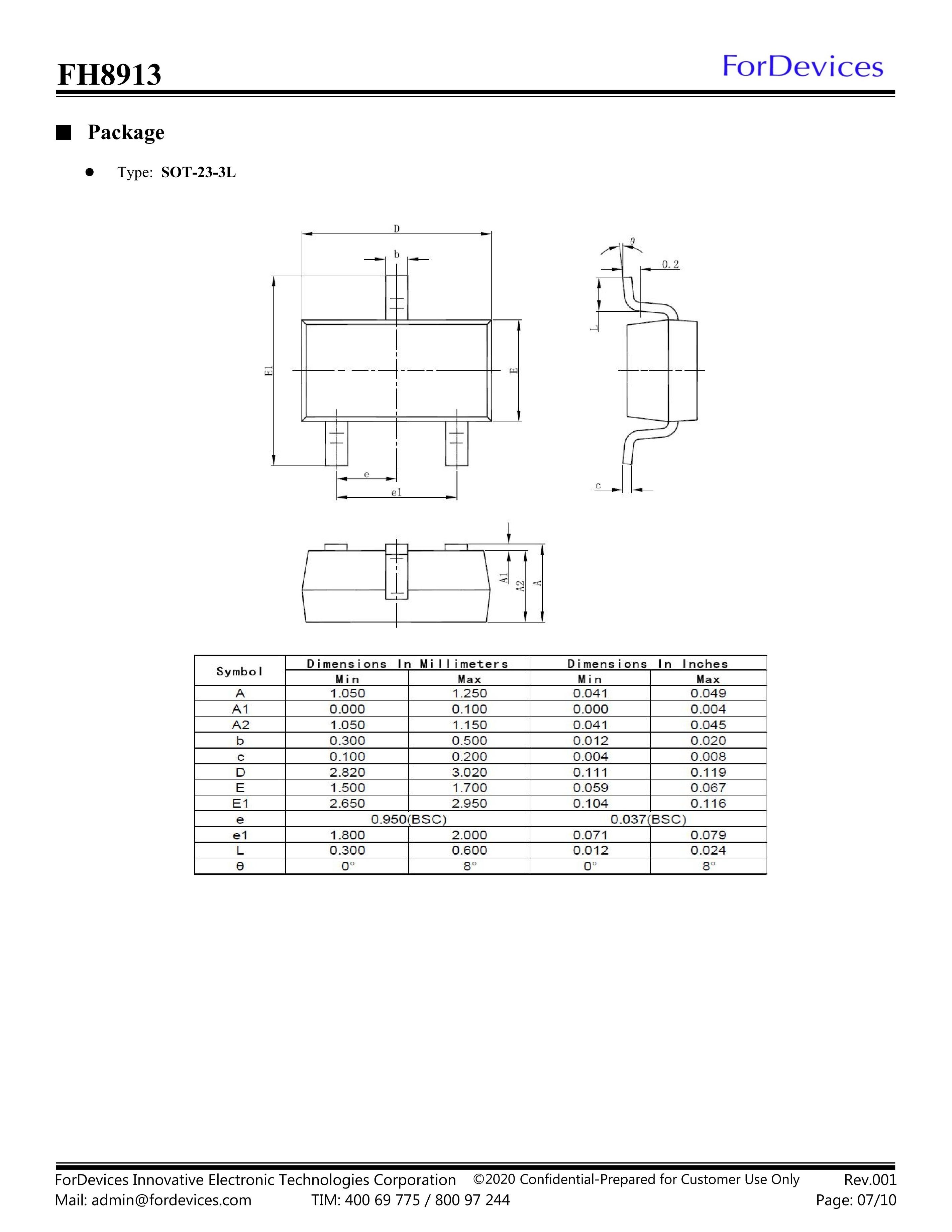
封装结构

● SOT-23-3L

● TSOT-23-3L

● DFN2.0*1.5-6L

● DFN2*2-3L

应用领域

● 移动电话

● 笔记本电脑

● 便携电子设备等

老司机总结电路设计中注意问题,值得收藏

一、基本元件

1,电阻

1)基本概念

我们都知道, I = U/R这个公式, 也知道P = UI. 电阻是一种非储能元件, 它直接将电能转换成热能, 因此, 如果电阻上消耗的功率过大, 会导致其过热而烧毁。

2)基本参数

阻值,精度,功率. 使用时我们应该注意以下一些问题:

在数字电路中, 大部分对电阻的阻值要求不是很高(如大量使用的上拉和下拉电阻), 因此应该尽可能减少电阻的阻值的种类, 以方便采购和生产.

只有在对精度要求特别高的场合, 如电源及运放的反馈电阻, 我们才选用高精度电阻(一般1%), 大部分场合我们选用5%精度的电阻就可以了.

在流过比较大的电流的电路中, 我们应该好好计算一下电阻消耗的功率, 否则如果实际消耗的功率大于其额定功率会烧毁电阻。

2,电容

1)基本概念

我们应该知道几个基本的公式:

2)特性参数

容值,精度,耐压值,泄漏电流,频率特性. 在使用的时候, 我们应该要注意以下一些问题:

耐压值:施加在电容上的电压如果高于其额定的所能承受的电压, 将会导致电容击穿烧毁, 因此, 无论如何高于实际工作电压1.5倍以上的电容耐压值,此电容可选,否则电压一旦超过耐压值,电容就容易被烧坏。

泄漏电流:泄漏电流是指在没有故障施加电压的情况下,电气中带相互绝缘的金属零件之间,或带电零件与接地零件之间,通过其周围介质或绝缘表面所形成的电流称为泄漏电流。极性电容中又分为正向泄漏电流和反向泄漏电流,反向泄漏电流很大,当在极性电容两端接上反向电压时,由于反向泄露电流很大,P=U·I,电容则会被烧毁,这也就是极性电容一定不能接反的原因。

频率特性:实际电路中,电容等价于电容与电阻并联再和电感串联。其在高频时呈感性,低频时呈容性。高频滤波用电容量小的独石电容,低频滤波时用电容量大的电解电容。

3,电感

1)基本概念

电感是闭合回路的一种属性。当线圈通过电流后,在线圈中形成磁场感应,感应磁场又会产生感应电流来抵制通过线圈中的电流。这种电流与线圈的相互作用关系称为电的感抗,也就是电感,单位是“亨利(H)”。

2)特性参数

包括电感量,精度,饱和电流,工作频率,工作电流电感量,如图,电感为一根铁氧体磁芯和缠绕在其外部的铜导线组成,当没有磁芯时,电感量很小。

工作电流:在实际电路中,电感等效于自身串联一个电阻,电流通过会产生涡流形成热量,电感太小,通过的电流就较大,W=1/2·L·i²,会导致过热烧毁电感。

4,二极管

1)基本概念

二极管又称晶体二极管,简称二极管。它是一种具有单向传导电流的电子器件。

2)特性参数

包括工作电流,正向导通电压,反向电压,正向导通时间,反向恢复时间

正向导通电压:外加正向电压时,在正向特性的起始部分,正向电压很小,不足以克服PN结内电场的阻挡作用,正向电流几乎为零,这一段称为死区。这个不能使二极管导通的正向电压称为死区电压。当正向电压大于死区电压以后,PN结内电场被克服,二极管正向导通,电流随电压增大而迅速上升。在正常使用的电流范围内,导通时二极管的端电压几乎维持不变,这个电压称为二极管的正向导通电压。

反向电压:外加反向电压不超过一定范围时,通过二极管的电流是少数载流子漂移运动所形成反向电流。由于反向电流很小,二极管处于截止状态。如果反向电压过大,二极管就会被击穿。

正向导通时间和反向恢复时间:在实际数字电路中,二极管的正向导通与反向回复都是需要一定的时间才能完成,为了提高电路系统稳定性,我们要尽可能缩短导通与恢复时间,一般会用到肖特基二极管,俗称快速二极管。

5,三极管

1)基本概念

半导体三极管又称“晶体三极管”或“晶体管”。是能起放大、振荡或开关等作用的半导体电子器件。

2)特性参数

包括功耗,频率特性

频率特性:三极管有三种工作区间,截止区,放大区和饱和区。放大状态亦称为线性工作状态,Ic=ß·Ib,用在模拟电路中。截止和饱和状态也称为开关状态,应用于数字电路中。

6,电源

实际电路中,电源存在内阻,相当于串联一个电阻,此时输出电压就会有所下降,对电路中的干扰不可忽略。

7,导线

实际电路中,导线有一定的内阻,R=ρ·L/S,相当与电感与电阻串联,由于电感自身存在涡流效应,所以在电路、尤其在高频电路中,设计人员应当将导线设计尽量短,尽量粗。

二,电路

1,三极管在电路中应用

由金属导线和电气以及电子部件组成的导电回路,称其为电路。

在三极管电路中,有三种工作状态,即截止状态。放大状态和饱和状态。在模拟电路中常用到线性放大状态,例如运算放大器;在数字电路中常用到开关状态,即截止状态和饱和状态。如下图,

2,数字地与模拟地分开

在高要求电路中,数字地与模拟地必需分开。即使是对于A/D、D/A转换器同一芯片上两种“地”最好也要分开,仅在系统一点上把两种“地”连接起来。

3,LDO(低压差分稳压器)

开关性稳压电源的效率很高,但输出纹波电压较高,噪声较大,电压调整率等性能也较差,特别是对模拟电路供电时,将产生较大的影响。在开关性稳压器输出端接入低压差线性稳压器,如图所示,就可以实现有源滤波,而且也可大大提高输出电压的稳压精度,同时电源系统的效率也不会明显降低。

4,PWM(脉冲宽度调制)

简称脉宽调制(PWM),是利用微处理器的数字输出来对模拟电路进行控制的一种非常有效的技术。

脉冲宽度调制是一种对模拟信号电平进行数字编码的方法。通过高分辨率计数器的使用,方波的占空比被调制用来对一个具体模拟信号的电平进行编码。PWM信号仍然是数字的,因为在给定的任何时刻,满幅值的直流供电要么完全有(ON),要么完全无(OFF)。电压或电流源是以一种通(ON)或断(OFF)的重复脉冲序列被加到模拟负载上去的。通的时候即是直流供电被加到负载上的时候,断的时候即是供电被断开的时候。只要带宽足够,任何模拟值都可以使用PWM进行编码。

根据公式Ui-Uo=L·ΔI/Ton和公式-Uo=L·ΔI/Toff得知输出电压Uo

Uo=Ui·Ton/Toff。

5,滤波电容

在输入电源上,数字电路干扰是一个一个小尖峰,不能用大电容滤波,只能用小电容;滤波电容一大一小(小电容滤除高频干扰,大电容滤除低频干扰)一定要放在根部,不要放太远,也不要放在电路板背面。

三,结语

实际上,在模拟电路和数字电路中除了上述干扰现象,还有一些干扰是依然存在的,例如电源线电流变化产生的感应压降、电路导线之间的相互干扰等。反映在数字信号处理系统中,其危害最大的是高频脉冲噪声,这些都需要我们在平时的电路设计中加以考虑。希望我门通过上述探讨,为后续电路系统设计及相关方面的工作打下基础。

相关问答

2线制的接近 开关 分为有极性和 无极性 ,这是什么意思?有什么分别?

接近开关除了两线制无极性可以使用交流电源。三线制和四线制的接近开关都使用直流电源,所以是有极性的。并且根据内部线路不同,分为PNP型和NPN型两种输出形式...

uc2526 开关 电源典型 应用 ?

UC1526是一款高性能单片脉宽调制器电路,设计用于固定频率开关稳压器和其他功率控制应用。在一个18引脚双直插式封装中包括一个温度补偿电压基准,锯齿振荡器,...

配电柜旋钮 开关 关了为什么还通电?

说明还有一路线没有经过这个总开关。1、漏电保护器有两种结构:一是正式的双极漏电开关,另一个是双极外形、但却是单极开关(这种漏电保护器的输入端,有明显的...

劲牛充电器n002 极性开关 使用方法

这是使用仪表的大忌!万幸的是没有出现事故,这主要是充电器有“限流”线路罢了。——★2、无论是“恒流型”还是“恒压型”充电器,要想准确地测量充...

干接点 开关 只能控制一个回路吗?

干接点开关可以同时控制多个回路,这取决于其设计和接线方式。例如,一个干接点开关可以连接到多个灯泡,通过不同的电路接线来控制它们的开关状态。同时,干接点...

【一个正极一个负极和一个拉线 开关 ,怎么接才能让 开关 控制灯...

[最佳回答]确定灯泡是否有极性,没有极性开关和灯泡串联在回路中,如有极性,开关和灯泡串联在回路中,灯泡正极接正极、负极接负极.确定灯泡是否有极性,没有极性...

PNP型三极管在电路中如何 应用 ?

三极管有NPN和PNP两种类型,需要根据应用选择使用NPN和PNP三极管的功能都是有一样的,有截止区、放大区和饱和导通过三个工作区。都可以用于电信号放大或者驱动...

光电 开关 上的一些字母表示什么意思?

继电器的排针那边VCC和GND是接电源的,HI是接光电模块的输出信号的,就是控制开关的信号。继电器的另一侧拧螺丝的地方是输出部分。输出部分,有一个公共端子,...

为什么漏电 开关 关掉零线还有电?

1、漏电保护器有两种结构:一是正式的双极漏电开关,另一个是双极外形、但却是单极开关(这种漏电保护器的输入端,有明显的L、N标志)。2、具有双极开关外形...

开关 接线技巧?

断电操作:在开始任何接线工作前,务必断开电源。识别开关类型:确定您需要接线的开关类型,例如单刀单控、单刀双控、三刀双控等。了解导线颜色:熟悉不同导线...

标签:

相关阅读