电子门铃应用技术 电子电路DIY:电子门铃小电路工作原理

小编头像

小编

管理员

发布于:2026年04月14日

90 阅读 · 0 评论

电子电路DIY:电子门铃小电路工作原理

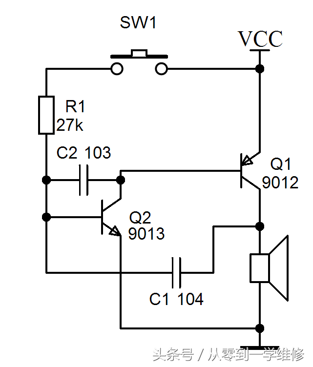
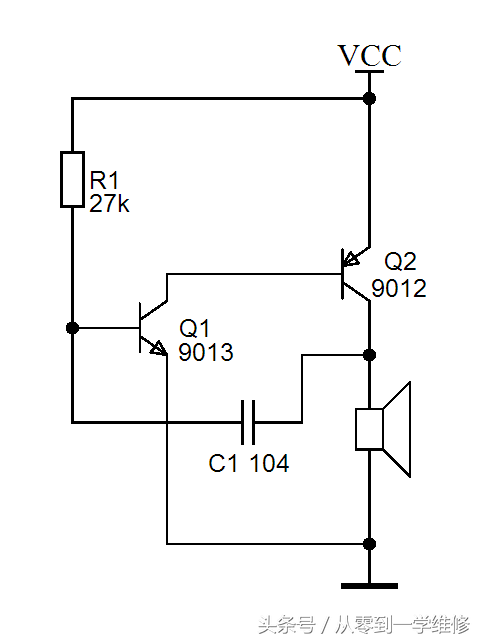
这是一个最简单的互补型自激多谐音频振荡器电路图,只需要四个原件和一个小喇叭,就可以工作、发出声音。

电路如果加一个开关就可以组成一个小的电子门铃,在下面电路中我还加了一个C2电容,这是一个中和电容,也叫负反馈电容器,可以使电路工作更稳定,喇叭发出的音质也会好很多。

互补型自激多谐音频振荡器工作原理、工作过程视频:

http://toutiao.com/item/6591485042931794435/

电子门铃工作原理是什么?电子门铃安装必备知识点详解

电子门铃相信大家都知道吧!它在我们生活中很常见,特别是它那悠扬的音乐更是让人记忆深刻。可是,你们知道它是怎么发出声音的吗?今天装修网小编就给大家说一下电子门铃工作原理

一、电子门铃工作原理

1、室外机工作原理

利用麦克风采集语音和摄像头采集图像信号,并将采集的模拟信号进行模数转换为数字信号。主处理器对语音和数字图像信号进行压缩和增强等处理。

然后将压缩好的信号通过无线信号发射器发射出去,将外设比如门铃按钮等产生的控制信号,通过无线信号发射器发射出去。

无线信号接收器接收室内机发射过来的无线语音信号,主处理器将接收的语音信号进行解压缩处理,然后数模转换为模拟信号,通过扬声器播放出来;

无线信号接收器接收室内机发射过来控制信号,主处理器将接收的控制信号转换为锁控制命令,并通过短距离的无线发射器发射给开锁控制器。

2、室内机工作原理

无线信号接收器接收来自室外机的无线语音或视频信号,主处理器对接收的信号进行冗错和解码等处理,然后将解码的视频信号通过显示屏显示出来。

而解码的语音信号经D/A转换为模拟信号,通过扬声器播放出来将室内机的各种外设比如通话、开锁等按钮产生的控制信号。

通过无线信号发射器发射出去利用麦克风采集语音信号,并将采集的模拟信号进行模数转换为数字信号,主处理器对语音信号进行压缩处理,然后将压缩好的信号通过无线信号发射器发射出去。

3、开锁控制器工作原理

开锁控制器内嵌入各种智能锁(电控锁、磁力锁、静音锁、指纹锁和密码锁等)的控制器。当开锁控制器接收到来自室外机的无线控制信号后,通过解密和解码产生是否开锁的信号,从而遥控开锁。

二、电子门铃安装

1、有线电子门铃因为需要通过电线连接,所以要设计好布线位置,室外的按键位置不能安装太高,室内的接收器和扬声器安装位置要能让房屋内每个位置都能听到。

设计好位置之后在将设备安装固定好就可以了。为了不破坏室内外美观性,走线和开洞的位置要设计好,否则很影响视觉效果。

2、无线门铃安装不需要电线,但是信号传输有距离限制,并且如果阻隔物多,信号传输会不顺畅。

无线门铃的按键位置的安装位置要低一点,因为来客要将声音和图像传输到室内,位置不能太高。而室内接收器的位置有的是固定的,有的是可移动的,灵活性很大,方便使用就可以。

以上就是小编介绍的电子门铃安装 及工作原理,看完这篇文章你是不是对这款门铃有了更多了解呢?以后家里有这款电子门铃可以轻松解决了!

相关问答

电子门铃 用了哪些电子元件?

电子门铃主要使用以下几种电子元件:1、微控制器:负责控制门铃的各种功能,包括声音、灯光和传感器等。2、振荡器:产生正弦波信号,控制门铃的音频输出。3、...

简单变调 电子门铃 的实验步骤?

1.收集所需器材,包括一个9V电池,一个电子门铃,一根普通插头电线,一个按钮开关,一个电阻,和一个接线端子。2.将电线的一端接到电池的正极,另一端的接线...1...

电子 迎客 门铃 工作原理是什么?_住范儿家装官网

迎宾器迎宾器又另称感应门铃,是近年才有的用于小型店铺-便利店起迎宾防盗作用的电子产品红外感应门铃迎宾器的前身是电子防盗报警器;事先人们用...

怎样调整 电子门铃 的发射与接收?

解决方法很多,最简单的是提高天线的发射效率:想办法把门铃的发射天线(门外的那个),和接收天线(房里的那个)加长。做法:打开机盒,可以看到盘在里面...做...

hikvision可视 门铃 使用说明?

1、首先需要设置手机WIFI,连接上家里的WIFI。2、按住可视对讲门铃后面的按钮,长按6秒,听到嘀的一声后松开。3、打开手机里的APP,点击添加设备。4、之后点...

小明做了如下实验:(1)把正在响铃的 电子音乐 门铃 放在玻璃罩内...

[最佳回答](1)当用抽气机逐渐抽去玻璃罩内的空气,玻璃罩内的空气希薄,铃声将会变小;停止抽气,并让空气重新进入玻璃罩内,铃声将会变大.(2)假如抽气机若把罩内...

【在如图1中有 电子门铃 、电源和开关,请用笔画线表示导线把...

[最佳回答](1)按电流流向法,线连接电源然后依次串联开关、电子门铃回到电源的负极即可,如图1所示:(2)先画出电源,从电源的正极出发依次画出开关、电子门铃回到...

楼道 电子门铃 用电吗?

小区住户家有物业公司留有楼道可视门铃,这个可视门铃需要电源,门铃费用由业主自负。小区多有给业主家留有一个可视门铃接囗,在物业公司安装总设备管控着整个...

电子门铃 怎样接线?

电子门铃的接线方法如下:电子门铃的接线方法是根据门铃的具体型号和说明书来进行接线。不同型号的电子门铃可能有不同的接线方式,因此需要根据具体的型号和说...

电子 门呤叮咚音怎样改成叮或咚音?

1、可以在一些玩具上拆下一些带铃声的芯片及扩音器然后焊接替换掉原来的;2、按钮可以换上好看点的只是位置不用改变就行了;3、也可以三个门铃组装成一个的,...

标签:

相关阅读