电子磁芯应用集锦 (干货收藏)30多种磁芯优缺点对比

小编头像

小编

管理员

发布于:2026年04月14日

108 阅读 · 0 评论

(干货收藏)30多种磁芯优缺点对比

功率型

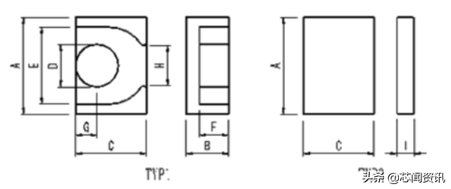
EE、EEL、EF型功率磁芯

特点:引线空间大,绕制接线方便。适用范围广、工作频率高、工作电压范围宽、输出功率大、热稳定性能好。

用途:广泛应用于程控交换机电源、液晶显示屏电源、大功率UPS逆变器电源、计算机电源、节能灯等领域。

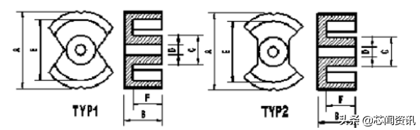
EI型功率磁芯

特点:结构紧凑、体积小、工作频率高、工作电压范围广、气隙在线圈顶端耦合紧、损耗低。损耗与温度成负相关,可防止温度的持续上升。

用途:电源转换变压器及扼流圈、DVD电源、照相机闪光灯、通讯设备及其它电子设备。

PEE、PEI功率磁芯

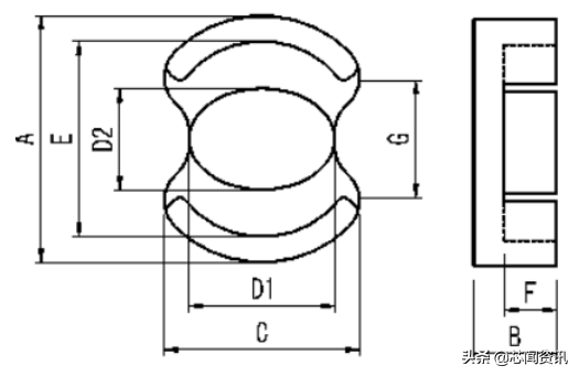
ER功率磁芯

特点:耦合位置好,中柱为圆形,便于绕线且绕线面积增大,可设计功率大而漏感小的变压器。

用途:开关电源变压器,脉冲变压器,电子镇流器等。

ETD型功率磁芯

特点:中柱为圆形,绕制接线方便且绕线面积增大,可设计出功率大且漏感小的变压器。其他如组装成本,安规成本,电磁屏蔽,标准化难易等各方面都很出色。

用途:开关电源,传输变压器,电子镇流器。广泛应用于家电、通讯、照明、医疗设备、办公自动化、军品、OA设备、电子仪器、航空航天等领域。

EQ/EQI型功率磁芯

EP型功率磁芯

特点:具有磁屏蔽效果好、分布电容小、传输衰耗低、电感量高、漏感小、磁场分布均匀等优点,且骨架配有多路接头,易设计多路输出变压器。

用途:宽带变压器、电感器、隔离变压器、匹配变压器,广泛应用于程控交换机终端和精密电子设备等领域。

EFD型功率磁芯

特点:具有热阻小、衰耗小、功率大、工作频率宽凳使用优点。成品重量轻、结构合理、易表面贴装。

用途:广泛应用于体积小而功率大的变压器,如精密仪器、模块电源、计算机终端输出等。

EPC功率磁芯

特点:具有热阻小、衰耗小、功率大、工作频率宽、重量轻、结构合理、易表面贴装、屏蔽效果好等优点,但散热性能稍差。

用途:广泛应用于体积小而功率大且有屏蔽和电磁兼容要求的变压器,如精密仪器、程控交换机模块电源、导航设备等。

POT功率磁芯

特点:体积小、感抗高、绕线方便、磁屏蔽及散热效果均衡。

用途:载波滤波器、高灵敏度感应器、高效率传感器、电源转换变压器等。

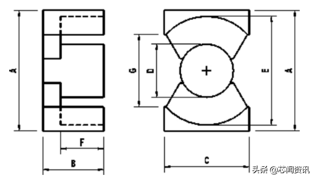
PQ功率磁芯

特点:损耗小,温升低,抗干扰性能好,形状合理,功率范围大(50W-1000W),能有效减少安装体积,备有多个引脚,绕制接线方便。组装成本低,易满足安规要求,但标准化较难。

用途:主功率变压器、驱动变压器、平滑扼流圈、辅助功率变压器。主要应用于网络、通讯、电源、电器设备、医疗等领域。

RM型功率磁芯

特点:磁屏蔽效果好,抗干扰能力强,漏磁小,分布电容低,骨架备有多路引脚,可设计多路输出变 压器,可高密度安装。但散热较差,安规成本较高。

用途:辅助功率变压器、驱动变压器、宽带变压器、载波滤波器、高稳定性滤波器。主要应用于载波通讯、网络、数字、电视、电子仪器等领域。

PM功率磁芯

特点:漏磁小,损耗低,功率大,分布电容小。

用途:主变压器,推动变压器。主要应用于超声波清洗,激光设备等领域。

LM型功率磁芯

LP、LPI功率磁芯

SEP、EPI型功率磁芯

U型功率磁芯

高导型

U型高导磁芯

特点:具有阻抗偏差小,输出电流大,感量高,可抑制高次谐波等特点。

用途:滤波共模变压器。广泛应用于彩电,计算机,显示器等电子设备。

ET、FT型高导磁芯

特点:杂散电容小、纹波系数低、漏磁少、电感高。

用途:彩电、显示器、计算机、可视电话、对讲等。

EE、EEL、EF型高导磁芯

特点:引线空间大,绕制接线方便。适用范围广、工作频率高、工作电压范围宽、热稳定性能好。

用途:广泛应用于电源滤波器、EMI滤波器、小型脉冲变压器等领域。

EI型高导磁芯

特点:结构合理,制作工艺简单,窗口较大,散热条件好,漏磁小。

用途:音频变压器,电源滤波器、EMI滤波器、小型脉冲变压器等领域。

EP型高导磁芯

特点:具有磁屏蔽效果好、分布电容小、传输衰耗低、电感量高、漏感小、磁场分布均匀等优点,且骨架配有多路接头,易设计多路输出变压器。

用途:宽带变压器、电感器、隔离变压器、匹配变压器,广泛应用于程控交换机终端和精密电子设备等领域。

RM型高导磁芯

特点:磁屏蔽效果好,抗干扰能力强,感量系数高,漏磁小,骨架备有多路引脚,可设计多路输出变压器,可高密度安装。但散热较差,安规成本较高。

用途:主要应用于载波通讯、网络、数字、计算机等领域。

T型高导磁芯

特点:输出电流大,损耗小,耐电压,电感高,价格低。但绕线成本高,很难大批量生产。

用途:扼流线圈,EMI/RFI滤波,音频变压器,广泛应用于各类节能灯,音响,控制电路及其它电子设备。

来源:网络

30多种磁芯优缺点对比(干货收藏)

功率型

EE、EEL、EF型功率磁芯

特点:引线空间大,绕制接线方便。适用范围广、工作频率高、工作电压范围宽、输出功率大、热稳定性能好。

用途:广泛应用于程控交换机电源、液晶显示屏电源、大功率UPS逆变器电源、计算机电源、节能灯等领域。

EI型功率磁芯

特点:结构紧凑、体积小、工作频率高、工作电压范围广、气隙在线圈顶端耦合紧、损耗低。损耗与温度成负相关,可防止温度的持续上升。

用途:电源转换变压器及扼流圈、DVD电源、照相机闪光灯、通讯设备及其它电子设备。

PEE、PEI功率磁芯

ER功率磁芯

特点:耦合位置好,中柱为圆形,便于绕线且绕线面积增大,可设计功率大而漏感小的变压器。

用途:开关电源变压器,脉冲变压器,电子镇流器等。

ETD型功率磁芯

特点:中柱为圆形,绕制接线方便且绕线面积增大,可设计出功率大且漏感小的变压器。其他如组装成本,安规成本,电磁屏蔽,标准化难易等各方面都很出色。

用途:开关电源,传输变压器,电子镇流器。广泛应用于家电、通讯、照明、医疗设备、办公自动化、军品、OA设备、电子仪器、航空航天等领域。

EQ/EQI型功率磁芯

EP型功率磁芯

特点:具有磁屏蔽效果好、分布电容小、传输衰耗低、电感量高、漏感小、磁场分布均匀等优点,且骨架配有多路接头,易设计多路输出变压器。

用途:宽带变压器、电感器、隔离变压器、匹配变压器,广泛应用于程控交换机终端和精密电子设备等领域。

EFD型功率磁芯

特点:具有热阻小、衰耗小、功率大、工作频率宽凳使用优点。成品重量轻、结构合理、易表面贴装。

用途:广泛应用于体积小而功率大的变压器,如精密仪器、模块电源、计算机终端输出等。

EPC功率磁芯

特点:具有热阻小、衰耗小、功率大、工作频率宽、重量轻、结构合理、易表面贴装、屏蔽效果好等优点,但散热性能稍差。

用途:广泛应用于体积小而功率大且有屏蔽和电磁兼容要求的变压器,如精密仪器、程控交换机模块电源、导航设备等。

POT功率磁芯

特点:体积小、感抗高、绕线方便、磁屏蔽及散热效果均衡。

用途:载波滤波器、高灵敏度感应器、高效率传感器、电源转换变压器等。

PQ功率磁芯

特点:损耗小,温升低,抗干扰性能好,形状合理,功率范围大(50W-1000W),能有效减少安装体积,备有多个引脚,绕制接线方便。组装成本低,易满足安规要求,但标准化较难。

用途:主功率变压器、驱动变压器、平滑扼流圈、辅助功率变压器。主要应用于网络、通讯、电源、电器设备、医疗等领域。

RM型功率磁芯

特点:磁屏蔽效果好,抗干扰能力强,漏磁小,分布电容低,骨架备有多路引脚,可设计多路输出变 压器,可高密度安装。但散热较差,安规成本较高。

用途:辅助功率变压器、驱动变压器、宽带变压器、载波滤波器、高稳定性滤波器。主要应用于载波通讯、网络、数字、电视、电子仪器等领域。

PM功率磁芯

特点:漏磁小,损耗低,功率大,分布电容小。

用途:主变压器,推动变压器。主要应用于超声波清洗,激光设备等领域。

LM型功率磁芯

LP、LPI功率磁芯

SEP、EPI型功率磁芯

U型功率磁芯

高导型

U型高导磁芯

特点:具有阻抗偏差小,输出电流大,感量高,可抑制高次谐波等特点。

用途:滤波共模变压器。广泛应用于彩电,计算机,显示器等电子设备。

ET、FT型高导磁芯

特点:杂散电容小、纹波系数低、漏磁少、电感高。

用途:彩电、显示器、计算机、可视电话、对讲等。

EE、EEL、EF型高导磁芯

特点:引线空间大,绕制接线方便。适用范围广、工作频率高、工作电压范围宽、热稳定性能好。

用途:广泛应用于电源滤波器、EMI滤波器、小型脉冲变压器等领域。

EI型高导磁芯

特点:结构合理,制作工艺简单,窗口较大,散热条件好,漏磁小。

用途:音频变压器,电源滤波器、EMI滤波器、小型脉冲变压器等领域。

EP型高导磁芯

特点:具有磁屏蔽效果好、分布电容小、传输衰耗低、电感量高、漏感小、磁场分布均匀等优点,且骨架配有多路接头,易设计多路输出变压器。

用途:宽带变压器、电感器、隔离变压器、匹配变压器,广泛应用于程控交换机终端和精密电子设备等领域。

RM型高导磁芯

特点:磁屏蔽效果好,抗干扰能力强,感量系数高,漏磁小,骨架备有多路引脚,可设计多路输出变压器,可高密度安装。但散热较差,安规成本较高。

用途:主要应用于载波通讯、网络、数字、计算机等领域。

T型高导磁芯

特点:输出电流大,损耗小,耐电压,电感高,价格低。但绕线成本高,很难大批量生产。

用途:扼流线圈,EMI/RFI滤波,音频变压器,广泛应用于各类节能灯,音响,控制电路及其它电子设备。

相关问答

能问一下 EMC用共模 磁芯 和精密电流互感器 磁芯 各有什么作用丨...

[回答]EMC用共模磁芯又名磁环,是指由各种氧化铁混合物组成的一种烧结磁性金属氧化物,和音圈、盆体等是扬声器的重要组成部分,其广泛应用于各种电子设备的...

导航设备 磁芯 定制

[回答]一般电子线路中的电感是空心线圈,或带有磁芯的线圈,只能通过较小的电流,承受较低的电压;而功率电感也有空心线圈的,也有带磁芯的,主要特点是用粗导...

电子 电路中最常用的九大器件及功能特点?

1、电阻。按阻值是否可调可分为固定式电阻和可调电阻,按材料和制作工艺可分为膜式电阻、实芯电阻、线绕电阻、敏感电阻器,按安装方式可分为直插电阻、贴片电阻...

ec42-15高频 磁芯 变压器,功率有多大,做逆变器用,绕线怎么...

建议看电子相关论坛,初级大概4匝左右,1mm以上线径,次级大概0,5mm以上,圈数90以上,当然,这些不一定正确,仅参考!!初级4十4,次级80十30功率700左右,...

工作中,你有没有碰到过那种欺软怕硬,态度恶劣,欺负人的上司?

首先很高兴有幸回答题主的这个问题啊,下面我来简单的说下我刚开始工作的时候是二十岁左右,那时候刚毕业,踏入社会,什么也不懂,第一份工作的领导就是属于你...我...

PQ50 磁芯 可以做到多大功率逆变器?

磁芯的选择决定的是最大电流,至于功率达到多少,还要看你的输出电压是多少。通常逆变器的输入电压为12V、24V、36V、48V也有其他输入电压的型号,而输出电压一般...

各位大神跪求答案,昌平放心的 磁芯 材料得多少钱, 磁芯 材料价...

[回答]磁芯材质每个厂家因原材料配方不同所表现的特性不同。检测一般只针对使用相关的参数。如对磁芯材质进行反推,一般很难做到。如对磁芯感量/饱和性/阻...

电源适配器中要用到的 电子 元器件有哪些?及 电子 元器件的规格?

不同的电源适配器用的电子元件不一样的,型号也各不一样,所以在这里无法给出具体规格的。1.线性电源适配器用到:硅钢片、保险丝、整流二极管、电解电容、陶瓷...

临沂凯通 电子 有限公司怎么样?

山东凯通电子有限公司系专业从事软磁铁氧体研发、生产制造以及配套加工电子元器件的高科技产业。创建于2007年,座落于山东临沂国家级高新区,占地面积36000平方...

变压器!~~!里头的 磁芯 为什么要用油来覆盖~!~!-ZOL问答

变压器内部的磁芯用油来覆盖主要有以下原因:首先,变压器在交流工作状态下,电流通过线圈会产生磁场,在互感作用下容易产生噪音,而油能够有效地减小这种噪音,提升...

标签:

相关阅读