caxa电子图板应用实例 CAXA电子图板实例教程

小编头像

小编

管理员

发布于:2026年04月14日

94 阅读 · 0 评论

CAXA电子图板实例教程

CAXA-EB 实例教程

前 言

CAXA电子图板经过不断地更新和调整,逐步形成“多快好省,兼容AutoCAD”。它简单、易学符合国人习惯。电子图板软件包括四大功能模块:绘图(使用基本绘图命令和调用图库完成)、数据转换接口、打印(基本打印和排版打印)、图纸管理。

CAXA——Computer Aided X Alliance -Always a step Ahead ,X:technology,product,solution and service ……联盟合作的、领先一步的计算机辅助技术与服务。

目 录

任务一、CAXA基础操作

任务二、基础练习

任务三、定义图符

任务四、 轴的绘制

任务五、端盖的绘制

任务六、绘制锥齿轮

任务七、 绘制拨叉

任务八、虎钳装配体

任务一、CAXA基础操作

主菜单

下拉菜单

绘图工具栏

编辑工具栏

立即菜单

绘图区

状态栏

标准工具栏

图层信息

设置背景颜色

点“工具”——“选项”,弹出“系统配置”对话框,改变当前绘图的颜色即可。

可以改变绘图区背景颜色。

2.调入需要的菜单

在菜单区点击鼠标右键即可打开,在想要的工具前面点选就可以了。

发现界面没有菜单了没关系啊,按照这个方法可以调出所有你需要的菜单。

3.捕捉点设置

点击“工具”——“捕捉点设置”,弹出捕捉点设置对话框。

可以设置你想要捕捉的关键点,比如说中点、圆心等等,这样绘图比较精确。

4.常用工具

绘制直线

绘制与已知直线平行的直线

绘制圆

绘制圆弧

绘制样条曲线

绘制点

绘制椭圆

绘制矩形

绘制多边形

绘制多段线

插入中心线

绘制给定曲线的等距线

绘制剖面线

填充

书写文字

创建块

公式曲线

删除

移动

复制选择到

镜像

旋转

阵列

比例缩放

裁剪

过渡

齐边

拉伸

打断

打散

改变线型

改变颜色

移动层

编辑标注

尺寸驱动

格式刷

5 .点的输入

点是最基本的图形元素,点的输入是各种绘图操作的基础。因此,各种绘图软件都非常重视点的输入方式的设计。力求简单、迅速、准确。

CAXA电子图板也不例外,除了提供常用的键盘输入和鼠标点取输入方式外,还设置了若干种捕捉方式。例如:智能点的捕捉、工具点的捕捉等。

(1) 由键盘输入点的坐标

点在屏幕上的坐标有绝对坐标和相对坐标两种方式。它们在输入方法上是完全不同的,初学者必须正确地掌握它们。

绝对坐标的输入方法很简单,可直接通过键盘输入X、Y坐标,但X、Y坐标值之间必须用逗号隔开。例如:30,40或者20,10等等。另外,绝对坐标也可以用极坐标的方式表示。例:60<84表示输入了一个相对原点的极坐标。相对原点的极坐标半径为60,半径与X轴的逆时针夹角为84°。

相对坐标是指相对系统当前点的坐标,与坐标系原点无关。输入时,为了区分不同性质的坐标,CAXA电子图板对相对坐标的输入作了如下规定:输入相对坐标时必须在第一个数值前面加上一个符号@,以表示相对。例如:输入@60,84,它表示相对参考点来说,输入了一个X坐标为60,Y坐标为84的点。另外,相对坐标也可以用极坐标的方式表示。例:@60<84表示输入了一个相对当前点的极坐标。相对当前点的极坐标半径为60,半径与X轴的逆时针夹角为84°。

参考点的解释:参考点是系统自动设定的相对坐标的参考基准。它通常是用户最后一次操作点的位置。在当前命令的交互过程中,用户可以按F4键,专门确定希望的参考点。

(2) 鼠标输入点的坐标

鼠标输入点的坐标就是通过移动十字光标选择需要输入的点的位置。选中后按下鼠标左键,该点的坐标即被输入。鼠标输入的都是绝对坐标。用鼠标输入点时,应一边移动十字光标,一边观察屏幕底部的坐标显示数字的变化,以便尽快较准确地确定待输入点的位置。

鼠标输入方式与工具点捕捉配合使用可以准确地定位特征点。如端点、切点、垂足点等等。用功能键F6可以进行捕捉方式的切换。

6. 对于层的线型、线宽、颜色控制

CAXA电子图板绘图系统同其他CAD/CAM绘图系统一样,为用户提供了分层功能。

层,也称为图层,它是开展结构化设计不可缺少的软件环境。众所周知,一幅机械工程图纸,包含有各种各样的信息,有确定对象形状的几何信息,也有表示线型、颜色等属性的非几何信息,当然也还有各种尺寸和符号。这么多的内容集中在一张图纸上,必然给设计绘图工作造成很大负担。如果能够把相关的信息集中在一起,或把某个零件,某个组件集中在一起单独进行绘制或编辑,当需要时又能够组合或单独提取,那么将使绘图设计工作变得简单而又方便。本章介绍的图层就具备了这种功能,可以采用分层的设计方式完成上述要求。

可以把图层想像为一张没有厚度的透明薄片 ,对象及其信息就存放在这张透明薄片上。CAXA电子图板中的每一个图层必须有唯一的层名;不同的层上可以设置不同的线型和不同的颜色,也可以设置其他信息。层与层之间由一个坐标系(即世界坐标系)统一定位。所以,一个图形文件的所有图层都可以重叠在一起而不会发生坐标关系的混乱。如图 形象地说明了图层的概念:

各图层之间不但坐标系是统一的,而且其缩放系数也是一致的。因此,层与层之间可以完全对齐。某一个图层上的一个标记点会自动精确地对应在其他各个图层的同一位置点上。

图层是具有属性的,其属性可以被改变。图层的属性包括层名、层描述、线型、颜色、打开与关闭以及是否为当前层等。每一个图层对应一种由系统设定的颜色和线型。系统规定,启动后的初始层为【0层】,它为当前层,线型为粗实线。可以通过功能区【常用】选项卡的【属性】面板修改图层、颜色、线型、线宽等属性信息。

图层可以新建,也可以被删除。图层可以被打开,也可以被关闭。打开的图层上的对象在屏幕上可见,关闭的图层上的对象在屏幕上不可见。

为了便于用户使用,系统预先定义了 7个图层。这 7个图层的层名分别为【0层】、【中心线层】、【虚线层】、【细实线层】、【尺寸线层】、【剖面线层】、和【隐藏层】,每个图层都按其名称设置了相应的线型和颜色。

(1)点“层控制”图标 ,弹出层控制对话框:

可以对系统默认的属性进行更改。

(2)点“颜色设置”图标 ,可以对当前的线进行颜色设置。

点击确定就可以了。期颜色设置图标为: 。

这里需要注意:如果点击“BYLAYER”按钮,那么当前的线的颜色属性就是随层设置。该层里设置的线的颜色是什么,那么画出的直线就是什么颜色。如果点击“BYBLOCK”按钮,那么当前的线的颜色属性就是随块设置。该图块里设置的线的颜色是什么,那么画出的直线就是什么颜色。一般默认为随层设置(BYLAYER)即可。

(3)点“线型设置”框,就会弹出下拉菜单,向下拉除了可以选择线型,还可以选择线宽。如图:

这里系统默认为“BYLAYER”即属性随层。在该层里线型和线宽是什么样的那画出来就是什么样的。同样“BYBLOCK”即是随快属性。

我们不建议临时更改线型和颜色属性。如有需要特殊的线型和颜色,应该新建图层,在新建的图层里设置相应的颜色和线型、线宽等属性。这样方便管理。

7.立即菜单

CAXA电子图板提供了立即菜单的交互方式,用来代替传统的逐级查找的问答式交互,使得交互过程更加直观和快捷。

立即菜单描述了该项命令执行的各种情况和使用条件。用户根据当前的作图要求,正确地选择某一选项,即可得到准确的响应。用户在输入某些命令以后,在绘图区的底部会弹出一行立即菜单。

例如:直线命令。

输入一条画直线的命令(从键盘输入【line】或用鼠标在【绘图】工具栏单击【直线】按钮),则系统立即弹出一行立即菜单及相应的操作提示,如图所示。

此菜单表示当前待画的直线为两点线方式,连续的连续直线。在显示立即菜单的同时,在其下面显示如下提示:【第一点(切点,垂足点):】。括号中的【切点,垂足点】表示此时可输入切点或垂足点。需要说明的是,在输入点时,如果没有提示(切点,垂足点),则表示不能输入工具点中的切点或垂足点。用户按要求输入第一点后,系统会提示【第二点(切点,垂足点):】。用户再输入第二点,系统在屏幕上从第一点到第二点之间画出一条直线。

立即菜单的主要作用是可以选择某一命令的不同功能。可以通过鼠标单击立即菜单中的下拉箭头或用快捷键“Alt+数字键”进行激活,如果下拉菜单中有很多可选项时,可使用快捷键“ALT+连续数字键”进行选项的循环。如上例,如果想画一条单根直线,那么可以用鼠标单击立即菜单中的【2.连续】或用快捷键Alt+2激活它,则该菜单变为【2.单根】。如果要使用【平行线】命令,那么可以用鼠标单击立即菜单中的【1平行线】或用快捷键【Alt+1】激活它。

另外,在这种环境下(工具菜单提示为【屏幕点】),使用空格键,屏幕上会弹出一个被称为【工具点菜单】的选项菜单。用户可以根据作图需要从中选取特征点进行捕捉,如图所示。

8.命令的终止、重复

在命令的执行过程中,按ESC键,或者按鼠标右键或回车键都可以终止当前操作;当一条命令结束后,按回车或者鼠标右键即可重复上一条命令。

9.数值、符号的输入

CAXA可以输入数值,如长度、半径、角度等,也可以输入表达式,例如:10、50+60、sin(68/360)等等。

特殊符号 的输入:φ——%c ; 。——%d;%——%%;±——%p;上下偏差——%上偏差%下偏差;分数——%&分子/分母。

任务二、基础练习

以后所有上交作业的命名方式:班级+学号+次数 ,例如是4班25号要交的第8次作业,那么你作业的名称为042508,假如是5班1号要交的第12次作业,你作业的名称为050112。也就是你上交的文件名称 和你发送邮件的主题名称 还有邮件的附件名称 都是这个。所有作业均上交到邮箱:sunbinghan@yeah.net。熟悉《CAXA入门教程》中的第一节——CAXA基础操作:

(1)熟悉CAXA电子图版的界面,掌握各个菜单的位置和调用以及使用方法;

(2)学会设置当前绘图背景颜色;

(3)学会设置捕捉点;

(4)掌握绘图工具栏和修改工具栏中个功能的作用及使用方法;

(5)重点掌握点的输入方法;

(6)学会使用图层。

最后完成下面的图,命好名后以附件的方式发送到我的邮箱中。

图一

提示步骤:

双击桌面的CAXA图标进入到CAXA电子图版的绘图界面。

(2)选择主菜单的“幅面”——“图幅设置”(或者点击“图幅工具条”中的“图幅设置”图标也可以),选择图纸幅面为A4,横放,比例1:1调入图框A4,调入标题栏school。

(3)选择主菜单中的“幅面”——“标题栏”——“填写”,填写好之后点击“确定”按钮。

大家一定要保持一个良好的绘图习惯。一开始建立一个图形文件,在将图幅、标题栏设置好之后,一定按照要求将这个文件命好名,然后保存到一个你能找到的安全的地方。最好是你的U盘。然后在绘图过程中,完成一步保存一次,按Ctrl+s即可。这样可以防止你辛辛苦苦绘制的图纸在电脑崩溃之后完全丢失。

(4)点击“图层”工具条,选择“中心线层”

(5)点绘图工具栏中的“直线”按钮,绘制中心线,在立即菜单中设置为两点线,连续,在状态栏中选中正交 (这样你所画的直线就只有水平和竖直两种状态,使你的绘图更加精确,或者按F8也可以进入正交模式绘图,再按一次将取消正交模式)。

(6)在你认为合适的位置(图在图纸中的位置)画两条中心线。即图一的中心线

(7)回到轮廓线层(0层),点击绘图工具栏中的圆按钮,绘制直径为64和55的圆。立即菜单设置如图:

最后如图

(8)绘制后面的矩形有很多种方法,大家想想看,你能有几种方法将其绘出?

下面我提供一种方法,供大家参考。

首先做一条水平辅助线长度合适(自己定):

然后开始画线:

在英文状态下用键盘输入L——>“回车”——>选中水平辅助线的右端点——>@12,0——>@0,64——>@12<180——>@64<-90——>回车。

请分析@的意义,@12,0的含义,@64<-90的含义。

(9)选择修改菜单栏中的删除按钮,然后选中辅助线,点击鼠标右键,即可删除辅助线。

(10)选择标注菜单栏中的“尺寸标注按钮”进行标注,立即菜单选项为“基本标注”。

然后选中一个圆将标注尺寸线拉到一个合适的位置,单击鼠标左键,其他以此类推即可。注意立即菜单设置:

画图方法有很多,有简单的也有复杂的,大家应该在不断地练习和实践当中慢慢摸索,以寻求一个最适合你的绘图方式。最快的画图方式就是“键盘+鼠标”。

任务三、定义图符

(本节内容仅供参考)

进入CAXA,画出一个要定义的图符,例如: 然后进行标注

3.进入“绘图”——“库操作”——“定义图符”然后点“立即菜单”

如果定义1个视图就选“对号”。

4.用鼠标左键将该视图全部选取。,点击鼠标右键确认。

5.定义视图基准点

6.为该视图的尺寸定义变量名,选择一个尺寸,定义变量名,如图:

7.另外一个尺寸也同样定义,然后单击鼠标右键进入下一步,对元素的定义。

定义图中红色虚线的起点和终点。

8.点“下一元素”,定义另一条线的起点和终点,继续点“下一元素”,定义中心线的起点和终点,起点(-3,0),终点(3+L+tan(30)*D/2,-0.000)。继续点“下一元素”定义竖线的起点和终点,起点(0.000,D/2),终点(0.000,-D/2)。继续点“下一元素”定义中心线下斜线的起点和终点,起点(L,-D/2),终 点(L+tan(30)*D/2,0.000)。继续点“下一元素”定义另一条竖线的起点和终点,起点(L,D/2),终点(L,-D/2)。继续点“下一元素”定义中心线上方斜线的起点和终点,起点(L+tan(30)*D/2,0.000),终点(L,D/2)。分别如图:

9.定义变量属性,该图符中没有系列尺寸和适合作为动态尺寸的尺寸,因此其它属性不需修改。单击"下一步"按钮。

10.进入“图符入库”对话框,对“图符大类”、“图符小类”、“图符名”进行设置。

11.点击“数据录入”进入“标准数据录入与编辑”对话框。录入数据,点确定。

12.点确定,图符定义完毕。这样就可以从“提取图符”里应用这个图符了。

任务四、 轴的绘制

《机械制图》教材260页,图6-89

进入CAXA-EB进行图幅和图框的设置,点击主菜单的幅面选项然后选图幅设置,或者点图幅设置图标;

3.进行如下设置;

图纸幅面:A2

绘图比例:1:1

图纸方向:横放

调入图框:HENGA2

调入标题栏:School

4.进入到绘图界面;

5.点属性工具条选择中心线层,绘制中心线

6. 选择直线绘制工具 绘制中心线,注意选择中心线在整个图幅中的位置。为了精确绘图在立即菜单中进行如图选择

点击鼠标右键完成中心线的绘制。

7.回到0层进行轴的绘制

8.选择绘图工具栏中的平行线绘制图标

立即菜单 中做如下选择

选中刚绘制的中心线,然后,分别输入27.5回车,30回车,45回车,回车。如图。

9.选择直线绘制工具,绘制出一条垂直的线,如图。

10.选择绘图工具栏中的等距线图标 绘制和刚才画的竖线的平行线。其中立即菜单设置如图:

点击5:距离,输入100.确认。

选择刚绘制的竖线,在该线的右侧空白处点击鼠标左键,完成第一条线的偏移;然后再在距离处输入400,确认,点击最左端的竖线,在该竖线的右边空白处点击鼠标左键,完成轴的右端面直线的绘制;再更改偏移距离为165,选择最右端的竖线,再在该竖线的左面空白处点击鼠标左键。再次更改偏移距离为194,选择最右端的竖线,再在该竖线的左面空白处点击鼠标左键。完成下图。(注意:该过程也可以用平行线命令完成,请同学们自己练习。 )

11.点击修改工具栏,选择裁剪命令,在立即菜单中选择快速修剪,对刚才的图进行修剪。对与单独的直线(没有其他直线与之相交的),要用删除命令 进行删除。在绘图的过程中要熟练应用常用工具栏中的各种命令,如:动态平移、显示全部等。

1

2

3

4

12.选择等距线命令,分别对1、2、3、4线进行偏移。其中1线向下偏移6;2线向左偏移14,84;3线向右偏移24,94;4线向下偏移7.如图所示。

13,对上图进行修剪。选择编辑工具菜单栏中的修剪图标。在立即菜单中选择拾取边界。选择如图中的几条线。然后点击鼠标右键,接着选择要剪切的部分,进行剪切。

最终完成如下图:

14.选择编辑工具栏中的过渡图标。选择倒角、裁剪、长度为2,倒角度数为45。对轴的左端进行倒角。(用鼠标左键选择要倒角的两条相交的线即可)

然后选择外倒角,长度为2 。

选择轴的左端的三条线。

1

2

3

完成如图倒角。

选择多倒角,长度为2.5

对轴肩进行倒角。

然后选择直线工具,完成倒角。

15.选择绘图工具栏中的圆图标 ,分别在两个键槽下面画两个半径为27.5和30的圆。

其中,立即菜单设置如图:

注意,圆的摆放位置时候尽量往下一点,留出标注的空间。

16.选择平行线命令(立即菜单 设置:1:偏移方式2:双向),选定左面圆的竖向的中心线,偏移距离为8,点击鼠标右键确认。点击平行线命令(立即菜单设置:1:偏移方式2:单向),选择水平中心线,输入偏移距离:49-27.5,回车,回车。

17,进行修剪。右边的圆也进行16、17两个步骤。注意右边轴的键槽宽为18,深为7。所以偏移距离分别为9和53-30。注意:在修剪过程中也可以用齐边命令 ,请同学们自己练习。

18.进入细实线层,点击绘图菜单栏中的样条曲线工具 ,绘制右面见草的剖面区域。立即菜单设置如图:

步骤:首先点样条曲线工具,其次点空格键,捕捉最近点。点击直线1位置处,然后在适当位置如图中所示2、3位置,选择第二点和第三点。最后在4位置处还是用空格键捕捉最近点,回车。

1

2

3

4

左面剖面区域绘制方法与上图类似。

19.点击剖面线图标 ,立即菜单设置如图:

在剖面区域内空白处点击鼠标左键。

点击鼠标右键或者回车。

20,回到0层,选择平行线,对直线1进行平移,然后对新建的直线进行平移,距离为16,然后用直线工具连接两条新建的直线。同样方法,对另一侧键槽同样处理。

1

21.对刚绘制的两个矩形进行倒圆角处理。点击过渡图标。立即菜单进行如图设置:

对另一侧的圆角半径设置为8。进行修剪。然后进入中心线层,给两个键槽绘制中心线。最终得到下图。

22.选择提取图图符 图标 。选择常用图形——孔——螺纹盲孔。

选择下一步,选择M10,将L改为20,I改为15。点确定。

选择图符定位点(也就是该螺纹盲孔在图纸中的位置)。输入90(图符旋转的角度),回车。

23.选择中心线层,将轴的中心线向下偏移18。

提取图符,常用图形——孔——销孔,L为12,D为8。(该图符为自己先定义的,见任务三。)

-

将该销孔放到如图位置,将后偏移的中心线删除。

24.退刀槽的绘制。回到0层,点击构件库图标 ,弹出构件库对话框。选择退刀槽——轴端部退刀槽。点确定。 将立即菜单进行如图设置 :

然后选取轴的第一条轮廓线,再选取轴的另一条轮廓线,再选取轴的端面线。另一个退刀槽也进行同样操作。

轴的第一条轮廓线

轴的第二条轮廓线

轴的端面线

25.局部放大图的绘制。选择标注工具栏中的局部放大图标 ,立即菜单进行如图设置:

加引线,另一侧退刀槽进行同样设置。选择打散命令 ,将局部放大图打散,删除系统自动加的圆形边界,进入细实线层 用多义线绘制如图边界。

26.选择标注工具栏的尺寸标注: 对轴进行标注。

选择基本标注。将尺寸100、400、194、14、70、24标注完成。

在标注尺寸165时需要添加偏差方法一 :选择标注图标——基本标注,选择165轴的两端线,点击鼠标右键,弹出“尺寸标注公差与配合查询“对话框。注意红框内的设置。

方法二 :选择标注图标——基本标注,选择165轴的两端线,见立即菜单

更改尺寸值“165”为“165%-0.046%b”即可。

方法三 :按照基本标注完成后标注尺寸为165,用鼠标左键点击该尺寸,点右键弹出菜单,选择属性修改,在尺寸属性对话框中的

用户输入框内输入“165%-0.046%b”

回车,即可。

按此方法完成16、18、49、53的

尺寸标注。

标注φ55k7、φ60k6等直径时,

只要在立即菜单的尺寸值的尺寸

前面加%c即代表φ。如φ55K7,

标注%c55k7即可。完成轴的直径

标注。

选择倒角标注图标

对倒角进行标注。在选取倒角边

的时候即可在立即菜单中修改

倒角的标注形式。如C2。

选择粗糙度标注图标 ,对其进行粗糙度的标注。对立即菜单进行如下设置:

对数值进行设置,改为0.8、1.6、3.2、6.3将其标注完成。

选择基准代号 标注基准。对立即菜单进行如下设置:

可以不改变基准名称。

选择引出说明标注图标

选择行位公差标注 ,进行如图设置。

27.编辑技术要求,点击技术要求库图标 ,弹出技术要求库,输入正文内容“调质(220~250)HBS”,点击生成。在要书写技术要求的地方用鼠标左键画出一个矩形框即可。

点击文字工具图标 ,在右上角或一个矩形框,

弹出文字标注与编辑对话框,输入“其他”两个字。

点确定,并在后面画出粗糙度为12.5的粗糙度符号。

28.点击“幅面操作”工具栏 中的

填写标题栏图标,在相应的位置填写清楚。

29.此图绘制完毕,你可以按照上学期所学的《工程图学》的知识和你自己的方式画图,不用完全照我的绘图步骤和思路绘图。

任务五、端盖的绘制

教材162页

1.进入图幅设置 。

2.进入中心线层,绘制中心线。 并绘制直径为66和114的圆。

3.回到0层,绘制直径为26、48、51.2、144的圆。

4.点击提取图符 在对话框中选“常用图形”——“孔”——“粗牙内螺纹” ,点下一步,选择D=8的螺纹 。放到如图位置。

5.在如图位置绘制直径为9和15的两个小圆。

6.选择阵列命令 ,阵列的立即菜单做如图设置: 圆形阵列、旋转、均布、3。

选择刚提取的“粗牙内螺纹”,然后点击鼠标右键,用鼠标左键选择直径为66的中心线圆的中心。阵列完成。重复阵列命令(回车即可)。阵列的立即菜单做如图设置:将份数改为6.

选择刚画的直径为9和15的两个小圆。鼠标右键确认,鼠标左键拾取直径为114中心线圆的中心,阵列完成。

7.选择平行线命令,偏移方式,双向偏移。输入16,回车,回车。

在执行平行线命令,偏移方式,单向

偏移,将右侧的偏移线向右偏移2和8,

将左侧偏移线向左分别偏移1和16。

如图:

8.将该视图水平中心线双向偏移,距离分别为:

13、24、28、42、43、72。

大家可以用等距线命令练习。

注意:执行完一次等距线命令后可以

点击鼠标右键继续执行等距线命令。

9.用“修剪”和“齐边”、“删除”命令,对该

视图进行编辑。最后如图:

10.点“过渡”命令,立即菜单设置如图

将1处倒圆角。

选择“内倒角”

11.将中心线向下偏移33和56。

12.提取图符,常用图形——孔——螺纹盲孔,

点下一步,选择M8,将L值改为24,

l值改为20,确定,放到如图位置。

输入90,回车,回车。将后偏移的

线删除。

同样,提取图符,

常用图形——孔—

—沉孔1,下一步

将数据改为

D1=15,D2=9,L1=9,

L2=32。放到如图

位置。

13.将竖直的中心线双向偏移8。

将最上端的线向下偏移18、52。

将水平中心线向上偏移30,并

将这条线双向偏移8。

14.修剪该图形。

15.选择直线命令,选择1点,然后输入@20<-30回车、回车。,然后按图将两点连接。修剪。

16.继续执行直线命令。选择点1。然后输入@1,18回车、回车。然后将这条线相对于中心线镜像。点击镜像命令 ,立即菜单设置为:1.选择轴线2.拷贝。然后选择这条斜线,点击鼠标右键,在用鼠标左键选择竖直中心线,执行完镜像命令。如图。

17.到细实线层,将这两条斜线分别向外偏移1。并用齐边命令将1线延伸到两条细实线处。然后将两条细实线延伸到2线处。最后将圆圈处细实线伸出的部分剪切掉。

18.到中心线层,将横孔的中心线画上。

19.将55度管螺纹孔复制到主视图中。点复制命令 ,选择如图中红虚线,点鼠标右键。选择(鼠标左键)1点,然后选择2点,最后如图。

20 对其进行修剪,然后与A-A视图对应将横孔的圆画出。

21.进入细实线层,点击多样线 ,画出剖面区域。然后进行修剪。

22.点击剖面线命令 ,将主视图和剖视图的剖面线打上,注意:管螺纹的剖面线打到粗实线处。如图。

23.选择标注命令。

注意:(1)φ在这里输入%c。

(2)φ56这个尺寸的标注,点尺寸标注,在立即菜单中选择半标注(将直径的文本改为:%c56),然后在1的位置用鼠标左键点一下,在选择2位置。 然后将尺寸拉到一个合适的位置,回车。

(3)插入深度符号 时,选择插入特殊符号的下拉菜单,选择“尺寸特殊符号” 选中该符号即可。或者输入%T2%b。

沉孔符号 也可以同样方法

输入,或者输入:%T3%b 。

最后如图:

24.填写技术要求、其余、标题栏。

任务六、绘制锥齿轮

进行图幅设置、比例设置、调入图框、调入标题栏。

2.进入中心线层,绘制中心线。正交绘制水平线,输入@70<45输入斜线。

3.到0层,绘制直线,输入@61.88<48.41;捕捉该线段的上面端点,继续画垂直与这条线的直线,输入@20<-45;将该线向下偏移25;取交点作垂直于中心线的直线;将该直线向右偏移6、24、48;将偏移24的线延伸至斜实线;进行修剪;将中心线向上偏移15、18.3、25;进行修剪;绘制斜线@70<41.17,进行修剪。

4.选择镜像工具 ,对上图镜像。

5.对其倒角。

6,进入细实线层,连接4条斜线。打剖面线。

7.进入0层,绘制左视图。

先绘制圆,再绘制键槽。

8.进行标注。写出倒角、其余、技术要求。并填好参数表。

9.填写标题栏。完成。

任务七、 绘制拨叉

打开CAXA-EB,调入图框、设置图幅、调入标题栏。

2.进入中心线层。绘制中心线。其尺寸如图:

3进入细实线层,绘制辅助线。

4.回到中心线层,补全中心线。

5.进入0层绘制轮廓线。绘制圆。分别绘制直径为40、43.2、80、20、22、45、10、35、40的圆。

6.绘制圆弧。

将长180的斜线向下偏移4,点圆弧命令 。立即菜单设置为两点半径圆弧。

第一点选后偏移的线与圆的交点。第二点按空格键捕捉切点。然后输入80,回车。

第二点按空格键捕捉切点。

7.进入细实线层。绘制辅助线。点直线命令。

立即菜单设置如图:

将该线向下偏移65。

7.回到0层。继续绘制圆弧。

8.将水平中心线分别向两侧偏移2.5、4、35,将水平中心线向左偏移64,向右侧偏移22.9。

9.进行修剪。

10.将长度为50的细实线向下偏移69。将长度为100的细实线向下偏移20、35。

11.修剪。

12.将螺纹孔的中心线向两侧偏移6。修剪。

13.进入细实线层,将刚才的中心线向两侧偏移7。修剪。

14.进入虚线层。将水平中心线向两侧分别偏移2.5、34。将左侧竖直中心线向两侧分别偏移9、17.5。

15.修剪。

16.回到0层。将最下面的水平中心线向下偏移22,向上偏移98、48、43。向两侧偏移17.5和12.5。,将中间的竖直中心线向两侧偏移20、40向右侧单独偏移21.6向左侧偏移10。将最右侧的竖直中心线向两侧偏移10、22.5。

17.修剪。

18.连线。修剪。

19.作辅助线。

20.修剪。

21.绘制大圆切线。修剪。

22.进入细实线层,绘制剖面区域。

23.回到0层倒角。

24.打剖面线。

25.绘制断面图。

26.绘制向视图。

27.插入螺纹孔。点提取图符 。选“常用图形”——“孔”——“粗牙内螺纹”选D=12丝袜螺纹孔。插入图中位置,并删除辅助线。

28.标注。

29.填写标题栏。

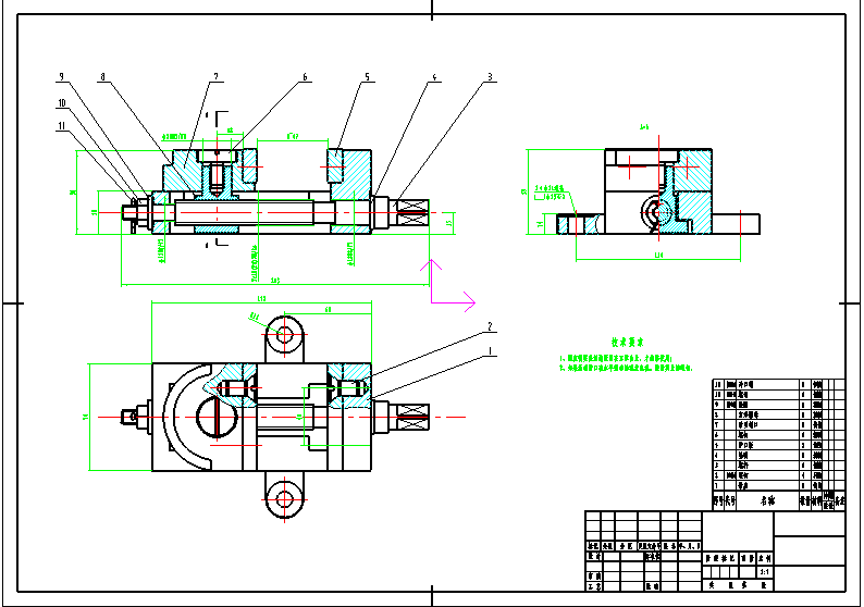
任务八、虎钳装配体

1.打开CAXA-EB软件,调入图符。设置幅面、比例等。本节教程仅供参考,可不比完全按照教程步骤做。

2,进入中心线层,绘制中心线。用正交方式绘制直线。

3.进入0层绘制主视图轮廓线。先绘制螺杆的轮廓。

在左端绘制一条竖线。然后将该线向右偏移21、37、133、213然后将最右端的线向左偏移22、28、38、65。然后将水平中心线向两侧偏移5、6、9、7、11。

4.进行修剪。

5.绘制左端垫圈。

点击“提取图符” ,图符大类选“垫圈和挡圈”,图符小类选“圆形垫圈”,然后选“GB/T 97.2-2002平垫圈-A级” 。H选2.5,D选24的垫圈。插入如图位置。 如果,你的图符库内没有该垫圈,大家可以自己制作这个标准件的图符。再在右端插入垫圈。将H改为3,D选24.插入如图位置。

6.插入螺母。点击“提取图符”,图符大类选“螺母”,小类选“六角螺母”,然后选“GB/T 6170-2000(1型六角螺母)”。点下一步,选d为10的螺母。插入如图位置。

7.绘制螺杆右端平面。将中心线向两侧偏移1,修剪。

8.绘制梯形螺纹的小径。进入细实线层。将梯形螺纹上面的轮廓线向下偏移2.5,下面的轮廓线向上偏移2.5。如图:

9.回到0层。绘制钳座。将中心线,向下偏移14、15。向上偏移12、15、17、32、43。然后将最上边的轮廓线向下偏移8、10、22、28。

10.到中心线层在适当位置绘制螺钉中心线。

11.回到0层,偏移刚才的中心线。向左侧偏移4、5、10、13、14、30、37。向右侧偏移4、5、10、13、14、18、26、28。并将1线延伸到最上面的轮廓线上,然后将其向右偏移152。再将后偏移的最右端的线向左偏移20、28。如图:

12.修剪。并将螺纹孔尖角补全。

13.进入细实线层,绘制螺杆右端平面。绘制螺杆左端螺纹。

14.打剖面线。

15.绘制俯视图。从主视图确定俯视图的长度。并将水平中心线向两侧偏移37。并从主视图向下做辅助线。将螺杆右端复制下来。

16.修剪。

17.将右端长线向左偏移60。将水平中心线向两侧偏移13、20、23、57。

18.修剪。

19.绘制活动钳口。绘制直径为26、28、60、74的圆。修剪。

20.将主视图中的螺杆的螺纹部分复制到俯视图中。 修剪。

21.绘制钳座脚。绘制直径为11、25、26的圆。下面的可以通过镜像绘出。

22.通过镜像命令,将其镜像到对面。 选取要镜像的图形,然后再选取轴线。立即菜单设置如图: ,修剪。并将圆添加中心线。

23.绘制M10的螺钉。插入图符,选取“常用图形”——“孔”——“螺钉沉孔”。设置如图。

放置到如图位置。

24.绘制螺纹孔。

将中心线向两侧偏移5.5。修剪。

绘制一条辅助线,将插入的螺钉沉孔想右移动。如图:

补充缺线。

25.将其复制到另一个护口板上。 设置旋转角为180。

26.进入细实线层。绘制剖面区域,并打剖面线。镜像螺钉中心线。

27.将螺杆左侧部分画出。

28.提取图符,将螺母画出。“螺母”——“六角螺母”——“GB/T 6170-2000(1型六角螺母)”。选d为10的螺母。用第三个视图。插入,如图。

俯视图如图:

29.绘制左视图。根据主、俯视图确定左视图的宽和高。

30.绘制直径为11的沉孔。并补全所有的线。

31.绘制剖面线。

32.再说那个视图上画上开口销。

33.标注尺寸。填写技术要求。

34.生成零件序号。点 。然后按顺序点击零件。

立即菜单设置如图:

生成序号如图:

生成明细表如图:

填写明细表:点击

35.完成后如图:

CAXA CAD电子图板小知识小技巧:引出说明太好用了

本文作者(原创):钟日铭

作者编著有超百本CAX(AutoCAD、UG NX、Creo、Mastercam、ProE、CAXA电子图板等)图书教材,为多家知名出版社的签约作者。

用过CAXA CAD电子图板的人都知道,使用该软件制作二维工程图确实很方便。

本文列举一个小小的知识点来展示CAXA CAD电子图板的应用,方不方便自己体会一下。

以如图1所示的引出说明标注的典型示例作为范例效果。

图1 典型示例

a)文字缺省方向 b)文字反向

案例使用软件为CAXA CAD电子图板2018或CAXA CAD电子图板2020。

下面介绍具体的操作步骤。

(1)假设已经绘制好如图2所示的图形。

图2 假设已有图形

(2)在功能区"标注"选项卡的"符号"面板中单击"引出说明"按钮(如图3所示),弹出"引出说明"对话框。

图3 选择按钮

弹出的"引出说明"对话框如图4所示。

图4 “引出说明”对话框

(3)选中"多行时最后一行为下说明"复选框,输入如图5所示的两行说明内容(为了便于描述,表示深度的符号在图中暂时用"深"字表示,实际上,在该"深"字的位置处将用深度图标替换)。

图5 输入上说明和下说明

其中的引出说明文本"6×M6-7H……"中的第二个符号"×"可以从如图6所示的"插入特殊符号"下拉列表框中选择,其输入格式为"%x"。

图6 插入特殊符号

在上说明(第一行说明)和下说明(第二行说明)中,可使用深度图标符号来表示特定孔深,如图7所示。

图7 可使用孔深符号

要输入深度图标符号,则将光标置于说明中要插入的位置处(也即"深"字所在的位置处),在"插入特殊符号"下拉列表框中选择"尺寸特殊符号"选项,打开"尺寸特殊符号"对话框,如图8所示,接着选择表示深度的符号,单击"确定"按钮即可。

图8 "尺寸特殊符号"对话框

(4)设置好引出说明文本后,在"引出说明"对话框中单击"确定"按钮。

(5)在立即菜单中设置文字方向等,然后分别指定第一点、引线转折点和定位点来完成引出说明标注。

是不是很好用呢!

#pgc-card .pgc-card-href { text-decoration: none; outline: none; display: block; width: 100%; height: 100%; } #pgc-card .pgc-card-href:hover { text-decoration: none; } /*pc 样式*/ .pgc-card { box-sizing: border-box; height: 164px; border: 1px solid #e8e8e8; position: relative; padding: 20px 94px 12px 180px; overflow: hidden; } .pgc-card::after { content: " "; display: block; border-left: 1px solid #e8e8e8; height: 120px; position: absolute; right: 76px; top: 20px; } .pgc-cover { position: absolute; width: 162px; height: 162px; top: 0; left: 0; background-size: cover; } .pgc-content { overflow: hidden; position: relative; top: 50%; -webkit-transform: translateY(-50%); transform: translateY(-50%); } .pgc-content-title { font-size: 18px; color: #222; line-height: 1; font-weight: bold; overflow: hidden; text-overflow: ellipsis; white-space: nowrap; } .pgc-content-desc { font-size: 14px; color: #444; overflow: hidden; text-overflow: ellipsis; padding-top: 9px; overflow: hidden; line-height: 1.2em; display: -webkit-inline-box; -webkit-line-clamp: 2; -webkit-box-orient: vertical; } .pgc-content-price { font-size: 22px; color: #f85959; padding-top: 18px; line-height: 1em; } .pgc-card-buy { width: 75px; position: absolute; right: 0; top: 50px; color: #406599; font-size: 14px; text-align: center; } .pgc-buy-text { padding-top: 10px; } .pgc-icon-buy { height: 23px; width: 20px; display: inline-block; background: url(https://lf3-cdn-tos.bytescm.com/obj/cdn-static-resource/pgc/v2/pgc_tpl/static/image/commodity_buy_f2b4d1a.png); } CAXA 电子图板2018工程制图完全自学手册(清华社“视频大讲堂”大系CAD/CAM/CAE技 ¥59.3 购买

本文由钟日铭原创,欢迎关注,带你一起长知识!好文章创作、分享不易,欢迎赞赏,谢谢!

跟我学产品设计,准没错,多来交流学习。

相关问答

caxa电子图板 合并怎么用?

Caxa电子图板具有合并功能,可以将多个图板合并为一个大图板。以下是使用Caxa电子图板合并的步骤:1.打开Caxa电子图板软件,并新建一个图板文件。2.在新建的...

CAXA电子图板 有数控车 应用 功能吗?在那里?

CAXA电子图板可以做为计算坐标点的软件,还可以做为数控车自动编程前画轮廓线的软件。如果要自动编程,CAXA有数控车自动编程软件。自动编程是另外一个CAXA软件...

caxa电子图板 如何导入mastercam?

要将Caxa电子图板导入Mastercam,可以按照以下步骤进行操作:1.打开Caxa电子图板软件并加载所需的图纸文件。2.在Caxa电子图板中,将图纸文件导出为常见的CAD格...

caxa电子图板 ,填充技巧?

1、首先在caxa左上角点击【新建】选项。2、在弹出的【新建】窗口中单击【BLANK】选项并单击【确定】按钮。3、在键盘上按下F9功能键,将其切换模式。4、在ca...

caxa电子图板 什么版本最方便使用啊-ZOL问答

07版及其以前的版本可加载建筑、电子的应用程序,而09版不能。只能是存完CAD文件以后,再用CAXA打开后另存一下,存成CAXA的格式2007r3企业版,我一直在用,操作挺...

caxa电子图板 哪个版本好用?

caxa现在用的最多的是2007和2013两个版本。想对而言,2007没有快捷键,操作便捷简单,适合新人去学习使用。2013优化了与CAD的兼容性,操作风格方面是caxa的,快...

免费 caxa电子图板 教程?

CAXA是一款国产的工业设计软件,可以用其绘制二维平面图、三维零件图及CAM加工,要想熟练的使用,平常工作应当多多练习才是。本CAXA电子图板教程是CAXA2013电子...

CAXA电子图板 每次打开都是这样,求高手解答?急-ZOL问答

方法:开始-》运行-》%appdata%-》删除X:\DocumentsandSettings\XXX\ApplicationData\Caxa\CAXADRAFTMECHANICAL201...

caxa 软件如何给零件编程,用的是 caxa电子 图版还是caxa三维软件,还是什么caxa工程师软件?如何编程呢?

制造工程师、数控车,是CAM软件,前者用于数控铣编程,后者用于数控车编程。实体设计、电子图板是CAD软件,前者是三维设计,后者是二维设计,尤其适合用于机械...

caxa电子图板 如何生成?

在电子图案保存到硬盘中就可以生成在电子图案保存到硬盘中就可以生成

标签:

相关阅读