电力电子整流实际应用 最全二极管应用分析系列——整流篇

小编头像

小编

管理员

发布于:2025年05月05日

96 阅读 · 0 评论

最全二极管应用分析系列——整流篇

二极管的基本应用——整流

二极管的单向导电性使其在整流、限幅、钳位、开关、检波和续流等电路中有着广泛的应用。

整流电路

1、什么是整流?

答:在电力电子应用中,将交流电变换为直流电的这种AC/DC(Alternating Current / Direct Current)变换被称为整流(rectification)。利用二极管的单向导电性可以实现整流。

2、整流电路有哪些?

答:常用的整流电路按照输入交流电源的类型分为单相和三相。按照输出波形的类型分为半波、全波和桥式等。

3、整流电路的工作原理是什么?

单相整流电路

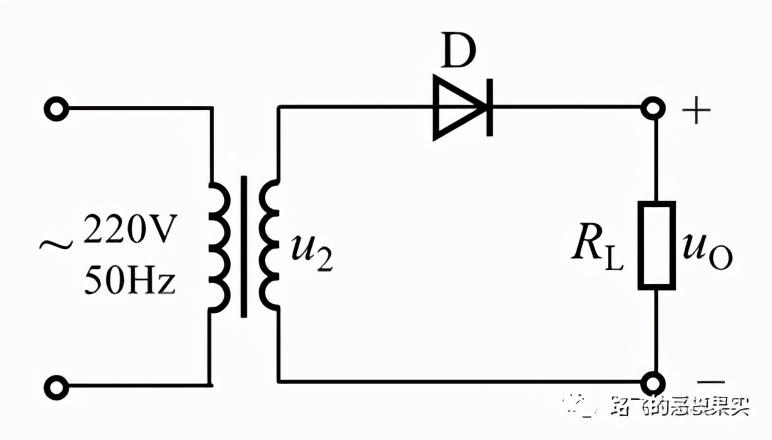
单相半波整流电路

电路:

工作原理:

u2正半周,D导通, A→D→RL→B,uO= u2 。

u2负半周,D截止,承受反向电压, uO=0。

单相全波整流电路

电路:

工作原理:

u2正半周,D1导通, D2截止, A→D1→RL→B,

uO= u2 。

u2负半周,D1截止, D2导通, C→ D2 →RL→B,

uO= |u2|。

单相桥式整流电路

电路:

工作原理:

u2正半周,D1、D3导通, D2 、D4截止, uO= u2 。

u2负半周,D1、D3截止, D2 、D4导通, uO= |u2| 。

三相整流电路

三相半波整流电路

电路:

工作原理:

0~t1期间, u2C> u2A > u2B,D3导通, D1、D2截止,u2C+→D3 → RL → u2C﹣,uO= u2C。

t1 ~t2期间, u2A 最大,D1导通, D2、D3截止,

u2A+→D3 → RL → u2A﹣,uO= u2A。

t2~t3期间, u2B最大,D2导通, D1、D3截止,

u2B+→D3 → RL → u2B﹣,uO= u2B。

三相桥式整流电路

电路:

工作原理:

0~t1期间, u2A 、u2C正半周,且u2A <u2C , u2B负半周,即C点电位最高,A点次之,B点最低。

D3、D5导通, D1、D2、D4、D6截止,

C→ D3 → RL → D5 →B,uO= u2CB 。

t1~t2期间,A点电位最高,C点次之,B点最低。

D1、D5导通, D2、D3、D4、D6截止,

A→ D1 → RL → D5 →B,uO= u2AB 。

t2~t3期间,A点电位最高,B点次之,C点最低。

D1、D4导通, D2、D3、D5、D6截止,

A→ D1 → RL → D4 →C,uO= u2AC 。

总结

单相半波整流电路

单相全波整流电路

单相桥式整流电路

三相半波整流电路

三相桥式整流电路

内容转载自 网络,仅供学习交流使用,如有侵权,请联系删除。如果你还想了解更多关于电子元器件的相关知识及电子元器件行业实时市场信息,敬请关注微信公众号 【上海衡丽贸易有限公司】

整流变压器的3种用途

整流变压器作为整流设备的变压器被广泛的应用,那么它有哪3种具体的用途呢? 一、电化学工业 这是整流变压器应用最多的行业,比如电解有色金属化合物来制取铝、镁、铜及其它金属;电解水来制取氢和氧等。 二、传动用直流电源 其主要是用来为电力传动中的直流电机供电,如轧钢机的电枢和励磁系统。 三、牵引用直流电源 整流变压器还用于矿山或城市电力机车的直流电网系统中。由于电力机车经常启停会造成不同程度的短时过载,因此这类变压器的温升限值和电流密度均取得较低。 如果想了解更多关于整流变压器的相关内容,请关注华兴特变官网。

相关问答

电力电子 技术这门学科在现实中有什么 应用 ?

电力电子技术这门学科在现实生活中有很大的用处。生活中随随便便的电器都能用到电力电子技术相关的知识。我们生活中,冰箱,电视洗衣机,微波炉,所有用电的地...

ss3-4000型 电力 机车硅 整流 装置有什么作用?

硅整流装置:是一种以可控硅(晶闸管)为基础,以智能数字控制电路为核心的交流变直流的可控整流电器。简称整流装置。又称晶闸管整流装置、可控硅整流装置等。具...

整流 变压器有什么用处?

[回答]放大器的级间耦合,除了阻容耦合、直接耦合外,还有变压器耦合,既能改变阻抗,又能隔除直流。只是变压器的体积大,频率特性差,现在用得很少。在电力系...

ups 整流 器功能?

UPS不间断电源系统组成,整流器在UPS电源中的作用。UPS不间断电源含有储能设备,以整流器和逆变器为首要组成部分,为变电站内监控系统、自动化仪表、远方通讯系...

电解 整流 变压器原理?

电解整流变压器是一种利用电解现象进行整流和变压的装置。其原理是通过将交流电输入到电解槽中的电解质中,形成正负两极,然后利用电解质的导电性质使得电流只...

??有谁知道发电机 整流 稳压的工作原理_汽配人问答

[最佳回答]摩托车上有一个非常重要的电器部件,它为整车用电设备提供稳定的工作电压,这就是整流稳压器,即我们俗称的“硅整流”。整流就是将交流电压变为直流电...

汽车 整流器 优点和缺点怎么样_车坛

汽车整流器目前还没有发现什么缺点,都是优点,如下:1、电机电路系统负荷降低,未装设整流器时,发电机产生的电流直接到达电瓶后,随即被系统给消耗并且...

变流器的作用和原理是什么?

1、作用:使电源系统的电压、频率、相数和其他电量或特性发生变化。2、原理:变流器除主电路(分别为整流电路、逆变电路、交流变换电路和直流变换电路)外,还需...

工频机的 应用 领域有哪些?

1、在可靠性方面,工频机要优于高频机:工频机采用晶闸管(SCR)整流器,该技术经过半个多世纪的发展和革新,已经非常成熟,其抗电流冲击能力非常强。由于SCR属于...

【怎样利用雷电】作业帮

[回答]雷电混合整流器——雷电利用展望人类在历史的长河中,战天斗地,不屈不饶,改造自然,不断进取,才有了今天的欣欣向荣.科学的普及,社会的进步,使人类更...

标签:

相关阅读