电子振荡器应用 振荡器在电路中究竟有什么作用?

小编头像

小编

管理员

发布于:2025年05月05日

101 阅读 · 0 评论

振荡器在电路中究竟有什么作用?

要使物体振荡,能量必须在两种形态之间来回转换。例如,在钟摆中,能量在势能和动能之间转换。当钟摆位于摆动的一端,其能量全部是势能,并准备落下。当钟摆在循环的中间,所有势能转换为动能,钟摆以最快的速度移动。当钟摆向另一侧运动时,所有动能又转为势能。这两种形态间的能量的转换就是导致振荡的原因。

最后由于摩擦的作用,任何物理振荡都会停止。要继续运动,必须在每次循环中添加少许能量。在摆钟里,保持钟摆移动的能量来自弹簧。钟摆在每次敲钟时都得到一点推力,以弥补因摩擦而失去的能量。

振荡器在电路中能起到的作用

振荡器是用来产生重复电子信号(通常是正弦波或方波)的电子元件。其构成的电路叫振荡电路。

低频振荡器是指产生频率在0.1赫兹到10赫兹之间交流讯号的振荡器。这个词通常用在音讯合成中,用来区别其他的音讯振荡器。

振荡器主要可以分成两种:谐波振荡器和弛张振荡器。

按振荡激励方式可分为自激振荡器、他激振荡器;

按电路结构可分为阻容振荡器、电感电容振荡器、晶体振荡器、音叉振荡器等;

按输出波形可分为正弦波、方波、锯齿波等振荡器。

自激多谐振荡器也叫无稳态电路。两管的集电极各有一个电容分别接到另一管子的基极,起到交流耦合作用,形成正反馈电路,当接通电源的瞬间,某个管子先通,另一只管子截止,这时,导通管子的集电集有输出,集电极的电容将脉冲信号耦合到另一只管子的基极使另一只管子导通。这时原来导通的管子截止。这样两只管子轮流导通和截止,就产生了振荡电流。

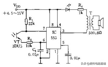
感光式振荡器电路

由于器件不可能参数完全一致,因此在上电的瞬间两个三极管的状态就发生了变化,这个变化由于正反馈的作用越来越强烈,导致到达一个暂稳态。暂稳态期间另一个三极管经电容逐步充电后导通或者截止,状态发生翻转,到达另一个暂稳态。这样周而复始形成振荡。

振荡器就是一个频率源,一般用在锁相环中。就是一个不需要外信号激励、自身就可以将直流电能转化为交流电能的装置。它有很多用途。在无线电广播和通信设备中产生电磁波。在微机中产生时钟信号。在稳压电路中产生高频交流电。

振荡器基本组成部分

1、三极管放大器;(起能量控制作用)

2、正反馈网络;(将输出信号反馈一部分至输入端)

3、选频网络;(用以选取所需要的振荡频率,以使振荡器能够在单一频率下振荡,从而获得需要的波形自激多谐振荡器也叫无稳态电路。振荡器两管的集电极各有一个电容分别接到另一管子的基极,起到交流耦合作用,形成正反馈电路,当接通电源的瞬间,某个管子先通,另一只管子截止,这时,振荡器导通管子的集电集有输出,集电极的电容将耦合到另一只管子的基极使另一只管子导通。这时原来导通的管子截止。这样两只管子轮流导通和截止,就产生了震荡电流。

由于器件不可能参数完全一致,因此在上电的瞬间的状态就发生了变化,振荡器这个变化由于正反馈的作用越来越强烈,导致到达一个暂稳态。暂稳态期间另一个三极管经电容逐步充电后导通或者截止,状态发生翻转,到达另一个暂稳态。这样周而复始形成振荡。

低频振荡器是指产生频率在0.1赫兹到10之间交流讯号的振荡器。这个词通常用在音讯合成中,用来区别其他的音讯振荡器。

来源:网络整理,如涉及版权问题,请及时联系删除

盘点晶体振荡器实际应用优势

当下很多设备上都离不开振荡器的使用,而其中晶体振荡器的应用更为常见。在采购振荡器的时候自然要根据应用需求来选择具体的种类,同时要重视具体晶振的参数,小扬给大家盘点下,常见的关于晶体振荡器的应用优势。

晶振输出频率精度更高

现在常见的智能通讯系统中都是应用的晶体振荡器,这就是因为晶振本身具有输出频率精度高的优势。一般射频通讯设备中或者遥控设备中都会应用晶振就是看重其频率精度高的优势,而且晶振的温漂、时漂都比较小,以及晶振的频率不可调更为单一,这些特性都让晶振更适合应用于智能通讯设备中。

晶振损耗小且寿命更长

对于任何电子产品而言应,用的元器件要求之一就是损耗小而且稳定,而晶体振荡器就具有损耗小寿命长的特点。因为石英晶体本身的Q值非常高,所以使用石英晶体来做振荡器,其损耗非常小,同时还可以保障振荡稳定。当下很多过滤器中都会使用晶体振荡器,其中原因之一,就是其损耗小而且稳定且,可以获得非常稳定和陡峭的带通或者带阻曲线,这都是晶振在应用时的优势。

晶振稳定性可靠性更强

晶体振荡器的优势,不仅仅拘泥于其足够稳定而且消耗小,而且其还具有很强的拓展性,以满足更多领域内设备的使用要求。以不断发展的电视技术为例,现在很多彩色电视采用500KHZ或者503KHZ的晶体振荡器就是因为其可靠性和稳定性在不断提高,像刚才提到的500KHZ晶振在行、场电路的振荡源经过1/3时分频得到的是156.25Hz的行频,所以其稳定性大幅度提高。其实不仅仅是在彩色电视方面的应用体现出晶体振荡器的拓展性,在通讯系统设备中都可以看到晶振的应用,凡是高性能的石英晶振都会被广泛应用于通讯网络或者无线数据传输以及高速的数字数据传输等方面,这些都可以体现出晶体振荡器的高拓展性和稳定性。

随着更多领域的设备开始对振荡器的稳定性和频率精度有更高的要求,晶体振荡器的应用就会更为广泛,而且晶振的优势不仅仅是刚才提到的这些,往往在具体的设备上使用的晶振还有着具体的实际使用优势,所以用户在选择时完全可以按需选择更适合的晶体振荡器类型和参数。

相关问答

晶体 振荡器 的作用是什么_作业帮

[最佳回答]大家都知道交流电和直流电吧,要把交流电变成直流电的话,你\x0d会用到整流滤波电路,或是开关电源;要是把直流电变成交流电呢,就没有那么简单了,在这...

晶体 振荡器 是干什么用的?

晶体振荡器石英晶体振荡器是一种高精度和高稳定度的振荡器,被广泛应用于彩电、计算机、遥控器等各类振荡电路中,以及通信系统中用于频率发生器、为数据处理设...

共振的 应用 具体有哪些?

共振具有广泛的应用,以下列举几个具体的应用:1.共振成像技术:如核磁共振成像(MRI)和超声共振成像(USI),通过对物质内部原子或分子的共振信号进行检测和...

rc和rl电路的稳态和暂态特性在实际生活中有怎样的 应用 ?

rc和rl电路的稳态和暂态特性在实际生活中有着广泛的应用。稳态特性可以应用在电源管理系统、电子调节器和信号处理器中,帮助稳定电流和电压,确保设备的正常运...

机械 振荡器 原理?

主要有由电容器和电感器组成的LC回路,通过电场能和磁场能的相互转换产程自由振荡。要维持振荡还要有具有正反馈的放大电路,LC振荡器又分为变压器耦合式和三点...

正弦波 振荡器 包括哪几种?

它由四部分组成:放大电路,选频网络,反馈网络和稳幅电路。常用的正弦波振荡器有电容反馈振荡器和电感反馈振荡器两种。后者输出功率小,频率较低;而前者可以输...

西勒 振荡器 和克拉泼震荡器相比有何优点?

西勒振荡器的改进型电路.电路结构与克拉泼振荡器相似,二者的区别仅仅在于西勒电路除了在电感支路中串入小电容外,还在电感旁并接一小电容C,进一步改善了电容三...

555定时器构成的多谐 振荡器 怎么改变周期和占空比-ZOL问答

振荡器的工作原理及细节。如图所示,改变C1的值可以改变周期调节Rp可以改变占空比也可以把R1或者R2换成一个可变电阻,用来调节周期。百度里输入“555应用”...

晶振的作用有哪些?

[回答]在通常工作条件下,普通的晶振频率绝对精度可达百万分之五十。高级的精度更高。有些晶振还可以由另加电压在一定范围内调整频率,称作压控振荡器(VCO)...

标签:

相关阅读