电子示波器及其应用电子书 图书推荐:电子电路维修手册

小编头像

小编

管理员

发布于:2026年04月14日

104 阅读 · 0 评论

图书推荐:电子电路维修手册

如果想正确地维修电子产品,就必须具有一定的理论知识和较强的动手能力。今天给大家推荐这本《电子电路维修手册》。

它可以帮助正在学习电子技术的读者,以及即将从事电子设备维修的技术人员,使大家尽快理解现代电子电路与电子装置构成原理,了解各种电子元器件与零部件在电子电路中的应用,学会识读电子电路的一些基本方法。

推荐理由

1.实用性强 

以实用为基础,以够用为前提,系统地介绍了电子电路的识读与应用,以简单明了的实际电路代替理论讲解,力求做到图文并茂、深入浅出、简单实用、易学易作。2.体现先进性 

由于电子技术的飞速发展,电子元器件日新月异。本书既介绍了经典电子电路又介绍了部分新器件、新工艺和新材料制作的电子电路。3.便于自学 

本书以实用技能培养为重点,系统地培养电子爱好者的自学能力、识图与维修能力,力求做到想学、能学、会学。

内容简介

本书采用“彩图”加“微视频” 的全新讲解方式,系统全面地介绍了电子元器件的检测电子电路的识读 以及电子电路维修技能 ,共有六篇十九章,内容包括电子元器件的使用与检测、实用电子电路、电子电路的装配与维修、家用电子电路的维修、工业电子电路的维修,附录中提供了电子电路维修常用资料,供读者随时学习查阅。读者可以通过扫描书中二维码,打开相应知识技能的“微视频”,配合本书学习。

拖动右侧滚动条可以查看全目录

目录

第一篇电子元器件使用与检测

第一章电阻器与电位器第一节电阻器的基础知识 2第二节电阻器的检测与使用 7第三节敏感电阻器的检测与使用 12第四节电位器的基础知识 22第五节电位器的选用与检测 26第二章电容器与电感器第一节电容器的基础知识 30第二节电容器的检测与使用 40第三节电感器的基础知识 43第四节电感器的检测与使用 51第五节变压器的检测与使用 53第三章二极管与三极管第一节二极管的特性与主要参数 57第二节二极管的选用 60第三节稳压二极管的主要参数与选用 64第四节硅整流桥的选用 66第五节晶体三极管的主要参数 72第六节晶体三极管的选用与检测 77第四章贴片器件第一节表面贴装技术 85第二节贴片电阻器的使用与检测 86第三节贴片电容器的使用与检测 94第四节贴片电感器的使用与检测 100第五节贴片二极管的使用与检测 103第六节贴片晶体管的使用与检测 107第七节贴片集成电路的使用与检测 111第八节常用贴片稳压集成电路 113第五章显示器件与光电耦合器第一节发光二极管的使用 115第二节LED数码管的使用 121第三节光电耦合器的使用 127第二篇实用电子电路第六章电子电路识图基本知识第一节电子电路识图的基本概念 134第二节识读电子电路图的方法与步骤 139第三节电子电路识图要求 146第四节识读集成电路图 150第七章照明与彩灯控制电路第一节亮度自动稳定的调光台灯 157第二节触摸式步进调光台灯 158第三节感应式自动照明灯 159第四节简易应急照明灯 161第五节电灯遥控器 162第六节节日彩灯控制器 163第七节LED手电筒电路 165第八节太阳能充电式小夜灯电路 166第九节可调光台灯电路 167第八章 传感器应用电路第一节RLC传感器应用电路 171第二节热电式传感器应用电路 176第三节霍尔式传感器应用电路 183第四节压电式传感器应用电路 185第五节半导体传感器应用电路 188第九章 555定时器应用电路第一节555定时器典型电路 194第二节555定时器应用电路 203第十章光电子应用电路第一节光敏电阻及其应用电路 212第二节光敏二极管及其应用电路 216第三节光敏三极管及其应用电路 221第四节发光二极管LED及其应用电路 223第五节光电耦合器及其应用电路 228第十一章单片机系统应用电路第一节单片机应用电路 231第二节用单片机存取访问U盘的硬件电路 236第三节发光二极管(LED)遥控时钟屏系统 238第四节LED显示界面及接口电路 243第三篇电子电路的装配维修第十二章维修中常用电子仪器仪表的使用第一节示波器 250第二节信号发生器 255第三节交流毫伏表 259第四节指针式万用表 260第五节数字式万用表 269第十三章电子电路的装配第一节装配工具 277第二节元器件的装配 282第三节导线线端加工与捆扎 289第四节电子电路的装配 293第十四章电子电路的调试与维修第一节电子电路的调试 299第二节电子电路的故障维修 313第四篇家用电子电路的维修第十五章厨房家电的维修第一节电磁炉的维修 322第二节微波炉的维修 330第三节电饭锅的维修 339第四节豆浆机的维修 344第十六章电冰箱与洗衣机的维修第一节家用电冰箱常见故障检测 346第二节万用表检修电冰箱电气控制电路 350第三节万用表检修电冰箱电气控制系统主要零部件 354第四节万用表检修电冰箱常见故障实例 359第五节洗衣机电路 362第六节洗衣机的主要电气部件及检修 365第七节万用表检修洗衣机实例 373第十七章小家电的维修第一节万用表检修电风扇 378第二节万用表检修吸尘器 381第三节万用表检修加湿器 388第五篇工业电子电路的维修第十八章工控机维修实例一、印刷机工控机无显示 394二、研华工控机主板不开机故障 395三、工控机主板USB接口失效故障 397四、工控机主板与变频器不通信故障 397五、伦茨带触摸屏工控电脑无显示 398六、得逻辑无线终端8255无显示 400七、纸巾印图控制器CAMCON 51显示屏字符无显示 401八、三菱喷涂机器人无法开机维修 402九、富士触摸屏ug430h-vh1无显示故障 404十、HAKKO v710c 报警“Screen Data not setting”维修 405十一、工业显示屏按键失灵 407第十九章PLC维修实例一、船用PLC DPU2020损坏 408二、西门子PLC S7-200 CPU224通信故障 409三、三菱PLC FX1N-60MR-001 ERR灯闪烁 409四、三菱PLC FX2N-80MR-001 通电后无任何指示灯显示 410五、西门子PLC S5-95U 程序丢失 410六、MOELLER PLC 运行指示灯不亮 411七、维修PLC输入温度流量无显示值变化 412第六篇电子电路维修常用资料第二十章电子电路基本定律与常用计算公式第一节电路的基本物理量和基本定律 416第二节直流电路常用计算公式 420第三节交流电路常用计算公式 428第四节模拟电路常用计算公式 430第五节数字电路常用计算公式 436第二十一章常用电气图形符号和文字符号第一节电路图常用文字符号 445第二节常用电气图用图形符号 451第三节部分新旧电路图形符号对照 461第四节常用电气设备用图形符号 465第二十二章法定计量单位及其换算第一节国际单位制单位 472第二节可与国际单位制单位并用的我国法定计量单位 474第三节常用法定计量单位与非法定计量单位及其换算 475第二十三章常用半导体器件的性能指标第一节半导体分立器件主要性能指标 478第二节模拟集成电路主要性能指标 487第三节数字集成电路主要性能指标 492参考文献

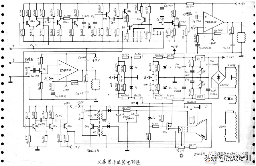
顶礼膜拜!我看到一个30年前纯手工做示波器(附电路图)

在逛论坛发现一个让人顶礼膜拜的帖子,不由感叹老一辈果然有牛人啊。

30年前,没有钱买示波器,只好自己七拼八凑制作了一台示波器,性能指标肯定不能与工厂生产的相比,但只要能显示出波形我也就满意了,下面以图片介绍如下:电路原理图(参考了好几本书籍,把自己认为满意的单元重新组合而成):

信号处理部分的PCB板是手工设计的:

由于十几岁就学过木工,做过家具,所以机架部分就自然采用木头制作了,其实木头很好加工,上初中时就用三层板作收音机的PCB板:

1.5CM厚的木方做机架,全部都是卯榫结构,没有用过一颗钉子,30年的岁月,有的地方脱榫了。

最大、最难固定的部件是显像管,它是这样固定的:

我用1mm 厚的铁皮做了一个箍,像箍水桶一样把显像管箍起来,在接头处弯了一个90 度的角,用螺钉来调节松紧。在箍和显像管之间垫了一层吹塑纸作缓冲,以免将显像管箍暴。我当年是戴了帽子、眼镜、口罩,脖子上还围了围巾,手上还戴了手套,全副武装。就怕显像管受力不均后爆炸伤人,还好没爆炸。那个箍每边有一个耳朵,将它们弯曲成90 度的形状,这样就可以用螺钉固定在框架上,其实我也是在修理成品电视机时看到厂家这样做的。

电源 :

变压器是自己绕制的,电源的PCB板是用断锯条刻出来的。

这是高压发生器,由于干扰大,所以做一个铁皮罩子把它屏蔽起来:

高压变压器采用成品黑白电视机的行输出变压器代替,节省点功夫:

这是给显像管灯丝供电的恒流源部分:

这是X轴、Y轴信号处理部分:

这是X轴、Y轴坐标平移部分,功能就是让显示的图形上、下、左、右移动:

那颗螺钉很丑,真正木匠使用的螺钉,和机架是绝配。这是X轴、Y轴功率放大部分,用的是TDA2030A,功放IC。

行偏转、场偏转用成品,虽然《无线电》杂志也介绍过做这个东西,但要用模具来绕制,对我当时来说太难了。

控制板,一堆电位器,控制“亮度”、“聚焦”、“移动”、“增益”、“同步”等。

接上“信号发生器”,显示正弦波的情况,由于当时没有示波器来调试,所以扫描逆程的的消隐没有做好,没有完全消除逆程回扫线,现在也没有闲心来调试了。

下面是我当时在单位系统内投稿的原件,就作为这台示波器的原理说明吧:

免责声明:本文转自网络,版权归原作者所有,如涉及作品版权问题,请及时与我们联系删除,谢谢!

相关问答

大学物理实验 示波器 的使用对实验的讨论(高分悬赏!)_作业帮

[最佳回答]示波器的使用说明和功能我们可以把示波器简单地看成是具有图形显示的电压表.普通的电压表是在其度盘上移动的指针或者数字显示来给出信号电压的测...

电路板与主板修理的书籍推荐下谢谢诶-ZOL问答

其他基本都是雷同书籍。买了也是浪费内容基本都是重复还是多多在主板上实验好一点基础电路千元的都可以买新的数字示波器了,你想买老式模拟的示波器?那个已...

电子 信息工程都学些什么呀?将来能干什么呀? 申请方

如果从工程师和研究生的专业方向来看,电子信息专业的方向大概有1)数字电子线路方向。从事单片机(8位的8051系列、32位的ARM系列等等)、FPGA(CPLD)、...

大学物理实验报告怎么写1电学元件伏安特性测量2 示波器 的使用...

[最佳回答]应该有试验报告纸和试验预习报告纸.有的话照着填.没有的话这样:预习报告:1.试验目的.(这个大学物理试验书上抄,哪个试验就抄哪个).2.实验仪器.照着...

示波器 怎么测电流互感器?

要测量电流互感器(CurrentTransformer,简称CT)的参数,可以使用示波器进行测试。下面是具体的测量步骤:确定测试回路:将被测电流互感器的输入端接入被测电...

后级功放维修常见故障的方法是什么?- 一起装修网

[回答]整机不工作整机不工作的故障表现为通电后放大器无任何显示,各功能键均失效,也无任何声音,像未通电时一样。检修时首先应检查电源电路。可用万用...

我想学 电子 ,就是研究电路板上的各种东西.上大学应该学什么专业?

以上的楼主说明了一些,我这给你一些具体常识和参考提纲:首先要了解:电类专业可分为强电和弱电两个方向,具体为电力工程及其自动化(电力系统、工厂供变电等...

unix创始人?

Unix之父肯·汤普逊。1943年2月4日,Unix之父、图灵奖得主、美国工程院院士肯·汤普逊(KennethLaneThompson,一般称之为KenThompson,肯汤普森,1943年...

pcb电测找点怎么找?

在电路板测试过程中,为了避免损坏其他部件,我们需要在确定需要检测的点的位置和连接之后才可以进行。在找点的过程中,我们需要使用万用表、示波器等测试工具...

谁清楚!!南京整理培训报价,整理培训服务质量高吗??

[回答]追求性价比就要参考一家公司很多方面的综合因素来确定,建议多找几家公司对比一下。河南维家生活服务有限公司可以试着了解下。不知道你有没有用到...

标签:

相关阅读