电子发光元件原理与应用 浅析:夜光棒,电子漂,夜钓灯在夜钓中的优缺点及应用策略

小编头像

小编

管理员

发布于:2025年05月05日

164 阅读 · 0 评论

浅析:夜光棒、电子漂、夜钓灯在夜钓中的优缺点及应用策略

如果按时间来区分钓鱼的话,我们可以把钓鱼分为两大类:昼钓和夜钓。晚上因为没有太阳的照射,大家一般应用夜光棒、电子夜光漂和钓鱼灯三种观漂方式进行夜钓,那么这三种方式各有什么优势,在夜钓时如何取舍呢?今天小编就和大家一起分享这方面的知识。

夜钓的优点

夜光棒、电子夜光漂和夜钓灯发光原理

夜钓的优点

1、夜钓时间相对宽裕。现在大家的生活节奏很快,白天工作或者琐事较多,相对来说晚上闲暇时间较多一些,可以挤出时间钓鱼放松一下,比如从傍晚钓到晚上九点左右,既不耽误工作还能有助于睡眠,可以达到工作、休闲两不误的效果。

2、夜钓鱼比白天安静。大部分钓鱼人喜欢安静,白天人声嘈杂,往往难以让人安心钓鱼,所以选择晚上出钓,可以独享一份安静。,临近水面,放空思绪,逍遥自在,这也是许多人爱上夜钓的一个原因。

3、夜钓经常上大鱼。岸边各种噪音大,大鱼警觉性高,所以白天很少靠岸觅食。晚上夜深人静的时候才放松警惕偷偷到岸边食物丰富的地方进食,因此夜钓是垂钓大鱼的一个理想方式。

4、规避小杂鱼。白天小杂鱼闹窝频繁,到了夜间闹窝现象明显减少甚至消失,这时钩饵被大鱼吞食的机率明显上升。

5、可以避暑、防晒。在炎热的夏季,天气闷热不说,还时常不得不忍受太阳的灼射,而夜钓没有了阳光的照射,凉风习习,得到许多钓鱼人的偏爱。

夜光棒、电子夜光漂和夜钓灯发光原理

1、夜光棒也叫荧光棒,市面上夜光棒多为细条状,根据其体积不同可以分为大、中小三种类型,分别应用于垂钓大、中、小型鱼类。其最外层为聚乙烯(塑料),里面有一个玻璃管夹层,夹层内外的液化各不相同,分别是过氧化物和酯类化合物。钓鱼前我们事先需要对夜光棒施加一个掰、捏、掐的力,从而将夹层挤碎,导致两种化合物反应促使荧光染料发光。然后利用自带的塑料套管或者锥型胶套别在或者插在漂尖上即可达到让漂尾亮起来的目的。通过观察夜光棒与水面映射距离的高低变化,我们就可以软宜的判断出是有鱼咬钩了。

2、电子夜光漂。电子夜光漂的发光原理是利用一个夜光电池做电源,通过电阻限流让LED发光,光线照射在光导纤维上后,光线会在光导纤维内折射传播,折射过程中照射到五颜六色的荧光粉上促其发亮,达到鱼漂漂目自身发光的目的。 因此,我们在使用电子漂前,只需要把电池插入漂体内部,通上电源后漂目荧光就会全亮,红、黄、绿等颜色在夜色的衬托下格外靓丽。配合头灯,通过正常调钓可以达到和白天一样的观漂效果。

3、夜钓灯。夜钓灯就是为了观漂方便将光源照在漂尾上以便清楚的观察浮漂动作的灯具。原则上所有灯具都可以达到照射浮漂使之增亮的目的,比如卤素黄光灯、疝气灯、普通LED灯等,目前应用较多的是特殊光色的LED灯。市面上较为常见的为紫光灯和蓝光灯,这两种光色不用太亮就可以有效的反射浮漂尾部的荧光粉,可以把日常用的漂尾照的锃亮,更容易观察浮动的动态。因为紫色久射对人体有害,因此蓝光灯成了钓鱼人的首要选择。

本段小结:因为夜钓的诸多优点部分钓鱼人爱上了夜钓,夜光棒、电子夜光漂或者夜钓灯就是夜钓人的眼睛,只有掌握了其发光原理我们才会更有针对性的去根据切实场景选择和应用好它们。

夜光棒在夜钓中的优点及不足

夜光棒在夜钓中的实际应用

夜光棒在夜钓中的优点及不足

1、优点

实惠。夜光棒相比其他电子漂和夜光灯来说价格低廉,一包夜光棒有五个夜光棒,每包售价一元左右,一根夜光棒可以点亮七、八个小时,这样算起来是相当经济实惠了。耐用。相对电子漂动不动就点不亮甚至断尾来说,夜光棒很少出现打烂现象,顶多就是管套安装不牢固导致脱落罢了。

2、不足

夜光棒自身有重量,安装在漂尾后势必会使浮漂的重心产生偏移,甚至产生头重脚轻现象。这样势必会对正常调钓产生影响,比如本来饵料可以拉下一目,按上夜光棒后只压下半目或者不到。

夜光棒在夜钓中的实际应用

鉴于夜光棒耐操、光源小、不惊鱼、饵料轻了难调漂的特点不难看出夜光棒更适合钓大鱼,针对其特性我们在选漂和调钓时还应注意以下几点:

1、浮漂的选择。

选择漂尾细一点的浮漂。因为塑料套管直径较小、锥形胶套较细,选择加粗尾的浮漂不容易插套上夜光棒,即使用力按上也很容易损坏漂尾。 选择漂尾短一点的浮漂。选用漂尾较短的浮漂是为了防止夜光棒压弯漂尾,另外漂尾过长很容易与主线纠缠,提竿时容易打伤漂尾或者磨损鱼线。尽量选择吃铅量大一点的浮漂。选择吃铅量大的浮漂可以在一定程度上减少夜光棒对浮力的影响,即重心偏离较小,而且还可以起到翻身较快的目的。

2、调钓技巧

带夜光棒调钓建议尽量调高目。半水空钩调看夜光棒下面露出的目数,比如调四目,然后双钩带饵看压下几目,比如压下两目,那么我们带双饵通过上拉漂座找底,只要夜光漂下面的漂目露出了二目半或者三目及以上就说明钩饵到底了,即可正常进行垂钓。有条件的话,建议大家在天黑以前按好夜光棒把浮漂调好,天黑以后直接用手把夜光棒掐亮就可以了,不用再挑灯调漂了。 在垂钓过程中尽量避免大力甩竿或者打弹弓现象,挑竿或者抛竿用力过猛时因为力的惯性容易使夜光棒从套管中脱落,以免造成不必要的时间浪费。

本段小结:利用夜光棒夜钓经济、实惠、耐操、相对迟钝,不易抓轻口、小口,通过选择合理的漂型和钓法更适合夜钓中大型鱼类。

电子夜光漂在夜钓中的优点及不足

电子夜光漂在夜钓中的实际应用

电子夜光漂在夜钓中的优点及不足

1、优点

重心均衡。电子夜光漂避免了夜光棒头重脚轻的缺点,翻身较为均衡。 观漂相对灵敏。夜光棒需要通过观察亮点与水面的折射距离变化来辨别浮漂动作,一些细小的动作很难分辨。电子漂各漂目全部发亮,一目甚至半目的动作即可被钓手轻易察觉,故其观漂灵敏度有所提升。

2、不足

1、价格稍贵。稍微质量好一点的电子漂都要50元起步,质量较差的电子漂一般也得十元起步,而且往往漂尾、漂身较短,灵敏度差。另外每次换电池也是一种消费。

2、容易损坏。因为有了电子元件及感光纤体的介入,电子浮漂一般为合体而成,衔接部位容易受损进水,漂尾在提竿或者溜鱼过程中容易与鱼线纠缠损坏,甚至长时间闲置不用也有自行老化现象。鉴于这种情况,不建议大家拿电子漂在白天使用。

3、水中出现倒影,有的颜色过亮,久观浮漂容易产生视觉疲劳。

4、在水深的地方还稍微差一点,在水浅的地方容易惊鱼。如果在浅水区作钓,漂尾的亮光在一定程度上会吓跑水底鱼群。

电子夜光漂在夜钓中的实际应用

1、如今市面上的电子夜光漂有好多种,比如变色夜光漂、水无影电子夜光漂、一目夜光漂、三目夜光漂、全目夜光漂、可充电夜光漂等,其中变色夜光漂和可充电夜光漂价格较高且易损坏性价比并不高,一目夜光漂、三目夜光漂相对不惊鱼,水浅可以选一目夜光漂,水稍微深一点可以选择三目夜光漂,再深一点即可选择全目夜光漂了。水无影夜光漂是利用光的折射原理有效梳理掉水面及水中折射光的一种电子漂,漂尾在水中的折射光线得到有效约束和处理,可有效缓解视觉疲劳,惊鱼程度也有所降低,所以有条件的钓友建议选择水无影夜光漂。

2、不建议选择漂尾较粗的夜光漂。不管是平常用的浮漂还是夜光漂,漂尾加粗以后,漂子都会变钝,不利于调钓和观察轻小鱼口。

3、一定要按上电池后再进行调漂,调钓方式可以应用白天的调钓方式。和夜光棒一样,建议天黑前按上电池(为避免电源浪费,建议先反向插入电池)提前把夜光漂调好。

4、提竿时尽量避免猛力绷线,以免晃坏或者打坏夜光漂。

本段小结:夜光电子漂多种多样,相对灵敏但耐操性差,在日常钓鱼操作中要尽量做到动作轻柔,在夜钓中小型鱼类时应用较多。

夜光灯在夜钓中的优点及不足

夜光灯在夜钓中的实际应用

夜光灯在夜钓中的实际应用

1、优点

观漂灵敏。应用夜光灯夜钓时所用的浮漂就是我们白天日常应用的浮漂。与夜光棒、电子漂相比,出口更灵敏、扎实。使用方便。抄鱼和上饵时可以不用再打开头灯,简化了操作流程。

2、不足

因为光圈散布较大,对鱼儿尤其是大鱼有一定的惊扰作用。坊间有人说夜光灯发出的光有聚鱼作用,笔者倒不这样认为,如果是白炽灯的话或许能起到类似阳光的作用吧,蓝光灯作用主要还是让漂尾发亮用的。 光圈固定,对抛竿落点要求较高。如果想要更换钩饵落点,需要重新挪动夜光灯的照射方向或者位置。在流水中不实用。走水时,浮漂会随着水流浮动,会漂出夜钓灯光圈辐射范围。

夜光灯在夜钓中的实际应用

1、注意使用范围。在实际应用中夜光灯的使用还会有很多人为限制,尤其是在黑坑垂钓时,因为夜光灯灯光会反射至对面,从而影响对面钓手正常观漂,另外在野钓时也不适用走水水域。

2、应用夜光灯时要注意浮漂的选择,尤其是漂尾的荧光漆不能有脱落现象,尽量选择荧光漆反光效果好的浮漂。如果视力没问题,不建议选择加粗尾的浮漂,毕竟漂尾加粗会导致浮漂趋钝。

3、抛竿要准确。建议规范抛竿姿势,应用荡式抛竿法,避免浮漂落点跑出灯圈辐射范围以外。

4、夜光灯更适合在静水中定点钓中小型鱼类。

本段总结:夜光灯相比夜光棒、夜光电子漂观漂更灵敏,更适合鱼口较轻的渔情,当然其价格也稍微昂贵,而且携带相对不方便,具体取舍还是建议结合自己的实际需求合理选择应用。

写在最后

本文从夜钓的优势说起,介绍了夜光棒、电子夜光漂和夜钓灯的发光原理并分别探讨了三种观漂方式的特点及实际应用,希望能给大家带来一定的帮助和启示作用。个人水平有限,不对的地方还请大家多多批评指导,欢迎大家积极留言探讨,我们一起学习、一起进步。

我是同行渔猎笔记,一位常年坐在水边喜欢思考和分享的实战派钓鱼人,每天分享渔猎实战和干货知识,您的关注和分享是我持续输出的最大动力。

光耦的工作原理及应用

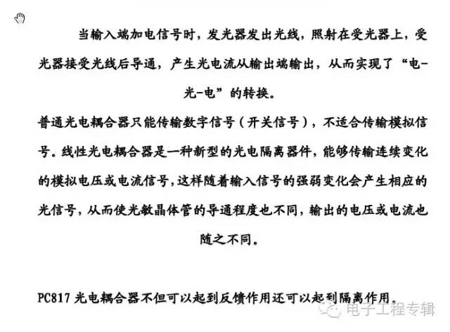
光耦合器(opticalcoupler,英文缩写为OC)亦称光电隔离器或光电耦合器,简称光耦。它是以光为媒介来传输电信号的器件,通常把发光器(红外线发光二极管LED)与受光器(光敏半导体管)封装在同一管壳内。当输入端加电信号时发光器发出光线,受光器接受光线之后就产生光电流,从输出端流出,从而实现了“电—光—电”转换。以光为媒介把输入端信号耦合到输出端的光电耦合器,由于它具有体积小、寿命长、无触点,抗干扰能力强,输出和输入之间绝缘,单向传输信号等优点,在数字电路上获得广泛的应用。

工作原理

耦合器以光为媒介传输电信号。它对输入、输出电信号有良好的隔离作用,所以,它在各种电路中得

1553b耦合器线缆接头

到广泛的应用。目前它已成为种类最多、用途最广的光电器件之一。光耦合器一般由三部分组成:光的发射、光的接收及信号放大。输入的电信号驱动发光二极管(LED),使之发出一定波长的光,被光探测器接收而产生光电流,再经过进一步放大后输出。这就完成了电—光—电的转换,从而起到输入、输出、隔离的作用。由于光耦合器输入输出间互相隔离,电信号传输具有单向性等特点,因而具有良好的电绝缘能力和抗干扰能力。又由于光耦合器的输入端属于电流型工作的低阻元件,因而具有很强的共模抑制能力。所以,它在长线传输信息中作为终端隔离元件可以大大提高信噪比。在计算机数字通信及实时控制中作为信号隔离的接口器件,可以大大提高计算机工作的可靠性。

优点

光耦合器的主要优点是:信号单向传输,输入端与输出端完全实现了电气隔离,输出信号对输入端无

光耦

影响,抗干扰能力强,工作稳定,无触点,使用寿命长,传输效率高。光耦合器是70年代发展起来产新型器件,现已广泛用于电气绝缘、电平转换、级间耦合、驱动电路、开关电路、斩波器、多谐振荡器、信号隔离、级间隔离 、脉冲放大电路、数字仪表、远距离信号传输、脉冲放大、固态继电器(SSR)、仪器仪表、通信设备及微机接口中。在单片开关电源中,利用线性光耦合器可构成光耦反馈电路,通过调节控制端电流来改变占空比,达到精密稳压目的。

种类

光电耦合器分为两种:一种为非线性光耦,另一种为线性光耦。

检测示意图

非线性光耦的电流传输特性曲线是非线性的,这类光耦适合于开关信号的传输,不适合于传输模拟量。常用的4N系列光耦属于非线性光耦。

线性光耦的电流传输特性曲线接近直线,并且小信号时性能较好,能以线性特性进行隔离控制。常用的线性光耦是PC817A—C系列。

开关电源中常用的光耦是线性光耦。如果使用非线性光耦,有可能使振荡波形变坏,严重时出现寄生振荡,使数千赫的振荡频率被数十到数百赫的低频振荡依次为号调制。由此产生的后果是对彩电,彩显,VCD,DCD等等,将在图像画面上产生干扰。同时电源带负载能力下降。在彩电,显示器等开关电源维修中如果光耦损坏,一定要用线性光耦代换。常用的4脚线性光耦有PC817A----C。PC111 TLP521等常用的六脚线性光耦有:LP632 TLP532 PC614 PC714 PS2031等。常用的4N25 4N26 4N35 4N36是不适合用于开关电源中的,因为这4种光耦均属于非线性光耦。

由于光电耦合器的品种和类型非常多,在光电子DATA手册中,其型号超过上千种,通常可以按以下方法进行分类:

⑴按光路径分,可分为外光路光电耦合器(又称光电断续检测器)和内光路光电耦合器。外光路光电耦合器又分为透过型和反射型光电耦合器。

⑵按输出形式分,可分为:

a、光敏器件输出型,其中包括光敏二极管输出型,光敏三极管输出型,光电池输出型,光可控硅输出型等。

b、NPN三极管输出型,其中包括交流输入型,直流输入型,互补输出型等。

c、达林顿三极管输出型,其中包括交流输入型,直流输入型。

d、逻辑门电路输出型,其中包括门电路输出型,施密特触发输出型,三态门电路输出型等。

e、低导通输出型(输出低电平毫伏数量级)。

f、光开关输出型(导通电阻小余10Ω)。

g、功率输出型(IGBT/MOSFET等输出)。

⑶按封装形式分,可分为同轴型,双列直插型,TO封装型,扁平封装型,贴片封装型,以及光纤传输型

光耦

等。⑷按传输信号分,可分为数字型光电耦合器(OC门输出型,图腾柱输出型及三态门电路输出型等)和线性光电耦合器(可分为低漂移型,高线性型,宽带型,单电源型,双电源型等)。

⑸按速度分,可分为低速光电耦合器(光敏三极管、光电池等输出型)和高速光电耦合器(光敏二极管带信号处理电路或者光敏集成电路输出型)。

⑹按通道分,可分为单通道,双通道和多通道光电耦合器。

⑺按隔离特性分,可分为普通隔离光电耦合器(一般光学胶灌封低于5000V,空封低于2000V)和高压隔离光电耦合器(可分为10kV,20kV,30kV等)。

⑻按工作电压分,可分为低电源电压型光电耦合器(一般5~15V)和高电源电压型光电耦合器(一般大于30V)。

结构特点

光电耦合的主要特点如下:

原理示意图

1.输入和输出端之间绝缘,其绝缘电阻一般都大于10000MΩ,耐压一般可超过1kV,有的甚至可以达到10kV以上。

2.由于光接收器只能接受光源的信息,反之不能,所以信号从光源单向传输到光接收器时不会出现反馈现象,其输出信号也不会影响输入端。

3.由于发光器件(砷化镓红外二极管)是阻抗电流驱动性器件,而噪音是一种高内阻微电流电压信号。因此光电耦合器件的共模抑制比很大,所以,光电耦合器件可以很好地抑制干扰并消除噪音。

4.容易和逻辑电路配合。

5.响应速度快。光电耦合器件的时间常数通常在微秒甚至毫微秒极。

6.无触点、寿命长、体积小、耐冲击。

性能特点

光耦合器的主要优点是单向传输信号,输入端与输出端完全实现了电气隔离,抗干扰能力强,使用寿命长,传输效率高。它广泛用于电平转换、信号隔离、级间隔离、开关电路、远距离信号传输、脉冲放大、固态继电器(SSR)、仪器仪表、通信设备及微机接口中。由于光电耦合器的输入阻抗与一般干扰源的阻抗相比较小,因此分压在光电耦合器的输入端的干扰电压较小,它所能提供的电流并不大,不易使半导体二极管发光;由于光电耦合器的外壳是密封的,它不受外部光的影响;光电耦合器的隔离电阻很大(约1012Ω)、隔离电容很小(约几个pF)所以能阻止电路性耦合产生的电磁干扰。线性方式工作的光电耦合器是在光电耦合器的输入端加控制电压,在输出端会成比例地产生一个用于进一步控制下一级的电路的电压。线性光电耦合器由发光二极管和光敏三极管组成,当发光二极管接通而发光,光敏三级管导通,光电耦合器是电流驱动型,需要足够大的电流才能使发光二极管导通,如果输入信号太小,发光二极管不会导通,其输出信号将失真。在开关电源,尤其是数字开关电源中,利用线性光耦合器可构成光耦反馈电路,通过调节控制端电流来改变占空比,达到精密稳压目的。

光纤耦合器

光耦合器的技术参数主要有发光二极管正向压降VF、正向电流IF、电流传输比CTR、输入级与输出级之间的绝缘电阻、集电极-发射极反向击穿电压V(BR)CEO、集电极-发射极饱和压降VCE(sat)。此外,在传输数字信号时还需考虑上升时间、下降时间、延迟时间和存储时间等参数。

电流传输比是光耦合器的重要参数,通常用直流电流传输比来表示。当输出电压保持恒定时,它等于直流输出电流IC与直流输入电流IF的百分比。采用一只光敏三极管的光耦合器,CTR的范围大多为20%~300%(如4N35),而PC817则为80%~160%,达林顿型光耦合器(如4N30)可达100%~5000%。这表明欲获得同样的输出电流,后者只需较小的输入电流。因此,CTR参数与晶体管的hFE有某种相似之处。线性光耦合器与普通光耦合器典型的CTR-IF特性曲线。

普通光耦合器的CTR-IF特性曲线呈非线性,在IF较小时的非线性失真尤为严重,因此它不适合传输模拟信号。线性光耦合器的CTR-IF特性曲线具有良好的线性度,特别是在传输小信号时,其交流电流传输比(ΔCTR=ΔIC/ΔIF)很接近于直流电流传输比CTR值。因此,它适合传输模拟电压或电流信号,能使输出与输入之间呈线性关系。这是其重要特性。

使用光电耦合器主要是为了提供输入电路和输出电路间的隔离,在设计电路时,必须遵循下列原则:所选用的光电耦合器件必须符合国际的有关隔离击穿电压的标准;由英国埃索柯姆(Isocom)公司、美国摩托罗拉公司生产的4N××系列(如4N25 、4N26、4N35)光耦合器,目前在国内应用地十分普遍。鉴于此类光耦合器呈现开关特性,其线性度差,适宜传输数字信号(高、低电平),可以用于单片机的输出隔离;所选用的光耦器件必须具有较高的耦合系数。

技术参数

光耦合器的技术参数主要有发光二极管正向压降VF、正向电流IF、电流传输比CTR、输入级与输出级之间的绝缘电阻、集电极-发射极反向击穿电压V(BR)CEO、集电极-发射极饱和压降VCE(sat)。此外,在传输数字信号时还需考虑上升时间、下降时间、延迟时间和存储时间等参数。

电流传输比是光耦合器的重要参数,通常用直流电流传输比来表示。当输出电压保持恒定时,它等于直流输出电流IC与直流输入电流IF的百分比。

使用光电耦合器主要是为了提供输入电路和输出电路间的隔离,在设计电路时,必须遵循下列原则:所选用的光电耦合器件必须符合国内和国际的有关隔离击穿电压的标准;由英国埃索柯姆(Isocom)公司、美国摩托罗拉公司生产的4N××系列(如4N25、4N26、4N35)光耦合器,在国内应用地十分普遍。鉴于此类光耦合器呈现开关特性,其线性度差,适宜传输数字信号(高、低电平),可以用于单片机的输出隔离;所选用的光耦器件必须具有较高的耦合系数。

相关问答

AMOLED 发光 器件 原理 ?

AMOLED(ActiveMatrixOrganicLightEmittingDiode)是一种新型的发光器件。其原理是通过有机材料在电场作用下发光,具有自发光、响应速度快、色彩鲜艳等优点....

pn结 发光 器件 原理 ?

原理如下pn结发光器件原理是指,由一个PN结组成,也具有单向导电性。当给发光二极管加上正向电压后,从P区注入到N区的空穴和由N区注入到P区的电子,...原理如下...

半导体材料的 发光 机理是什么?

发光是物体内部以某种方式储存的能量转化为光辐射的过程。发光物体的光辐射是材料中受激发的电子跃迁到基态时产生的。半导体(主要是元素周期表中Ⅲ族和Ⅴ族元...

【半导体材料的 发光 机理是什么】作业帮

[最佳回答]发光是物体内部以某种方式储存的能量转化为光辐射的过程.发光物体的光辐射是材料中受激发的电子跃迁到基态时产生的.半导体(主要是元素周期表中Ⅲ族...

什么是光电器件?

光电器件是指根据光电效应制作的器件称为光电器件,也称光敏器件。光电器件的种类很多,但其工作原理都是建立在光电效应这一物理基础上的。光电器件的种类主要...

秋水 发光 刀怎么 发光 ?

秋水发光刀的发光原理是通过内部的荧光材料和电子器件来实现的。刀身内部嵌有一层荧光色材料,当荧光材料受到激发后,会发出强烈的鲜艳光芒。手柄部分则装有电...

【光电鼠标的 原理 就是利用 发光 二极管照射鼠标垫(如图),并被...

[最佳回答](1)当发光二极管的光照射在粗糙的鼠标垫上时,反射光线射向各个方向,会发生漫反射;(2)感应器连续拍摄鼠标垫表面所成的像是利用二倍焦距以外的物体成...

led光柱的工作 原理 应用 是什么_住范儿家装官网

LED光柱显示器工作原理以GZQ—64-2P型LED光柱显示器为例。由发光二极管组成两个8×8的矩阵,每个矩阵构成一根光柱,并有两只发光二极管(D0及D0′)...

发光 二极管的主要功能是什么,它与普通指示灯比较有什么优点...

首先你要搞明白什么是发光二极管:发光二极管是一种固态的半导体器件,它可以直接把电转化为光。LED的心脏是一个半导体的晶片,晶片的一端附在一个支...

led自闪 原理 ?

LED(LightEmittingDiode),发光二极管,是一种固态的半导体器件,它可以直接把电转化为光。LED的心脏是一个半导体的晶片,晶片固定在一个支架上,一端是负极...

标签:

相关阅读