电力电子整流技术的应用 最全二极管应用分析系列——整流篇

小编头像

小编

管理员

发布于:2025年05月05日

104 阅读 · 0 评论

最全二极管应用分析系列——整流篇

二极管的基本应用——整流

二极管的单向导电性使其在整流、限幅、钳位、开关、检波和续流等电路中有着广泛的应用。

整流电路

1、什么是整流?

答:在电力电子应用中,将交流电变换为直流电的这种AC/DC(Alternating Current / Direct Current)变换被称为整流(rectification)。利用二极管的单向导电性可以实现整流。

2、整流电路有哪些?

答:常用的整流电路按照输入交流电源的类型分为单相和三相。按照输出波形的类型分为半波、全波和桥式等。

3、整流电路的工作原理是什么?

单相整流电路

单相半波整流电路

电路:

工作原理:

u2正半周,D导通, A→D→RL→B,uO= u2 。

u2负半周,D截止,承受反向电压, uO=0。

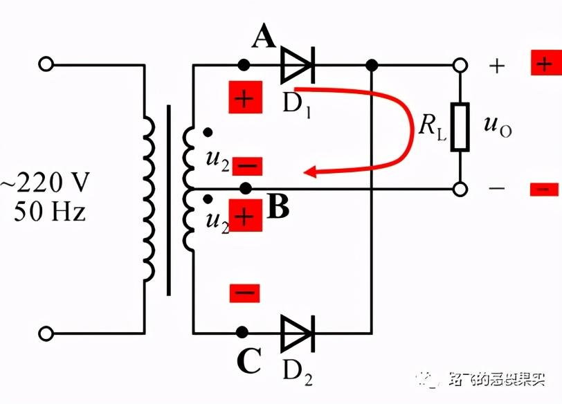
单相全波整流电路

电路:

工作原理:

u2正半周,D1导通, D2截止, A→D1→RL→B,

uO= u2 。

u2负半周,D1截止, D2导通, C→ D2 →RL→B,

uO= |u2|。

单相桥式整流电路

电路:

工作原理:

u2正半周,D1、D3导通, D2 、D4截止, uO= u2 。

u2负半周,D1、D3截止, D2 、D4导通, uO= |u2| 。

三相整流电路

三相半波整流电路

电路:

工作原理:

0~t1期间, u2C> u2A > u2B,D3导通, D1、D2截止,u2C+→D3 → RL → u2C﹣,uO= u2C。

t1 ~t2期间, u2A 最大,D1导通, D2、D3截止,

u2A+→D3 → RL → u2A﹣,uO= u2A。

t2~t3期间, u2B最大,D2导通, D1、D3截止,

u2B+→D3 → RL → u2B﹣,uO= u2B。

三相桥式整流电路

电路:

工作原理:

0~t1期间, u2A 、u2C正半周,且u2A <u2C , u2B负半周,即C点电位最高,A点次之,B点最低。

D3、D5导通, D1、D2、D4、D6截止,

C→ D3 → RL → D5 →B,uO= u2CB 。

t1~t2期间,A点电位最高,C点次之,B点最低。

D1、D5导通, D2、D3、D4、D6截止,

A→ D1 → RL → D5 →B,uO= u2AB 。

t2~t3期间,A点电位最高,B点次之,C点最低。

D1、D4导通, D2、D3、D5、D6截止,

A→ D1 → RL → D4 →C,uO= u2AC 。

总结

单相半波整流电路

单相全波整流电路

单相桥式整流电路

三相半波整流电路

三相桥式整流电路

内容转载自 网络,仅供学习交流使用,如有侵权,请联系删除。如果你还想了解更多关于电子元器件的相关知识及电子元器件行业实时市场信息,敬请关注微信公众号 【上海衡丽贸易有限公司】

整流变压器的3种用途

整流变压器作为整流设备的变压器被广泛的应用,那么它有哪3种具体的用途呢? 一、电化学工业 这是整流变压器应用最多的行业,比如电解有色金属化合物来制取铝、镁、铜及其它金属;电解水来制取氢和氧等。 二、传动用直流电源 其主要是用来为电力传动中的直流电机供电,如轧钢机的电枢和励磁系统。 三、牵引用直流电源 整流变压器还用于矿山或城市电力机车的直流电网系统中。由于电力机车经常启停会造成不同程度的短时过载,因此这类变压器的温升限值和电流密度均取得较低。 如果想了解更多关于整流变压器的相关内容,请关注华兴特变官网。

相关问答

四大变流 技术 ?

“变流”通常可以分为四大类,即交流变直流(整流),直流变交流(逆变),交流变交流(变频、变相),直流变直流(斩波)。变流技术与其相关的控制技术是密不...“变流...

整流 回馈装置干什么的?

整流回馈装置是一种用于电力系统中的设备,其主要功能是将交流电转换为直流电,并将其反馈到电源系统中。它可以用于稳定电压和频率,提高电力系统的效率和稳定性...

电力电子技术 这门学科在现实中有什么 应用 ?

电力电子技术这门学科在现实生活中有很大的用处。生活中随随便便的电器都能用到电力电子技术相关的知识。我们生活中,冰箱,电视洗衣机,微波炉,所有用电的地...

ss3-4000型 电力 机车硅 整流 装置有什么作用?

硅整流装置:是一种以可控硅(晶闸管)为基础,以智能数字控制电路为核心的交流变直流的可控整流电器。简称整流装置。又称晶闸管整流装置、可控硅整流装置等。具...

ups 整流 器功能?

UPS不间断电源系统组成,整流器在UPS电源中的作用。UPS不间断电源含有储能设备,以整流器和逆变器为首要组成部分,为变电站内监控系统、自动化仪表、远方通讯系...

目前 电力电子 在电力系统 应用 主要有哪些前沿的研究热点?

电力系统的发电环节涉及发电机组的多种设备,电力电子技术的应用以改善这些设备的运行特性为主要目的。(一)大型发电机的静止励磁控制。静止励磁采用晶闸管...

整流 变压器有什么用处?

[回答]放大器的级间耦合,除了阻容耦合、直接耦合外,还有变压器耦合,既能改变阻抗,又能隔除直流。只是变压器的体积大,频率特性差,现在用得很少。在电力系...

dcdc同步 整流 原理?

1、DC-DC同步整流原理是通过控制两个半导体开关的开关时间,对电路中的直流电进行分时控制,实现将输入直流电转换成输出直流电的过程。2、在DC-DC同步整流中,通...

什么是 电力电子技术 ?

电力电子技术是一门研究利用半导体电力电子器件进行电能转换和控制的学科。它主要关注将电能从一种形式转换为另一种形式,比如从交流(AC)转换为直流(DC),或...

可控硅的功能?

可控硅的主要功能是控制交流电的导通和关断,实现交流电的无触点控制。可控硅广泛应用于电力电子技术领域,如变频器、调光器、软启动器、功率因数校正器等设备...

标签:

相关阅读