电子技术应用电源 6大常用电源设计电路,电源工程师必备知识宝典

小编头像

小编

管理员

发布于:2025年05月05日

103 阅读 · 0 评论

6大常用电源设计电路,电源工程师必备知识宝典

电子信息技术的飞速发展推动了电源技术这一领域的飞速前进,同时也给电源工程技术人员带来了前所未有的机遇和挑战,小到家用电器,大到大型电力行业所用的仪器设备,无不需要电源来提供能源,这也更需要大量具有电源专业知识水平的工程师来完成设计和开发。

而电源工程师主要是指从事开关、通讯、设备等电源的设计与研发工作的相关人员。

那么,一个成熟的电源工程师是怎样工作的呢?主要有十点:

一:接手电源设计要求!评估成本,定可行性方案。

二:根据客户报价!给定大体的元件成本与生产成本,可行性电路。

三:构想出原理图!确定所选取的功率管,变压器,最稳定最简单生产又方便的原理方案。

四:根据原理图,客户给定的样板要求或外壳要求设计PCB。

五:根据原理图,装配合适元件,对电器参数调整。让本机在最低要求下能正常工作。

六:上负载测试,功率达80测式,检查输出波形,电压要求,电磁性能,功率管温度,电压稳定度,转换效率。在这一个过程中,对电子元件进行合适的参数调整。

七:强化测试!也就是超负荷,短路,低压,过压,强温,防震等测试。

八:根据样板确定原理图准确的参数,定好方位图,物料图,发给生产部,仓管,跟单员,对样板进行小批量生产。

九:对样板进行严格测试,各种性能OK,由业务员发给客户评估。OK了,可以量产。

十:以后生产对项目进行跟踪,改良,以最短时间,最好质量给客户出货。

作为一名合格的电源工程师平时工作经验的积累很重要,但同时也应该提高理论水平,通过积累几个常用的电源电路,说不定下次就能用上,真是学习吧!

1、反激式电源中的铁氧体磁放大器对于两个输出端都提供实际功率(5V 2A和12V 3A),两者都可实现± 5%调节)的双路输出反激式电源来说,当电压达到12V时会进入零负载状态,而无法在5%限度内进行调节。线性稳压器是一个可实行的解决方案,但由于价格昂贵且会降低效率,仍不是理想的解决方案。

我们建议的解决方案是在12V输出端使用一个磁放大器,即便是反激式拓扑结构也可使用。为了降低成本,建议使用铁氧体磁放大器。然而,铁氧体磁放大器的控制电路与传统的矩形磁滞回线材料(高磁导率材料)的控制电路有所不用。铁氧体的控制电路(D1和Q1)可吸收电流以便维持输出端供电。该电路已经过全面测试。变压器绕组设计为5V和13V输出。该电路在实现12V输出± 5%调节的同时,甚至还可以达到低于1W的输入功率(5V 300 mW和12V零负载)。

图1

2、使用现有的消弧电路提供过流保护 考虑一下5V 2A和12V 3A反激式电源。该电源的关键规范之一便是当12V输出端达到空载或负载极轻时,对5V输出端提供过功率保护(OPP)。这两个输出端都提出了± 5%的电压调节要求。

对于通常的解决方案来说,使用检测电阻会降低交叉稳压性能,并且保险丝的价格也不菲。而现在已经有了用于过压保护(OVP)的消弧电路。该电路能够同时满足OPP和稳压要求,使用部分消弧电路即可实现该功能。

从图2可以看出,R1和VR1形成了一个12V输出端有源假负载,这样可以在12V输出端轻载时实现12V电压调节。在5V输出端处于过载情况下时,5V输出端上的电压将会下降。假负载会吸收大量电流。R1上的电压下降可用来检测这一大量电流。Q1导通并触发OPP电路。

图2

3、有源并联稳压器与假负载在线电压AC到低压DC的开关电源产品领域中,反激式是目前最流行的拓扑结构。这其中的一个主要原因是其独有的成本效益,只需向变压器次级添加额外的绕组即可提供多路输出电压。

通常,反馈来自对输出容差有最严格要求的输出端。然后,该输出端会定义所有其它次级绕组的每伏圈数。由于漏感效应的存在,输出端不能始终获得所需的输出电压交叉稳压,特别是在给定输出端因其它输出端满载而可能无负载或负载极轻的情况下更是如此。

可以使用后级稳压器或假负载来防止输出端电压在此类情况下升高。然而,由于后级稳压器或假负载会造成成本增加和效率降低,因而它们缺乏足够的吸引力,特别是在近年来对多种消费类应用中的空载和/或待机输入功耗的法规要求越来越严格的情况下,这一设计开始受到冷落。图3中所示的有源并联稳压器不仅可以解决稳压问题,还能够最大限度地降低成本和效率影响。

图3:用于多路输出反激式转换器的有源并联稳压器。

该电路的工作方式如下:两个输出端都处于稳压范围时,电阻分压器R14和R13会偏置三极管Q5,进而使Q4和Q1保持在关断状态。在这样的工作条件下,流经Q5的电流便充当5V输出端很小的假负载。

5V输出端与3.3V输出端的标准差异为1.7V。当负载要求从3.3V输出端获得额外的电流,而从5V输出端输出的负载电流并未等量增加时,其输出电压与3.3V输出端的电压相比将会升高。由于电压差异约超过100 mV,Q5将偏置截止,从而导通Q4和Q1并允许电流从5V输出端流到3.3V输出端。该电流将降低5V输出端的电压,进而缩小两个输出端之间的电压差异。

Q1中的电流量由两个输出端的电压差异决定。因此,该电路可以使两个输出端均保持稳压,而不受其负载的影响,即使在3.3V输出端满载而5V输出端无负载这样最差的情况下,仍能保持稳压。设计中的Q5和Q4可以提供温度补偿,这是由于每个三极管中的VBE温度变化都可以彼此抵消。二极管D8和D9不是必需的器件,但可用于降低Q1中的功率耗散,从而无需在设计添加散热片。

该电路只对两个电压之间的相对差异作出反应,在满载和轻负载条件下基本不起作用。由于并联稳压器是从5V输出端连接到3.3V输出端,因此与接地的并联稳压器相比,该电路的有源耗散可以降低66%。其结果是在满载时保持高效率,从轻负载到无负载的功耗保持较低水平。

4、采用StackFET的高压输入开关电源使用三相交流电进行工作的工业设备常常需要一个可以为模拟和数字电路提供稳定低压直流电的辅助电源级。此类应用的范例包括工业传动器、UPS系统和能量计。

此类电源的规格比现成的标准开关所需的规格要严格得多。不仅这些应用中的输入电压更高,而且为工业环境中的三相应用所设计的设备还必须容许非常宽的波动—包括跌落时间延长、电涌以及一个或多个相的偶然丢失。而且,此类辅助电源的指定输入电压范围可以达到57 VAC至580 VAC之宽。

设计如此宽范围的开关电源可以说是一大挑战,主要在于高压MOSFET的成本较高以及传统的PWM控制环路的动态范围的限制。StackFET技术允许组合使用不太昂贵的、额定电压为600V的低压MOSFET和Power Integrations提供的集成电源控制器,这样便可设计出简单便宜并能够在宽输入电压范围内工作的开关电源。

图4:采用StackFET技术的三相输入3W开关电源。

该电路的工作方式如下:电路的输入端电流可以来自三相三线或四线系统,甚至来自单相系统。三相整流器由二极管D1-D8构成。电阻R1-R4可以提供浪涌电流限制。如果使用可熔电阻,这些电阻便可在故障期间安全断开,无需单独配备保险丝。pi滤波器由C5、C6、C7、C8和L1构成,可以过滤整流直流电压。

电阻R13和R15用于平衡输入滤波电容之间的电压。

当集成开关(U1)内的MOSFET导通时,Q1的源端将被拉低,R6、R7和R8将提供栅极电流,并且VR1到VR3的结电容将导通Q1。齐纳二极管VR4用于限制施加给Q1的栅极源电压。当U1内的MOSFET关断时,U1的最大化漏极电压将被一个由VR1、VR2和VR3构成的450 V箝位网络箝位。这会将U1的漏极电压限制到接近450 V。

与Q1相连的绕组结束时的任何额外电压都会被施加给Q1。这种设计可以有效地分配Q1和U1之间的整流输入直流电压和反激式电压总量。电阻R9用于限制开关切换期间的高频振荡,由于反激间隔期间存在漏感,箝位网络VR5、D9和R10则用于限制初级上的峰值电压。

输出整流由D1提供。C2为输出滤波器。L2和C3构成次级滤波器,以减小输出端的开关纹波。

当输出电压超过光耦二极管和VR6的总压降时,VR6将导通。输出电压的变化会导致流经U2内的光耦二极管的电流发生变化,进而改变流经U2B内的晶体管的电流。当此电流超出U1的FB引脚阈值电流时,将抑制下一个周期。输出稳压可以通过控制使能及抑制周期的数量来实现。一旦开关周期被开启,该周期便会在电流上升到U1的内部电流限制时结束。R11用于限制瞬态负载时流经光耦器的电流,以及调整反馈环路的增益。电阻R12用于偏置齐纳二极管VR6。

IC U1 (LNK 304)具有内置功能,因此可根据反馈信号消失、输出端短路以及过载对该电路提供保护。由于U1直接由其漏极引脚供电,因此不需要在变压器上添加额外的偏置绕组。C4用于提供内部电源去耦。

5、选择好的整流二极管可以简化AC/DC转换器中的EMI滤波器电路并降低其成本该电路可以简化AC/DC转换器中的EMI滤波器电路并降低其成本。

要使AC/DC电源符合EMI标准,就需要使用大量的EMI滤波器器件,例如X电容和Y电容。AC/DC电源的标准输入电路都包括一个桥式整流器,用于对输入电压进行整流(通常为50-60 Hz)。由于这是低频AC输入电压,因此可以使用如1N400X系列二极管等标准二极管,另一个原因是这些二极管的价格是最便宜的。

这些滤波器器件用于降低电源产生的EMI,以便符合已发布的EMI限制。然而,由于用来记录EMI的测量只在150 kHz时才开始,而AC线电压频率只有50或60 Hz,因此桥式整流器中使用的标准二极管(参见图1)的反向恢复时间较长,且通常与EMI产生没有直接关系。

然而,过去的输入滤波电路中有时会包括一些与桥式整流器并联的电容,用来抑制低频输入电压整流所造成的任何高频波形。

如果在桥式整流器中使用快速恢复二极管,就无需使用这些电容了。当这些二极管之间的电压开始反向时,它们的恢复速度非常快(参见图2)。这样通过降低随后的高频关断急变以及EMI,可以降低AC输入线中的杂散线路电感激励。由于2个二极管可以在每半个周期中实现导通,因此4个二极管中只需要2个是快速恢复类型即可。同样,在每半个周期进行导通的两个二极管中,只需要其中一个二极管具有快速恢复特性即可

图6:在AC输入端使用桥式整流器的SMPS的典型输入级。

图7:输入电压和电流波形显示了反向恢复结束时的二极管急变。

6、用软启动禁止低成本输出来遏制电流尖峰为满足严格的待机功耗规范要求,一些多路输出电源被设计为在待机信号为活动状态时断开输出连接。

通常情况下,通过关闭串联旁路双极晶体管(BJT)或MOSFET即可实现上述目的。对于低电流输出,如果在设计电源变压器时充分考虑到晶体管的额外压降情况,则BJT可成为MOSFET的合适替代品,且成本更为低廉。

图十所示为简单的BJT串联旁路开关,电压为12 V,输出电流强度为100 mA,并带有一超大电容(CLOAD)。晶体管Q1为串联旁路元件,由Q2根据待机信号的状态来控制其开关。电阻R1的值是额定的,这样可确保Q1有足够的基值电流在最小Beta和最大的输出电流下以饱和的状态工作。PI建议额外添加一个电容器(Cnew),用以调节导通时的瞬态电流。如果不添加Cnew,Q1在导通后即迅速进入电容性负载,并因而产生较大的电流尖峰。为调节该瞬态尖峰,需要增加Q1的容量,这便导致了成本的增加。

用作Q1额外“密勒电容”的Cnew可以消除电流尖峰。该额外电容可限制Q1集电极的dv/dt值。dv/dt值越小,流入Cload的充电电流就越少。为Cnew指定电容值,使得Q1的理想输出dv/dt值与Cnew值相乘等于流入R1的电流。

式2

图8:简单的软启动电路可以禁止待机时的电源输出,同时消除导通时的电流尖峰因此,可利用小型晶体管(Q1)来保持低成本

学完这些典型的电源电路,下面通过利用LM317制作简易电源设计电路。

一、LM317 简介

LM317是应用最为广泛的电源集成电路之一,它不仅具有固定式三端稳压电路的最简单形式,又具备输出电压可调的特点。此外,还具有调压范围宽、稳压性能好、噪声低、纹波抑制比高等优点。其主要性能参数如下。

输出电压:1.25-37V DC;输出电流:5mA-1.5A;芯片内部具有过热、过流、短路保护电路;最大输入-输出电压差:40V DC,最小输入-输出电压差:3V DC;使用环境温度:-10-+85℃ 。

图1给出了几种常用(不同封装形式)的LM317的外形及引脚排列图。

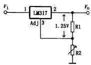
由于输出端(2脚)与调节输入端(3脚)之间的电压保持在1.25V,调整接在输出端与地之间的分压电阻R1和R2来改变ADJ端的电位,可以达到调节输出电压的目的,如图2所示,原理如下:

R1两端的1.25V恒定电压产生的恒定电流流过R1和R2,在R2上产生的电压加到ADJ端。此时,输出电压Vo取决于R1和R2的比值,当R2阻值增大时,输出电压升高,即:

Vo=1.25[(R1+R2)/R2]。

二、1.25-37V可调电源

原理图见图3。改变R1和R2的比值可使输出电压在1.25-37V之间连续可变。

V1和V2的作用是:当输出短路时,C2上的电压被V2泄放掉,从而达到反偏保护的目的。此外,当输入短路时,C3等元件上储存的电压会通过V1泄放,用于防止内部调整管反偏。C2用以提高IC的纹波抑制能力。C3用以改善IC的瞬态响应。C1用于输入整流滤波。在大电流输出时,IC会因温升过高而截止,必须加适当面积的散热器。R2应选用线性的电位器。

三、1.25-120V维修、实验电源

原理图见图4。电路由四块LM317组成,四组输出电势只通过R2进行调节。调节R2,IC4的输出电势在1.25-30V之间连续可变,同时,与之串联的IC1-IC3的输出电势也随之改变,从而得到1.25-120V间的四组直流稳定电压。

四、慢启动15V电源

原理图见图5。输出电压Vout通过R1、V1对C2充电。

开始时V1饱和导通,Vout最低(约1.5V)。随着C2上的电压升高,V1逐渐退出饱和并趋于截止,Vout逐渐升高至额定电压。改变R1、C2的常数可改变软启动的时间。D1用于关机后使C2上的电荷快速泄放。改变R2的值,可调整输出电压Vout的值,图示参数输出电压为15V。图中V1可用9012替换。

五、TTL电平控制的5V电源

原理图见图6。当外来的TTL控制信号使V1截止时,输出电压为5V。同样,改变R2使的值可获得不同的电压输出。V1可用9013等NPN管替换。

声明:以上文章内容整理于网络,如涉及到版权问题,请第一时间与我们联系。这里是电子工程师学习天地,同时欢迎大家留言评论一起交流~

顺络电子:广泛应用于电源管理及信号处理供应高性能元器件

金融界9月26日消息,有投资者在互动平台向顺络电子提问:黎巴嫩BB机事件引发全球关注,暴露电子产品安全隐患。技术角度看,设备被改装为危险品需解决触发机制和安全问题。该事件提醒我们,硬件供应链必须自主、安全、可控,以确保产品从生产到销售的全过程安全。未来,全球市场将更重视构建安全、自主的供应链体系,顺络作为全球领先的电子元器件厂商,在安全硬件以及自主可控可靠上能提供什么解决方案?谢谢!

公司回答表示:公司产品属于基础电子元器件,广泛应用于电源管理及信号处理等场景。可向行业大客户提供各类高性能的元器件,可以深度参与大客户关于硬件以及自主可控可靠方案中。

本文源自金融界

相关问答

...搏器 电源 、高级石英手表等都已使用锂电池。某种锂电池_作业帮

[最佳回答]Li(1分)3SOCl2+8e-=6Cl-+SO32-+2S(2分)8Li-8e-=8Li+(2分)

标签:

相关阅读