延寿应用电子技术 揭秘|“悟空”号卫星太空“延寿”,离不开地上的“大管家”

小编头像

小编

管理员

发布于:2026年04月14日

105 阅读 · 0 评论

揭秘|“悟空”号卫星太空“延寿”,离不开地上的“大管家”

截至2021年12月17日,“悟空”号卫星已在轨飞行了整整6年。

作为中国科学院空间科学先导专项一期发射的首颗卫星,“悟空”的设计寿命本来只有3年,但直到现在,6岁的“悟空”仍然保持着旺盛而充沛的活力,继续为人类望向深邃的宇宙。

目前,空间科学先导专项已成功发射了7颗科学卫星。中国科学院国家空间科学中心科学卫星综合运控中心,便是这些科学卫星在地面上的“大管家”。

中国科学院国家空间科学中心科学卫星综合运控中心

科学卫星“遥控者”

2015年12月17日清晨,酒泉卫星发射中心。

朝霞还挂在天边,长征二号丁运载火箭划破长空,把“悟空”卫星顺利送入预定轨道。

《西游记》中,齐天大圣孙悟空一个跟头就能翻出十万八千里,并有着锐利的“火眼金睛”,“悟空”卫星当然也是名副其实。

“悟空”卫星,全名为暗物质粒子探测卫星,是中国科学院空间科学战略性先导科技专项一期首批立项研制的4颗科学卫星之一,也是世界上观测能段范围最宽、能量分辨率最优的暗物质粒子探测卫星。 它每95分钟就绕地球一圈,每天能观测到宇宙中的500万个高能粒子。

资料图片。

长1.5米、宽1.5米、高1.2米,整体质量1.85吨,从尺寸来看,“悟空”比一张办公桌大不了多少。不过可千万别小看它,“悟空”小巧的身体里搭载了近8万个小探测器,它们是“悟空”的“火眼金睛”,探测的目标则是在宇宙中占比超过四分之一,却对人类“隐身”的暗物质。

当然,“悟空”收集探测的并非暗物质本身,而是暗物质粒子碰撞后产生的高能伽马射线、电子和宇宙射线等“蛛丝马迹”,研究人员对收集到的数据开展科学分析,便能间接找到暗物质存在的证据。

高能粒子一旦“撞”上探测器,其产生的科学数据会在第一时间被记录存储。待飞经我国上空时,“悟空”会迅速与位于新疆喀什、海南三亚、北京密云的3个地面站点建立天地通信链路。科学数据沿着这条通道传送到地面,并汇总至位于北京怀柔科学城的科学卫星综合运控中心。

过去,我国卫星的运控模式是一星对应一个地面系统,虽然能够增强运行管理的针对性,但也存在资源配置效率、数据共享不足等短板。

中国科学院国家空间科学中心是中国科学院空间科学先导专项的抓总单位,目前已经成功发射并在轨运行的科学卫星除“悟空”外,还有“墨子号”“实践十号”“慧眼”“太极一号”“怀柔一号”,以及纳入专项管理的可持续发展科学卫星1号。为了更高效地开展卫星在轨管理,国家空间科学中心成立了科学卫星综合运控中心,支持保障所有项目卫星的日常在轨运行。

作为连接卫星和科学用户的桥梁和枢纽,运控中心组建了两个重要团队——空间科学任务中心和数据中心,分别承担卫星运行管理和科学数据处理工作。

科学数据“整理师”

科学卫星的发射,目的是为了观测太空,获取科学数据。虽然天地之间没有“网线”连接,但卫星下传数据的速度可不慢,能够达到每秒150兆至300兆,峰值甚至可达每秒1600兆,未来的“网速”还将更加可观。而率先对这些数据进行处理的,便是数据中心。

同时管理多颗卫星,数据中心每天接收到的数据是海量的,仅“悟空”一颗卫星,每天就要向地面下传约16GB的原始科学数据。而这些原始数据并不能直接用于科学研究和分析,需要经过数据中心处理,才能供科学家开展后续研究工作。

“每一份科学数据都不能丢!”数据中心工作人员马福利每天的工作,就是和这些在外人眼中的“一串乱码”打交道。收到原始科学数据后,他首先要解压缩并提取有效的数据源包,确认数据片段没有缺失,随后再进行排序、时间校正、物理量转换、参数解算等一系列处理,以确保生产的科学数据产品的完整性和正确性。目前,数据中心管理的所有在轨卫星科学数据都实现了落地后100%正确处理。

科学数据产品正确生产后,马福利要向不同卫星的科学用户分发产品,并同步将原始数据以及各级数据产品保存至科学卫星数据库。

中科院国家空间科学中心副主任邹自明表示,卫星科学数据的分散存储,不利于科学数据的高效管理和开放应用,科学家使用起来多有不便。建立国家级的空间科学数据中心,就是要为科学家方便使用空间科学数据架起一座桥梁、搭建一个平台,让科学数据发挥更大价值。

鉴于此,中科院国家空间科学中心推动建立了国家空间科学数据中心,这是我国空间科学领域唯一的国家级科学数据中心。目前,数据中心建立了覆盖数据全生命周期的业务系统,实现卫星科学数据自动化实时处理、快速可视、存储管理、归档发布和安全永久保存,在国际上已具有一定的影响力。空间科学先导专项卫星任务的科学数据,在这里都能在线检索,随着在轨科学卫星数量和科学数据量的增加,数据库内容将不断丰富。

“数据处理与管理是开展科学研究的基础性工作,没有基础,就没有高楼大厦。基础打得越牢越实,科学皇冠上结出的明珠才能越多越亮。”邹自明说。

快速应答“护航者”

卫星在太空遨游的旅程并不都是一帆风顺,事实上,它们每时每刻都面临着来自太空的威胁。空间碎片、宇宙风暴、高能粒子……这些都可能影响到卫星的正常运行,而保障卫星稳定正常工作并能指挥卫星动作的,便是任务中心。

“任务中心是确保空间科学卫星在轨安全、可靠、高效运行的主要责任部门。”邹自明介绍,平日里,任务中心像是卫星的“保健医生”,时刻监控卫星的健康状况, 并采用人工智能和大数据等新技术,尽可能评估和预测卫星未来状况,做到心中有数。

邹自明

在任务中心的大屏幕上,各在轨科学卫星的关键信息一目了然。卫星在回传科学数据的同时,其自身的运行状态数据也会同步向地面“汇报”。日积月累,任务中心便建立起了一套卫星及载荷的“全生命周期健康档案”。

卫星在轨时间长了,有个“小病小灾”肯定难免,相应的处置行动自然也是越快越好。但“隔空诊断”绝非易事,要在短时间内精准找到“病灶”,并且“药到病除”,更是需要丰富的理论知识和运行经验作为支撑。 6年多来,随着任务中心团队处置经验的丰富和应急预案的不断完善,对突发情况的响应也越发迅速准确。

2021年5月,“悟空”进入了“长地影”工作模式,即卫星每一圈都会长时间地进入太阳照不到的阴影区。由于卫星主要的电力来源是太阳能电池板供电,“长地影”模式下,需要调整卫星的用电策略,否则就会因电力不足导致载荷无法工作。

任务中心对此胸有成竹。早在2018年,他们就有针对性地制定了“悟空”卫星载荷处置预案。本次“长地影”模式处置,任务中心高级工程师白萌和同事提早与卫星研制方及各载荷单位联系,及时对处置方案进行了确认。

十六进制字符串指令,是任务中心与卫星沟通的语言。载荷重新加电、初始化、恢复正常观测模式、事件表、数传星历表……一条条指令从任务中心迅速发送至地面站点,并通过天地链路传输到“悟空”的“大脑”。几百条指令,将“悟空”所有载荷调整到最新工作状态,确保其继续稳定执行科学观测任务。

在星地测控资源充足的情况下,任务中心对卫星的操控可达“分钟级响应”。这一点对于科学卫星来说极为重要,一旦发生未被列入日常观测计划的科学机遇性事件,需要临时开展应急观测时,任务中心要及时上传指令,指挥卫星转换姿态,对准观测目标。

在极光干涉引力波天文台和室女座引力波天文台首次发现双中子星合并引力波事件中,通过“分钟级响应”,我国第一颗空间X射线天文卫星——“慧眼”对该事件进行了成功监测

资料图片。

2017年8月18日零时58分,“慧眼”将日常观测任务的科学数据传至地面。数据产品2分钟内分发至科学家团队。经过数据分析,科学家发现,某天区可能存在引力波爆发,于是紧急与运控中心取得联系。

1时40分,“需安排两次小天区观测”的应急科学计划提交。任务中心在10分钟内迅速完成科学计划的接收、审核、指令编制、指令反演、复核。

1时50分,应急指令顺利上传至“慧眼”,对指定天区开展观测。

2时44分,“慧眼”回传首批引力波事件观测数据。

2时49分,数据预处理完成,生成第一批科学数据产品。

3时,事件全部科学数据产品生产、分发完成。

行云流水的操控,保障了科学家在第一时间拿到第一手数据,迅速开展科研工作。当晚,数据中心总计提供事件发生期间的科学数据产品1059个,共23.17GB。

“慧眼”的观测,为全面理解该引力波事件和引力波闪的物理机制做出了重要贡献。而此时,立了大功的“慧眼”刚刚在轨试运行2个月,还处在磨合的“试用期”。它出色的表现,得益于运控中心强大的技术平台支持,各单位之间完善敏捷的协同工作流程,以及卫星载荷灵敏、强大的功能。

在空间科学先导二期后续任务中,计划发射的天基多波段空间变源监视器卫星和爱因斯坦探针卫星将具备通过“北斗”系统即时上传数据的能力,这将极大地提高运控中心的应急响应能力。

养生保健“护理师”

一颗卫星到底能在太空中工作多久?这是一笔经济账,也是一笔科学账。

科学卫星是一个多系统协同工作的装置。在项目建设之初,科学家会根据卫星需要完成的科学任务目标,为它制定一个“寿命”期限,内部的各载荷单位再比照这一标准各自进行设计制造。

增加卫星的设计寿命,意味着其研制成本也将大幅增加。但如果卫星在轨运行得到有效维护,其在轨服役超出预期的设计寿命,便能够大大节约观测所需的成本。而超过设计寿命后,卫星究竟能够继续健康工作多久,就更加依赖于地面系统的监测、管理和保障,尽量延长它们的工作时间。

经过权衡,“悟空”在建造时,任务时限被确定为3年,其实际造价远低于国外的同类探测器。

卫星是否能延寿在轨运行,需要经过严格的评估与技术专家的评审。经过3次延寿评审的“悟空”,实际在轨工作时间已经达到了设计寿命的两倍,其整星指标评定依然是100分,这意味着,“悟空”一直保持着完美的工作状态。这证明了在前期研制过程中,大到卫星设计、载荷管理,小到一颗螺丝、一次焊接,“悟空”的每一个细节都已经做到了极致。

在什么情况下,卫星会被评估为无法继续工作? 评估需要从两个层面开展。首先,如果卫星的科学目标达成,它的使命就完成了。而如果随着卫星在轨时间的延长,其“生病”频率越来越高,甚至出现了一些常驻故障,经过评估,卫星和载荷的状态不宜继续工作,任务期便宣告结束。若能开展良好的日常管理,及时处置小意外,便能有效帮助卫星延缓衰老。

6年来,“悟空”的每个载荷的变化波动范围都极小,工作状态十分稳定。根据载荷工作原理,其在轨观测时间越长,积累的数据越多,观测精度便越高。“悟空”持续在轨工作,将有助于科学家稳定利用科学数据,开展更加连贯深入的科研工作,产出更高价值的科研成果。

“数据需要长期积累、长期观测,这对于科学研究来说非常关键。”邹自明表示,将科学现象通过仪器观测转化为科学数据,这个过程受到很多条件的制约,其中最关键的问题之一,便是不同的仪器之间一定存在细微差异。同一个装置的持续观测,能够尽可能减少这些差异,为科学研究长时间提供质量良好、稳定的科学数据。很多地面上的望远镜,观测周期可达几十年。

6岁的“悟空”,每天依然稳定地回传着数据,由它的观测数据绘成的世界上迄今为止最精确的高能电子宇宙线能谱和高能氦原子核宇宙射线能谱,都在不断成长得更加精确,这标志着我国的空间高能粒子探测研究已跻身世界最前列

基于“悟空”的长期观测数据,我国科学家发现电子宇宙射线能谱在1.4万亿电子伏特能量处产生了一个“拐折”,此前这一异常波动从未被人类观测到。而新近发现的“先上翘后下降”能谱结构,预示可能存在一处未知的宇宙射线源,还有待后续研究明确。

太空观测“远望者”

在轨科学卫星遇到的大小事件,都依靠运控中心团队管理,随着在轨卫星数量增多,运行管理压力也随之增加。为了提高卫星运控效率,运控中心以基础运行平台为根基,针对不同的卫星保障需求优化专用软件,形成了“公共平台+任务插件”的技术体系。对日后新发射卫星的运行管理,只要对现有系统进行适应性改造,再新研少量的专用软件即可满足要求,大大节约了资源和成本。

邹自明表示,未来的深空探测任务,由于受到空间距离、信道速率等因素的制约,运控中心必须不断升级现有系统以更好地提供支撑。而且,随着我国空间科学卫星在轨数量的增多,运控中心需要大规模采用人工智能、机器学习、大数据、云平台等技术,才能让科学卫星的日常运控工作更加智能和可靠。

目前,运控中心团队的平均年龄不过36岁,年轻的团队具备强大的科研创新能力。 邹自明满怀期待地表示,未来5到10年内,我们有望建立我国自主可控的科学卫星智能管控和数据应用生态系统,打造我国自有知识产权的科学任务规划、载荷健康管理、数据处理与分析工具等,推动数据资源和软件工具的共建共享,让宝贵的科学卫星和科学数据发挥出更大的作用。

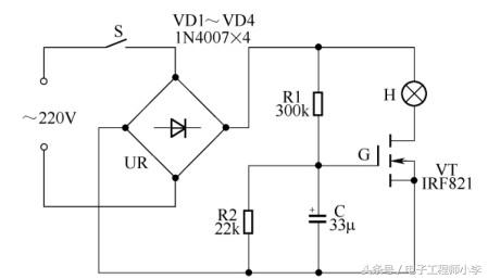
照明实用线路-白炽灯软启动延寿电路

白炽灯灯丝的热阻较大而冷阻很小,所以在开灯瞬间,流过灯丝的冲击电流很大,很容易使灯丝烧毁。采用延寿控制电路能使灯泡使用寿命大大延长。

白炽灯软启动延寿电路如图1-1所示。

图1-1 白炽灯软启动延寿电路

工作原理

合上电源开关S,220V交流电经桥式整流电路UR整流后,供大功率场效应半导体管(本书简称场效应管)VT 及其控制电路使用。由于闭合开关S瞬间,电容C两端电压为零且不能突变,场效应管的G极没有触发电压,VT处于截止状态,电灯H不能马上点亮。随着时间的推移,电容器C通过电阻R1获得电能累积,其端电压不断升高,VT的G极电压逐渐加大,当达到一定值时,VT由截止状态转向饱和状态,其漏极电流由零起逐渐增大至灯泡额定电流,从而避免了开灯瞬间,由于灯丝冷态电阻很小而造成强电流对灯丝的冲击,使电源电压随着灯丝温度的逐渐升高,而慢慢加到灯泡的两端。

电路中,VT 由截止变为饱和导通的时间,即为灯泡的软启动时间,按图中元件参数,时间约为1.5s。电灯正常发光后,由于VT处于深度饱和状态,其管压降小于1.5V,加之桥式整流块UR产生的管压降也不足1.4V,故开关电路自身耗电甚微,灯泡H 的亮度与直接接在220V交流电两端时一样。

该控制器所接负载即灯泡H的功率以不超过100W为宜。

相关问答

美军为何要将B52 延寿 至本世纪40年代?

美国的B52轰炸机是美国三款现役战略轰炸机中最老的一个机型了,但是这款轰炸机,机器老但是心不老,美国一直在对其进行各种升级改造,尤其是航电系统、地图导航...

求一些军事用语英文缩写,像ETA,IED,ASAP,LZ之类的_作业帮

[回答]美军常用术语简写:A:Attacker=攻击机AA:Anti-Air=防空AAA:Anti-AirArtillery=高射炮AAAV:AdvancedAmphibiousAss...

帮个忙各位大神,有谁明白!! 延寿 排名靠前美术集训学校,美术...

[回答]全国示范性高职这是教育部首批颂的高职211名单,一共二十八所!天津职业大学天津吉林黑龙江建筑职业技术学院上海南京工业职业技术学院江苏无锡职业技...

九华山自驾游一日游求推荐?_马蜂窝问答 - 马蜂窝

[回答]九华山祈福详细攻略➤交通出行1、自驾国家法定节假日以及佛教节日实施交通管制,其它工作日可以正常自驾上山,通常假期开始前一天下午1...

飞起来都掉零件,日本雄心勃勃的F-15J升级计划还有参考价值吗?

所以日本对F-15J升级计划中,不打算对1988年前的批次进行升级,等F-35到货后直接退役掉,1988年之后生产的98架F-15J/DJ才进行升级延寿。美国的F-15战斗机本身是...

推荐几个靠谱的打鱼平台正版APPv7.0.16

沈晨LV45县尉New大连地铁线路图1号线89分钟前来自平山区网友点赞王水平LV53县尉New应用电子技术电子技术在生产中的应用3分钟前来自北镇市网友点赞赵婷婷LV...

中国腐蚀与防护学会联合北京科技大学新材料 技术 研究院在北...

[最佳回答](1)A.海轮船体上钉上锌块,可以保护铁不被锈蚀;B.在钢铁制造的船表面刷环保油漆可以保护铁不被锈蚀;C.在铁制品表面镀锌可以保护铁不被锈蚀;D.常用自...

问一下, 延寿 驾驶员学校哪家正规,驾驶员学校服务态度怎么样??

[回答]中专学校好不好得看能否在学校里学到东西学到技能,来安徽新学技能+提高学历一步到位,学现在热门的专业,毕业后安排就业无需操心就业问题哈尔滨市盛...

土当归怎么吃,美味又健康?

食用土当归五加科,楤木属,多年生草本。在我国主要分布于湖北、安徽、江苏、广西、江西、福建、和台湾。生长在林荫下或山坡草丛中,海拔1300~1600米。下面我...

在手机上自己办理了 电子 居住证怎么能取消-找法网

法律咨询在手机上自己办理了电子居住证怎么能取消婚姻家庭遭遇法律难题?点击为...延寿县律师依兰县律师道里区律师南岗区律师道外区律师平房区律师松北区...

标签:

相关阅读