金属电子溢出功的应用 光电效应及技术应用

小编头像

小编

管理员

发布于:2026年04月14日

110 阅读 · 0 评论

光电效应及技术应用

光电效应是指当光(通常是紫外线或可见光)照射到金属表面时,能够使金属释放出电子的现象。这一效应由阿尔伯特·爱因斯坦在1905年提出理论解释,为其赢得了1921年的诺贝尔物理学奖。爱因斯坦的解释基于量子理论,他提出光可以被看作是一系列的粒子(即光子),每个光子携带一定的能量,当光子的能量足够时,可以克服金属内电子的逸出功,使电子逸出金属表面。

光电效应的基本原理

光子能量 :光子的能量必须大于或等于金属的逸出功(即使电子从金属表面逸出所需的最小能量)。

电子逸出 :当光子撞击金属表面,其能量被电子吸收。如果这个能量大于逸出功,电子就会被释放出金属表面。电流产生 :逸出的电子可以形成电流,这个过程可以被外部电路检测到。

光电效应的技术应用

光电效应在许多现代技术中有着广泛的应用,包括:

光电池 :也称为太阳能电池,它们利用光电效应将太阳光转换为电能。当光照射到半导体材料(如硅)时,产生的光生电子-空穴对可以被用来产生电流。光电管 :在安全系统、自动门和各种传感器中广泛使用。光电管利用光电效应来检测光线的变化,当光线被物体遮挡时,通过改变通过管子的电流来触发响应。光电倍增管 :这种设备用于检测极低强度的光(如单个光子),在医学成像(如PET扫描)、天文学和粒子物理学研究中非常重要。摄像机 :早期摄像机中的摄像管利用光电效应将光信号转换为电信号。虽然现代摄像机多使用半导体图像传感器,但原理类似。烟雾探测器 :某些类型的烟雾探测器使用光电效应来检测空气中的烟雾颗粒。当烟雾进入探测室时,它会散射或吸收光线,从而改变通过探测器的光强度,触发警报。科学研究 :在物理和化学的实验研究中,光电效应被用来研究物质的性质,如能级、分子结构和反应动力学。

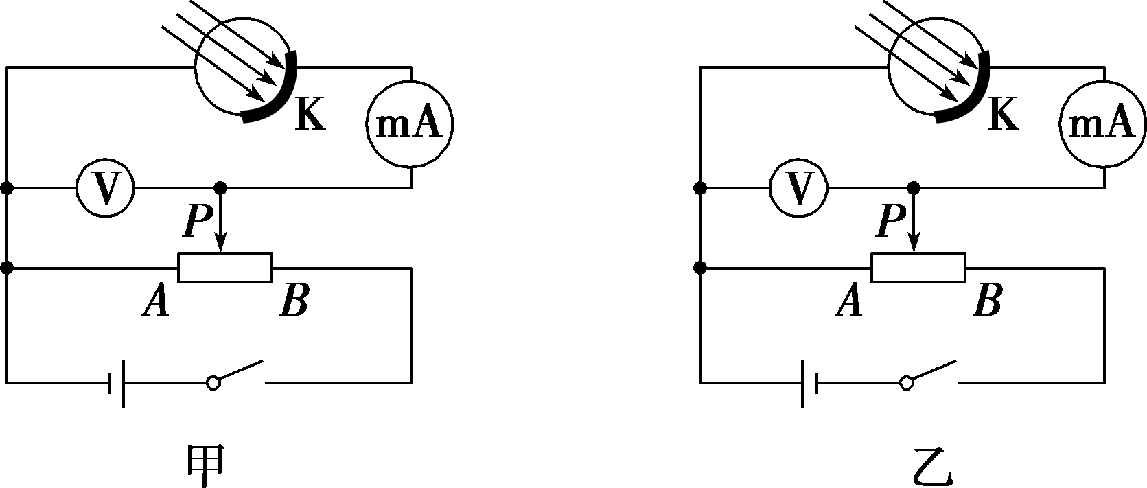
结论

光电效应不仅是现代物理学的一个基本概念,而且其应用跨越了从能源生产到科学研究等多个领域。这种效应的发现和应用是理解和利用量子现象的重要步骤,对技术进步产生了深远影响。

高二物理下学期暑假训练7光电效应含解析

光电效应

1.如图所示,当一束一定强度某一频率的黄光照射到光电管阴极K上时,此时滑片P处于A、B中点,电流表中有电流通过,则(  )

A.若将滑动触头P向B端移动时,电流表读数有可能不变

B.若将滑动触头P向A端移动时,电流表读数一定增大

C.若用红外线照射阴极K时,电流表中一定没有电流通过

D.若用一束强度相同的紫外线照射阴极K时,电流表读数不变

2.在某次光电效应实验中,得到的遏止电压Uc与入射光的频率ν的关系如图所示.若该直线的斜率和纵轴截距分别为k和b,电子电荷量的绝对值为e,则普朗克常量可表示为________,所用材料的逸出功可表示为________。

一、单项选择题

1.关于光电效应有如下几种陈述,其中正确的是(  )

A.金属的逸出功与入射光的频率成正比

B.光电流强度与入射光强度无关

C.用不可见光照射金属一定比可见光照射金属产生的光电子的最大初动能要大

D.对任何一种金属都存在一个“最大波长”,入射光的波长必须小于这个波长,才能产生光电效应

2.入射光照到某金属表面发生光电效应,若入射光的强度减弱,而频率保持不变,则下列说法中正确的是(  )

A.从光照射到金属表面上到金属发射出光电子之间的时间间隔将明显增加

B.逸出的光电子的最大初动能减小

C.单位时间内从金属表面逸出的光电子数目将减少

D.有可能不发生光电效应

3.用波长为2.0×10-7 m的紫外线照射钨的表面,释放出来的光电子中最大的动能是4.7×10-19 J.由此可知,钨的极限频率是(普朗克常量h=6.63×10-34 J·s,光速c=3.0×108 m/s,结果取2位有效数字)(  )

A.5.5×1014HzB.7.9×1014Hz

C.9.8×1014HzD.1.2×1015Hz

4.在光电效应的实验结果中,与光的波动理论不矛盾的是(  )

A.光电效应是瞬时发生的

B.所有金属都存在极限频率

C.光电流随着入射光增强而变大

D.入射光频率越大,光电子最大初动能越大

5. 017年年初,我国研制的“大连光源”——极紫外自由电子激光装置,发出了波长在100 nm(1 nm=10-9 m)附近连续可调的世界上最强的极紫外激光脉冲.大连光源因其光子的能量大、密度高,可在能源利用、光刻技术、雾霾治理等领域的研究中发挥重要作用.一个处于极紫外波段的光子所具有的能量可以电离一个分子,但又不会把分子打碎.据此判断,能够电离一个分子的能量约为(取普朗克常量h=6.6×10-34 J·s,真空光速c=3×108 m/s)(  )

A.10-21 JB.10-18 J

C.10-15 JD.10-12 J

6. 关于光电效应,以下说法正确的是(  )

A.金属内的每个电子可以吸收一个或一个以上的光子,当它积累的动能足够大时,就能从金属逸出

B.如果入射光子的能量小于金属表面的电子克服原子核的引力逸出时需要做的最小功,光电效应便不能发生了.但如换用波长更长的入射光子,则有可能发生光电效应

C.发生光电效应时,入射光越强,光子的能量就越大,光电子的最大初动能越大

D.由于不同金属的逸出功是不相同的,因此使不同金属产生光电效应的入射光的最低频率也不相同

7.研究光电效应电路如图所示,用频率相同、强度不同的光分别照射密封真空管的钠极板(阴极K),钠极板发射出的光电子被阳极A吸收,在电路中形成光电流.下列光电流I与A、K之间的电压UAK的关系图象中,正确的是(  )

8.以往我们认识的光电效应是单光子光电效应,即一个电子在极短时间内只能吸收到一个光子而从金属表面逸出.强激光的出现丰富了人们对于光电效应的认识,用强激光照射金属,由于其光子密度极大,一个电子在极短时间内吸收多个光子成为可能,从而形成多光子光电效应,这已被实验证实.光电效应实验装置示意图如图所示.用频率为ν的普通光源照射阴极K,没有发生光电效应,换用同样频率为ν的强激光照射阴极K,则发生了光电效应;此时,若加上反向电压U,即将阴极K接电源正极,阳极A接电源负极,在KA之间就形成了使光电子减速的电场.逐渐增大U,光电流会逐渐减小;当光电流恰好减小到零时,所加反向电压U可能是下列的(其中W为逸出功,h为普朗克常量,e为电子电荷量)(  )

A.U=-B.U=-

C.U=2hν-WD.U=-

二、多项选择题

9.用绿光照射一个光电管,能产生光电效应.欲使光电子从阴极逸出时最大初动能增大,可以(  )

A.改用红光照射B.改用紫光照射

C.改用蓝光照射D.增加绿光照射时间

10.如图所示,电路中所有元件完好,但光照射到光电管上,灵敏电流计中没有电流通过,其原因可能是(  )

A.入射光太弱

B.入射光波长太长

C.光照时间短

D.电源正、负极接反

11.对光的认识,下列说法正确的是(  )

A.个别光子的行为表现出粒子性,大量光子的行为表现出波动性

B.光的波动性是光子本身的一种属性,不是光子之间的相互作用引起的

C.光表现出波动性时,就不具有粒子性了,光表现出粒子性时,就不再具有波动性了

D.光的波粒二象性应理解为:在某种情况下光的波动性表现得明显,在另外的某种情况下,光的粒子性表现得明显

12.用极微弱的可见光做双缝干涉实验,随着时间的增加,在照相底片上先后出现如图甲、乙、丙所示的图象,则(  )

A.图象甲表明光具有粒子性

B.图象乙表明光具有波动性

C.用紫外线观察不到类似的图象

D.实验表明光是一种概率波

13.如图甲所示,合上开关,用光子能量为2.5 eV的一束光照射阴极K,发现电流表读数不为零.调节滑动变阻器,发现当电压表读数小于0.60 V时,电流表读数仍不为零,当电压表读数大于或等于0.60 V时,电流表读数为零.把电路改为图乙,当电压表读数为2 V时,则(  )

A.逸出功为1.9 eV

B.逸出功为1.7 eV

C.电子到达阳极时的最大动能为2.6 eV

D.电子到达阳极时的最大动能为4.5 eV

14.如图所示,这是一个研究光电效应的电路图,下列叙述中正确的是(  )

A.只调换电源的极性,移动滑片P,当电流表示数为零时,电压表示数为遏止电压U0的数值

B.保持光照条件不变,滑片P向右滑动的过程中,电流表示数将一直增大

C.不改变光束颜色和电路,增大入射光束强度,电流表示数会增大

D.阴极K需要预热,光束照射后需要一定的时间才会有光电流

15.如图所示,有一束单色光入射到极限频率为ν0的金属板K上,具有最大初动能的某出射电子,沿垂直于平行板电容器极板的方向,从左侧极板上的小孔入射到两极板间的匀强电场后,到达右侧极板时速度刚好为零.已知电容器的电容为C,带电量为Q,极板间距为d,普朗克常量为h,电子电荷量的绝对值为e,不计电子的重力.关于电容器右侧极板的带电情况和入射光的频率ν,以下判断正确的是(  )

A.带正电,ν0+B.带正电,ν0+

C.带负电,ν0+D.带负电,ν0+

答案与解析

1.【答案】A

【解析】所加的电压使光电子到达阳极,电流表中有电流通过,且可能处于饱和电流,当滑片向B端移动时,电流表读数有可能不变,当滑片向A端移动时,所加电压减小,则光电流可能减小,也可能不变,A正确,B错误;若用红外线照射阴极K,红外线频率小于黄光的频率,但是不一定不能发生光电效应,电流表中不一定没有电流通过,C错误;若用一束强度相同的紫外线照射阴极K时,紫外线的频率大于黄光的频率,则单位时间内逸出的光电子数目减小,电流表读数减小,D错误。

2.【答案】ek -eb

【解析】根据光电效应方程Ekm=hν-W0及Ekm=eUc得Uc=-,故=k,b=-,得h=ek,W0=-eb。

一、单项选择题

1.【答案】D

【解析】根据W0=hν0知,金属的逸出功由金属的极限频率决定,与入射光的频率无关,A错误;光的强度影响单位时间内发出光电子的数目,即影响光电流的大小,B错误;不可见光的频率不一定比可见光的频率大,根据光电效应方程知,产生的光电子的最大初动能不一定大,C错误;对任何一种金属,都有一个极限频率,也就是能发生光电效应的最小频率,则对应一个“最大波长”,入射光的波长必须小于这个波长才能产生光电效应,D正确.

2.【答案】C

【解析】光电效应瞬时(10-9 s)发生,与光强无关,A错误;光电子的最大初动能只与入射光的频率有关,入射光的频率越大,最大初动能越大,B错误;光电子数目多少与入射光的强度有关,光强减弱,单位时间内从金属表面逸出的光电子数目减少,C正确;能否发生光电效应,只取决于入射光的频率是否大于极限频率,与光强无关,D错误.

3.【答案】B

【解析】本题考查光电效应方程,意在考查考生对光电效应方程Ek=hν-W逸的理解,并能应用光电效应方程求解极限频率.由光电效应方程Ek=hν-W逸,而W逸=hν0,ν=,所以钨的极限频率ν0=-=7.9×1014Hz,B正确.

4.【答案】C

【解析】按照光的波动理论,电子吸收光子的能量需要时间,因此光电效应不可能瞬时发生,这与光电效应具有瞬时性矛盾;按照光的波动理论,只要有足够长的时间,电子会吸收足够的能量,克服原子的束缚成为光电子,因此所有金属均可以发生光电效应,这与光电效应有极限频率矛盾;按照光的波动理论,照射光越强,电子获得的能量越大,打出的光电子的最大初动能越大,这与光电效应中打出的光子的最大初动能与光强无关,而与照射光的频率有关矛盾;按照光的波动理论也可以得到光越强打出的光电子越多,光电流越大,C正确.

5.【答案】B

【解析】由题意知,电离一个分子的能量等于照射分子的光子能量,E=hν=h≈2×10-18 J,故B正确.

6.【答案】D

【解析】发生光电效应时,金属中逸出的电子只能吸收一个光子的能量,A错误;当入射光子的能量小于金属表面的电子克服原子核的引力逸出时需要做的最小功,光电效应便不能发生了,但如换用波长更长的入射光子,频率更低,更不可能发生,B错误;入射光的强度越大,单位时间内发出光电子的数目越多,形成的光电流越大,与最大初动能无关,C错误;根据光电效应方程Ekm=hν-W0知,不同金属的逸出功是不相同的,因此使不同金属产生光电效应的入射光的最低频率也不相同,D正确.

7.【答案】C

【解析】由于是强度不同的光照射同种钠极板,则遏止电压相同,强度不同,饱和光电流不同,C正确.

8.【答案】B

【解析】以从阴极K逸出的且具有最大初动能的光电子为研究对象,由动能定理得:-Ue=0-mv,由光电效应方程得:nhν=mv+W(n=2,3,4,…),联立上式解得:U=-(n=2,3,4,…),故B正确.

二、多项选择题

9.【答案】BC

【解析】光电子的最大初动能与照射时间或照射强度无关,而与入射光子的能量有关,入射光子的能量越大,光电子从阴极逸出时最大初动能越大,所以本题中可以改用比绿光光子能量更大的紫光、蓝光照射,以增大光电子从阴极逸出时的最大初动能.

10.【答案】BD

【解析】入射光波长太长,入射光的频率低于截止频率时,不能发生光电效应,故B正确;电路中电源反接,对光电管加了反向电压,若该电压超过了遏止电压,也没有光电流产生,故D正确.

11.【答案】ABD

【解析】光是一种概率波,少量光子的行为易显示出粒子性,而大量光子的行为往往显示出波动性,A正确;光的波动性不是由于光子之间的相互作用引起的,而是光的一种属性,这已被弱光照射双缝后在胶片上的感光实验所证实,B正确;粒子性和波动性是光同时具备的两种属性,C错误,D正确.

12.【答案】ABD

【解析】图象甲曝光时间短,通过光子数很少,呈现粒子性.图象乙曝光时间长,通过了大量光子,呈现波动性,故A、B正确;同时也表明光是一种概率波,故D正确;紫外线本质和可见光本质相同,也可以发生上述现象,可以用感光胶片观察到,故C错误.

13.【答案】AC

【解析】光子能量hν=2.5 eV的光照射阴极,电流表读数不为零,则能发生光电效应,当电压表读数大于或等于0.6 V时,电流表读数为零,则电子不能到达阳极,由动能定理eU=mv知,最大初动能Ekm=eU=0.6 eV,由光电效应方程hν=Ekm+W0知W0=1.9 eV,对图乙,当电压表读数为2 V时,电子到达阳极的最大动能E′km=Ekm+eU′=0.6 eV+2 eV=2.6 eV.故A、C正确.

14.【答案】AC

【解析】只调换电源的极性,移动滑片P,电场力对电子做负功,当电流表示数为零时,则有eU=mv,那么电压表示数为遏止电压U0的数值,A正确;当其他条件不变,P向右滑动,加在光电管两端的电压增加,光电子运动更快,由I=得电流表读数变大,若电流达到饱和电流,则电流表示数不会增大,B错误;只增大入射光束强度时,单位时间内光电子数变多,电流表示数变大,C正确;因为光电效应的发生是瞬间的,阴极K不需要预热,D错误.

15.【答案】C

【解析】以最大初动能入射至电容器的电子经板间电场到达右侧极板速度刚好为0,说明电场力做负功,电场强度方向向右,右侧极板所带电荷为负电荷,且-eU=0-Ek0,其中由电容器电压与电荷量的关系知U=,由最大初动能与单色光入射频率的关系知Ek0=hν-hν0;代入化简可得ν=ν0+。

- 10 -

相关问答

金属的逸出功 是多少?_作业帮

[最佳回答]逸出功(×10-19J)Cs3.0Ca4.3Mg5.9Be6.2Ti6.6K2.25/evNa2.29/evZn3.38/evW4.54/evAg4.63/ev逸出...

当他积累的动能足够大时,就能 逸出金属 .为什么?_作业帮

[最佳回答]楼上说得基本正确,但不完全正确,光子很多很多,只有少数被吸收,一般出现的都是单光子吸收.这时光子能量大于逸出功则逸出.罕见的会出现双光子吸收,不...

什么是 金属 材料的 逸出功 ?

光子照在金属上,使金属的电子具有更多的能量去克服原子核对它的束缚,当光子赋予的能量恰好能够使电子不受原子核的束缚的那部分能量就叫逸出功光子照在金属上...

为什么强光能使 金属电子 溢出?

光照强度越大,金属电子的逸出功越大,入射光的强度指的是单位时间内入射到金属表面单位面积上的光子的总能量。光电效应规律:“光电流的强度与入射光的强度成...

光电效应中 逸出的 光电子是 金属 最外层的 电子 吗? 逸出功 指的金...

[最佳回答]逸出功指的金属外层电子脱离原子核需要做的功吗?那这个外层是指最外层吗?逸出功指的金属表面的电子从金属表面飞出需要做的功.这个外层不是指最外层...

不同的 金属逸出功 相同吗?如果有相同的,是那些金属相同?

逸出功是由金属的性质决定,与入射光频率无关,不同金属的逸出功不同。如果入射光频率大于金属的截止频率,就会有电子逸出,逸出的电子初动能E等于入射光子的能...

如何从实验数据及图线求出阴极材料的 逸出功 ?

可以确定。在直角坐标系中坐出Us(截止电压)和v(频率)的关系曲线,实验表明曲线是一条直线,证明爱因斯坦光电效应方程的正确性。该直线的斜率即为h/e,h为普朗...

6.6×10-34J•s.(1)求该 金属的逸出功 .(2)至】作业帮

[最佳回答](1)根据爱因斯坦光电效应方程12mv2=hν−W①其中ν=cλ②得W=3.3×10-19J③(2)W=hν0④ν0=5×1014Hz⑤答:①该金属的逸...

【已知 金属铯 逸出功 为1.9eV,在光电效应实验中,要使铯表面发...

[最佳回答]爱因斯坦光电效应方程有电子动能Ek=hv-W逸=hc/λ-W逸.则入射光波长为λ=hc/(Ek+W)=4.28*10^-7m.爱因斯坦光电效应方程有电子动能Ek=hv-W逸...

【用光照射 金属 表面关于 逸出功 和最大初动能的问题“逸出光电...

[最佳回答]说成反比肯定是错啦!他们只存在楼主你所说的那个关系

标签:

相关阅读