变频原理电子技术应用 10种变频器的控制方式+原理结构,老电工0基础轻松带你入门学变频

小编头像

小编

管理员

发布于:2026年04月14日

202 阅读 · 0 评论

10种变频器的控制方式+原理结构,老电工0基础轻松带你入门学变频

变频器是在工业自动化和机械自动化中经常都会用到的设备,随着工业科技的发展,变频器的使用越来越频繁,不仅能够达到相同的控制目的,更加能够安全,节能,高效的运行,相对应的,变频器的发展对电力技术人员的维护要求也越来越高,因此了解和熟悉变频器的基本组成,性能和控制方式是非常有必要的!今天我们就重点看看变频器的基本构成,各部分的作用以及常见的控制方式:

变频器的工作原理及分类

变频器在我国各行业均已得到应用,解决了很多工业上的难题。应用变频器,只要根据所配套设备的特性,在变频器中设置好相关参数,用户便可以很方便地使用键盘就地控制或变频器预留端子远地控制设备的运行,通过显示屏监视变频器的运行状况,查看变频器的故障情况,还可以通过工业总线和通信接口相连实现远程监视和控制,以及通过工业总线组建DCS集散控制系统。

对变频器的分类有不同的标准,如按变频器是否通用来划分,变频器可以分为通用型变频器和专用型变频器;按变频器的工作原理划分,可以分为交—交变频器和交—直—交变频器;在交—直—交变频器中,按主回路工作方式分,可分为电流型和电压型变频器。

按电压等级划分,可以分为低压变频器,中压变频器和高压变频器;另外,从变频器技术的发展来分,可分为VVVF变频器,矢量变频器,直接转矩控制变频器等。

一般情况下,通用变频器通常采用交—直—交的工作方式,而在通用变频器中,相对来讲,低压变频器应用得最为广泛,技术成熟,成本低,易维护是其得到大量应用的主要原因。

变频器的工作原理,总体来说,变频器就是将工频交流电源转换成频率可调的电源设备,根据交流电动机同步转速 N=60f/p(式中,N为电机同步转速,f为电源频率,P为电机极对数)这一公式,只要改变频率,就可以改变交流电动机的转速,变频器就是根据这一原理研制开发出来的电源变换装置。

高压、中压、低压变频器的工作原理相同,只是主回路应用的电力电子元件的耐压等级不同,或者是高电压采用串联低压元件的方式,低压大电流采用并联小电流元件的方式组装。通用变频器和专用变频器的工作原理也相同,只是专用变频器是根据专业设备的特性,研制出来更具有针对性的变频器,如在通用变频器的基础上,增加更符合专业应用的功能,或是增强某一特殊应用功能等。如冶金和起重应用,要求变频器和电机经常处于过载运行,因此要求变频器容量要求足够大,过载能力强,纺织和冶金机械要求变频器的精度高等性能。

交—交变频器的主要缺点是所用电力元器件比交—直—交变频器多,并且只能运行在电网频率(工频)以下,但是其频率只能运行在工频以下,现在各国正在研究开发中的矩阵式交—交型变频器可以克服这一缺点。

电流型变频器和电压型变频器的工作原不大相同,电流型变频器主回路如图1,图中,整流和逆变单元的电力电子元件为可关断晶闸管。电流型变频器的主要特点是输入输出可逆,可以四象限运行,即电动机可以运行在电动、制动、发电状态。

电流型变频器主回路

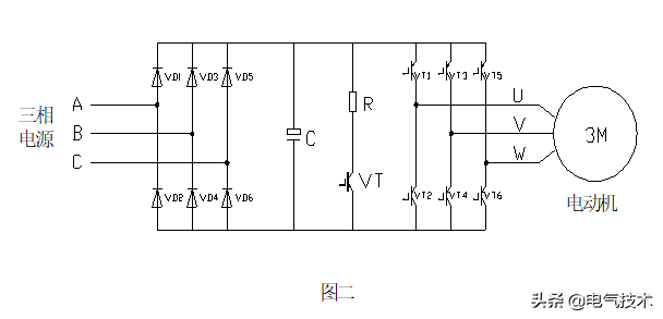
电压型变频器的主回路

电压型变频器的主回路如图2,图中,整流元件为二极管组成,逆变元件采用绝缘栅晶体管组成。该类变频器结构简单,技术成熟,在低压通用型变频器中被广泛采用,其缺点是不能四象限运行。

(本文选编自《电气技术》,原文标题为“浅谈低压通用变频器的应用和选型”,作者为罗庆祝。)

#pgc-card .pgc-card-href { text-decoration: none; outline: none; display: block; width: 100%; height: 100%; } #pgc-card .pgc-card-href:hover { text-decoration: none; } /*pc 样式*/ .pgc-card { box-sizing: border-box; height: 164px; border: 1px solid #e8e8e8; position: relative; padding: 20px 94px 12px 180px; overflow: hidden; } .pgc-card::after { content: " "; display: block; border-left: 1px solid #e8e8e8; height: 120px; position: absolute; right: 76px; top: 20px; } .pgc-cover { position: absolute; width: 162px; height: 162px; top: 0; left: 0; background-size: cover; } .pgc-content { overflow: hidden; position: relative; top: 50%; -webkit-transform: translateY(-50%); transform: translateY(-50%); } .pgc-content-title { font-size: 18px; color: #222; line-height: 1; font-weight: bold; overflow: hidden; text-overflow: ellipsis; white-space: nowrap; } .pgc-content-desc { font-size: 14px; color: #444; overflow: hidden; text-overflow: ellipsis; padding-top: 9px; overflow: hidden; line-height: 1.2em; display: -webkit-inline-box; -webkit-line-clamp: 2; -webkit-box-orient: vertical; } .pgc-content-price { font-size: 22px; color: #f85959; padding-top: 18px; line-height: 1em; } .pgc-card-buy { width: 75px; position: absolute; right: 0; top: 50px; color: #406599; font-size: 14px; text-align: center; } .pgc-buy-text { padding-top: 10px; } .pgc-icon-buy { height: 23px; width: 20px; display: inline-block; background: url(https://lf6-cdn-tos.bytescm.com/obj/cdn-static-resource/pgc/v2/pgc_tpl/static/image/commodity_buy_f2b4d1a.png); } 图表详解变频器典型应用100例 上册 ¥33.9 购买 #pgc-card .pgc-card-href { text-decoration: none; outline: none; display: block; width: 100%; height: 100%; } #pgc-card .pgc-card-href:hover { text-decoration: none; } /*pc 样式*/ .pgc-card { box-sizing: border-box; height: 164px; border: 1px solid #e8e8e8; position: relative; padding: 20px 94px 12px 180px; overflow: hidden; } .pgc-card::after { content: " "; display: block; border-left: 1px solid #e8e8e8; height: 120px; position: absolute; right: 76px; top: 20px; } .pgc-cover { position: absolute; width: 162px; height: 162px; top: 0; left: 0; background-size: cover; } .pgc-content { overflow: hidden; position: relative; top: 50%; -webkit-transform: translateY(-50%); transform: translateY(-50%); } .pgc-content-title { font-size: 18px; color: #222; line-height: 1; font-weight: bold; overflow: hidden; text-overflow: ellipsis; white-space: nowrap; } .pgc-content-desc { font-size: 14px; color: #444; overflow: hidden; text-overflow: ellipsis; padding-top: 9px; overflow: hidden; line-height: 1.2em; display: -webkit-inline-box; -webkit-line-clamp: 2; -webkit-box-orient: vertical; } .pgc-content-price { font-size: 22px; color: #f85959; padding-top: 18px; line-height: 1em; } .pgc-card-buy { width: 75px; position: absolute; right: 0; top: 50px; color: #406599; font-size: 14px; text-align: center; } .pgc-buy-text { padding-top: 10px; } .pgc-icon-buy { height: 23px; width: 20px; display: inline-block; background: url(https://lf6-cdn-tos.bytescm.com/obj/cdn-static-resource/pgc/v2/pgc_tpl/static/image/commodity_buy_f2b4d1a.png); } 变频器4kw5.5kw7.5kw11kw15kw380v ¥550 购买 #pgc-card .pgc-card-href { text-decoration: none; outline: none; display: block; width: 100%; height: 100%; } #pgc-card .pgc-card-href:hover { text-decoration: none; } /*pc 样式*/ .pgc-card { box-sizing: border-box; height: 164px; border: 1px solid #e8e8e8; position: relative; padding: 20px 94px 12px 180px; overflow: hidden; } .pgc-card::after { content: " "; display: block; border-left: 1px solid #e8e8e8; height: 120px; position: absolute; right: 76px; top: 20px; } .pgc-cover { position: absolute; width: 162px; height: 162px; top: 0; left: 0; background-size: cover; } .pgc-content { overflow: hidden; position: relative; top: 50%; -webkit-transform: translateY(-50%); transform: translateY(-50%); } .pgc-content-title { font-size: 18px; color: #222; line-height: 1; font-weight: bold; overflow: hidden; text-overflow: ellipsis; white-space: nowrap; } .pgc-content-desc { font-size: 14px; color: #444; overflow: hidden; text-overflow: ellipsis; padding-top: 9px; overflow: hidden; line-height: 1.2em; display: -webkit-inline-box; -webkit-line-clamp: 2; -webkit-box-orient: vertical; } .pgc-content-price { font-size: 22px; color: #f85959; padding-top: 18px; line-height: 1em; } .pgc-card-buy { width: 75px; position: absolute; right: 0; top: 50px; color: #406599; font-size: 14px; text-align: center; } .pgc-buy-text { padding-top: 10px; } .pgc-icon-buy { height: 23px; width: 20px; display: inline-block; background: url(https://lf6-cdn-tos.bytescm.com/obj/cdn-static-resource/pgc/v2/pgc_tpl/static/image/commodity_buy_f2b4d1a.png); } 变频器维修技术教程资料大全 ¥15 购买

相关问答

变频技术 在水泵供水系统的 应用 该题目如何用英语翻译】作业帮

[最佳回答]Frequencyconversionadjuststheprincipleofeconomizingonelectricityofthespeedinflowload-...

变频器 应用 现状及其发展前景_汽配人问答

[最佳回答]浅析变频器的应用现状与前景展望摘要:变频器有着很好的发展及应用前景。本文概述变频器在我国的发展和应用及以后我们在此技术方面应做的工作。关...

大功率电动机 变频 启动 原理 ?

电动机变频启动原理,交---交型输入是交流,输出也是交流将工频交流电直接转换成频率、电压均可控制的交流,又称直接式变频器。2)交—直---交型输入是交流,...

大金 变频 空调 电子 膨胀阀电路 原理 ?

在变频空调制冷系统中,它是用于控制制冷剂流量的节流装置(代替毛细管或过冷管组).室外机计算机板的输出通常使用+12V直流脉冲电压来提供电子扩展.阀线圈中...

现在说的 变频 空调是什么意思还有物理 原理 还有物理 原理 是什么...

[回答]什么是变频空调?简单地说变频空调是在常规空调的结构上增加了一个变频器.压缩机空调的心脏,其转速直接影响到空调的使用效率,变频器就是用来控制和...

矿用提升机 变频 控制 原理 ?

矿用提升机变频控制工作原理:变频器是通过改动电机定子供电频率来改动电机的转速,以结束绞车的调速。沟通异步电动机的转速公式为:其间n—电机转速f1—定...

变频 理疗仪 原理 ?

变频理疗仪(Physiotherapyinstrument)是物理治疗仪器的简称,是将物理因子作用于人体,使之产生好转的设备,适用于家庭、办公室等场所。原理是将一定电压和...

直流 变频 驱动板 原理 ?

直流变频驱动板的原理是直流变频器只能够驱动的直流无刷电机(它不同于交流电压型、交流电流型变频器的结构,所驳接交流感应电机或交流变频电机)。它是利用半...

变频 电源的 原理 是什么?

变频电源的原理是利用电力电子器件将输入的交流电源转换成高频交流电源,再经过整流、滤波等环节,最终得到稳定的直流电压输出。具体来说:1.变频电源使用电力...

变频 电机的工作 原理 是什么?希望能说的通俗易懂一点,呵呵?

变频电机的工作原理跟普通原理没有区别的。三相输入电压在电机内部产生一个旋转磁场,在这个磁场的作用下,转子就跟着磁场转了,频率越高,磁场会转的越快,转子...

标签:

相关阅读