电子元件应用进阶.pdf 电子电路识图,元器件检测,电气部件,家电电路等PDF资料

小编头像

小编

管理员

发布于:2026年04月14日

105 阅读 · 0 评论

电子电路识图、元器件检测、电气部件、家电电路等PDF资料

根据电子电路的特点,结合实际工作对识图的要求,详细介绍了电子电路识图所需要的知识与柜关技能。

《电子电路识图-元器件检测速成全图解》PDF电子版资料 领取

《电子技术控》 后台私回 DG01

内容包括: 电子电路识图的必备基础、 基本电子元器件的电路对应关系、基本半导体器件的电路对应关系、常用电气部件的电路对应关系、基本电子电路识图方法与技巧、基本放大电路识图方法与技巧、基本单元电路识图方法与技巧、小家电实用电路识图、制冷设备实用电路识匿、彩色电视机实用电路识图、液晶电视机实用电路识图、手机实用电路识图等

复杂的电子电路图上布满了密密麻麻的电路符号,根本不知从何下手识图,也不能从电子电路原理图中找出电子产品的故障所在,更不能得心应手地去设计各种各样的电子电路。其实,只要对电子电路图进行仔仔细细观察,就会发现电子电路的构成具有很强的规律性,即相同类型的电子电路不仅功能相似,而且在电路结构上也是大同小异的。任何一张错综复杂、表现形式不同的电子电路图都是由一些最基本的电子电路组合而成的,构成复杂电子电路图的最基本电路称为单元电路。只要掌握了基本单元电路,任何复杂的电路都可以看成是基本单元电路的集合。

《电子电路识图-元器件检测速成全图解》一书集电子电路识图与电子元器件识别与检测于一体,超大的知识容量、超值的学习套装,帮助读者快速而全面掌握电子技术。

  本书全程完全图解、全程技能演示、全程专家指导、全程高效学习,内容更加全面丰富,读者只需要学完本书就可以掌握电子技术

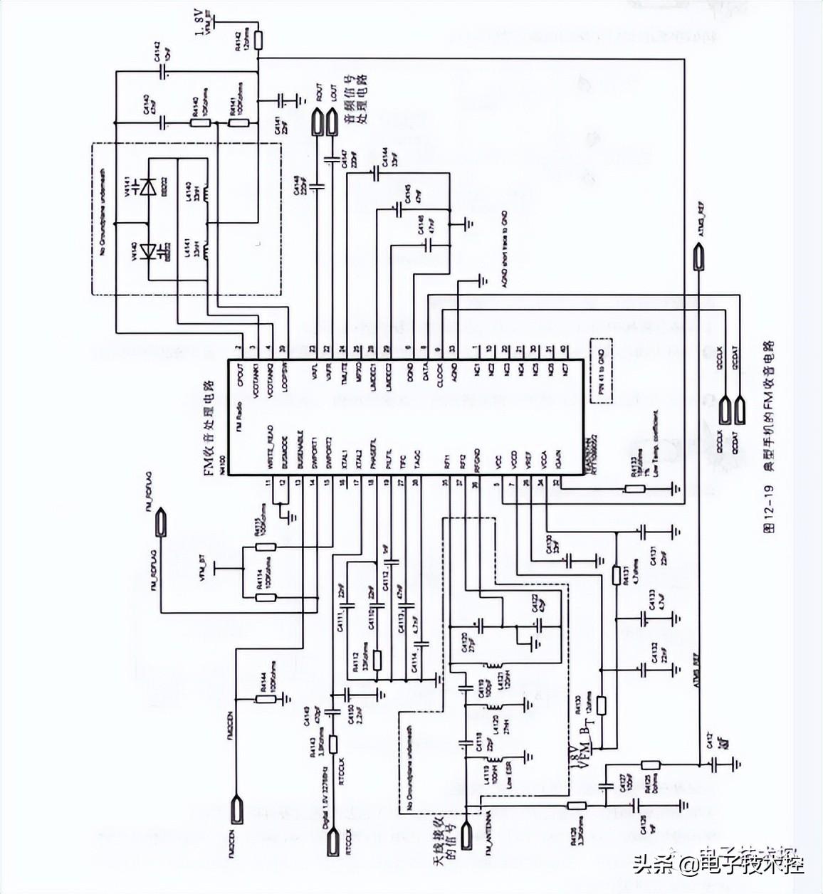
目录 1电子电路识图的基础  1.1电子电路图的应用范围  1.2电子电路识图规律与技巧  1.2.1电子电路识图要领  1.2.2电子电路识图步骤 2基本电子元器件的电路对应关系  2.1电阻器的电路对应关系  2.1.1认识电阻器  2.1.2电阻器的电路标识方法  2.2电容器的电路对应关系  2.2.1认识电容器  2.2.2电容器的电路标识方法  2.3电感元件的电路对应关系  2.3.1认识电感元件  2.3.2电感器的电路标识方法 3基本半导体器件的电路对应关系  3.1二极管的电路对应关系  3.1.1认识二极管  3.1.2二极管的电路标识方法  3.2三极管的电路对应关系  3.2.1认识三极管  3.2.2三极管的电路标识方法  3.3场效应管的电路对应关系  3.3.1认识场效应管  3.3.2场效应管的电路标识方法  3.4晶闸管的电路对应关系  3.4.1认识晶闸管  3.4.2晶闸管的电路标识方法  3.5集成电路的电路对应关系  3.5.1认识集成电路  3.5.2集成电路的电路标识方法 4常用电气部件的电路对应关系  4.1按键、开关的电路对应关系  4.1.1认识按键、开关  4.1.2按键、开关的电路标识方法  4.2电动机的电路对应关系  4.2.1认识电动机  4.2.2电动机的电路标识方法  4.3变压器的电路对应关系  4.3.1认识变压器  4.3.2变压器的电路标识方法  4.4电位器的电路对应关系  4.4.1认识电位器  4.4.2电位器的电路标识方法 5基本电子电路识图方法与技巧  5.1电阻串联电路的识图方法与技巧  5.1.1电阻串联电路的特点  5.1.2电阻串联电路的识图分析  5.2电阻并联电路的识图方法与技巧  5.2.1电阻并联电路的特点  5.2.2电阻并联电路的识图分析  5.3电容串联电路的识图方法与技巧  5.3.1电容串联电路的特点  5.3.2电容串联电路的识图分析  5.4基本RC电路的识图方法与技巧  5.4.1基本RC电路的特点  5.4.2基本RC电路的识图分析  5.5基本LC电路的识图方法与技巧 6基本放大电路识图方法与技巧  6.1共射极放大电路的识图方法和技巧  6.1.1共射极放大电路的特点  6.1.2共射极放大电路的识图分析  6.2共集电极放大电路的识图方法与技巧  6.2.1共集电极放大电路的特点  6.2.2共集电极放大电路的识图分析  6.3共基极放大电路的识图方法与技巧  6.3.1共基极放大电路的特点  6.3.2共基极放大电路的识图分析 7基本单元电路识图方法与技巧  7.1电源稳压电路的识图方法和技巧  7.1.1电源稳压电路的特点  7.1.2电源稳压电路的识图分析  7.2整流滤波电路的识图方法与技巧  7.2.1整流滤波电路的特点  7.2.2整流滤波电路的识图分析  7.3基本触发电路的识图方法与技巧  7.3.1基本触发电路的特点  7.3.2基本触发电路的识图分析  7.4基本运算放大器电路的识图方法与技巧  7.4.1基本运算放大器电路的特点  7.4.2基本运算放大器电路的识图分析  7.5遥控电路的识图方法与技巧  7.5.1遥控电路的特点  7.5.2遥控电路的识图分析 8小家电实用电路识图  8.1电饭煲实用电路识图  8.1.1电饭煲实用电路组成  8.1.2电饭煲实用电路识图分析  8.2微波炉实用电路识图  8.2.1微波炉实用电路组成  8.2.2微波炉实用电路识图分析  8.3电磁炉实用电路识图  8.3.1电磁炉实用电路组成  8.3.2电磁炉实用电路识图分析 9制冷设备实用电路识图  9.1电冰箱实用电路识图分析  9.1.1电冰箱实用电路组成  9.1.2电冰箱实用电路识图分析  9.2空调器实用电路识图分析  9.2.1空调器实用电路组成  9.2.2空调器实用电路识图分析 10彩色电视机实用电路识图  10.1彩色电视机实用电路组成  10.2彩色电视机实用电路识图分析  11液晶电视机实用电路识图  11.1液晶电视机实用电路组成  11.2液晶电视机实用电路识图分析  12手机实用电路识图  12.1手机实用电路组成  12.2手机实用电路识图分析 第2篇 电子元器件检测技能速成全图解 1指针式万用表的使用操作  1.1指针式万用表的功能特点  1.1.1指针式万用表使用特点和应用场合  1.1.2指针式万用表的结构和键钮分布  1.2指针式万用表的使用方法  1.2.1指针式万用表的使用操作  1.2.2指针式万用表的表盘识读  1.2.3指针式万用表的使用注意事项 2数字式万用表的使用操作  2.1数字式万用表的功能特点  2.1.1数字式万用表的使用特点和应用场合  2.1.2数字式万用表的结构和键钮分布  2.2数字式万用表的使用方法  2.2.1数字式万用表的使用操作  2.2.2数字式万用表的使用注意事项 3示波器的使用操作  3.1示波器的功能特点  3.1.1示波器的使用特点和应用场合  3.1.2示波器的结构和键钮分布  3.2示波器的使用方法  3.2.1示波器的使用操作  3.2.2示波器的使用注意事项 4电阻器的检测  4.1电阻器的种类特点  4.1.1电阻器的功能特点  4.1.2电阻器的种类与应用  4.2电阻器规格参数与代换原则  4.2.1电阻器的参数识别  4.2.2电阻器的代换原则  4.3电阻器的检测方法  4.3.1普通电阻器的检测  4.3.2光敏电阻器的检测  4.3.3湿敏电阻器的检测  4.3.4热敏电阻器的检测  4.3.5排电阻器的检测 5电容器的检测  5.1电容器的种类特点  5.1.1电容器的功能特点  5.1.2电容器的种类与应用  5.2电容器规格参数与代换原则  5.2.1电容器的参数识别  5.2.2电容器的代换原则  5.3电容器的检测方法  5.3.1固定电容器的检测  5.3.2电解电容器的检测  5.3.3可变电容器的检测 6电感器的检测  6.1电感器的种类特点  6.1.1电感器的功能特点  6.1.2电感器的种类与应用  6.2电感器规格参数与代换原则  6.2.1电感器的参数识别  6.2.2电感器的代换原则  6.3电感器的检测方法  6.3.1色环电感器的检测  6.3.2色码电感器的检测  6.3.3微调电感器的检测 7二极管的检测  7.1二极管的种类特点  7.1.1二极管的功能特点  7.1.2二极管的种类与应用  7.2二极管的规格参数与代换原则  7.2.1二极管的参数识别  7.2.2二极管的代换原则  7.3二极管的检测方法  7.3.1普通二极管的检测  7.3.2发光二极管的检测 8三极管的检测  8.1三极管的种类特点  8.1.1三极管的功能特点  8.1.2三极管的种类与应用  8.2三极管的规格参数与代换原则  8.2.1三极管的参数识别  8.2.2三极管的代换原则  8.3三极管的检测方法  8.4三极管的类型和引脚判别 9场效应管和晶闸管的检测  9.1场效应管的种类特点  9.1.1场效应管的功能特点  9.1.2场效应管的种类特点  9.2晶闸管的种类特点  9.2.1晶闸管的功能特点  9.2.2晶闸管的种类特点  9.3场效应管和晶闸管的检测方法 10集成电路的检测  10.1集成电路的种类特点与代换原则  10.1.1集成电路的功能与应用  10.1.2集成电路的标识与代换  10.2典型集成电路的检测方法  10.2.1三端稳压器的检测  10.2.2运算放大器的检测  10.2.3功率放大器的检测  10.2.4微处理器的检测 11常用电气部件的检测  11.1保险元器件的应用与检测  11.1.1保险元器件的功能与应用  11.1.2保险元器件的检测方法  11.2电位器的应用与检测  11.2.1电位器的功能与应用  11.2.2电位器的检测方法  11.3按钮、开关的应用与检测  11.3.1按钮、开关的功能与应用  11.3.2按钮、开关的检测方法  11.4变压器的应用与检测  11.4.1变压器的功能与应用  11.4.2变压器的检测方法  11.5继电器的应用与检测  11.5.1继电器的功能与应用  11.5.2继电器的检测方法  11.6电动机的应用与检测  11.6.1电动机的功能与应用  11.6.2电动机的检测方法  11.7电声器件的应用与检测方法  11.7.1扬声器的应用与检测  11.7.2蜂鸣器的应用与检测  11.7.3话筒的应用与检测  11.7.4听筒的应用与检测 12元器件检测综合应用实例  12.1电风扇的综合检测实例  12.2手机的综合检测实例  12.3电饭煲的综合检测实例  12.4电磁炉的综合检测实例  12.5彩色电视机的综合检测实例

看完整全文---> 图解:电子电路识图、元器件检测、电气部件、家电电路等PDF资料

电子元器件行业PDF资料的重要性

近段时间,不管是华为还是中芯国际,都让半导体行业成为了备受瞩目的焦点。

近几年我们国家也越来越重视国产集成电路产业的发展,并且加大了对扶持力度。相信会有不少大学生选择相关的专业学习,也会有越来越多的企业加大对半导体研究和制造。

在这里面,全世界电子元器件 品牌半导体制造商的电子元件PDF数据表是很重要的一环。不管是工程师,学生,厂家,代理商还是从事元器件采购的工作者,都需要查询或者下载电子元件PDF资料。我们从查IC网chaic.com了解到,现在已有400多万资料可供使用,给相关从事人员提供了便利,助力了半导体行业的研究和发展。

在人工智能,5G,新基建的大趋势下,国内厂商将会设计更多的具有自主知识产权的自主可控芯片。

相关问答

元器件的 pdf 去哪儿下载?

PDF阅读器(PDF-XChangeViewerPro)4.02简体中文专业版pdf-xchangeviewer是一款多功能的pdf阅读器,它完全免费,需安装.netframework才能执...

怎样学习电路板设计?

学习自己制作电路板方法:1、先能照着“单元模块电路图”在面包板上搭建电路,使之能正常工作(看懂元器件PDF资料,了解元器件引脚排布和各个电气参数);2、...

大神们!麻烦回答一下S25VB100-ASEMI是什么 电子元件 ?

[回答]lo-PDF资料文件一般到百度上都是可以查到的,直接搜索三相整流模块过三相整流桥等关键词就行。S25VB100-ASEMI6L-GBU整流桥一般带有足够大的电感性...

GBPC3510-ASEMI是什么 电子元件 ?还请不吝赐

[回答]lo-PDF资料文件一般到百度上都是可以查到的,直接搜索三相整流模块过三相整流桥等关键词就行。GBPC3510-ASEMI8L-GBU2510这款ASEMI整流桥的封装是GB...

KBPC2510-ASEMI是什么 电子元件 ?

[回答]Ly-一般整流桥命名中有3个数字,前一个数字代表型号;后两个数字代表额定电流A额电压(数字*100),V如:MT5010,即50A,1000VKBPC2510-ASEMI5L-GBU这类封...

CATIA入门教程?

一、选择一套系统的教程,快速入门1、对于CATIA初学者来说,不建议自己在网上漫无边际的去找资料学习,对于网上那些杂乱的教程,除非你的CATIA水平达到一定程度...

求大神帮我把元器件名称打出来,库里找不到其中的一些 元件 件啊,谢谢!(cad实验)?

硬之城元器件商城,上千种型号,PDF技术资料有描述,可以看看再说。硬之城元器件商城,上千种型号,PDF技术资料有描述,可以看看再说。

Autoplant资料汇总(本人全部仔细学过看过)-盖德问答-化工人互...

原帖由陕南于2008-4-1315:18发表autocad技巧精华好东西,,这个不错。。。谢谢。。谢谢!,在论坛上看过其他人资料,均不如楼主全,已下载,正在...

各位大仙,谁能赐教 怎样学习电路板设计?温控电路板设计够...

[回答]一个问题:初学者应重点掌握什么电子知识,大学阶段电气工程及其自动化以强电为主弱电为辅,电子、通信电路板设计与制作主要是用Protel软件辅助进行。...

条形码的种类有哪些及用处? – 960化工网问答

应用于商品批发、仓库、机场、生产/包装识别、工业中,条形码的识读率高,可适用...PDF417(二维码)多行组成的条形码,不需要连接一个数据库,本身可存储大量数据...

标签:

相关阅读