电子磁心应用技术集锦 (干货收藏)30多种磁芯优缺点对比

小编头像

小编

管理员

发布于:2026年04月14日

183 阅读 · 0 评论

(干货收藏)30多种磁芯优缺点对比

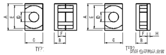
功率型

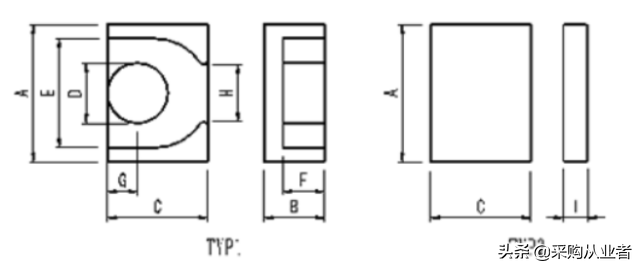
EE、EEL、EF型功率磁芯

特点:引线空间大,绕制接线方便。适用范围广、工作频率高、工作电压范围宽、输出功率大、热稳定性能好。

用途:广泛应用于程控交换机电源、液晶显示屏电源、大功率UPS逆变器电源、计算机电源、节能灯等领域。

EI型功率磁芯

特点:结构紧凑、体积小、工作频率高、工作电压范围广、气隙在线圈顶端耦合紧、损耗低。损耗与温度成负相关,可防止温度的持续上升。

用途:电源转换变压器及扼流圈、DVD电源、照相机闪光灯、通讯设备及其它电子设备。

PEE、PEI功率磁芯

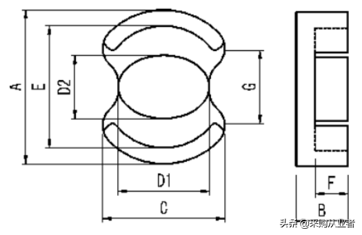
ER功率磁芯

特点:耦合位置好,中柱为圆形,便于绕线且绕线面积增大,可设计功率大而漏感小的变压器。

用途:开关电源变压器,脉冲变压器,电子镇流器等。

ETD型功率磁芯

特点:中柱为圆形,绕制接线方便且绕线面积增大,可设计出功率大且漏感小的变压器。其他如组装成本,安规成本,电磁屏蔽,标准化难易等各方面都很出色。

用途:开关电源,传输变压器,电子镇流器。广泛应用于家电、通讯、照明、医疗设备、办公自动化、军品、OA设备、电子仪器、航空航天等领域。

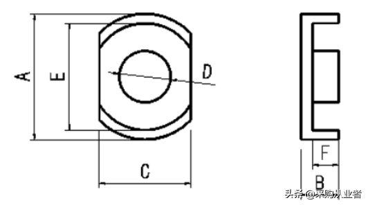
EQ/EQI型功率磁芯

EP型功率磁芯

特点:具有磁屏蔽效果好、分布电容小、传输衰耗低、电感量高、漏感小、磁场分布均匀等优点,且骨架配有多路接头,易设计多路输出变压器。

用途:宽带变压器、电感器、隔离变压器、匹配变压器,广泛应用于程控交换机终端和精密电子设备等领域。

EFD型功率磁芯

特点:具有热阻小、衰耗小、功率大、工作频率宽凳使用优点。成品重量轻、结构合理、易表面贴装。

用途:广泛应用于体积小而功率大的变压器,如精密仪器、模块电源、计算机终端输出等。

EPC功率磁芯

特点:具有热阻小、衰耗小、功率大、工作频率宽、重量轻、结构合理、易表面贴装、屏蔽效果好等优点,但散热性能稍差。

用途:广泛应用于体积小而功率大且有屏蔽和电磁兼容要求的变压器,如精密仪器、程控交换机模块电源、导航设备等。

POT功率磁芯

特点:体积小、感抗高、绕线方便、磁屏蔽及散热效果均衡。

用途:载波滤波器、高灵敏度感应器、高效率传感器、电源转换变压器等。

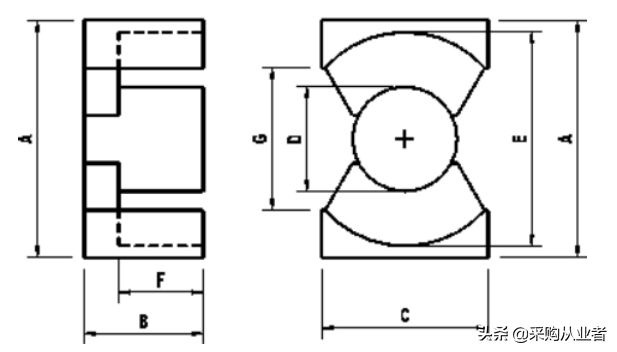
PQ功率磁芯

特点:损耗小,温升低,抗干扰性能好,形状合理,功率范围大(50W-1000W),能有效减少安装体积,备有多个引脚,绕制接线方便。组装成本低,易满足安规要求,但标准化较难。

用途:主功率变压器、驱动变压器、平滑扼流圈、辅助功率变压器。主要应用于网络、通讯、电源、电器设备、医疗等领域。

RM型功率磁芯

特点:磁屏蔽效果好,抗干扰能力强,漏磁小,分布电容低,骨架备有多路引脚,可设计多路输出变 压器,可高密度安装。但散热较差,安规成本较高。

用途:辅助功率变压器、驱动变压器、宽带变压器、载波滤波器、高稳定性滤波器。主要应用于载波通讯、网络、数字、电视、电子仪器等领域。

PM功率磁芯

特点:漏磁小,损耗低,功率大,分布电容小。

用途:主变压器,推动变压器。主要应用于超声波清洗,激光设备等领域。

LM型功率磁芯

LP、LPI功率磁芯

SEP、EPI型功率磁芯

U型功率磁芯

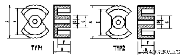
高导型

U型高导磁芯

特点:具有阻抗偏差小,输出电流大,感量高,可抑制高次谐波等特点。

用途:滤波共模变压器。广泛应用于彩电,计算机,显示器等电子设备。

ET、FT型高导磁芯

特点:杂散电容小、纹波系数低、漏磁少、电感高。

用途:彩电、显示器、计算机、可视电话、对讲等。

EE、EEL、EF型高导磁芯

特点:引线空间大,绕制接线方便。适用范围广、工作频率高、工作电压范围宽、热稳定性能好。

用途:广泛应用于电源滤波器、EMI滤波器、小型脉冲变压器等领域。

EI型高导磁芯

特点:结构合理,制作工艺简单,窗口较大,散热条件好,漏磁小。

用途:音频变压器,电源滤波器、EMI滤波器、小型脉冲变压器等领域。

EP型高导磁芯

特点:具有磁屏蔽效果好、分布电容小、传输衰耗低、电感量高、漏感小、磁场分布均匀等优点,且骨架配有多路接头,易设计多路输出变压器。

用途:宽带变压器、电感器、隔离变压器、匹配变压器,广泛应用于程控交换机终端和精密电子设备等领域。

RM型高导磁芯

特点:磁屏蔽效果好,抗干扰能力强,感量系数高,漏磁小,骨架备有多路引脚,可设计多路输出变压器,可高密度安装。但散热较差,安规成本较高。

用途:主要应用于载波通讯、网络、数字、计算机等领域。

T型高导磁芯

特点:输出电流大,损耗小,耐电压,电感高,价格低。但绕线成本高,很难大批量生产。

用途:扼流线圈,EMI/RFI滤波,音频变压器,广泛应用于各类节能灯,音响,控制电路及其它电子设备。

来源:网络

磁芯参数的介绍,一看就懂

01

磁芯在开关电源里面应用非常的多,但是我们对磁芯里面的一些参数了解的非常的少。

很多的初学者在应用磁芯的时候,都是去套公式,但对于一些公式里面的参数代表什么意思根本不知道,甚至有工作几年的工程师可能都不知道其中的意思,比如下面的公式,里面的Ae与△B有很多同学都不知道什么意思,可能记住了△B一般取值是在0.2T-0.3T,知道这样选取就不会饱和了。

02

为了解决大家的困惑,下面我们来给大家介绍下磁芯里面的一些基本参数。

首先Ae是指磁芯有效截面积,单位一般是(MM^2),对磁芯不了解的同学可能看到这样句话,根本不知道是指哪里,经常有人会问我有实际的磁芯怎么去查Ae值。

下面告诉大家拿到一个实际的磁芯后可以通过测量得到Ae值这一个数据。

看下面实际的磁芯的图,下面图一环形磁芯里面的棕色的面积就是指的AE值,可能有的工程师认为用的是变压器,不是这样的形状的,可能是铁氧体磁芯的形状的,比如是EE形与PQ等,如图二EE磁芯里面的棕色就是指的AE值,也就是所谓的通过磁通的有效横截面积,那我们通过下面的两个图,可以看出来Ae值是不是可以通过我们实际的磁芯是能测量出来的,EE磁芯只要实际测量中柱的面积可以了,中柱是一个长方体是不是很好测量,只有知道长与宽就可以计算出来了。

可能有人就会问了两边黑色的部分能不能测试出来,两边的横截面积相加是等于中柱面积。

我们下面来讲解下为什么会是这样的,其实我们这种EE形的磁芯是两个闭合的方形磁芯结合成而成的一个特殊磁芯,这样做的好处是有利于我们的磁芯散热,同时可以减少更多的漏磁。

我们看下图三EE行的磁芯的平面图,中柱部分的面积要比两边的大,其实我们要是吧中柱部分切开来的话,就会变成了图四一个样的磁芯,从图四可以看出EE形磁芯,其实就是两个闭合长方形的磁芯结合在一起。

我们通过上面的图形的分解就可以看得出来,两边的面积之和是等于中柱的,那么我们看下面中柱与两边形状不一样的PQ型的,看下面的图五:

两边的阴影部分与中柱的形状完全不一样,但是他们的面积也是想等的。只有这样磁芯的磁材在做到最大的利用,如果不想等,那么Ae值就只能取最小的。但实际的厂商在制作的过程中一般都会去最到尽量一样。

03

下面我们来讲Aw,磁芯的窗口面积,一般单位(mm^2),Aw其实就是指可绕线的空间。

看下面图六,棕色的就是我们绕线的横截面积,其中红色线包围的面积就是磁芯的窗口面积。

我在绕线的时候是需要考虑可利用的空间是多少,因为我们的线是圆形的,线与线之间就会有空隙,同时我们有可能会在每一层之间加胶带,如果是隔离的变压器,我们可能还会打挡墙等,如果不打挡墙用三层绝缘线,铜线的直径外面是有一层绝缘层,这是实际的三层绝缘线的外径。

这就是我们的实际磁芯窗口面积不能利用到1的原因,我们实际计算电流密度的时候是计算了铜线的面积,那么我们的铜线的总面积与Aw的关系式有一个系数Sw,也就是我们大部分的时候磁芯的窗口面积就只能用到Sw×Aw,这个Sw是小于1的。

讲了Ae与Aw,那Ap就能求出来了。Ap=Ae×Aw

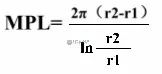
我的磁芯里面还有一个MPL,有效磁路长度,有些书上面是le,

实际是指我们的磁力线在磁芯里面绕一圈的有效长度,如果是我们的EE形的磁芯,那么见图六黄颜色线的长方体的周长就是MPL,

如果是环形的磁芯,如图七MPL是等于环的周长的2πr。

如内外半径相差不大的情况就可以用中间的半径来计算,r=r1+(r2-r1)/2,MPL=2πr

如果r1与r2的半径相差很远,有效磁路长度就需要通过下面的公式来计算了。

我们最后要讲一个Ve值,就是磁芯的有效体积,这一个Ve=Ae×MPL,这个经常在规格书里面看看,有很多人误认为是磁芯的器体积,其实不是的,不同的磁芯外体积不等于磁芯的有效体积。

相关问答

磁芯 是什么东西? – 960化工网问答

磁芯是指由各种氧化铁混合物组成的一种烧结磁性金属氧化物。例如,锰-锌铁氧体和镍-锌铁氧体是典型的磁芯体材料。锰-锌铁氧体具有高磁导率和高磁通密度的特点...

各位老铁,求答案:先进的 磁芯 材料售货点, 磁芯 材料主要有什...

[回答]电感磁芯常用的几种磁芯材质:1、磁粉芯。磁粉芯是由铁磁性粉粒与绝缘介质混合压制而成的一种软磁材料。可以根据不同的材料来应用于不同的频率范围...

T型 磁芯 铁氧体的好处?

T型磁芯铁氧体相比其他类型的磁芯铁氧体具有以下优点:1.高饱和磁感应强度:T型磁芯铁氧体具有较高的初始磁导率,可以在较低的磁场强度下获得更高的磁感应强度...

无人机电机铁芯和EMC用共模 磁芯 的性能作用有哪些丨非晶条?

[回答]磁芯材料是一种用途广、产量大、成本低的电子工业及机电工业和工厂产业的基础材料,是其重要的支柱产品之一,它的应用直接影响电子信息、家电工业、...

高频变压器 磁芯 有那些品牌? - 149****9526 的回答 - 懂得

公司重点发展磁性材料、LED晶体材料和光伏电池组件三大电子功能材料产业,承担国家863项目及军工生产,是集科研、制造、销售于一体的国家重点高新技...

工作中,你有没有碰到过那种欺软怕硬,态度恶劣,欺负人的上司?

首先很高兴有幸回答题主的这个问题啊,下面我来简单的说下我刚开始工作的时候是二十岁左右,那时候刚毕业,踏入社会,什么也不懂,第一份工作的领导就是属于你...我...

自己怎么做电感线圈 - dfth2008 的回答 - 懂得

空心线圈一般可以用漆包线绕制(流经电流的大小不必考虑时,线经的粗细只由线圈的强度决定,太细的线使线圈容易变形)。方法很简单:找一个直径合适的圆...

铁氧体TP4,TD4是什么材料的 磁芯 ? 磁芯 材料如何选购

[回答]因此,锰锌铁氧体磁芯的工作温度一般限制在100℃以下,也就是环境温度为40℃时,温升必须低于60℃。钴基非晶合金的居里点为205℃,也低,使用温度也限制...

哪位老表!跪求答案,TDK和天通 磁芯 哪个比较好?TDK电容性能好不好

[回答]TDK是一个著名的电子工业品牌,一直在电子原材料及元器件上占有领导地位。TDK的创始人加藤与五郎博士和武井武两博士在东京发明了铁氧体后,于1935年...

磁环是起什么作用的,电感是起什么作用的?

磁环的作用磁环是一块环状的到磁体,在一些电子电路中经常能见到,比如高效节能电子镇流器等,磁环是电子电路中常用的抗干扰元件,它对高频噪声有很好的抑制作...

标签:

相关阅读