生活中模拟电子线路的应用 你喜欢哪个通用的电路功能仿真软件?

小编头像

小编

管理员

发布于:2025年05月05日

106 阅读 · 0 评论

你喜欢哪个通用的电路功能仿真软件?

Proteus

Proteus软件是英国Lab Center Electronics公司出版的EDA工具软件(该软件中国总代理为广州风标电子技术有限公司)。它不仅具有其它EDA工具软件的仿真功能,还能仿真单片机及外围器件。它是目前比较好的仿真单片机及外围器件的工具。虽然目前国内推广刚起步,但已受到单片机爱好者、从事单片机教学的教师、致力于单片机开发应用的科技工作者的青睐。

Proteus是英国著名的EDA工具(仿真软件),从原理图布图、代码调试到单片机与外围电路协同仿真,一键切换到PCB设计,真正实现了从概念到产品的完整设计。是目前世界上唯一将电路仿真软件、PCB设计软件和虚拟模型仿真软件三合一的设计平台,其处理器模型支持8051、HC11、PIC10/12/16/18/24/30/DsPIC33、AVR、ARM、8086和MSP430等,2010年又增加了Cortex和DSP系列处理器,并持续增加其他系列处理器模型。在编译方面,它也支持IAR、Keil和MPLAB等多种编译器。

Proteus特点

1.互动的电路仿真

用户甚至可以实时采用诸如RAM,ROM,键盘,马达,LED,LCD,AD/DA,部分SPI器件,部分IIC器件。

2.仿真处理器及其外围电路

可以仿真51系列、AVR、PIC、ARM、等常用主流单片机。还可以直接在基于原理图的虚拟原型上编程,再配合显示及输出,能看到运行后输入输出的效果。配合系统配置的虚拟逻辑分析仪、示波器等,Proteus建立了完备的电子设计开发环境。

OrCAD/PSpice

PSPICE是由SPICE(Simulation Program with Integrated Circuit Emphasis)发展而来的用于微机系列的通用电路分析程序。于1972年由美国加州大学伯克利分校的计算机辅助设计小组利用FORTRAN语言开发而成,主要用于大规模集成电路的计算机辅助设计。

OrCAD/PSpice是一个通用电路仿真软件,可对模拟电路、数字电 路及模拟/数字混合电路进行仿真,能够显示信号波形、并对波形进行 各种运算处理,可提取电路特性参数并分析与元器件参数的关系。

软件的主要构成有:

1. 原理图输入程序Schematics:PSpice以OrCAD/Capture作为前端模块。其利用Capture的电路图输入功能及设计项目统一管理功能。

2.激励源编辑程序Stimulus Editor:PSpice中信号源的种类很 多,PSpice用激励源编辑程序以交互方式生成电路模拟中需要的各激励 信号波形。

3.电路仿真程序PSpice A/D:是PSpice的核心部分。最新版本的 仿真功能包括:基本直流工作点计算(Bias Point)、直流特性扫描(DC Sweep)、交流小信号特性分析(AC Sweep/Noise)和瞬态分析(Time Domain (Transient))四种基本的分析类型,每一种分析中均可同时包括灵 敏度分析、温度特性、参数扫描、蒙特卡洛分析和直流工作点的存取 等。电路仿真程序接受电路原理图输入程序的电路拓扑和元器件参数信 息,经过元器件模型处理形成电路方程,求电路方程的数值解,最后给 出计算结果。仿真结果一般由图形文件(*.DAT)和数据文件 (*.OUT)两部分组成。

4.输出结果分析、绘图程序Probe:功能有仿真结束后显示电路 中的节点电压、支路电流波形、仿真结果的再分析处理、数字电路中逻 辑错误问题的检测。

5.模型参数提取程序Model Editor:电路仿真的精度很大程度上取 决于电路中代表各种元器件特性的模型参数值是否精确。PSpice A/D提 供的模型参数库中有超过11300种的半导体器件和模拟集成电路产品的 模型参数及超过1600种数字电路单元产品的参数。如果用户采用的元 器件在模型参数库中没有,可调用该软件,用户给出元器件的特性参 数,即可生成仿真时需要的模型参数。Model Editor可以统一处理以文 本和修改规范两种形式提取模型参数,且新增了达林顿器件的模型参数 提取。完成模型参数提取后,自动在图形符号库中增添该器件符号。

6.优化程序Optimizer:该程序可在电路模拟的基础上,根据用户规定的电路特性约束条件自动调整电路元器件参数,以满足某一电路指 标要求。

PSIM

PSIM是趋向于电力电子领域以及电机控制领域的仿真应用包软件。PSIM全称Power Simulation。PSIM是由SIMCAD 和SIMVIEM两个软件来组成的。

PSIM具有仿真高速、用户界面友好、波形解析等功能,为电力电子电路的解析、控制系统设计、电机驱动研究等有效提供强有力的仿真环境。

本仿真解析系统,不只是回路仿真单体,还可以和其他公司的仿真器连接,为用户提供高开发效率的仿真环境。例如,在电机驱动开发领域,控制部分用MATLAB/Simulink实现,主回路部分以及其周边回路用PSIM实现,电机部分用电磁场分析软件MagNet、JMAG实现,由此进行连成解析,实现更高精度的全面仿真系统。

它将半导体功率器件等效为理想开关,能够进行快速的仿真,对于初学者来说更容易掌握。是专门针对电力电子及电机拖动开发的专用仿真软件,在欧美和日本广为使用。

Multisim

Multisim是Interactive Image Technologies (Electronics Workbench)公司推出的以Windows为基础的仿真工具,适用于板级的模拟/数字电路板的设计工作。它包含了电路原理图的图形输入、电路硬件描述语言输入方式,具有丰富的仿真分析能力。为适应不同的应用场合,Multisim推出了许多版本,用户可以根据自己的需要加以选择。

后来,Multisim 被美国的NI公司收购以后,最大的改变就是:Multisim 9与LABⅥEW 8的结合

新特点

⑴可以根据自己的需求制造出真正属于自己的仪器;

⑵所有的虚拟信号都可以通过计算机输出到实际的硬件电路上;

⑶所有硬件电路产生的结果都可以输回到计算机中进行处理和分析。

Multisim当前最新的版本是14.2,感觉已经多少年不更新了。。。

只有32位,最新发布时间是2019年。

Saber

saber仿真软件是美国Synopsys公司的一款EDA软件,多技术、多领域的系统仿真产品,现已成为混合信号、混合技术设计和验证工具的业界标准,可用于电子、电力电子、机电一体化、机械、光电、光学、控制等不同类型系统构成的混合系统仿真,为复杂的混合信号设计与验证提供了一个功能强大的混合信号仿真器,兼容模拟、数字、控制量的混合仿真,可以解决从系统开发到详细设计验证等一系列问题。

1986年Analogy公司开发并推出Saber仿真软件

2000年2月Avanti!公司收购Analogy,Saber成为Avanti!公司产品。

2002年6月Avanti!公司被Synopsys并购,Saber软件再次易主,成为Synopsys公司产品。

这款软件,收敛速度比较快

SIMULINK

Simulink是美国Mathworks公司推出的MATLAB中的一种可视化仿真工具。Simulink是一个模块图环境,用于多域仿真以及基于模型的设计。它支持系统设计、仿真、自动代码生成以及嵌入式系统的连续测试和验证。 Simulink提供图形编辑器、可自定义的模块库以及求解器,能够进行动态系统建模和仿真。

Simulink与MATLAB相集成,能够在Simulink 中将MATLAB算法融入模型,还能将仿真结果导出至 MATLAB 做进一步分析。Simulink应用领域包括汽车、航空、工业自动化、大型建模、复杂逻辑、物理逻辑,信号处理等方面。

想当年,我们刚工作的时候,就是直接用Protel99自带的仿真功能进行仿真的,其实也还挺好用的。Protel99,YYDS。

本文主要想做一个简单的调研,看大家平时都使用什么软件做功能仿真。

Proteus、PSpice、SIMULINK、Saber、Multisim、PSIM

五种常用的模拟电路,做为电子爱好者,你应该知道并且熟练运用它

模拟电路是指用来对模拟信号进行传输、变换、处理、放大、测量和显示等工作的电路。模拟信号是指连续变化的电信号。模拟电路是电子电路的基础,它主要包括放大电路、信号运算和处理电路、振荡电路、调制和解调电路及电源等。

第一种电路:整流电路

整流电路

整流电路(Rectifier)是电力电子电路中最早出现的一种,它将交流电变为直流电,应用十分广泛,电路形式各种各样;按组成的器件可分为不可控、半控和全控三种,按电路结构可分为桥式电路和零式电路,按交流输入相数分为单相电路和多相电路,按变压器二次侧电流的方向是单相或双相,又分为单拍电路和双拍电路;实用电路是上述的组合结构。

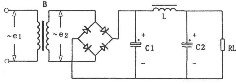
第二种电路:滤波电路

滤波电路

滤波电路常用于滤去整流输出电压中的纹波,一般由电抗元件组成,如在负载电阻两端并联电容器C,或与负载串联电感器L,以及由电容,电感组成而成的各种复式滤波电路。

滤波电路

当流过电感的电流变化时,电感线圈中产生的感应电动势将阻止电流的变化。当通过电感线圈的电流增大时,电感线圈产生的自感电动势与电流方向相反,阻止电流的增加,同时将一部分电能转化成磁场能存储于电感之中;当通过电感线圈的电流减小时,自感电动势与电流方向相同,阻止电流的减小,同时释放出存储的能量,以补偿电流的减小。因此经电感滤波后,不但负载电流及电压的脉动减小,波形变得平滑,而且整流二极管的导通角增大。

第三种电路:LC振荡电路

LC电路 ,也称为谐振电路槽路调谐电路 ,是包含一个电感(用字母L表示)和一个电容(用字母C表示)连接在一起的电路。该电路可以用作电谐振器(音叉的一种电学模拟),储存电路共振时振荡的能量。

电感电路是一个理想化的模型,因为它假定有没有因电阻耗散的能量。任何一个LC电路的实际实现中都会包含组件和连接导线的尽管小却非零的电阻导致的损耗。LC电路的目的通常是以最小的阻尼振荡,因此电阻做得尽可能小。虽然实际中没有无损耗的电路,但研究这种电路的理想形式对获得理解和物理性直觉都是有益的。对于带有电阻的电路模型,参见RLC电路。

第四种电路:微分和积分电路

微分电路 可把矩形波转换为尖脉冲波,此电路的输出波形只反映输入波形的突变部分,即只有输入波形发生突变的瞬间才有输出。而对恒定部分则没有输出。输出的尖脉冲波形的宽度与R*C有关(即电路的时间常数),R*C越小,尖脉冲波形越尖,反之则宽。此电路的R*C必须远远少于输入波形的宽度,否则就失去了波形变换的作用,变为一般的RC耦合电路了,一般R*C少于或等于输入波形宽度的1/10就可以了。

第五种电路:共射极放大电路

相关问答

模拟电子 技术在 生活中的应用 总结?

培训与管理的重要。没有范文。以下供参考,主要写一下主要的工作内容,如何努力工作,取得的成绩,最后提出一些合理化的建议或者新的努力方向。。。。。。...

模拟 电路方面比较好的教材推荐下?

实际模拟电路的基础教材是很多比如放大器线性电路数字仪表电子自动化工程等广泛应用模拟电路不过针对电脑人工智能方面应用的模拟电路基础教材我认为是...

模拟 电路有哪些?

模拟电路的种类有很多,比如放大器电路、滤波器电路、振荡器电路等等。是:模拟电路的种类很丰富。是:在电子电路中,模拟电路是一种通过模拟电信号来进行处理和...

学习 电子 电路选择哪种仿真软件好学易用?

模拟电路仿真用multisim比较多,资料好找,如果数电的话可以用protues模拟电路仿真用multisim比较多,资料好找,如果数电的话可以用protues装了一个MuItisim13...

模拟 电路,为什么要叫 “模拟”,模拟二字怎么理解?

模拟电路是与数字电路相对应的。在模拟电路中,电压高低(或电流大小)是模拟了所代表的物理量的变化,例如声音信号,声音被话筒转换成电压时,电压的高低直接反映...

模拟电子 电路和数字电子电路的区别?

模拟电子电路和数字电子电路是电子电路的两种基本类型,它们在信号处理和工作原理上存在明显的区别。1.信号处理方面:模拟电子电路处理连续变化的模拟信...

低频电子线路和 模拟电子线路的 区别?

低频电子线路和模拟电子线路都是电子线路的一种,但它们的主要区别在于信号频率和信号处理方式不同。1.信号频率:低频电子线路通常处理低频信号,即频率小于10...

想学习 电子 电路,请问各位大神们哪里有 模拟 软件学习呢?

我这里使用过很多电子模拟软件。至于选择哪一个,这个要看你对这个软件的期望了。说一下我使用过的电子模拟软件:Proteus、multisim、Tina和iCircuit。接下...

模拟 电路与数字处理的各自特点与优缺点?有一个算法,可以用模...

[最佳回答]用简单的模拟电路实现一种古定的程序,则用模拟电路为优,省事又省钱.

为了完成“让奥特曼的双眼灵活起来”,进行如图的 模拟 电路设...

[最佳回答]由题意知,奥特曼的双眼既可以同时亮同时灭,也能让任一只眼睛眨,说明两只灯泡工作互不影响,即灯泡是并联的;要使灯泡同时亮同时灭,需要在干路中串联...

标签:

相关阅读