模拟主轴控制及应用电子书 在数控系统中模拟主轴与串行主轴控制有何区别

小编头像

小编

管理员

发布于:2025年05月06日

190 阅读 · 0 评论

在数控系统中模拟主轴与串行主轴控制有何区别

原创

本文在今日头条上首发,未经本人允许,不得转载于其他平台或作它用,在此声明。

数控系统中使用的主轴主要分为模拟主轴和串行主轴,它们在控制上区别在于以下几个方面。

CNC至串行、模拟主轴驱动器通信接口

一,主轴速度给定输出

模拟主轴速度给定,是由数控系统CNC通过内置数模转换器CAD,将S指令速度值转换为-10~10V的模拟电压传至主轴驱动器中,再由主轴驱动器完成主轴速度控制。

串行主轴速度给定,是由数控系统将S指令数值转为数字信号,通过网络(CNC与主轴驱动装置建立了通信协议)经串行接口传送给主轴驱动器,同样,再由主轴驱动器完成主轴速度控制。

二,主轴驱动装置

模拟主轴驱动装置,它主要应用于中低档数控设备中,所以,一般使用通用型变频器来控制主轴电机运行。

通用变频器

串行主轴驱动装置,是由数控系统量身打造的专用驱动装置。具有响应快、速度高、调速范围宽(恒转矩1:100、恒功率1:30)、过载能力强(过载1.5倍时可持续工作30分钟)等特点,所以,一般使用在中、高档数控设备中。

三,主轴用的电动机

模拟主轴所使用的电动机,一般采用普通三相异步电机或变频电机。

变频电机

串行主轴所使用的电机,都是采用与主轴驱动器相配套的专用的主轴伺服电机。

串行主轴电机

四,用于主轴位置检测连接方式

模拟主轴的检测主轴位置的编码器直接接入数控系统中。

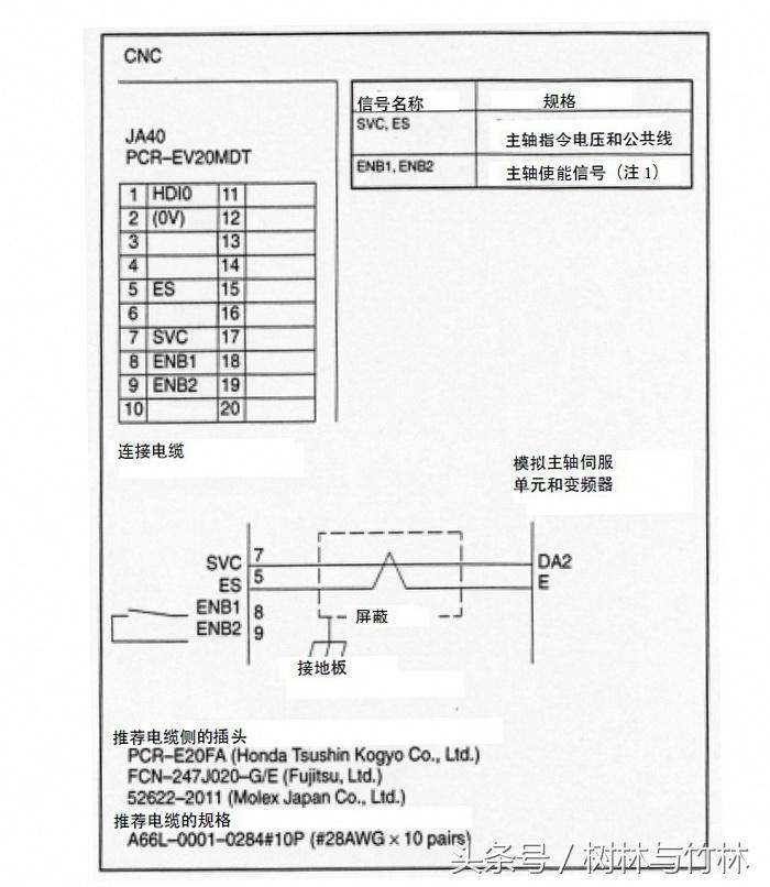
CNC至模拟主轴驱动器通信接口

串行主轴捡测主轴位置的编码器先接到主轴驱动器,再由主轴驱动器连接到数控系统中。

伺服主轴电机内置磁性编码器

CNC至串行主轴驱动器通信接口

五,主轴启、停、方向控制

模拟主轴是利用主轴驱动装置上的外部端口点输入信号进行控制。

串行主轴是利用数控系统CNC与可编程序控制器PMC之间的内部信号进行控制。

六,主轴参数设置方式

模拟主轴的参数的设置或修改是在驱动装置上进行。

串行主轴的参数的设置和修改是在CNC中进行,然后通过数据串行总线经串行端口传入到轴驱动器中。

以上是在数控系统中模拟主轴与串行主轴控制的一些主要区别。

阅后,如有不同观点,请在下方评论区留言,在此感谢。

主轴模拟与串行区别

FANUC系统支持2种主轴控制模式,串行主轴和模拟主轴。

1 串行主轴,用串行总线控制FANUC主轴驱动器的方式叫串行主轴,只要用FANUC主轴驱动器,就是串行主轴。串行总线从FANUC主板JA41端口到主轴驱动器的JA7B.

2 模拟主轴,从主板JA40接口可以输出0-10V的电压,可以控制第三方变频器和驱动器

3 相关参数设定

在OIF系统,

NO.998参数为-1时,无主轴驱动器。为1时是1个主轴;为2时,是2个主轴。

NO.3716参数为0时,用模拟主轴;为1时,用串行主轴。

OID OIC系统:

NO.8133#5,为0时,使用串行主轴;为1时,不使用串行主轴。

NO.3701,

当OID系统,如果主轴驱动器报警,可以把3701.1(ISI)改成1来屏蔽主轴报警。

相关问答

fanuc 模拟主轴 转速参数设置?

一。主轴转速提升很慢,把变频器的加速时间设为3----5秒。在不报警的情况下越短越好。二。主轴转速不准的调整方法:1.CNC参数3730(模拟电压增益)设定为1...

什么是 模拟主轴 接口?

按照我的理解。串行主轴的控制信号是通过一系列的串行信号来传递主轴指令,这种主轴需要主轴驱动单元有相应的串行接口。而模拟主轴则是通过模拟量来控制主轴,...

运动控制卡的 模拟 电压肿么 控制主轴 伺服电机-ZOL问答

运动控制卡,控制的是驱动器,而不是直接的电机,一般有2种控制方式脉冲,模拟量,脉冲控制:驱动器是工作在位置环,脉冲的多少代表走的长度,频率表示速度模拟量控...

什么是数字 主轴 ?

普通电动机、双速电机和变频电机都不是数字主轴,是模拟量控制的。伺服电机控制的主轴是数字主轴。在CNC中,主轴转速通过S指令进行编程,S指令通过数控系统处...

车床 主轴 电机的 控制 方式及原理?

机床主轴电机控制方法;用变频器,变频电机无级调速。(CNC给出0---+10V模拟电压到变频器)用伺服主轴驱动器,伺服主轴电机无级调速。电磁离合器配合齿轮箱齿轮自...

广州数控GSK980TA编程实例?

GSK980TA2车床数控系统运动控制功能控制轴:三轴(X、Z、Y)插补方式:X、Z、Y三轴直线、X、Z圆弧插补位置代码范围:±9999.999mm最小代码单位:0.00...模...

雕刻机富凌200怎么测 主轴模拟 信号?

要测量富凌200雕刻机的主轴模拟信号,首先需要准备一个万用表和一根信号线。将信号线的一端插入主轴模拟信号的输出端口,另一端插入万用表的电压测试端口。然...

如何让数控 主轴 快速停止?

要让数控主轴快速停止,可以按照以下步骤操作:1.确保紧急停止按钮可用:在数控设备上通常有一个紧急停止按钮,该按钮可以立即停止主轴工作。确保该按钮处于正...

三菱系统如何设置 主轴 为c轴?

三菱系统中,主轴不能直接设置为C轴。C轴通常用于控制旋转台或其他旋转部件。三菱系统中,可以使用自定义宏功能将主轴模拟为C轴。具体步骤如下:定义一个自定义...

FANUC维修在哪里可以买到?

[回答]FANUC数控机床主轴不转的故障维修方法主轴是数控机床的重要零件之一,主轴旋转产生切削的主运动是形成切削的重要条件。主轴不转故障是主轴驱动系统*...

标签:

相关阅读