el34电子管应用电路图 电子管EL34和EL34B外形,管脚,参数,放大电路详解

小编头像

小编

管理员

发布于:2026年04月14日

274 阅读 · 0 评论

电子管EL34和EL34B外形,管脚,参数,放大电路详解

EL34是一只旁热式阴极五极管,用于低频功率放大。外形如下:

EL34外形

EL34B属于束射四极管外形:

胆机试听链接请点击:胆机试听雷婷无损人声《不是我不小心》胆机的人声表现感觉不错

EL34和EL34B使用的时候略有区别,EL34B的1脚是空脚,外部测量1和8脚虽然不通,但内部已经相连。而EL34使用的时候需要1脚和8脚在外部相连接。

EL34和EL34B可以直接代换。

EL34作单端A类放大时,屏极负载阻抗2kΩ下最大输出功率为11 w(失真率10%)。当它作推挽放大时,屏一屏负载阻抗3.8kΩ下的最大输出功率可达36W(失真率5%)。其工作特性如下表格:

EL34工作特性表

大家在制作单端和推挽两种EL34工作方式胆机的时候可以参考上表各电压,电流,电阻设置。

EL34管脚内部结构和管脚分布详细图如下:

EL34和EL34B外形和管脚分布,注意下面内部结构为EL34

管脚分辨顺序方法:管脚朝向眼睛,管定位键正下,顺时针旋转,定位键左面依次是1-8脚。

分别是1,4,栅帘极,5控制栅极,3,阳极,2和7灯丝,8阴极。其基本接线电路图如下

EL34基本线路示意图

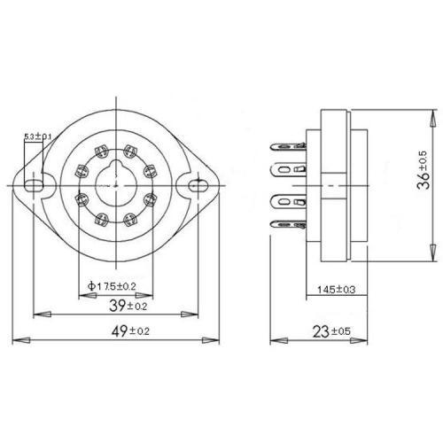
EL34配套管座为大八管座购买的时候注意尺寸:

EL34配套管座示意图

下面是一张EL34单端胆机图纸:电路比较全面清楚方便大家制作。

这就是EL34这只胆管的基本情况。

文 自由自在的心灵 20200228

漫谈EL34胆管 谈EL34电子管及其应用

在笔者看来,如果我必须拥有一台胆机,那么一定是EL34推挽功放。它的推力不算厉害,但绝对不算弱,音色也许不如300B,但胜过许多管子。在普通的家庭环境下,它足以让你欣赏到那些美妙的音乐。就如我们的主笔“西电标”所说的:“在我的眼中,EL34就是西方的绅士淑女……”“声音也如绅士一般,真实而不张狂,每个音符皆一板一眼的交代,没有2A3那种娇艳欲滴,没有300B那种万里无云,也没有6V6的小家碧玉,也没有KT88的力拨山河。而是永远都不温不火的修为,没有快如闪电的节奏,却有绵绵无尽的力量,总在你需要的时候,表达得淋漓尽致。 ”因此当要策划一个胆机特辑时,我就想到EL34。

本特辑酝酿了两个多月,参与其中的有我们的主笔、热心的业内人士与热心的厂家研发人员。为的是让大家能了解到EL34的点点滴滴,比如它的历史、经典机型及应用,也希望这个特辑能给打算购买EL34胆机的朋友起到指南的作用。

导读: EL34 的前世今生 | 我心目中的EL34经典机谈EL34电子管及其应用 | EL34胆管八问

自电子管诞生以来,已有百年多的历史,据日本山川正光编纂的《真空管7200种》一书记载,曾经生产过的电子管约有10-20万种型号,这其中,有多少种适合于音频使用,不得而知。但有一点可以确定,好听,且有量产的功率电子管不过十几二十种。

并非所有具有放大作用的电子管都适合用于音频放大,个中原因很简单,那就是好听与不好听,某些工业用途的电子管做成音频放大器并不好听。电子管在音频中使用之所以能生存到今天,全赖它的音质与音色,尽管用电子管制成的音频放大器在技术指标上并不能与晶体管、甚至集成电路音频放大器媲美,但电子管优越的抗饱和能力、动态范围以及线性都非常适合于音频。物理世界的声音有很高的动态范围和复杂的谐波份量,瞬间的峰值可以达到很高,这会使放大器过载。晶体管电路的过载非常干脆利落,直接削波,失真直线上升,近乎崩溃,而这种情况下,电子管电路则不同,它的失真是一种“软”失真,失真曲线比线性区只逐步增加,甚至听觉并不易发现,电子管的这种特性,使得它的线性区得以扩展。以直热三极电子管300B单端甲类功放为例,虽然只有8W功率,若配合中高灵敏度音箱,在一般家庭中使用,功率并无捉襟见肘之感。

电子管在专业录音设备中也有许多应用,像话筒、话筒放大器、压缩器等前置设备都有使用。丹麦著名的电子管话筒B&K4040,里面就用了一只电子管进行微信号放大。在低电平放大电路里使用电子管,其目的就是利用电子管的高动态范围来降低高峰值信号对放大器的影响。

在电子管音频放大器的电源电路中,尽管现在有许多新的、性能很棒的半导体整流管可选用,但仍有相当多的设计师选择使用电子管整流。电子管整流的弊端显而易见:耗能、寿命短、内阻大、需分钟级的预热时间,但电子管整流最大的特点是没有半导体整流管的开关噪声,从而使得音质柔和动听。

音频技术比较特殊,最终的优劣必须在实际聆听中得到证实,目前,各种技术指标还不能完全诠释声音,技术指标更像是对电声产品的一种基本约束,而某项技术指标突出的产品,在实际聆听中并不见得在这个方面优秀,这里面仍然有许多问题需要继续探索思考。

话说EL34电子管。EL34是功率电子管晚期的产品,它是在束射四极管基础上演变而来,比束射四极管多了一个第三栅极(抑制栅),用以抑制二次电子。EL34有比束射四极管更低的高频失真。正宗的EL34声音细致清丽,分析力好,但低音略少一点,后期各种改进的管型,声音各有特点,有些甚至声音丰厚饱满,低音强悍。可以说,EL34是音频电子管多极功率管中的经典之作。

早期使用EL34比较成功的品牌大概就是Marantz和Dynaco了。Marantz的Model 8B和Model 9这两款机器是Marantz后级中的经典之作,为Marantz赢得了荣誉。从电路上看,Model 8B最大的特点是它的频率补偿,Model 8B在输出变压器的输出端设置了专用的负反馈线圈,并通过微积分电路对大环路负反馈进行精确的频率补偿,这样一来,可以使20Hz-20KHz范围内的相位畸变最小,同时失真也变小。不过,仍有一个疑问存在,那就是,电子管随使用时间的增加而放大率u值下降,这样的话,开环增益便下降,大环路负反馈量也在下降,那么大环路负反馈的补偿量也就变了,如果按照新机调整的补偿量,那如何保证使用一段时间后机器的补偿精度?事实上,只要能保证输出变压器的频响足够宽,并施加浅量大环路负反馈,可以保证20Hz-20KHZ范围内相位畸变很小,频响呈单调下降,至于失真与噪声,可以通过优化设计和优选元器件予以降低。

和韵M100 Plus 电子管合并功放

我曾经设计过两款使用EL34电子管推挽输出的商品机器,用的就是上述思路,大环路负反馈只有-6dB。这两款机器分别是北京欧博的和韵M100和北京羽商的Classic No.16.0。这两款机器在市场上累计存在了二十多年,销以万计。

北京羽商的Classic No.16.0电子管合并功放

电子管的品质是电子管放大器的重中之重,不同品牌的电子管除寿命、稳定性之外,不同的声音表现乃是电子管爱好者津津乐道之事。九十年代中期,曾参与北京东方电子集团北京电子管厂EL34电子管研发,负责测试和主观聆听评价,对其声音进行改进。EL34中国的部颁型号叫6P33P。这次实验,前后共计实验了十几个批次样品,为期将近二年。记得在最后一个批次样管,北京电子管厂的EL34在声音的各个方面已经完全超越了英国大盾Mullard的EL34,当时情形真是令人激动。很可惜,这批管并未投产,仅有几只样管在手中,而大量投放市场的,都是此前生产的。此后不久,北京东方电子集团从市场战略角度考虑,决定停产音频电子管。此乃EL34之憾事也。

笔者曾参与北京东方电子集团北京电子管厂EL34电子管研发,这是当时的总结报告

不同厂家生产的EL34在参数上会有差异,这很正常,但有一点很重要,就是基本参数不能与原型管相差太多。通过测试,发现不同品牌EL34的内阻Ri,在同一测试条件下,最高与最低者居然相差30%之多!这给电路设计造成一些麻烦,因为管内阻涉及到与输出变压器初级阻抗的匹配,只有最佳的匹配才可以得到最大的输出功率和最小的失真。另外,不同管内阻的EL34同一部机器上进行比较时,也很容易造成误判。

新的设计理念,新的技术,新的电子元器件,会给电子管这古老的器件带来一定的设计空间,事实上,今天的电子管放大器从技术上已经比几十年前进步了许多。尽管电子管的能耗与今天倡导的绿色环保背道而驰,但为追求美好的声音,这点代价,不算事儿。

相关问答

el34 c 电子管 参数?

eI34c电子管的灯丝电压6.3伏,灯丝电流1.5安,当作A类功放时,屏极电压265伏,屏极电流100毫安,帘栅极电压265伏,电流14.9毫安,栅极电压负13.5伏,负载电阻2千...e...

请高手看看这个右边泛蓝光的 EL34 B 电子管 正常吗?

泛蓝光肯定是不正常了,有可能是输出功率太大了,把音量调小点看蓝光会不会消失。也可能是电子管有点漏气了,可以看一下上面银色的膜是不是比其他管子薄(会透...

电子管el34 el 84区别?

答:电子管el34和el84区别是el34属于旁热式电子管,el84属于直热式电子管。功率胆管有300B、845、EL34、6550、KT88,前两种属于直热式!电子管,后几个属于旁热...

EL34 胆机换什么样的胆管能提升音质?

换电子管不是换灯泡,不同的管子有不同的电路,管脚不同,工作电压不同,工作电流不同,阴极电阻不同,输出变压器不同,电源变压器不同,,,,,,不是说换就能...换电子...

el34 胆机接几欧?

EL34胆机是一款非常经典的电子管功率放大器,其输出阻抗通常为4-8欧姆。因此,为了获得最佳的性能和声音效果,建议将其接在4-8欧姆的音箱上。如果接在低阻抗的音...

el34电子管 通用接法和三级管接法音质有什么不同?

无论是什么型号的束射4极管和5极管都是在三极管的基础上进化而成的,目的是提高放大系数、增加输出功率,但是他的曲线不如三极管平直;换句话说三极管接法线性更...

6n2电子管和 el34电子管 的区别?

两者的功能不同,6N2用于前级电压放大,EL34用于末级功率放大。两者的结构不同,6N2是孪生管,即在一个玻璃外壳中含有两个一样的电子管,因此用一只6N2就可以完...

胆机fu-50和 EL34 哪个好?

二者均是五级管,FU50屏耗40W,EL34屏耗25W,FU50标准接法时线性不佳,不建议使用,三极管接法,单端大约8~9W输出功率;EL34标准接法单端大约9W左右,但EL34单端...

能不能把 el34 b胆机功放升级成300b的功放?

一般胆机一旦按照电路图安装好,胆机的一切性能也就固定了,比如管子的灯丝电压、工作电压、栅负压,以及各个电阻、电容等元器件参数也随之固定了,不可任意改变...

电子管el34 输出变压器漆包线多大?

若自制初级选0,47,次级选1,8。总之只要线包空间大线径尽可能加大。若自制初级选0,47,次级选1,8。总之只要线包空间大线径尽可能加大。

标签:

相关阅读