电子应用led 利亚德:Micro LED主要应用于大屏显示领域,未来有望进入小尺寸消费电子领域

小编头像

小编

管理员

发布于:2025年05月05日

109 阅读 · 0 评论

利亚德:Micro LED主要应用于大屏显示领域,未来有望进入小尺寸消费电子领域

金融界9月11日消息,有投资者在互动平台向利亚德提问:请问公司的microled现在有什么应用场景?以后能进入消费电子领域吗?

公司回答表示:Micro LED目前主要的应用场景以大屏显示为主,如监控指挥调度等原来小间距的应用领域,以及对分辨率要求更高的场所。随着技术的迭代升级、相关产业的健全完善,MicroLED技术将有望应用于小尺寸消费电子领域。

本文源自金融界

线性恒流LED驱动集成电路的多种应用电路详解

这里以EG501为例,系统地讲解线性恒流LED驱动集成电路各种类型的典型应用电路。图2-67是EG501集成电路引脚分布、功能示意图。从图中可以看出,它只有3根引脚,分别是电源引脚、输出引脚和接地引脚。

图2-67 EG501 集成电路引脚分布、功能示意图

线性恒流LED驱动集成电路主要应用于手机、MP3、MP4、GPS接收机、LED灯、数码相机、笔记本电脑和手电筒等中。

内电路方框图

图2-68所示是EG501集成电路的内电路方框图。

图2-68 EG501 集成电路的内电路方框图

EG501线性恒流LED驱动集成电路各引脚的作用如下。

① 脚为恒流输出引脚,它用来接LED的负极。

② 脚是电源引脚,其输入的直流电压为1.6~5.5 V。

③ 脚是接地引脚。

典型应用电路

图2-69所示是EG501集成电路典型应用电路,这是驱动一只LED的电路,外电路十分简单,使用方便。电路中,有一个5 V直流电源,VD1是LED,A1是线性恒流LED驱动集成电路。

图2-69 EG501 集成电路典型应用电路

5 V直流电压加到A1的电源引脚②脚,使集成电路A1工作,A1 的①脚与③脚之间的内电路导通,这时VD1 在5 V 直流电压供电下导通,有电流流过VD1,VD1发光。图2-70是流过VD1的电流回路示意图。

图2-70 流过VD1 的电流回路示意图

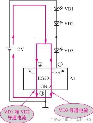
多只LED驱动电路(LED降压)

图2-71所示是多只LED驱动电路,电路中用一只线性恒流LED驱动集成电路A1驱动3只LED(VD1~VD3)。

图2-71 多只LED 驱动电路

电路中,直流工作电压是12 V,它通过VD1和VD2加到集成电路A1的电源引脚②脚上,这样在VD1和VD2导通发光的同时集成电路A1也进入工作状态。

VD1和VD2导通后的电压加到了VD3的正极,使VD3也导通发光,这样3只LED全部导通发光。图2-72所示是3只LED导通后的电流回路示意图,注意VD1和VD2、VD3的电流回路是不同的。

图2-72 3 只LED 导通后的电流回路示意图

重要提示

VD1和VD2导通后的管压降将12 V降低后加到集成电路A1的电源引脚②脚,以保证集成电路A1的②脚上的直流电压不超过 6 V,否则有损坏集成电路A1的危险。

如果VD1和VD2导通后的电压降比较小,加到集成电路A1②脚的电压大于6 V,可以在VD1回路中串联一只或是多只普通二极管VD4(1N4007),如图2-73所示,以保证加到集成电路A1的②脚上的直流电压不大于6 V。当然,集成电路A1 的②脚上的直流电压也不能太小,否则集成电路A1无法正常工作,这时就会导致VD1~VD3无法发光。

图2-73 串联二极管降压电路

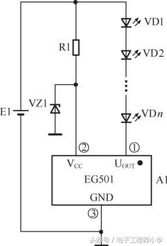
多只LED驱动电路(电源引脚稳压)

图2-74所示是另一种多只LED驱动电路,因为要驱动许多只LED,这时要求直流工作电压比较高。由于直流工作电压远高于集成电路A1的工作电压,在A1的电源引脚②脚电路上接入由R1和VZ1构成的简易直流稳压电压,使集成电路A1的②脚电压稳定在额定工作电压范围内。

图2-74 另一种多只LED 驱动电路

电路中,通过电阻R1和稳压二极管VZ1使集成电路A1的电源引脚上有合适的直流工作电压,这样集成电路A1就能进入工作状态。VZ1 可以选用3.6 V 的稳压二极管,要求流过电阻R1 的电流为1 mA,R1的取值≤(E1−3.6)V/1 mA。

串联在集成电路A1的①脚回路中的LED数量愈多,要求直流工作电压愈大,以保证LED能够导通发光。注意,各LED是串联的,所以所有LED是同时导通发光的。图2-75是LED导通后的电流回路示意图。

线性恒流LED驱动集成电路串联运用

图2-76所示是线性恒流LED驱动集成电路串联运用电路,电路中的A1、A2、A3和A4是相同型号的EG501线性恒流LED驱动集成电路,VD1、VD2、VD3和VD4是4只LED,直流电源E1的工作电压为8~ 22 V。

当直流电源E1电压波动范围比较大时,可以采用这种串联驱动的方式,以使每只LED均能得到恒流驱动。

图2-75 LED 导通后的电流回路示意图

图2-76 线性恒流LED 驱动集成电路串联运用电路

重要提示

这一电路的工作原理与单块集成电路运用时是相似的,相当于4块集成电路的电源电路串联起来后接到总电源E1上,每块集成电路平均分配到1/4的直流工作电压。同时,4块集成电路的地线回路也是串联的,流过每只LED的电流是相等的,且是恒定的。

这一电路的最高直流工作电压不能超过6 V×4=24 V,因为每只集成电路的最高直流工作电压不能超过6 V。

线性恒流LED驱动集成电路并联运用

在大电流LED电路中,如果一块线性恒流LED驱动集成电路的输出电流不足以驱动大电流LED时,可以采用线性恒流LED驱动集成电路并联运用电路。图2-77所示是两块线性恒流LED驱动集成电路并联运用的电路。

图2-77 两块线性恒流LED 驱动集成电路并联运用的电路

电路中,A1的①脚与A2的①脚相连接,A1的②脚与A2的②脚相连接,A1的③脚与A2的③脚直接相连接。电路中的电流平均地流过了A1和A2。

PWM信号调节LED亮度电路

运用线性恒流LED驱动集成电路可以实现PWM信号调节LED的亮度,如图2-78所示。电路中,A1是EG501线性恒流LED驱动集成电路,PWM信号直接加到集成电路A1 的电源引脚②脚上,5 V 直流工作电压直接加到VD1的正极。

图2-78 PWM 信号调节LED 亮度的电路

图2-79所示是PWM信号示意图。

图2-79 PWM 信号示意图

当PWM 信号加到EG501 的电源引脚②脚时,流入VD1 的电流在0 A 和设定的电流值之间变化,即LED中的电流有两种状态:一是电流为0 A,二是电流为设定值。这样流入VD1 的平均电流就受PWM 信号的控制,VD1的平均电流随PWM 占空比的增大而增加。

0%的占空比将完全关断VD1的电流,此时VD1不发光;100%的占空比使得VD1的电流为设定的最大电流,此时VD1为设定的最大发光亮度。这样VD1的发光亮度受PWM信号控制,出现受PWM控制的亮、不亮的变化,借助于人眼视觉惰性,可以主观感觉到亮度的连续变化。

重要提示

关于人眼视觉惰性是这样的:在生活中我们都有这样的体会,看了一个光源后闭上眼睛,眼前光的影子要过一会儿才消失,这就是视觉惰性造成的。人眼的视觉感觉总是滞后于光源信号。当光源突然出现时,人眼的视觉感觉以近似指数特性上升,在光源消失后也是以近似指数特性下降的。

电路中,对PWM信号发生器有一定要求,为确保集成电路A1(EG501)的电源引脚②脚的正常工作电压,要求PWM信号的电平在+2~+6 V 范围内,输出电流能力需大于70 mA,PWM 信号的频率应该小于10 kHz。

相关问答

LED 应用 范围 - 懂得

1连接220V/50Hz的交流供电线路,LED就会被点亮。限流电阻R的阻值为220V/IF。2、交流开关指示灯用LED作白炽灯开关指示灯的电路,当开关断开灯泡熄灭时...

led 照明技术及 应用 ?

随着我国LED照明技术的不断发展,LED照明技术各方面都在逐渐的提升,应用范围也越来越广,产品竞争力也在逐渐的提升。同时LED照明产业在政府的支持下,使得LED照...

为什么要研发和 应用LED ?

现在传统的钨丝灯已经渐渐被市场所淘汰,用户和国家都是鼓励大家采用节能灯进行节能环保,而且使用的过程中能够保证亮度和安全的同时,帮助用户节能环保,不产生...

led电子 显示屏? 电子led 显示屏主要 应用 以哪些行业?

[回答]点阵电子显示屏也属于LED显示屏,LED显示屏按发光器件分:点阵式(点阵模组)插件式(如546346)贴片式(如50503528等)。点阵电子显示屏一般用是户内(因为...

LEDVF(forwardvoltage)电压有什么作用?在 应用LED 过程中发现L...

[最佳回答]LED发光的主要原因是电子与空穴的复合.外加电压所起的作用是维持这个电流能够持续的进行下去.也可以讲只要有电流,LED就会发光.只是发光达到一个什...

2010年上海世博会上,世博园区大量 应用 LED 技术. LED 其实是一...

[最佳回答]1.电功率W=U·I=20mA*1.4V=0.048W(就这么简单,题目那么多字迷惑你呢.注意题目说了“在一定电压范围内的工作电流都是20mA)2.串联分压原则,在不考虑...

LED 行业中 COB是什么意思,主要 应用 有哪些? - 你好嗎 ✨ ๑...

芯片集成COB模块目化封装,主要用品形式。传统的LED做法是:LED光源分立器件→MCPCB光源模组→LED灯具,主要是由于没有现成合适的核心光源组件而采取...

LED 显示屏的 应用 都有哪些?

LED显示屏的应用范围非常广阔,主要可以分为以下几类,但是不包括全部。led户外传媒、舞台租赁、集群发布、交通诱导、室内小间距、逐点校正等等。其...

LED 行业中 COB是什么意思,主要 应用 有哪些? - beboom 的回答...

B封装形式而来的COB面光源又称COB光源,COB平面光源,COB集成光源,陶瓷COB光源目前主要运用在室内外灯具照明中都有运用,室内主要的有:射灯,...COB贴...

LED 室内照明 应用 技术要求?

《LED室内照明应用技术要求》是2016年1月1日实施的一项中国国家标准。中文名:LED室内照明应用技术要求。英文名:Technicalrequirementsforapplicationof...

标签:

相关阅读