霍尔元件电子应用 完整版:霍尔元件及其应用

小编头像

小编

管理员

发布于:2026年04月14日

108 阅读 · 0 评论

完整版:霍尔元件及其应用

霍尔元件是一种基于霍尔效应的磁传感器,已发展成一个品种多样的磁传感器产品族,并已得到广泛的应用。本文简要介绍其工作原理, 产品特性及其典型应用。

霍尔器件是一种磁传感器。用它们可以检测磁场及其变化,可在各种与磁场有关的场合中使用。霍尔器件以霍尔效应为其工作基础。

霍尔器件具有许多优点,它们的结构牢固,体积小,重量轻,寿命长,安装方便,功耗小,频率高(可达1MHZ),耐震动,不怕灰尘、油污、水汽及盐雾等的污染或腐蚀。

霍尔线性器件的精度高、线性度好;霍尔开关器件无触点、无磨损、输出波形清晰、无抖动、无回跳、位置重复精度高(可达μm级)。取用了各种补偿和保护措施的霍尔器件的工作温度范围宽,可达-55℃~150℃。

按照霍尔器件的功能可将它们分为:

霍尔线性器件 霍尔开关器件 前者输出模拟量,后者输出数字量。

按被检测的对象的性质可将它们的应用分为:直接应用和间接应用。前者是直接检测出受检测对象本身的磁场或磁特性,后者是检测受检对象上人为设置的磁场,用这个磁场来作被检测的信息的载体,通过它,将许多非电、非磁的物理量例如力、力矩、压力、应力、位置、位移、速度、加速度、角度、角速度、转数、转速以及工作状态发生变化的时间等,转变成电量来进行检测和控制。

2 霍尔效应和霍尔元件

2.1 霍尔效应

如图1所示,在一块通电的半导体薄片上,加上和片子表面垂直的磁场B,在薄片的横向两侧会出现一个电压,如图1中的VH,这种现象就是霍尔效应,是由科学家爱德文·霍尔在1879年发现的。VH称为霍尔电压。

(a)霍尔效应和霍尔元件

这种现象的产生,是因为通电半导体片中的载流子在磁场产生的洛仑兹力的作用下,分别向片子横向两侧偏转和积聚,因而形成一个电场,称作霍尔电场。霍尔电场产生的电场力和洛仑兹力相反,它阻碍载流子继续堆积,直到霍尔电场力和洛仑兹力相等。这时,片子两侧建立起一个稳定的电压,这就是霍尔电压。

在片子上作四个电极,其中C1、C2间通以工作电流I,C1、C2称为电流电极,C3、C4间取出霍尔电压VH,C3、C4称为敏感电极。将各个电极焊上引线,并将片子用塑料封装起来,就形成了一个完整的霍尔元件(又称霍尔片)。

(1)

或(2)

或(3)

在上述(1)、(2)、(3)式中VH是霍尔电压,ρ是用来制作霍尔元件的材料的电阻率,μn是材料的电子迁移率,RH是霍尔系数,l、W、t分别是霍尔元件的长、宽和厚度,f(I/W)是几何修正因子,是由元件的几何形状和尺寸决定的,I是工作电流,V是两电流电极间的电压,P是元件耗散的功率。由(1)~(3)式可见,在霍尔元件中,ρ、RH、μn决定于元件所用的材料,I、W、t和f(I/W)决定于元件的设计和工艺,霍尔元件一旦制成,这些参数均为常数。因此,式(1)~(3)就代表了霍尔元件的三种工作方式所得的结果。(1)式表示电流驱动,(2)式表示电压驱动,(3)式可用来评估霍尔片能承受的最大功率。

为了精确地测量磁场,常用恒流源供电,令工作电流恒定,因而,被测磁场的磁感应强度B可用霍尔电压来量度。

在一些精密的测量仪表中,还采用恒温箱,将霍尔元件置于其中,令RH保持恒定。

若使用环境的温度变化,常采用恒压驱动,因和RH比较起来,μn随温度的变化比较平缓,因而VH受温度变化的影响较小。

为获得尽可能高的输出霍尔电压VH,可加大工作电流,同时元件的功耗也将增加。(3)式表达了VH能达到的极限——元件能承受的最大功耗。

2.2 霍尔器件

霍尔器件分为: 霍尔元件 霍尔集成电路 两大类,前者是一个简单的霍尔片,使用时常常需要将获得的霍尔电压进行放大。后者将霍尔片和它的信号处理电路集成在同一个芯片上。

2.2.1 霍尔元件

霍尔元件可用多种半导体材料制作,如Ge、Si、InSb、GaAs、InAs、InAsP以及多层半导体异质结构量子阱材料等等。

InSb和GaAs霍尔元件输出特性见图1(a)、图1(b)

(a)霍尔效应和霍尔元件

(b)InSb霍尔元件的输出特性

(c)GaAs霍尔元件的输出特性

图1 霍尔元件的结构和输出特性

这些霍尔元件大量用于直流无刷电机和测磁仪表。

2.2.2 霍尔电路

2.2.2.1 霍尔线性电路

它由霍尔元件、差分放大器和射极跟随器组成。其输出电压和加在霍尔元件上的磁感强度B成比例,它的功能框图和输出特性示于图2和图3。

这类电路有很高的灵敏度和优良的线性度,适用于各种磁场检测。霍尔线性电路的性能参数见表3。

图2 霍尔线性电路的功能框图

图3 霍尔线性电路UGN3501的磁电转换特性曲线

表3 线性霍尔电路的特性参数

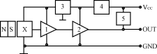
2.2.2.2 霍尔开关电路

霍尔开关电路又称霍尔数字电路,由稳压器、霍尔片、差分放大器,斯密特触发器和输出级组成。在外磁场的作用下,当磁感应强度超过导通阈值BOP时,霍尔电路输出管导通,输出低电平。之后,B再增加,仍保持导通态。若外加磁场的B值降低到BRP时,输出管截止,输出高电平。我们称BOP为工作点,BRP为释放点,BOP-BRP=BH称为回差。回差的存在使开关电路的抗干扰能力增强。霍尔开关电路的功能框见图4。图4(a)表示集电极开路(OC)输出,(b)表示双输出。它们的输出特性见图5,图5(a)表示普通霍尔开关,(b)表示锁定型霍尔开关的输出特性。

(a) 单OC输出 (b)双OC输出

图4 霍尔开关电路的功能框图

(a)开关型输出特性 (b)锁定型输出特性

图5 霍尔开关电路的输出特性

一般规定,当外加磁场的南极(S极)接近霍尔电路外壳上打有标志的一面时,作用到霍尔电路上的磁场方向为正,北极接近标志面时为负。

锁定型霍尔开关电路的特点是:当外加场B正向增加,达到BOP时,电路导通,之后无论B增加或减小,甚至将B除去,电路都保持导通态,只有达到负向的BRP时,才改变为截止态,因而称为锁定型。霍尔开关电路的性能参数见表4。

表4 霍尔开关电路的特性参数

2.2.2.3 差动霍尔电路(双霍尔电路)

它的霍尔电压发生器由一对相距2.5mm的霍尔元件组成,其功能框图见图6。

图6 差动霍尔电路的工作原理图

使用时在电路背面放置一块永久磁体,当用铁磁材料制成的齿轮从电路附近转过时,一对霍尔片上产生的霍尔电压相位相反,经差分放大后,使器件灵敏度大为提高。用这种电路制成的 汽车齿轮传感器 具有极优的性能。

2.2.2.4 其它霍尔电路

除上述各种霍尔元件外,目前还出现了许多特殊功能的霍尔电路,如功率霍尔电路,多重双线霍尔传感器电路,二维、三维霍尔集成电路等待。

3 霍尔器件的应用

3.1 应用的一般问题

3.1.1 测量磁场

使用霍尔器件检测磁场的方法极为简单,将霍尔器件作成各种形式的探头,放在被测磁场中,因霍尔器件只对垂直于霍尔片的表面的磁感应强度敏感,因而必须令磁力线和器件表面垂直,通电后即可由输出电压得到被测磁场的磁感应强度。若不垂直,则应求出其垂直分量来计算被测磁场的磁感应强度值。而且,因霍尔元件的尺寸极小,可以进行多点检测,由计算机进行数据处理,可以得到场的分布状态,并可对狭缝,小孔中的磁场进行检测。

3.1.2 工作磁体的设置

用磁场作为被传感物体的运动和位置信息载体时,一般采用永久磁钢来产生工作磁场。例如,用一个5×4×2.5(mm3)的钕铁硼Ⅱ号磁钢,就可在它的磁极表面上得到约2300高斯的磁感应强度。在空气隙中,磁感应强度会随距离增加而迅速下降。为保证霍尔器件,尤其是霍尔开关器件的可靠工作,在应用中要考虑有效工作气隙的长度。在计算总有效工作气隙时,应从霍尔片表面算起。在封装好的霍尔电路中,霍尔片的深度在产品手册中会给出。

因为霍尔器件需要工作电源,在作运动或位置传感时,一般令磁体随被检测物体运动,将霍尔器件固定在工作系统的适当位置,用它去检测工作磁场,再从检测结果中提取被检信息。

工作磁体和霍尔器件间的运动方式有:(a)对移;(b)侧移;(c)旋转;(d)遮断。如图7所示,图中的TEAG即为总有效工作气隙。

图7 霍尔器件和工作磁体间的运动方式

在遮断方式中,工作磁体和霍尔器件以适当的间隙相对固定,用一软磁(例如软铁)翼片作为运动工作部件,当翼片进入间隙时,作用到霍尔器件上的磁力线被部分或全部遮断,以此来调节工作磁场。被传感的运动信息加在翼片上。这种方法的检测精度很高,在125℃的温度范围内,翼片的位置重复精度可达50μm。

图8 在霍尔器件背面放置磁体

也可将工作磁体固定在霍尔器件背面(外壳上没打标志的一面),让被检的铁磁物体(例如钢齿轮)从它们近旁通过,检测出物体上的特殊标志(如齿、凸缘、缺口等),得出物体的运动参数。

3.1.3 与外电路的接口

霍尔开关电路的输出级一般是一个集电极开路的NPN晶体管,其使用规则和任何一种相似的NPN开关管相同。输出管截止时,输漏电流很小,一般只有几nA,可以忽略,输出电压和其电源电压相近,但电源电压最高不得超过输出管的击穿电压(即规范表中规定的极限电压)。输出管导通时,它的输出端和线路的公共端短路。因此,必须外接一个电阻器(即负载电阻器)来限制流过管子的电流,使它不超过最大允许值(一般为20mA),以免损坏输出管。输出电流较大时,管子的饱和压降也会随之增大,使用者应当特别注意,仅这个电压和你要控制的电路的截止电压(或逻辑“零”)是兼容的。

以与发光二极管的接口为例,对负载电阻器的选择作一估计。若在Io为20mA(霍尔电路输出管允许吸入的最大电流),发光二极管的正向压降VLED=1.4V,当电源电压VCC=12V时,所需的负载电阻器的阻值

(4)

和这个阻值最接近的标准电阻为560Ω,因此,可取560Ω的电阻器作为负载电阻器。

用图9表示简化了的霍尔开关电路,图10表示与各种电路的接口:(a)与TTL电路;(b)与CMOS电路;(c)与LED;(d)与晶闸管。

图9

简化的霍尔开关示意图

图10 霍尔开关与电路接口举例

与这些电路接口时所需的负载电阻器阻值的估算方法,和式(4)的方法相同。

若受控的电路所需的电流大于20mA,可在霍尔开关电路与被控电路间接入电流放大器。

霍尔器件的开关所需的电流大于20mA,可在霍尔开关电路与被电路间接入电流放大器。

霍尔器件的开关作用非常迅速,典型的上升时间和下降时间在400nS范围内,优于任何机械开关。

3.2 应用实例

下面我们将举出一些应用实例。这些例子仅是该类应用中的一种,用同样的原理和方法,使用者可根据自己的使用需要,设计出自己的应用装置。

3.2.1检测磁场

用霍尔线性器件作探头,测量10-6T~10T的交变和恒定磁场,已有许多商品仪器。这里,仅介绍一种用经过校准的UGN3503或A3515型霍尔线性电路来检测磁场的磁感应强度的简便方法。电路出厂时,工厂可提供每块电路的校准曲线和灵敏度系数。测量时,将电路第一脚(面对标志面从左到右数)接电源,第二脚接地,第三脚接高输入阻抗(>10kΩ)电压表,通电后,将电路放入被测磁场中,让磁力线垂直于电路表面,读出电压表的数值,即可从校准曲线上查得相应的磁感应强度值。使用前,将器件通电一分钟,使之达到稳定。

用灵敏度系数计算被测磁场的B值时,可用

B=[Vout(B)-Vout(o)]1000/S

式中,Vout(B)=加上被测磁场时的电压读数,单位为V,Vout(o)=未加被测磁场时的电压读数,单位为V,S=灵敏度系数,单位为mV/G(高斯),B=被测磁场的磁感应强度,单位为G。

3.2.2 检测铁磁物体

在霍尔线性电路背面偏置一个永磁体,如图11所示。图11(a)表示检测铁磁物体的缺口,图11(b)表示检测齿轮的齿。它们的电路接法见图12,(a)为检测齿轮,(b)为检测缺口。用这种方法可以检测齿轮的转速。

图11 用霍尔线性电路检测铁磁物体

图12 用霍尔线性电路检测齿口的线路

3.2.3 用在直流无刷电机中

直流无刷电机使用永磁转子,在定子的适当位置放置所需数量的霍尔器件,它们的输出和相应的定子绕组的供电电路相连。当转子经过霍尔器件附近时,永磁转子的磁场令已通电的霍尔器件输出一个电压使定子绕组供电电路导通,给相应的定子绕组供电,产生和转子磁场极性相同的磁场,推斥转子继续转动。到下一位置,前一位置的霍尔器件停止工作,下位的霍尔器件导通,使下一绕组通电,产生推斥场使转子继续转动。如此循环,维持电机的工作。其工作原理示于图13。

在这里,霍尔器件起位置传感器的作用,检测转子磁极的位置,它的输出使定子绕组供电电路通断,又起开关作用,当转子磁极离去时,令上一个霍尔器件停止工作,下一个器件开始工作,使转子磁极总是面对推斥磁场,霍尔器件又起定子电流的换向作用。

无刷电机中的霍尔器件,既可使用霍尔元件,也可使用霍尔开关电路。使用霍尔元件时,一般要外接放大电路,如图14所示,使用霍尔开关电路,可直接驱动电机绕组,使线路大为简化,如图15所示。

图13 霍尔元件在无刷电机中的工作 (其中的HG为霍尔元件)

图14 采用霍尔元件的电机驱动电路 (图中的H为霍尔元件)

图15 用CS2018霍尔开关锁定电路直接驱动电机的线路示意图(图中的线圈为电机定子绕组)

铁磁材料受到磁场激励时,因其导磁率高,磁阻小,磁力线都集中在材料内部。若材料均匀,磁力线分布也均匀。如果材料中有缺陷,如小孔、裂纹等,在缺陷处,磁力线会发生弯曲,使局部磁场发生畸变。用霍尔探头检出这种畸变,经过数据处理,可辨别出缺陷的位置,性质(孔或裂纹)和大小(如深度、宽度等),图16示出两种用于无损探伤的探头结构。(b)检测线材用

(a)检测板材用

图16 用于无损探伤的两种霍尔探头

3.2.4 无损探伤

霍尔无损探伤已在炮膛探伤、管道探伤,海用缆绳探伤,船体探伤以及材料检验等方面得到广泛应用。

3.2.5 磁记录信息读出

用霍尔元件制成的磁读头,如图17所示,将写头和读头装在同一外壳里,采用长1mm,宽0.2mm,厚1.4μm的InSb霍尔元件,其信噪比比普通磁头高3db~5db,由于写头和读头间的间距很小,仅2.6mm,故可用一读头去监视几分之一秒之前录头录下的信息。

图17 霍尔磁头

霍尔读头的输出仅由记录信息的磁感应强度来决定,即使频率到零,输出仍然恒定,且因读头无电感,故可获得优异的瞬态响应。它的灵敏度随温度的变化也很小,约为0.01db/℃。采用适当的前置放大电路,可在0℃~50℃范围内保持±0.5db。

由于霍尔磁读头具备这些优点,因而在计算机中得到很重要的应用。特别在高密度垂直记录的磁盘的信息读出中,更能显示其优越性。专家预言,今后十年,霍尔读头很可能会占去磁阻头的部分市场。

3.2.6 霍尔接近传感器和接近开关

在霍尔器件背后偏置一块永久磁体,并将它们和相应的处理电路装在一个壳体内,做成一个探头,将霍尔器件的输入引线和处理电路的输出引线用电缆连接起来,构成如图18所示的接近传感器。它们的功能框见图19。(a)为霍尔线性接近传感器,(b)为霍尔接近开关。

图18 霍尔接近传感器的外形图

(a)霍尔线性接近传感器

(b)霍尔接近开关

图19 霍尔接近传感器的功能框图

霍尔线性接近传感器主要用于黑色金属的自控计数,黑色金属的厚度检测、距离检测、齿轮数齿、转速检测、测速调速、缺口传感、张力检测、棉条均匀检测、电磁量检测、角度检测等。

霍尔接近开关主要用于各种自动控制装置,完成所需的位置控制,加工尺寸控制、自动计数、各种计数、各种流程的自动衔接、液位控制、转速检测等等。

3.2.7 霍尔翼片开关

霍尔翼片开关就是利用遮断工作方式的一种产品,它的外形如图20所示,其内部结构及工作原理示于图21。

图20 霍尔翼片开关的外形图

图21 霍尔翼片开关的内部结构和工作原理示意图

翼片未进入工作气隙时,霍尔开关电路处于导通态。翼片进入后,遮断磁力线,使开关变成截止态,它的状态转变的位置非常精确,在125℃的温度范围内位置重复精度可达50nm。将齿轮形翼片和轴相连,用在汽车点火器中作为点火开关,可得到准确的点火时间,使汽缸中的汽油充分燃烧,既可节约燃料,又能降低车辆排放的尾气的污染,已在桑塔那,克莱斯勒等许多名车中使用。将它们用在工业自动控制系统中,可作为转速传感器、位置开关、限位开关、轴编码器、码盘扫描器等。

3.2.8 霍尔齿轮传感器

用2.2.2.3中介绍的差动霍尔电路制成的霍尔齿轮传感器,如图22所示,新一代的霍尔齿轮转速传感器,广泛用于新一代的汽车智能发动机,作为点火定时用的速度传感器,用于ABS(汽车防抱死制动系统)作为车速传感器等。

在ABS中,速度传感器是十分重要的部件。ABS的工作原理示意图如图23所示。图中,1是车速齿轮传感器;2是压力调节器;3是控制器。在制动过程中,控制器3不断接收来自车速齿轮传感器1和车轮转速相对应的脉冲信号并进行处理,得到车辆的滑移率和减速信号,按其控制逻辑及时准确地向制动压力调节器2发出指令,调节器及时准确地作出响应,使制动气室执行充气、保持或放气指令,调节制动器的制动压力,以防止车轮抱死,达到抗侧滑、甩尾,提高制动安全及制动过程中的可驾驭性。在这个系统中,霍尔传感器作为车轮转速传感器,是制动过程中的实时速度采集器,是ABS中的关键部件之一。

在汽车的新一代智能发动机中,用霍尔齿轮传感器来检测曲轴位置和活塞在汽缸中的运动速度,以提供更准确的点火时间,其作用是别的速度传感器难以代替的,它具有如下许多新的优点。

(1)相位精度高,可满足0.4°曲轴角的要求,不需采用相位补偿。

(2)可满足0.05度曲轴角的熄火检测要求。

(3)输出为矩形波,幅度与车辆转速无关。在电子控制单元中作进一步的传感器信号调整时,会降低成本。

用齿轮传感器,除可检测转速外,还可测出角度、角速度、流量、流速、旋转方向等等。

图22 霍尔速度传感器的内部结构

1.车轮速度传感器2.压力调节器3.电子控制器

图23 ABS气制动系统的工作原理示意图

3.2.9 旋转传感器

按图24所示的各种方法设置磁体,将它们和霍尔开关电路组合起来可以构成各种旋转传感器。霍尔电路通电后,磁体每经过霍尔电路一次,便输出一个电压脉冲。

(a)径向磁极(b)轴向磁极(c)遮断式

图24 旋转传感器磁体设置

由此,可对转动物体实施转数、转速、角度、角速度等物理量的检测。在转轴上固定一个叶轮和磁体,用流体(气体、液体)去推动叶轮转动,便可构成流速、流量传感器。在车轮转轴上装上磁体,在靠近磁体的位置上装上霍尔开关电路,可制成车速表,里程表等等,这些应用的实例如图25所示。

图25的壳体内装有一个带磁体的叶轮,磁体旁装有霍尔开关电路,被测流体从管道一端通入,推动叶轮带动与之相连的磁体转动,经过霍尔器件时,电路输出脉冲电压,由脉冲的数目,可以得到流体的流速。若知管道的内径,可由流速和管径求得流量。霍尔电路由电缆35来供电和输出。

图25 霍尔流量计

由图26可见,经过简单的信号转换,便可得到数字显示的车速。

利用锁定型霍尔电路,不仅可检测转速,还可辨别旋转方向,如图27所示。

曲线1对应结构图(a),曲线2对应结构图(b),曲线3对应结构图(c)。

图26 霍尔车速表的框图

图27 利用霍尔开关锁定器进行方向和转速测定

3.2.10 霍尔位移传感器

若令霍尔元件的工作电流保持不变,而使其在一个均匀梯度磁场中移动,它输出的霍尔电压VH值只由它在该磁场中的位移量Z来决定。图28示出3种产生梯度磁场的磁系统及其与霍尔器件组成的位移传感器的输出特性曲线,将它们固定在被测系统上,可构成霍尔微位移传感器。从曲线可见,结构(b)在Z<2mm时,VH与Z有良好的线性关系,且分辨力可达1μm,结构(C)的灵敏度高,但工作距离较小。

图28 几种产生梯度磁场的磁系统和几种霍尔位移传感器的静态特性

用霍尔元件测量位移的优点很多:惯性小、频响快、工作可靠、寿命长。

以微位移检测为基础,可以构成压力、应力、应变、机械振动、加速度、重量、称重等霍尔传感器。

3.2.10.1 霍尔压力传感器

霍尔压力传感器由弹性元件,磁系统和霍尔元件等部分组成,如图29所示。在图29中,(a)的弹性元件为膜盒,(b)为弹簧片,(c)为波纹管。磁系统最好用能构成均匀梯度磁场的复合系统,如图29中的(a)、(b),也可采用单一磁体,如(c)。加上压力后,使磁系统和霍尔元件间产生相对位移,改变作用到霍尔元件上的磁场,从而改变它的输出电压VH。由事先校准的p~f(VH)曲线即可得到被测压力p的值。

图29 几种霍尔压力传感器的构成原理

3.2.10.2 霍尔应力检测装置

图30示出用来进行土壤和砂子与钢界面上的法向和切向应力检测的霍尔传感器装置。(a)检测向切应力,(b)检测压应力。箭头所指是施加的外力方向。在图30(a)中,仪器上用钢作成上下两个块子,它们之间有两条较细的梁支撑,在钢下块上置一销柱,销上贴两对永磁体,形成均匀梯度磁场,在上块上贴两个霍尔传感器,受剪切力作用后,支撑梁发生形变,使霍尔传感器和磁场间发生位移,使传感器输出发生变化。由霍尔传感器的输出可从事先校准的曲线上查得与该装置相接的砂或土受到的剪切应力。

图30 霍尔应力检测装置

图30(b)的磁体固定在受力后产生形变的膜片上,霍尔传感器固定在一杆上。检测原理同上。应用检测压应力的原理,可构成检测重量的装置,称作霍尔称重传感器。

3.2.10.3 霍尔加速度传感器

图31示出霍尔加速度传感器的结构原理和静态特性曲线。在盒体的O点上固定均质弹簧片S,片S的中部U处装一惯性块M,片S的末端b处固定测量位移的霍尔元件H,H的上下方装上一对永磁体,它们同极性相对安装。盒体固定在被测对象上,当它们与被测对象一起作垂直向上的加速运动时,惯性块在惯性力的作用下使霍尔元件H产生一个相对盒体的位移,产生霍尔电压VH的变化。可从VH与加速度的关系曲线上求得加速度。

图31 霍尔加速度传感器的结构及其静态特性

3.2.10.4 霍尔振动传感器

图32所示为一种霍尔机械振动传感器。图中,1为霍尔元件,固定在非磁性材料的平板2上,平板2紧固在顶杆3上,顶杆3通过触点4与被测对象接触,随之做机械振动。元件1置于磁系统6中。当触头4靠在被测物体上时,经顶杆3,平板2使霍尔元件在磁场中按被测物的振动频率振动,霍尔元件输出的霍尔电压的频率和幅度反映了被测物的振动规律。

应当说明,在现代电子装置中,上述应力、压力、加速度、振动等传感器所得数据,都可经微机进行处理后直接显示出被测量数据或将被测量数据供各种控制系统使用。

图32 霍尔机械振动传感器结构原理(待续)

3.2.10.5霍尔液位传感器

图33示出两种霍尔液位检测装置。图(a)的结构简单,霍尔器件装在容器外面,永磁体支在浮子上,随着液位变化,作用到霍尔器件上的磁场的磁感应强度改变,从而可测得液位。图(b)的结构比较复杂,但可实现自动测量。

在图33(b)中,15是一个中空的非磁材料的管子,浮子19套在管子15外,可上下滑动,在19的上端放着永磁21,霍尔器件及其馈线和一根冲了许多孔的柔性带在一起,吊在管子15内。多孔柔性带像电影胶片一样,用绞盘39绞动,使之上下移动。当柔性带带着的霍尔器件接近浮子上的磁体21时,霍尔器件将输出霍尔电压,校准霍尔电压和浮子位置的关系,即可由所得的霍尔电压得到容器中液体的液位。用这种装置可实现远距离自动检测。

用霍尔液位传感器检测液位时,因霍尔器件在液体之外,且系无接触传感,在检测过程中不产生火花,且可实现远距离测量,因此,可用来检测易燃、易爆、有腐蚀性和有毒的液体的液位和容器中的液体存量,在石油、化工、医药、交通运输中有广泛的用途。尽管目前已有许多不同工作原理的液位计出现,但对上述各种危险液体的液位实测表明,霍尔液位传感器是其中最好的检测方法和装置之一。

3.2.10.6基于位移传感的霍尔流量计

图34给出一种基于位移传感的霍尔流量计。叶轮在流体推动下旋转,带动螺杆旋转,使磁系统产生上下移动。流速高则位移量大。用霍尔器件检出位移而获得流速和流量。

(a)

(b) 图33霍尔液位传感器

图34基于位移传感的霍尔流量计

图35霍尔电流传感器的构成原理

3.2.11实现电-磁-电的转换

从所周知,在有电流流过的导线周围会感生出磁场,该磁场与流过的电流的关系,可由安培环路定理求出。

用霍尔器件检测由电流感生的磁场,即可测出产生这个磁场的电流的量值。由此,可以构成霍尔电流、电压传感器。

因为霍尔器件的输出电压与加在它上面的磁感应强度以及流过其中的工作电流的乘积成比例,是一个具有乘法器功能的器件,因而可用它检测电功率,构成具有各种特殊功能的霍尔功率计和霍尔电度表。

由输入的电信号建立的磁场,经霍尔器件的作用,实现了磁电变换后,又变成电信号输出,这一变换实现了输入-输出信号间的电隔离,由此可构成隔离放大器、隔离耦合器等许多新型产品。

3.2.11.1霍尔电流传感器

霍尔电流传感器的结构如图35所示。用一环形导磁材料作成磁芯,套在被测电流流过的导线上,将导线中电流感生的磁场聚集起来,在磁芯上开一气隙,内置一个霍尔线性器件,器件通电后,便可由它的霍尔输出电压得到导线中流通的电流。图35(a)所示的传感器用于测量电流强度较小的电流,图35(b)所示的传感器用于检测较大的电流。

实际的霍尔电流传感器有两种构成形式,即直接测量式和零磁通式。

3.2.11.1.1直接测量式霍尔电流传感器

将图35中霍尔器件的输出(必要时可进行放大)送到经校准的显示器上,即可由霍尔输出电压的数值直接得出被测电流值。这种方式的优点是结构简单,测量结果的精度和线性度都较高。可测直流、交流和各种波形的电流。但它的测量范围、带宽等受到一定的限制。在这种应用中,霍尔器件是磁场检测器,它检测的是磁芯气隙中的磁感应强度。电流增大后,磁芯可能达到饱和;随着频率升高,磁芯中的涡流损耗、磁滞损耗等也会随之升高。这些都会对测量精度产生影响。当然,也可采取一些改进措施来降低这些影响,例如选择饱和磁感应强度高的磁芯材料;制成多层磁芯;采用多个霍尔元件来进行检测等等。

这类霍尔电流传感器的价格也相对便宜,使用非常方便,已得到极为广泛的应用,国内外已有许多厂家生产。

3.2.11.1.2零磁通式(也称为磁平衡式或反馈补偿式)霍尔电流传感器

如图36所示,将霍尔器件的输出电压进行放大,再经电流放大后,让这个电流通过补偿线圈,并令补偿线圈产生的磁场和被测电流产生的磁场方向相反,若满足条件IoN1=IsN2,则磁芯中的磁通为0,这时下式成立:

Io=Is(N2/N1)(5)

式中,I1为被测电流,即磁芯中初级绕组中的电流,N1为初级绕组的匝数,I2为补偿绕组中的电流,N2为补偿绕组的匝数。由式(5)可知,达到磁平衡时,即可由Is及匝数比N2/N1得到Io。

图36霍尔零磁通电流传感器

图37霍尔电流传感器在继电保护与测量中的应用 (H为霍尔电流传感器)

这个平衡过程是自动建立的,是一个动态平衡。建立平衡所需的时间极短。平衡时,霍尔器件处于零磁通状态。磁芯中的磁感应强度极低(理想状态应为0),不会使磁芯饱和,也不会产生大的磁滞损耗和涡流损耗。恰当地选择磁芯材料和线路元件,可做出性能优良的零磁通电流传感器。

在霍尔电流传感器的输出电路中接上恰当的负载电阻器,即可构成霍尔电压传感器。

霍尔电流传感器的特点是可以实现电流的“无电位”检测。即测量电路不必接入被测电路即可实现电流检测,它们靠磁场进行耦合。因此,检测电路的输入、输出电路是完全电隔离的。检测过程中,被测电路的状态不受检测电路的影响,检测电路也不受被检电路的景响。

霍尔电流传感器可以检测从直流到100kHz(通过仔细的设计和制作,甚至可以达到MHz级)的各种波形的电流,响应时间可短到1μs以下。

由于这些优点,霍尔电流传感器得到了极其广泛的应用。3 2 12霍尔电流传感器的应用

3.2.12.1 继电保护与测量

如图37所示,来自高压三相输电线路电流互感器的二次电流,经三只霍尔电流传感器H(图中只画出B相的一只),按比例转换成毫伏电压输出,然后再经运算放大器放大及有源滤波,得到符合要求的电压信号,送微机进行测量或处理。使用霍尔电流传感器很方便地实现了无畸变、无延时的信号转换。

3.2.12.2 在直流自动控制调速系统中的应用

在直流自动控制调速系统中,用霍尔电流电压传感器代替电流互感器,不仅动态响应好,还可实现对转子电流的最佳控制以及对晶闸管进行过载保护,其应用线路如图38所示。

图38在直流控制中的应用

图39霍尔电流传感器在逆变器中的应用(CS为霍尔电流传感器)

图40 霍尔电流传感器在UPS中的应用(1、2、3均为霍尔电流传感器)

图41 霍尔电流传感器在电子点焊机中的应用

3.2.12.3 在逆变器中的应用

在逆变器中,用霍尔电流传感器进行接地故障检测、直接侧和交流侧的模拟量传感,以保证逆变器能安全工作。应用线路如图39所示。

3.2.12.4在不间断电源中的应用

如图40所示,霍尔电流传感器1发出信号并进行反馈,以控制晶闸管的触发角,电流传感器2发出的信号控制逆变器,传感器3控制浮充电源。用霍尔电流传感器进行控制,保证逆变电源正常工作。由于其响应速度快,特别适用于计算机中的不间断电源。

3.2.12.5在电子点焊机中的应用

在电子点焊机电源中,霍尔电流传感器起测量和控制作用。它的快速响应能再现电流、电压波形,将它们反馈到可控整流器A、B,可控制其输出。用斩波器给直流迭加上一个交流,可更精确地控制电流。用霍尔电流传感器进行电流检测,既可测量电流的真正瞬时值,,又不致引入损耗,如图41所示。

3.2.12.6用于电车斩波器的控制

电车中的调速是由调整电压实现的。将霍尔电流传感器和其它元件配合使用,并将传感器的所有信号输入控制系统,可确保电车正常工作。其控制原理示

图42 霍尔电流传感器在电车斩波器中的应用

图43 在变频调速电机中的应用(I,R,S,T均为霍尔电流传感器)

图44 用于电能管理的霍尔电流传感器

图45 霍尔接地故障检测器的原理和结构

于图42。图中,SCR1是主串联晶闸管,SCR2为辅助晶闸管,Lo、Co组成输入滤波器,Ls是平滑扼流圈,M1~M5是霍尔电流传感器。

3.2.12.7在交流变频调速电机中的应用

用变频器来对交流电机实施调速,在世界各发达国家已普遍使用,且有取代直流调速的趋势。用变频器控制电机实现调速,可节省10%以上的电能。在变频器中,霍尔电流传感器的主要作用是保护昂贵的大功率晶体管。由于霍尔电流传感器的响应时间短于1μs,因此,出现过载短路时,在晶全管未达到极限温度之前即可切断电源,使晶体管得到可靠的保护,如图43所示。

3.2.12.8用于电能管理

图44给出一种用于电能管理的电流传感器的示意图。图中,12是通电导线,11是导磁材料带,17是霍尔元件,19是霍尔元件的输入、输出引线。由此构成的电流传感器,可安装到配电线路上进行负载管理。霍尔器件的输出和计算机连接起来,对用电情况进行监控,若发现过载,便及时使受控的线路断开,保证用电设备的安全。用这种装置,也可进行负载分配及电网的遥控、遥测和巡检等。

3.2.12.9在接地故障检测中的应用

在配电和各种用电设备中,可靠的接地是保证配电和用电设备安全的重要措施。采用霍尔电流传感器来进行接地故障的自动监测,可保证用电安全。图45示出一种霍尔接地故障监测装置。

3.2.12.10在电网无功功率自动补偿中的应用

电力系统无功功率的自动补偿,是指补偿容量随负荷和电压波动而变化,及时准确地投入和切除电容器,避免补偿过程中出现过补偿和欠补偿的不合理和不经济,使电网的功率因数始终保持最佳。无功功率的自动采样若用霍尔电流、电压传感器来进行,在保证“及时、准确”上具有显著的优点。因为它们的响应速度快,且无相位差,如图46所示。

图46 电网无功功率自动补偿控制器的原理框图

3.2.12.14霍尔钳形电流表

将磁芯做成张合结构,在磁芯开口处放置霍尔器件,将环形磁芯夹在被测电流流过的导线外,即可测出其中流过的电流。这种钳形表既可测交流也可测直流。图48示出一种数字钳形交流电流表的线路。

用钳形表可对各种供电和用电设备进行随机电流检测。

3.2.13电功率测量

使负载电压变换,令其与霍尔器件的工作电流成比例,将负载电流通入磁芯绕组中,作为霍尔电流传感器的被测电流,即可构成霍尔功率计。由霍尔器件输出的霍尔电压来指示功率,其工作原理如图49所示。

3.2.12.11在电力工频谐波分析仪中的应用

在电力系统中,电网的谐波含量用电力工频谐波仪来进行测试。为了将被测电压和电流变换成适合计算机A/D采样的电压,将各种电力工频谐波分析仪的取样装置,如电流互感器、电压互感器、电阻取样与光隔离耦合电路等和霍尔电流传感取样测试对比,结果表明霍尔电流传感器最为适用。对比结果如表8所示。

表8电力工频谐波分析仪中使用的3种接口部件的比较(LEM模块是一种霍尔零磁通电流传感器)

3.2.12.12在开关电源中的应用

近代出现的开关电源,是将电网的非稳定的交流电压变换成稳定的直流电压输出的功率变换装置。无论是电压控制型还是电流控制型开关电源,均采用脉冲宽度调制,借助驱动脉冲宽度与输出电压幅值之间存在的某种比例关系来维持恒压输出。其中,宽度变化的脉冲电压或电流的采样、传感等均需用电流、电压传感器来完成。霍尔电流、电压传感器以其频带宽、响应时间快以及安装简便而成为首选的电流、电压传感器。

3.2.12.13在大电流检测中的应用

在冶金、化工、超导体的应用以及高能物理(例如可控核聚变)试验装置中都有许多超大型电流用电设备。用多霍尔探头制成的电流传感器来进行大电流的测量和控制,既可满足测量准确的要求,又不引入插入损耗,还免除了像使用罗果勘斯基线圈法中需用的昂贵的测试装置。图47示出一种用于DⅢ-D托卡马克中的霍尔电流传感器装置。采用这种霍尔电流传感器,可检测高达到300kA的电流。

图47(a)为G-10安装结构,中心为电流汇流排,(b)为电缆型多霍尔探头,(c)为霍尔电压放大电路。

(a)G-10安装结构(b)电缆型多霍尔探头(c)霍尔电压放大电路

图47 多霍尔探头大电流传感器

图48 霍尔钳形数字电流表线路示意图

图49 霍尔功率计原理图

(a)霍尔控制电路 (b)霍尔磁场电路

图50 霍尔三相功率变送器中的霍尔乘法器

图51霍尔电度表功能框图

图52 霍尔隔离放大器的功能框图

3.2.13.1霍尔三相功率变送器

利用霍尔器件的乘法器功能,还可构成三相功率变送器,用以检测三相平衡或不平衡负载电路的三相有功功率和无功功率。图50示出霍尔三相功率变送器的乘法器。将其霍尔电压经滤波、放大和输出变换后,将三相功率量变成直流电压和电流。直流电压可供给远动装置、巡检装置等,直流电流可供给近距离测量及仪表等。三相功率变送器是实现电网自动化不可缺少的一个环节。

3.2.13.2构成电度表

在前述功率计后加上V/f变换及分频计数,即可构成电度表,加上磁卡读出装置,可构成磁卡电度表。

图51示出霍尔磁卡电度表的功能框图。

以霍尔器件为功率指示器,还可构成各种各样的功能电表,在这些电表中加入一些功能电路可构成例如带绝缘缺陷检测的电度表,窃电检测电度表等。以霍尔器件的基本功能为基础,还可能集成多功能家用电表,可同时显示电流、电压,用电度数及电费、功率因数、谐波电压等等。霍尔电度表可能成为最佳的智能电度表之一。

3.2.14霍尔隔离放大器

霍尔隔离放大器的原理框图示于图52,是以霍尔元件为中心,构成一个自平衡弱电流比较仪,用以取代变压器耦合隔离放大器中的调制、解调系统,使线路简化。仔细调整电流比较仪的电路,将放大器的频带大大展宽,使之可达DC~2MHz,而且保持了磁耦合隔离放大器的增益精度和光耦合隔离放大器的线性度,是一种高精度宽频带的隔离放大器。隔离放大器在空间技术、计算机技术、医疗和仪器仪表中有十分重要的应用。

3.2.15用作电磁隔离耦合器

用霍尔电流传感器的工作原理,可做成电磁耦合器。用初级线圈的电流控制霍尔器件的输出,用这个输出信号控制其它的电路,既收到隔离的效果,又达到耦合的目的。用这种电路可做成霍尔继电器、过载保护器、通信线路的保护开关等等。

这种电磁耦合器既可做成开关式,也可做成模拟量输出式。

此外,用霍尔器件还可检测异步电机的转差率和转速;测量磁性材料的磁化强度、各向异性、旋转损耗和时间效应;测量直流电机的电磁力矩等等;还可和热磁材料组合起来,构成热磁开关。霍尔器件已实现的各种应用如表9所列。

这里的介绍,除霍尔电流传感器外,都仅简述了应用中磁信息的采集和磁电转换的简单原理,对输出信号的处理和应用,没有作具体讨论。好在霍尔器件的输出,可与各种逻辑电路直接接口,还可以直接驱动各种性质(例如电阻性、电感性等)的负载,使用者可根据需要进行处理。

总之,因为霍尔器件的应用原理简单,信号处理方便,器件本身又具有一系列的独特优点,使其应用组合千变万化。作为一种磁场传感器和磁电转换的基础器件,随着人们对它的熟悉和了解,它们将象其他传感器等基础器件一样,在各种信息采集和处理中发挥越来越重要的作用。

霍尔元件的应用详解

可能大家以前没有听说过霍尔元件,今天小编带大家走近霍尔元件,了解一下霍尔元件到底是怎样的一个元器件以及霍尔元件的应用。霍尔元件是一种感应磁场来工作的开关,是基于霍尔效应的元器件,它可以检测到磁场的变化,这一特性使它得到了广泛的应用。在电路应用中,常见的霍尔外围电路图也比较简单。并且由于霍尔元件结构牢固,质量轻,体积小,功耗低,寿命长,频率高,安装方便,不怕灰尘、油污及其水汽等污染和腐蚀,因此它的使用非常广泛。

霍尔元件,霍尔开关

在家用电器上的应用:

应用霍尔元件技术的家用电器已经进入千家万户,如空调、全自动洗衣机、扫地机器人,洗碗机、饮水机等等。它让我们的家电变得更智能,更有省电,更有效率。

在出租车计价器上的应用:

通过安装在车轮上的霍尔元件检测信号,把检测到的信号传输到单片机,经过算法计算后,送给显示单元,这样就完成了历程的计算。每当车轮转一圈,它就可以检测到并输出信号,引起单片机的中断,对脉冲计数,单片机就控制金额自动增加。

在汽车工业上的应用:

霍尔元件技术在汽车工业中的应用包括动力、车身控制、牵引力控制以及防抱死制动系统、车窗防夹系统等。为了满足不同的系统需要,我们可以选择不同型号的霍尔元件。

霍尔元件目前应用在各行各业,您想得到或者想不到的地方都有霍尔元件的存在,如果您想进一步了解霍尔元件的话,请联系我们吧。

相关问答

霍尔 效应有哪些具体 应用 】作业帮

[最佳回答]霍尔效应在应用技术中特别重要.根据霍尔效应做成的霍尔器件,就是以磁场为工作媒体,将物体的运动参量转变为数字电压的形式输出,使之具备传感和开关...

【利用 霍尔 效应制作的 霍尔元件 ,被广泛 应用于 测量和自动控制...

[最佳回答]若元件的载流子是自由电子,由左手定则可知,电子受到的洛伦兹力方向向后表面偏,则前表面的电势高于后表面的电势.若载流子为空穴(相当于正电荷),根据...

霍尔元件 有哪些主要用途?

霍尔元件是一种基于霍尔效应原理的传感器元件,具有检测磁场变化的能力,主要有以下的用途:1、测量磁场:霍尔元件可以用来测量磁场的强度、方向和位置等信息。...

霍尔元件 是什么呢,主要的用途?

霍尔元件是一种基于霍尔效应原理设计的电子元件,可以检测磁场并产生电信号。它通常由一段导电材料和两个电极组成,周围环绕着一个磁场。当有磁场作用于材料时,...

高中物理 霍尔元件 知识点归纳?

知识点总结:霍尔元件是利用霍尔效应测量磁感应强度的的磁传感器。原理:带电粒子在正交的匀强电场和匀强磁场中做匀速直线运动设金属导体长a、宽b、高c通入...

【利用 霍尔 效应制作的 霍尔元件 ,广泛 应用于 测量和自动控制等...

[最佳回答]A、根据左手定则,电子向C侧面偏转,C表面带负电,D表面带正电,所以D表面的电势高,则UCD<0.CD间存在电势差,之间就存在电场,电子在电场力和洛伦兹力作...

利用霍尔效应制作的 霍尔元件 以及传感器,广泛 应用于 测量和自...

[最佳回答](1)、由场强与电势差关系知UH=EHl.导体或半导体中的电子定向移动形成电流,电流方向向右,实际是电子向左运动.由左手定则判断,电子会偏向f端面,...

【利用 霍尔 效应制作的 霍尔元件 ,广泛 应用于 测量和自动控制等...

[最佳回答]A、根据CD间存在电势差,之间就存在电场,电子在电场力和洛伦兹力作用下处于平衡,设霍尔元件的长宽高分别为a、b、c,有qUb=qvB,I=nqvS=nqvbc,则UCD=BI...

霍尔元件 可以用在电动自行车上吗,具体的作用是什么?

电动车上主要3个地方用霍尔!1,刹把,如果是电子刹把的话坏了电机是不工作的,电子刹把有两种,一种是霍尔式的,如OH44E,是一种开关信号,另一种是微动开关...电...

什么是 霍尔 器件?

霍尔元件是应用霍尔效应的半导体。一般用于电机中测定转子转速,如录像机的磁鼓,电脑中的散热风扇等;是一种基于霍尔效应的磁传感器,已发展成一个品种多样的磁...

标签:

相关阅读