废旧电子镇流器应用 用实际数据来分析说明,废旧镇流器的回收与拆解的利润的大小

小编头像

小编

管理员

发布于:2025年05月04日

106 阅读 · 0 评论

用实际数据来分析说明,废旧镇流器的回收与拆解的利润的大小

镇流器一般是用于日光灯上启动与限制电流的控制器件,镇流器的应用有利于保护灯具的使用寿命。现在市场上的废旧镇流器(以铜芯的为例)的回收价格是每吨6000元,拆解以后其出铜率为10%左右,即每斤的出铜量为1两多一点。每个普通小型镇流器一般为1.5斤左右,回收价格为4.5元,出铜量为一两五钱,废铜能卖到4.5元,废铁1.4斤能卖2元,总共为6.5元,每个能赚到利润为2元。而每吨镇流器为1400个左右,每吨的毛收入2800元,除去人工费用与其它费用600元(一个人用电动工具两天时间就可以拆解完),每吨的收入为2300元。由此可见一吨拆解以后的废旧镇流器能卖到8300元之间,其利润在28%左右,即每吨最多能赚到2300元到2500元的利润空间,对于我个人来说有这样的利润还算可以,回收与拆解的生意还可以做。

以上为普通的镇流器回收、拆解与出售的数据,从中可以让大家明白回收镇流器的利润在20%到30%之间,虽然比不上回收大型电机的利润,但在当下买卖难做钱难赚的背景下,如果有大量货源的情况,还是可以做的生意。镇流器作为灯具中的重要元件,也是易损元件,经常会被替换下来的,回收的货源不算难找,只要回收者不怕麻烦就可以做这一生意。其实每一种生意都是由个人所经营所造成的,事在人为,不同的事,不同的人,其经营结果就会不同,同一件事不同的人,其最终的经营结果也会不同的。

从上述的镇流器拆解利润看,每吨在2千多元就算利润比较少的行业,有些回收者不愿从事这一买卖,原因是回收与拆解有些麻烦,利润也不算太大,因此就会出现市场上有货无人收的怪现象。这是由于其中的利润大小导致其受欢迎程度不同,能赚大利的生意抢着做,竞争得也十分激烈,利润不大的生意热度不够,竞争相对不激烈。像镇流器回收这一生意有些回收者基本上是不收的,认为其根本赚不到钱,不值得在这上面消费时间。这就是一些人的个人看法,个人的理解与见识不同而已,其中折射出不同的人由于个人的想法不同,而产生了不同人的做法。其实做废品回收行业要坚持大小利润都得赚的原则,不能因小而失大,这一行业需要精细化经营,不能有看大不看小的思想,否则你的生意不会做大,也不会赚到更多的利润。

以上为我个人对于废旧金属回收生意的一些看法,对于回收镇流器利润大小的一点理解,仅为个人的一些经验与感受,有些数据不实或认识不足之处希望能够得到大家谅解。大家是怎样看待镇流器回收的利润大小的问题?欢迎大家评论与留言,希望大家都能发表个人看法,共同分享一下各自的观点。

教你制作废旧日光灯管复明器

废旧日光灯管属于特殊危险废物,处置不当,会对人体健康和环境造成危害。我国每年产生大量的废旧日光灯管,但由于种种原因,绝大多数不能得到无害化处置,必须引起有关方面的重视。作为科技制作“小达人”,如何为宣传和减少废旧日光灯管的产生做出一份努力呢?试做下面介绍的废旧日光灯管复明器,便是一项有意义的身体力行实践活动!

本装置能使灯丝已断的废旧日光灯管获得新生,重放光明,具有较好的节能利废作用。

弄懂工作原理

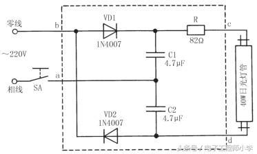
废旧日光灯管复明器的电路如图16-1虚线框内所示,虚线框外则为便于说明原理而绘出的日光灯供电电路。

图16-1 废旧日光灯管复明器电路图

晶体二极管VD1、VD2和电容器C1、C2组成了典型的二倍压全波整流电路。接通电源开关SA,220V交流市电经晶体二极管VD1、VD2整流后,在电容器C1、C2充放电作用下,使日光灯管两端获得高达620V的直流电压,将灯管迅速激活发光。灯管点亮后,受限流电阻器R和电容器C1、C2容抗的限制,灯管两端电压会自动降至110V以内,从而使灯管安全、稳定地工作。

很显然,上述的日光灯管点亮过程,省去了常规下的灯丝预热环节,所以对于灯丝已断开、但尚未完全脱落的废旧日光灯管,具有“起死回生”的作用。

准备好元器件

本制作共用了5个元器件(不包括所用废旧日光灯管及控制开关SA),采购清单见表16。

表16 元器件清单

晶体二极管VD1、VD2在灯管启辉点亮时,都要承受约620V的直流电压,因此要求它们的反向耐压要大于此值,选用1N4007型(最大整流电流1A、最高反向工作电压1000V)硅整流二极管,可完全满足要求。

电容器C1、C2在灯管启辉的瞬间,都要承受约311V的电压,选择CBB13-400V型聚丙烯电容器可满足要求。R选用普通线绕电阻器或水泥电阻器,要求额定功率≥5W。R阻值选得太大,损耗增大;阻值选得太小,对灯管正常工作不利。

电容器C1、C2的标称容量和电阻器R的标称阻值大小,应根据灯管瓦数的不同进行适当调整:当日光灯管标称功率为40W时,电容器C1、C2的标称容量均取4.7μF,电阻器R的标称阻值取82Ω;当日光灯管标称功率为30W时,电容器C1、C2的标称容量均取3.3μF,电阻器R的标称阻值取100Ω;当日光灯管标称功率为20W时,电容器C1、C2的标称容量均取2.2μF,电阻器R的标称阻值取120Ω;当日光灯管标称功率为6~8W时,电容器C1、C2的标称容量均取1μF,电阻器R的标称阻值取150Ω。

制作与使用

图16-2所示为该废旧日光灯管复明器的印制电路板焊接图。印制电路板最好采用环氧覆铜板制作,实际尺寸约为70mm×35mm。印制电路板也可直接采用相同大小的环氧基质单孔“洞洞板”,并充分利用元器件引脚飞线连接,以省去加工专用印制电路板的麻烦。

图16-2 废旧日光灯管复明器印制电路板图

焊接好的电路板装入一体积合适的阻燃性绝缘小盒(如日光灯电子镇流器专用塑壳)内。将复明器按照图16-1所示,与一只交流电控制开关SA、一根废旧日光灯管和220V交流电源接通,就构成废旧日光灯管照明系统,其灯管架(座)用现成品即可。实际安装时注意,应事先断开220V交流电的总闸开关,待安装结束后再合上总闸开关,切不可带电操作,以免发生触电事故!

该复明器适合于灯管不严重老化发黑和灯丝虽断、但不完全脱落的废旧日光灯管。使用时,如果灯管不易启辉,可以用手摸一下灯管的玻璃外壳,便能帮助灯管点亮;另外,还可通过调换电源相线(火线)与零线(地线)的接线位置一试。如果灯管点亮后闪烁严重,可适当增大电阻器R的阻值;如果增大R阻值无效,说明灯管老化严重,已不适合继续使用。由于灯管一直处在直流电状态下工作,所以会形成一端稍亮一端稍暗的现象,这不属于故障。

相关问答

如果把开关关了还会通电吗, 镇流器 坏了,我想换个,只把开关关了,这样安全吗?

开关关了是没有电了,为了以防万一,你在操作时请按如下步骤操作:1,脚下踩上绝缘物质(木质板凳,塑料椅子等)2,剪断一条旧的镇流器上的线就接在新的镇流器相...

镇流器 有什么用- 一起装修网

厕所建议使用传统白炽

镇流器 怎样改成电焊机?

假如铁芯截面积能够达到16平方厘米以上,应该可以制作一个很好的小电焊机初级用1.5平方毫米以上的导线绕制440匝,次级用4平方毫米以上的导线绕制70匝就可以了。...

鱼缸 镇流器 正确更换方法?

1.鱼缸镇流器的更换方法是正确的。2.鱼缸镇流器需要更换的原因是因为它可能会老化或损坏,影响鱼缸的正常运作。更换镇流器可以确保鱼缸的电气设备正常工作,...

t8 电子镇流器 安装方法?

1安装t8电子镇流器的方法是:首先需要确认所需安装的灯管和镇流器规格是否匹配,然后断开电源,拆卸旧的电磁式镇流器,并将电线连接到电子镇流器的正确端口上,...

旧长江750摩托车整流器?

是一种电子设备,用于将交流电转换为直流电,以满足摩托车各部件的电力需求。整流器通常由一组二极管组成,这些二极管将交流电转换为单向的直流电。旧长江750摩...

浴室灯 镇流器 怎么换?

更换浴室灯镇流器的步骤如下:1.关闭电源:在进行任何维修或更换电器部件之前,确保先关闭相关电源。找到主电源开关,并将其关闭,以确保安全操作。2.拆卸灯...

有哪位知道,附近回收整流器咨询,回收整流器哪家好有经验的...

[回答]因为废旧铜,可以再加以利用,成为更有价值的资源或者物品,如果任意丢弃,会对环境造成污染。而且铜是非常好的导体,价值很高。是需要它大,还是嫌它大...

旧离子膜电槽阴极零极距改造-盖德问答-化工人互助问答社区

旧离子膜电槽阴极零极距改造原理:利用原有阴极网作支撑,要求表面平整去除旧涂层,在支撑层上面固定有弹性的增距层,再在增

节能灯 镇流器 坏了谁知道该怎么办?_住范儿家装官网

原因:(1)使用工频点灯,存在频闪效应;(2)自然功率因数低(也有cosφ高的产品,如谐振式电感镇流器);(3)消耗金属材料多,比较重,金属老化。选择HID...

标签:

相关阅读