整流的电子应用 二极管的4个典型应用电路,一看就懂

小编头像

小编

管理员

发布于:2026年04月14日

113 阅读 · 0 评论

二极管的4个典型应用电路,一看就懂

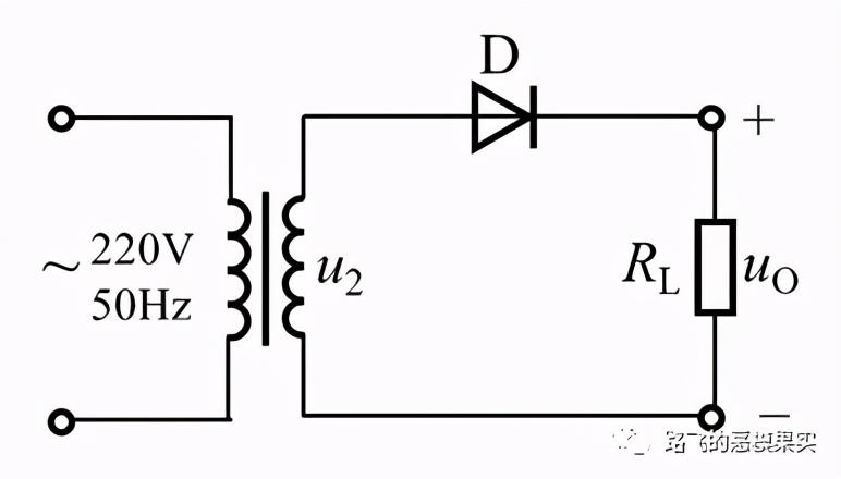
二极管单相半波整流电路

变压器的二次绕组与负载相接,中间串联一个整流二极管,就是半波整流。利用二极管的单向导电性,只有半个周期内有电流流过负载,另半个周期被二极管所阻断,没有电流。这种电路只适用于小电流整流电路。因为变压器中有直流分量流过,降低了变压器的效率;整流电流的脉动成分太大,对滤波电路的要求高。

图8-8所示为单相半波整流电路图,图中T为电源变压器,它将高电压转变为整流电路所需的低电压;RL是电性负载;VD是整流二极管,它利用二极管的单向导电性进行整流。

图8-8 单相半波整流电路

输入整流电路的交流电压来自于电源变压器的二次绕组输出端,在分析整流原理时应该将交流电压分成正负半个周期两种情况。电路中电流由上而下流过负载,输出电压为单向脉动直流电压,它有正负极之分,在负载上为上正下负。由输出电压的极性和电压电流可知,负载所得的半波整流电压虽然方向不变,但是大小总是随着时间在变化,输出电压为一个周期内电压的平均值。

单相半波整流电路广泛应用于电工电子技术中,是由于此电路采用的电子元器件较少,构成的电路简单、成本低,但是变压器的一半时间未被利用,所以效率较低,它只适合对脉动要求不高的地方。在选用二极管时,应该考虑电流的最高反向工作电压和最大整流电流。

二极管稳压电路

二极管稳压电路的作用就是稳定工作电压,电子电路中一般主要采用直流稳压电路。

图8-9所示为二极管直流稳压电路。电路中R1是限流电阻,用于限制电路中的电流大小。

电路中直流电压通过电阻R1,加到三个串联的二极管上,给三个二极管加上正向的偏置电压,由于直流工作电压比较高,所以三个二极管处于导通状态,三个串联的二极管管压降之和基本不变。当直流工作电压大小变化的时候,电路中稳压二极管起到使压降不变的作用。

R1的作用是限制电流,防止流过二极管的电流过大而烧坏二极管。再者,当直流电压波动时,电压的波动量主要在R1上,使电路中电压比较稳定,基本保持不变。

二极管保护电路

图8-10所示为继电器驱动电路中的二极管保护电路和继电器等效电路,电路中J为继电器,VD是保护用二极管,VT是驱动管,R和C是构成继电器内部开关触点的消火花电路。

图8-9 二极管直流稳压电路

图8-10 二极管保护电路及其等效电路

在正常情况下,直流电压V加到VD的负极,VD处于截止状态,VD内阻大,所以二极管在电路中不起作用,也不影响电路的正常工作。在电路断电的瞬间,继电器两端产生下正上负、幅度很大的反向电动势,这一反向电动势正极加在二极管的正极上,负极加在二极管的负极上,使二极管正向导通,反向电动势产生的电流通过内阻很小的二极管构成回路。二极管导通后的管压降很小,这样继电器两端的反向电动势幅度被大大减小,以此达到保护驱动管的作用。

发光二极管应用电路

生活中经常见到的电子屏幕可以显示数字或者文字,而且会有不同的颜色,这些不同颜色的字是用发光颜色不同的二极管组合而成的电路。

图8-11所示为单管驱动的红外发光二极管电路,电路中VL为发光二极管,VT是发光二极管的驱动管,电阻R2起到限流保护作用。当输入脉冲时,通过电阻R1加到驱动管的基极上,使驱动管处于导通的状态,然后电流由基极流过红外发光二极管,使得二极管发光。当输入脉冲为“0”时,驱动管的基极没有电压,驱动管处于截止状态,红外发光二极管中没有电流,二极管不发光。

图8-11 单管驱动红外发光二极管电路

最全二极管应用分析系列——整流篇

二极管的基本应用——整流

二极管的单向导电性使其在整流、限幅、钳位、开关、检波和续流等电路中有着广泛的应用。

整流电路

1、什么是整流?

答:在电力电子应用中,将交流电变换为直流电的这种AC/DC(Alternating Current / Direct Current)变换被称为整流(rectification)。利用二极管的单向导电性可以实现整流。

2、整流电路有哪些?

答:常用的整流电路按照输入交流电源的类型分为单相和三相。按照输出波形的类型分为半波、全波和桥式等。

3、整流电路的工作原理是什么?

单相整流电路

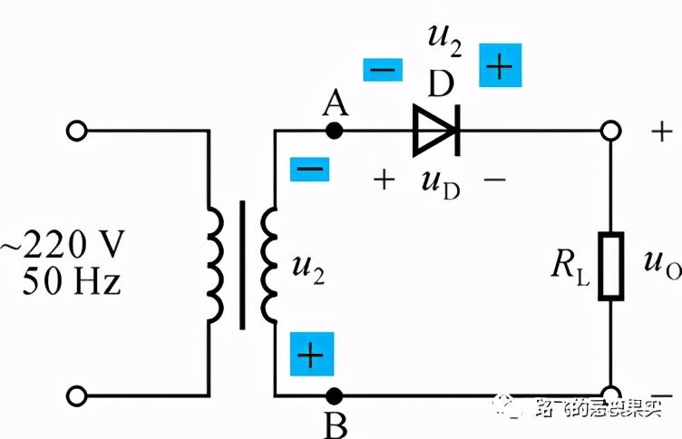
单相半波整流电路

电路:

工作原理:

u2正半周,D导通, A→D→RL→B,uO= u2 。

u2负半周,D截止,承受反向电压, uO=0。

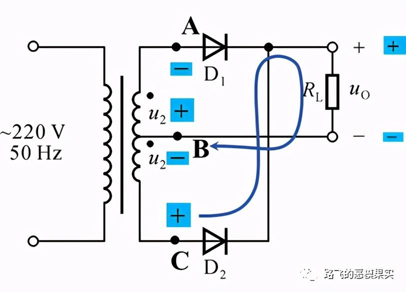
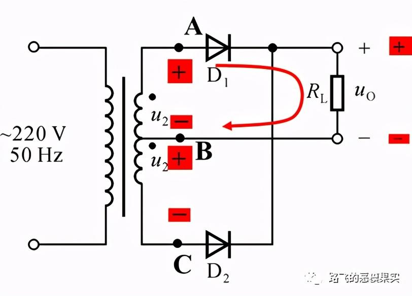
单相全波整流电路

电路:

工作原理:

u2正半周,D1导通, D2截止, A→D1→RL→B,

uO= u2 。

u2负半周,D1截止, D2导通, C→ D2 →RL→B,

uO= |u2|。

单相桥式整流电路

电路:

工作原理:

u2正半周,D1、D3导通, D2 、D4截止, uO= u2 。

u2负半周,D1、D3截止, D2 、D4导通, uO= |u2| 。

三相整流电路

三相半波整流电路

电路:

工作原理:

0~t1期间, u2C> u2A > u2B,D3导通, D1、D2截止,u2C+→D3 → RL → u2C﹣,uO= u2C。

t1 ~t2期间, u2A 最大,D1导通, D2、D3截止,

u2A+→D3 → RL → u2A﹣,uO= u2A。

t2~t3期间, u2B最大,D2导通, D1、D3截止,

u2B+→D3 → RL → u2B﹣,uO= u2B。

三相桥式整流电路

电路:

工作原理:

0~t1期间, u2A 、u2C正半周,且u2A <u2C , u2B负半周,即C点电位最高,A点次之,B点最低。

D3、D5导通, D1、D2、D4、D6截止,

C→ D3 → RL → D5 →B,uO= u2CB 。

t1~t2期间,A点电位最高,C点次之,B点最低。

D1、D5导通, D2、D3、D4、D6截止,

A→ D1 → RL → D5 →B,uO= u2AB 。

t2~t3期间,A点电位最高,B点次之,C点最低。

D1、D4导通, D2、D3、D5、D6截止,

A→ D1 → RL → D4 →C,uO= u2AC 。

总结

单相半波整流电路

单相全波整流电路

单相桥式整流电路

三相半波整流电路

三相桥式整流电路

内容转载自 网络,仅供学习交流使用,如有侵权,请联系删除。如果你还想了解更多关于电子元器件的相关知识及电子元器件行业实时市场信息,敬请关注微信公众号 【上海衡丽贸易有限公司】

相关问答

整流 电路的工业 应用 有哪些?

整流电路的工业应用中,典型的就是充电机。另外,在电镀工业的应用也很广泛,电解槽的用电就是整流电源。至于其它只要是用电的仪器、开关电源、等等它们只算是...

整流 在光伏发电中有什么用?

整流在光伏发电中有什么作用,光伏发电系统中单个面板所获得的电流电压都很低很弱。积少成多面板累积在一起的电流电压随着发电系统的数量增加而加大,最后终端...

全波 整流的应用 ?

全波整流输出电压的直流成分(较半波)增大,脉动程度减小,但变压器需要中心抽头、制造麻烦,整流二极管需承受的反向电压高,故一般适用于要求输出电压不太高的...

整流 变压器的作用?

整流变压器,简单的来说,就是整流设备里的一种电源变压器,所谓的整流,也就是把所有的电流原封不动的输入进来。整流变压...说到整流,想必很多人又得犯头疼病了...

三相 整流 电路和单相 整流 电路 应用 ?

单相整流桥由两对反串联的二极管并联组成,使用单相电压,直流输出电压为交流输入电压的0.9倍。三相整流桥由三对反串联的二极管并联组成,使用三相电压,直流输...

半导体有哪些常见的 应用 _作业帮

[最佳回答]半导体一般指硅晶体,它的导电性介于导体和绝缘体之间.半导体是指导电能力介于金属和绝缘体之间的固体材料.按内部电子结构区分,半导体与绝缘体相似,...

精密 整流 有什么用呢?

答:精密整流有以下作用:1、整流器的作用是把交流电转换成直流电,可以用于供电装置及侦测无线电信号等,也可以用于给蓄电池提供充电电压。2、整流器是由...

【在电路中电阻电容电感 等电子 元器件分别起什么作用?】作业帮

[最佳回答]电容,就是容纳和释放电荷的电子元器件.电容的基本工作原理就是充电放电,还有整流、振荡以及其它的作用.应用于电源电路,实现旁路、去藕、滤波和储...

整流 电路有几种?

整流电路是将交流电信号转化为直流电信号的电路。根据整流方式,整流电路可分为单相半波整流电路、单相全波整流电路、三相半波整流电路和三相全波整流电路等。...

发电机旋转 整流 模块作用?

整流模块(整流器)的作用:简单的说就是将交流(AC)转化为直流(DC)的装置。它有两个主要功能:第一,将交流电(AC)变成直流电(DC),经滤波后供给负载,或...整流模...

标签:

相关阅读