plc应用电子 PLC的基本结构和作用

小编头像

小编

管理员

发布于:2026年04月14日

111 阅读 · 0 评论

PLC的基本结构和作用

(此处已添加圈子卡片,请到今日头条客户端查看)

一般 PLC 分为整体式和组合式两类:整体式机型大多应用于小型单机控制,其外形如图7.6所示,结构组成如图7.7所示;组合式机型应用于大型多机网络式控制,其外形如图7.8所示,结构组成如图7.9所示。

现以整体式PLC为例,说明其内部结构及各部分结构的作用。

图7.6 整体式PLC机型的外形

图7.7 整体式PLC结构组成示意图

中央处理单元

即CPU,它是PLC的运算、控制中枢。它按照PLC系统程序赋予的功能接收并存储从编程器键入的用户程序和数据;检查电源、存储器、I/O以及警戒定时器的状态,并能诊断用户程序中的语法错误。PLC的档次越高,所用的CPU的位数也越多,运算速度也越快,功能越强。

图7.8 组合式PLC 机型的外形

图7.9 组合式PLC 结构组成示意图

存储器

PLC配有系统存储器和用户存储器两种存储器。在系统程序存储区中存放着相当于计算机操作系统的系统程序,包括监控程序、管理程序、命令解释程序、功能子程序、系统诊断子程序等。由制造厂商将其固化在EPROM中,用户不能直接存取。它和硬件一起决定了该PLC的性能。用户存储器用来存放用户编制的控制程序。存储器常用类型有ROM、RAM、EPROM和EEPROM。

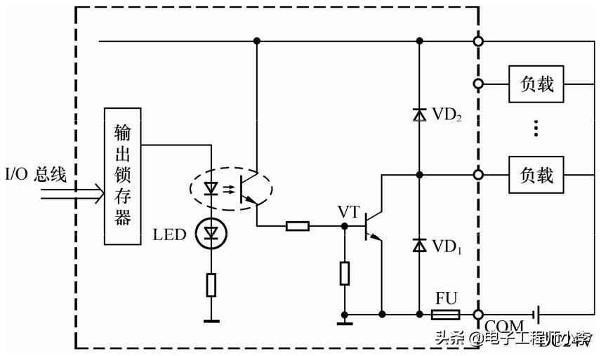
输入/输出单元

又称I/O模块或接口,PLC通过I/O单元与工业生产过程现场相联系。为了保证能在恶劣的工业环境中使用,输入输出口都有光电隔离装置,使外部电路与 PLC 内部之间完全避免了电的联系,有效地抑制了外部干扰源对PLC的影响,还可防止外部强电窜入内部CPU;在 PLC 电路电源和输入、输出电路中设置有多种滤波电路,可有效抑制高频干扰信号。

(1)开关量输入接口

PLC输入接口都采用光电耦合器为电流输入型,能有效地避免输入端引线可能引入的电磁场干扰和辐射干扰。在光敏输出端设置 RC滤波器,是为了防止用开关类触头输入时触头振颤及抖动等引起的误动作,因此使得PLC内部约有10ms的响应滞后。当各种传感器(如接近开关、光电开关、霍尔开关等)作为输入点时,可以用 PLC 机内提供的电源或外部独立电源供电,且规定了具体的接线方法,使用时应加注意。直流开关量输入接口原理及接线图如图7.10所示。

图7.10 直流开关量输入接口原理及接线图

有的PLC输入无须外接电源,称为无源式输入单元。

(2)开关量输出接口电路

PLC的输出形式主要有3种:继电器接点输出、晶体管输出和晶闸管输出。

① 继电器输出:开关速度低,负载能力大,适用于低频交直流负载的场合,如图7.11所示。

② 晶体管输出:开关速度高,负载能力小,适用于高频直流负载场合,如图7.12所示。

③ 晶闸管输出:开关速度高,负载能力小,适用于高频交直流负载场合,如图7.13所示。

图7.11 继电器输出原理及接线图

图7.12 晶体管输出原理及接线图

图7.13 晶闸管输出原理及接线图

提示

① PLC 输出接口是成组的,有汇点式和隔离式两种。每一组有一个COM口,只能使用同一种电源电压。

② PLC 输出负载能力有限,具体参数请阅读相关资料。

③ 对于电感性负载应加阻容保护。

④ 负载采用的直流电源小于 30V 时,为了缩短响应时间,可用并接续流二极管的方法改善响应时间。

电源

PLC的电源在整个系统中起着十分重要的作用,PLC配有开关稳压电源的电源模块,用来将外部供电电源转换成供PLC内部CPU、存储器I/O接口等电路工作所需的直流电源。同时,有的还为输入电路提供24V的工作电源,用于对外部传感器供电,避免由于外部电源污染或不合格电源引起的故障。小型PLC的电源往往和CPU单元合为一体,大、中型PLC都有专用电源部件。

扩展口

扩展口是PLC的总线接口,当用户所需的I/O点数超出主机的点数时,可以通过加接I/O扩展单元来解决,主机与I/O扩展单元通过扩展口连接,如图7.14所示。PLC具有多种I/O模块,常见的有A/D、D/A模块;另外有快速响应模块、高速计数模块、通信接口模块、温度控制模块、中断控制模块和定位控制模块等种类繁多、功能各异的专用I/O模块和智能I/O模块。针对不同的工业控制应用场合,选择I/O功能模块与基本单元连用,可充分发挥PLC灵活、通用、可靠、迅捷的优势。

外部设备接口

外部设备通过该接口与PLC联系,完成人机对话,如外存储器、EPROM写入器、人机接口(触摸屏)等,如图4.17所示。还可以通过此接口与专用编程器或计算机相连,进行编写 PLC 控制程序、输入程序、调试程序、修改程序以及在线监视PLC的工作状态等。

图7.14 PLC扩展外部设备连接方式图

(此处已添加圈子卡片,请到今日头条客户端查看)

PLC的主要分类及应用

PLC的主要分类及应用

日期: 2020-07-16

来源:电子发烧友

PLC(Programmable Logic Controller)即可编程序逻辑控制器是一种专门为在工业环境下应用而设计的数字运算操作电子系统,也是现代工业自动化系统的重要组成部分,那么它是怎么诞生的呢?今天我们来捋一捋。

工业需求催生PLC诞生

二战后,美国凭借汽车、钢铁、飞机等领域的绝对优势成为世界制造业霸主,1948-1966年期间,美国一直是全球最大的贸易顺差国,在强大的制造业驱动下,美国需要更先进的生产工具来推动其制造业的发展。

在此背景下,1947年12月23日,美国贝尔实验室正式地成功演示了第一个基于锗半导体的具有放大功能的点接触式晶体管,标志着现代半导体产业的诞生和信息时代的开启,为后续的工业自动化控制飞速发展奠定了基础。

1968年,美国通用汽车公司在对工厂生产线调整时,发现继电器、接触器控制系统修改难、体积大、噪声大、维护不方便以及可靠性差,于是提出“通用十条”招标指标,意在取代继电气控制装置。

成立于1957年的DEC公司(美国数字设备公司),一直专注于开发小型计算机系统,看到通用汽车的招标要求后,创始人之一奥尔森接标,最终DEC开发了一套全新的控制系统——PDP-14,用于控制齿轮磨床,这就是世界上第一台可编程逻辑控制器。

PDP-14本质是把DEC最成功的“迷你机”PDP-8增加了工业I / O接口,由一个控制单元和几个外部接口盒组成;控制单元包括一个可变大小的ROM,最多包含4k的12位指令;存储器分为256个字节;通过扩展最多可以处理256个输入输出。

但DEC的PDP-14有一个缺陷,就是修改程序需要把产品发回DEC公司,整个处理过程耗时一周,导致它运行至1970年后被替换。

PDP-14的诞生,其实只是PLC出现的开胃菜,与DEC同时竞标的还有信息仪表公司(3-I)和贝德福德协会(Bedford Associates),他们也分别推出了相应的产品。

信息仪表公司(3-I)为通用交付的设备为PDQ-II,其最大的优势是能提供高级逻辑运算功能,适用于正离合器生产线的控制。但该产品也存在修改程序不便的缺陷,在GM一直运行到1971年后,被Modicon 084全面替换。

PLC的主要分类及应用

接下来主角诞生了,由Dick Morley和George Schwenk于1964年成立的贝德福德协会(Bedford Associates)也获得了通用的原型机测试资格。Dick Morley只因厌倦了重复的机床操作员工作,想要发明一个集所有功能于一个编辑器的“神器”,于是写出了自己的梯形图逻辑。

1968年Bedford成立了第七家控制公司,取名Modicon(莫迪康),其在Dick Morley领导下于1969年成功推出了自己的PLC产品,基于该产品是Modicon的第84个项目,产品取名“Modicon 084”。

084编程相对简单,用户插入编程单元,选择适当的软件模块,然后键入梯形图即可快速进行编程;同时安装在硬质外壳内,提高了安全等级,这是DEC的PDP-14、3-I的PDQ-II所无法比拟的,最终在1971年全面替代另两个竞品。

Modicon随后又于1973年推出“184”、1975年推出“284”、1979年推出工业通信网络Modbus、1994年推出Quantum(中文名“昆腾”)系列PLC,最终于1997年被施耐德收购并成为施耐德旗下第4个主要品牌。

而Dick Morley所发明的“Modicon 084”可编程控制器及后续产品很快在离散制造业的控制器中占据统治地位,还逐渐扩散到流程工业和间歇制造的批量生产过程,Dick Morley由此被誉为“PLC之父”。

对自己所发明的PLC产品对工业的贡献,Dick Morley曾在采访中如此比喻:IPod卖的是音乐,奔驰卖的是知名度;而PLC卖的是上市时间,汽车制造商原本要6-9个月的时间才能使新产品上市,用了PLC后就只需要6-9周,这相当于节省了很大一笔钱!

进入快速发展期

Dick Morle基于集成电路和电子技术发展的控制装置使得电气控制功能实现程序化,功能越来越强大,其概念和内涵也不断扩展,这就是第一代可编程序控制器,但当时还不叫PLC,而是叫做PC(Programmable Controller)。

后来随着个人电脑(也叫PC)的快速发展,为了反映可编程控制器的功能特点,美国A-B公司将可编程序控制器命名为可编程序逻辑控制器Programmable Logic Controller,即PLC,并将“PLC”作为其产品的注册商标。

当美国人发明了PLC之后,其他国家也纷纷跟进,1971年日本成功研制出第一台PLC产品DCS-8;紧接着1973年德国西门子公司也研制出欧洲第一台型号为SIMA TICS4的可编程逻辑控制器。

虽然现在的中国在半导体领域很弱,但在上世纪,中国与国际先进国家几乎同步研究半导体、电子技术,因此在欧美研制出PLC不久后,中国也于1974年研制出第一台可编程逻辑控制器,并于1977年开始在工业上进行应用。

从上世纪70年代中后期开始,PLC进入了实用化发展阶段,计算机技术得以全面引入PLC中,使其功能发生了飞跃。更高的运算速度、超小型体积、更可靠的工业抗干扰设计、模拟量运算、PID功能以及极高的性价比,都奠定了其在现代工业中的地位。

自上世纪80年代初开始,PLC在先进工业国家中已获得广泛应用,同时世界上生产PLC的国家日益增多,产量日益上升,标志着PLC已经步入成熟应用阶段。至90年代中期,这段时间是PLC发展最快的时期,年增长率一直保持为30~40%。

在这时期PLC在处理模拟量能力、数字运算能力、人机接口能力和网络能力方面也得到了大幅度提高,PLC逐渐进入过程控制领域,在某些应用上取代了在过程控制领域处于统治地位的DCS系统。

到20世纪末期,工业发展大爆发,诞生了各种各样的大型机和超小型机、特殊功能单元、各种人机界面单元、通信单元等产品,为更加适应于现代工业,使应用可编程逻辑控制器的工业控制设备的配套变得更加容易。

在多年的生产实践中,PLC已经与DCS(集散控制系统)、IPC(工业计算机技术)三足鼎立,同时还在其它的单回路智能式调节器等在市场上占一定的市场份额。近年, IPC和FCS(现场总线技术)发展迅速,挤占了一部分PLC市场,PLC增长速度出现渐缓的趋势,但其在工业自动化控制特别是顺序控制中的地位,仍将是无法取代的存在。

从上世纪90年代开始,PLC就根据I/O点数发展出小、中、大型等多种类型产品。

小型PLC

I/O点数《 256点;单CPU、8位或16位处理器、用户存储器容量4K字以下;主要代表产品有美国通用电气(GE)公司的GE-I型、美国德洲仪器公司的TI100日本三菱电气公司的F/F1/F2、日本立石公司(欧姆龙)的C20/C40、德国西门子公司的S7-200、日本东芝公司的EX20/EX40、中外合资无锡华光电子工业有限公司的SR-20/21等;

中型PLC

I/O点数256~2048点;双CPU,用户存储器容量2~8K,代表产品有德国西门子公司的S7-300、无锡华光的SR-400、德国西门子公司的SU-5/SU-6、日本立石公司的C-500、GE公司的GE-Ⅲ等;

大型PLC

I/O点数》 2048点;多CPU,16位、32位处理器,用户存储器容量8~16K,代表产品有德国西门子公司的S7-400、GE公司的GE-Ⅳ、立石公司的C-2000、三菱公司的K3等。

目前大型、超大型的PLC产品也不少,单机支持300回路和65000点I/O设备也日益得到重视。不过整体看, I/O点数≤64的PLC销售额占整体PLC市场总量的47%,64~256点数PLC占31%,微型、小型PLC占据市场的绝对主流,而I/O点数大于256的中型、大型、超大型PLC累计市场容量才22%。

PLC主要应用于纺织、机械、电梯、冶金、电力、石油、市政、化工、楼宇建筑、建材、机床、塑料机械、橡胶机械、电子专用设备等行业,而汽车业是最有潜力的PLC行业之一。

目前全球300多品种PLC产品中,应用在汽车上的最多,达23%,其后分别为粮食加工(16.4%)、化学/制药(14.6%)、金属/矿山(11.5%)、纸浆/造纸(11.3%)等行业。

主要品牌中,西门子、施耐德、罗克韦尔(A-B)、OMRON、三菱、GE等少数几家企业是绝对的行业巨头,其中罗克韦尔、施耐德、西门子长期把持中国大型PLC市场的强三强,西门子独占中型PLC市场半壁江山。

而国内的30家PLC生产厂家中,都没有形成颇具规模的生产能力和名牌产品,我国尚未形成PLC制造产业化;不过已经可以在小型、微型等PLC领域与国际品牌同台竞技。

版权声明: 本站内容除特别声明的原创文章之外,转载内容只为传递更多信息,并不代表本网站赞同其观点。转载的所有的文章、图片、音/视频文件等资料的版权归版权所有权人所有。本站采用的非本站原创文章及图片等内容无法一一联系确认版权者。如涉及作品内容、版权和其它问题,请及时通过电子邮件或电话通知我们,以便迅速采取适当措施,避免给双方造成不必要的经济损失。联系电话:010-82306116;邮箱:aet@chinaaet.com。

相关问答

PLC 是指什么 电子产品 ? - 188****3522 的回答 - 懂得

全名是可编程序控制器。是工业类的一个编程操作软件。最常用的红绿灯控制也可用PLC程序编程实现。

电子 凸轮的 应用 plc 应用 有什么区别?

电子凸轮(E-Cam)的概念是利用软体的方式,来规划主动轴(Master)与从动轴(Slave)的位置关系,如同两者之间有一个虚拟的凸轮存在;PLC控制一般是逻辑控制为...电...

2022湖南对口招生考试 电子 电工类专业考试基本要求及考试大纲...

电子电工类专业综合知识考试基本要求及考试大纲一、考试基本要求(一)基本知识和基本技能的考试要求1.掌握电工技术和电子技术专业的基础知识、基...

plc电子电子 信息工程技术学吗?

plc电子电子信息工程技术学PLC还是很有前途的,特别是现在的大型设备,基本上都是PLC控制的,但是在学校学PLC的不会教的特别深,受各方面的影响在校学PLC的话也...

学好 plc 之前需要掌握哪些 电子 电工的基础知识?

应该具备有:电工基础知识、电子技术知识、电机及其控制技术。应该具备有:电工基础知识、电子技术知识、电机及其控制技术。

台达伺服驱动器中的 电子 齿轮比分子和 电子 齿轮比分母是什么意...

plc输出脉冲×电子齿轮比,就是,私服电机实际走的脉冲数从时间的一端辗转到另一端,如果我倒下,那不过是我换了一种姿势。同意马迹蛛丝的说法。默认的是FNP302...

设备运转速率如何在 PLC 中编程?

设备运转速度如何在PLC中编程,如果你采用的变频器控制电机调速的话,要求不高的话可以直接将变频器的实际输出频率经过计算转换成转速。现在的变频器矢量控制模...

西门子 PLC 中,看门狗作用是什么?原理是什么?简洁一点,不要到网站上复制一大堆文字过来,谢谢?

看门狗是防止程序死机而设置的定时复位,在正常运行的程序中加入一个指令定时将复位电路清零,当程序死机或地址溢出时,会造成该清零指令不执行,复位电路动作,...

湿度 电子 传感器怎么接到 plc ?

首先需要选用合适的湿度传感器和PLC通信模块。将传感器的输出信号接入PLC通信模块的输入端口,通信模块会将传感器的信号转换为PLC可以处理的数字信号,并通过PL...

PLC 凸轮,控制冲床电……凸轮的角度具体怎么弄……有什么含义?

PLC凸轮比较其他机械凸轮及光电感应凸轮及单片机控制小型机电器凸轮都要来得精确,但PLC凸轮有他自身的缺点,就是负荷能力太少,容易触点容焊,导致不能工作。P...

标签:

相关阅读