电子工程在ups应用中的应用 欧美新型UPS储能技术的应用

小编头像

小编

管理员

发布于:2026年04月14日

112 阅读 · 0 评论

欧美新型UPS储能技术的应用

【能源人都在看,点击右上角加'关注'】

北极星储能网讯:欧美新冠肺炎大流行彻底颠覆了“一切照旧”的定义,强调了对更新的、与众不同的思维方式的需求。对于今天的企业来说尤其如此,云计算和主机托管设施因远程操作、虚拟教室、赛事活动、远程医疗、视频流媒体、社交媒体以及无数其他数据处理引起了数据爆炸。并且,随着5G服务的推出,人工智能、机器学习和物联网数据将进一步挑战IT基础设施。

美国协同研究集团(Synergy Research Group)的数据显示,在2020年第二季度,全世界各地的数据中心在硬件设施和软件方面的花销激增了25%,达到了414亿美元,AWS、谷歌和微软等公共云服务提供商的支出同比增长7%。

高德纳公司(Gartner)副总裁希德·纳吉(Sid Nag)表示:“在未来一年内,发展远程工作功能的机构将优先考虑协作软件、移动设备管理、远程学习教育解决方案和证券,以及扩大规模以支持增加产能的基础设施。”

随着对IT基础设施的日益关注,对数据中心供电的可靠性提出了更高的要求,因为任何中断都会对数字生态圈造成严重破坏。

电力中断造成的损失

因计划外电力中断造成的损失正在迅速增加。根据波耐蒙研究所(Ponemon Institute)的调查,他们自2010年以来一直跟踪数据中心因停电事故造成的损失情况,停电的平均成本从2010年的505,502美元稳步上升到2016年的740,357美元(净变化38%)。考虑到如今人们对信息的依赖程度,2021年及以后的停电成本将更高。

作为研究的一部分,波耐蒙研究所(Ponemon Institute)计算了直接和间接成本,包括对任务关键数据的影响;停机对组织生产力的影响;对设备和其他资产的影响;对法律和监管影响,包括诉讼辩护费用;对声誉的影响等。

而且不仅仅是数据中心容易受到电力中断引起的影响;所有关键任务应用--从医疗设施到工业工厂、运输系统、国防和微电网,它们的连续运行都需要可靠的电源保障。

电网电源

美国许多地区的电网的恢复能力仍然有待商榷。在加州,缓解火灾蔓延或控制需求高峰引发的高温、火灾和公用事业强制停电可能是个大问题。尽管依托2009年的《美国复苏与再投资法案》(ARRA),电网现代化建设取得了长足进展,但其可靠性仍然存在挑战。

忧思科学家联盟(Union of Concerned Scientists)在最近的一篇博客中报道:“美国需要投资大容量输电系统,以缓解阻塞,更新老化的基础设施,并使更多的可再生能源并网。我们需要对我们的配电系统和人工系统加大投入,以适应分布式的屋顶太阳能、新的能源效率和灵活的需求技术。”

推动基础设施

根据核实市场研究公司(Verified Market Research)的数据,2019年全球数据中心电力市场价值174.5亿美元,预计到2027年将达到284.4亿美元,从2020年到2027年,复合年增长率(CAGR)为6.32%。如今的数据中心运营商在电力系统上花费了相当大的一笔资金,以确保电力可以7*24h全天候的持续运行。不过,随着更节能的系统投入使用,比如储能装置,数据中心的总拥有成本(TCO)将会降低,而效率却将提高。

企业、中到大型数据中心、主机托管设施和超级计算中心正在采取行动,将节能和低成本的电力系统纳入其中,这促使人们思索有创新精神的想法。数据中心运营商和设备经理通常采用他们认为无风险的方法来保护他们的IT基础设施,这一点也不足为奇。为了追求更有效的电力保护,促使主要的UPS供应商在其三相系统方面取得重大进展,包括高达99%的效率、模块化电力电子、可扩展设计和更小的占地空间。直流储能系统是UPS需要特别关心的关键部件。

电化学储能装置

阀控铅酸(VRLA)电池长期以来一直是UPS能量存储的首选。它们经过长期应用验证,而且比其他电池技术的前期购买成本更低。然而,它们也有很多缺点,包括:

故障率高——根据波耐蒙研究所(Ponemon Institute)的研究,55%的计划外数据中心停电和三分之一的UPS故障是由VRLA电池引起的。

寿命短,意味着更频繁的更换。

需要空调控温。

需要频繁的测试和维护。

对空间和重量有限制要求。

要按规定进行回收和处置。

控制酸液泄漏。

一些主要的UPS公司尝试提供锂离子电池作为储能选择。虽然它们比VRLA电池有更高的能量密度和更长的寿命,它们也存在缺点。根据NFPA 855标准,锂离子电池必须包含一个经过批准的电池管理系统(BMS),具有热失控管理功能,以减轻火灾风险,电池柜周围需要3英尺的空间来减轻火势蔓延,尽管寿命更长,但它们的总拥有成本(TCO)很高。

飞轮

为了降低对环境的影响,一些主流的运营商正在逐步使用飞轮储能系统代替电池系统,为其关键负载提供应急电源保障,降低公共事业成本及减少碳排放。

飞轮储能系统就像一个动态的物理电池,飞轮以旋转质量的形式存储动能。飞轮储能系统的主要组成部分包括高速电动机/发电机、在运行期间维持飞轮转子悬浮的五轴主动磁轴承悬浮以及一套智能软件控制系统。外部输入的电能经过电动机驱动飞轮转子进行旋转,带动飞轮本体加速旋转至额定转速,使其在7*24h内保持高速旋转,直到需要释放存储的能量。

飞轮储能系统通过正负极电缆连接至UPS直流总线,与传统的铅酸蓄电池接入UPS不间断电源系统的方式完全相同。在电源中断期间,飞轮将经过UPS逆变器立即提供备用电源为负载供电,直到无缝切换至柴油发电机组供电,以保证更长的供电时间,这个过程持续的时间约30秒,可能有人觉得30秒的后备时间是不够的。“飞轮储能系统与电池的关键的区别在于,飞轮储能系统只要保持在高速旋转状态就可以随时提供可用能量,状态透明”,洞穴技术公司(Cavern Technologies)设备工程副总裁麦克·麦克丹尼尔(Mike McDaniel)这样说道。“考虑到我们的发电机组可以在10秒内上线,飞轮储能系统可以和我们的供电设计系统完美配合。”

目前全美已经有超过2000台飞轮在为数百家用户提供高可靠性的关键电力保障,2020年1月DataBank选择部署了VYCON公司的12套VDC XXT 450kW飞轮储能系统,与飞轮储能系统配套使用的是三菱9900B-750kVA在线双变换式UPS。DataBank技术总监艾伦(Allen)评论说道:“VYCON公司的飞轮储能系统具备高安全可靠性、极低的运行维护成本及绿色节能环保等优势。当飞轮储能系统运转时,可以准确知道储能装置的状态,而铅酸蓄电池则不同,无法预测它们是否处于正常的工作状态,或者在需要不间断电源供电时它们能否正常工作。更重要的是,飞轮系统存储的能量不会像铅酸蓄电池一样随着使用年限的增加而衰减。”

免责声明:以上内容转载自北极星电力新闻网,所发内容不代表本平台立场。

全国能源信息平台联系电话:010-65367702,邮箱:hz@people-energy.com.cn,地址:北京市朝阳区金台西路2号人民日报社

冗余并机技术在UPS系统中的应用

高稳定性和高精度的电源是天然气处理厂的电力负载正常运行的重要保障。原有的UPS系统常因电网闪电,从稳压输出至逆变器输出的切换时间较长,造成全厂停机。通过采用“1+1”和“5+1”的“N+1”冗余并机技术对原有UPS系统进行了升级改造,既实现了电网异常时零切换,又使系统的输出更加稳定、可靠,平均故障间隔时间大为延长。本系统两年来运行稳定,取得了良好的经济效益,对其他工厂配电系统具有很好的参考价值。

中国石化中原油田天然气处理厂是专门从事天然气深加工处理和轻烃精细化工产品生产的大型现代化石化企业。本厂是将油田的伴生气经过脱水,得到乙烷以上组分的液态烃,并生产出高纯度的液态乙烷、丙烷、丁烷和天然汽油。工厂2001年建成投产以来,总体运行正常。

控制系统中设有一套大型的UPS,容量为30kVA,其作用是为全厂所有的仪表控制系统和高、低压配电系统提供220V交、直流控制电源,一旦UPS系统出现故障或不能满足各控制系统的需要,全厂的所有电气、仪表设备将陷入瘫痪,停机将不可避免。

1 原UPS系统应用状况

天然气处理厂的一级保安负载对电源的要求很高(高稳定性、高精度)。由于带谐波的电源对仪器仪表的损害很大,很多精密设备对供电电能质量指标提出了更高的要求。

图1是原UPS原理图,三相380V AC输入电源经过变压、整流、稳压成为220V DC,送至控制母线,其用户主要包括高压控制系统电源、控制系统中的供电电源。同时,整流后的220V DC通过充电装置给电池充电,合闸母线直接接在电池的两端,它的用户主要是高、低压真空断路器的操作电源。另外三相380V AC输入电源经过变压、稳压成为220V AC,经过闭合的3B开关送至交流母线,交流母线的负载主要是仪表控制电源(DCS、ESD及三大机组控制电源)、低压控制电源。

图1 天然气处理厂原UPS系统工作原理图

在UPS实际运行过程中,因电网闪电,UPS从稳压输出切换至逆变器输出时,切换时间较长(大约5ms),每次都会造成控制系统停运,引起全厂停机。这对全厂的经济效益会产生严重的影响,并且对全厂的设备有极大的危害。

2 UPS系统改造

2.1 UPS类型分析

按照UPS逆变器工作状态可以分为在线式和后备式[1]。在线式UPS的逆变器一直处于工作状态,它首先通过电路将外部交流电转变为直流电,再通过高质量的逆变器将直流电转换为高质量的正弦波交流电输出给计算机,适用于对电源有严格要求的场合。后备式UPS平时处于蓄电池充电状态,在停电时逆变器紧急切换到工作状态,将电池提供的直流电转变为稳定的交流电输出,因此后备式UPS也被称为离线式UPS。

此外还有在线互动式UPS,这是一种智能化的UPS,在市电输入正常时,UPS的逆变器处于反向工作(即整流工作状态),给电池组充电;在市电异常时逆变器立刻转为逆变工作状态,将电他组电能转换为交流电输出[2]。

“N+1”冗余并机UPS由“N+1”个在线式UPS单体组成,将其输出并联,既可以实现电网异常时零切换,又比单个UPS具有更高的可靠性[3]。

2.2 “1+1”并机冗余UPS系统的实现

“1+1”并机冗余UPS系统由直流母线电压给逆变器部分提供电源,可以通过更改逆止二极管的连接,实现UPS对电池的充电功能。此时,UPS直流母线可以同时给电池和逆变器部分提供电源。电池充电采用带温度补偿功能的充电技术,可以延长电池使用寿命。逆变器采用最新IGBT功率开关器件及脉宽调制(PWM)技术,将直流电压转换成交流电压。

在正常运行时,整流器和逆变器同时工作,给负载提供优质的供电电源。如果UPS工作于直通模式(没有接入逆止二极管),整流器对电池浮充充电。当市电异常时,整流器停止工作,由电池经逆变器向负载供电;若电池电压下降到放电终止电压,而市电还未恢复正常,UPS将关机。

本厂采用两台30kVA的UPS单机组成“1+1”冗余并机系统(图2)。从电源的角度看,并机系统中各单机内部配置与普通单机配置相同。一套“1+1”冗余并机系统需要逆变器和旁路电源,单机间控制信号对均流、同步以及单机间旁路切换进行管理,这些由并联母线完成。并联母线使用多芯扁平电缆连接在系统的两个单机之间。

由于并机系统中各UPS单机的输出并联在一起,系统会检查各逆变器控制电路是否相互同步,及其与市电旁路的频率和相位的完全同步性,同时保证它们各自输出电压完全相同。负载的供电电流自动由各UPS单机均衡承担。并机系统中的某个单机发生故障,该单机的静态转换开关自动将此单机退出系统。系统将继续给负载供电,负载电源不中断。

控制逻辑系统持续对负载的供电要求进行监测,并对UPS各单机的供电进行控制。如过载时间超过设定值,系统不能满足负载供电要求时,负载将切换到旁路电源。当负载值下降到系统能够满足负载供电要求时,负载将切换回逆变供电。当系统切换到旁路供电状态时,各UPS单机的旁路静态开关均分负载。

图2 “1+1”并机冗余UPS系统工作原理图

2.3 “5+1”并机冗余直流屏系统的实现

对于“5+1”并机冗余直流屏系统,当系统交流输入正常时,通过交流配电单元给各个充电模块供电。充电模块将三相交流电转换为220V的直流,经过隔离二极管隔离后输出,一方面给电池充电,另一方面给负载供电(图3)。

图3 “5+1”并机冗余UPS系统工作原理图

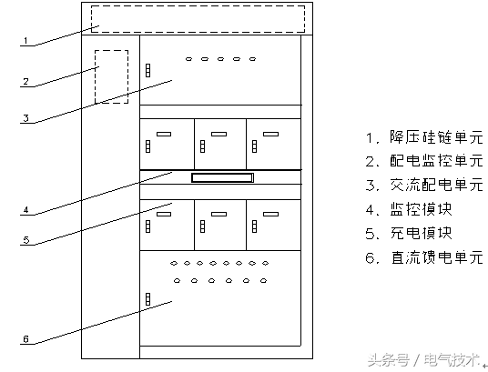
监控部分采用集散方式对系统进行监测和控制,充电、馈电的运行参数分别由配电监控电路和模块监控电路采集处理,然后通过串行口给监控模块,由监控模块统一处理后,显示在液晶屏上。同时也可以通过人机交换对系统进行设置和控制。当其中有一块充电模块故障时,监控模块就会报警,系统会将其隔离,维修人员可以实现带电插拔(图4)。

图4 PowerMaster直流屏一标准一体柜的结构图

2.4系统的安装与管理

为了使系统具有高可靠性和高智能化,采取以下方式对其进行安装与管理:

(1)采用开关电源的模块化设计,N+1热备份。(2)充电模块可以带电热插拔,平均维护时间大幅度减少。(3)动力母线和控制母线可以由充电模块单独直接供电,可以通过降压装置热备份。(4)硬件低差自主均流技术,模块间输出电流最大不平衡度优于5%。(5)可靠的防雷和电气绝缘措施,选配的绝缘监测装置能够实时监测系统绝缘情况,确保系统和人身安全。(6)监控模块采用大屏幕液晶汉字显示。(7)可通过监控模块进行系统各个部分的参数设置。(8)模块具有平滑调节输出电压和电流的功能,具备电池充电温度补偿功能。(9)备有多个扩展通讯口,可以接入多种外部智能设备(如电池监测仪,绝缘监测装置等)。(10)现代电力电子与计算机网络技术相结合,提供对电源系统的“遥测、遥控、遥信、遥调”的支持,实现无人值守。(11)蓄电池自动管理及保护,实时自动监测蓄电池的端电压、充电放电电流,并对蓄电池的均浮充电进行智能控制,设有电池过欠压和充电过流声光告警。(12)系统具有报警、操作记忆功能。

2.5系统实施的难点

项目的难点在于系统输出母线的并联处理。直流部分较为简单,只要监测到幅值能满足要求,即可并联,否则,就将其隔离。交流部分较为复杂,需要比较幅值、相位、频率。所以,只有相同型号的UPS才能并机,同时各个主机要时时通讯,互相监测自己的参数与对方的参数,在相容的范围内才能并机。

“母线”并机技术即同步频率母线和均流母线调控技术是此次项目的创新点,就是将两台UPS直接“1+1”并联而形成对负载的并机供电系统。此套并机系统,采用各UPS都直接同步跟踪市电的方案,处于并机供电系统中的各台UPS总是处于同频率、同相位和均流供电状态,其环流几乎为零。在可并联UPS中为“环流”控制最好的技术。

3技术改造投用效果

“N+1”冗余并机技术使UPS系统的输出更加稳定、可靠,平均故障间隔时间长。当其中一台有故障时,另外“N”台可以无扰动地平均分摊全部负载。本系统在天然气处理厂运行两年来,UPS系统保持无故障运行,取得了良好的经济效益,达到了预期的目的。该套系统的安装与使用对其他工厂的配电系统也具有一定的参考价值。

但是,一套好的系统要使其始终正常发挥作用,必须有一套维护试验措施,并能够做到持续严格地执行下去。自改造完成后,按生产部门的要求,在一年一度的装置大检修中,对系统进行检查、模拟试验,发现问题及时解决。

(本文选编自《电气技术》,原文标题为“冗余并机技术在UPS系统中的应用”,作者为朱新全、朱鹏等。)

相关问答

电力 电子技术 应用领域 主要有哪些 - qXmCYCgs 的回答 - 懂得

现在的电力系统设备都是自动化的了,电力电子技术的应用可广了,到处都能用到,但是不会涉及太深的理论电力电子技术主要应用(根据适用场合分类):石油...

UPS在 铁路远程基站 中的 问题有哪些?

1引言为了确保高铁的可靠运行,需要在铁路沿线部署用于信号监测和控制的远程基站,UPS为基站中的电子设备提供净化的不间断电源,因而UPS的可靠性对基站的正常...

UPS 电源哪些项目?感谢回答

UPS电源-台诺电子-家用逆变UPS电源由东莞市台诺电子有限公司提供。东莞市台诺电子有限公司(www.tynopower.com)在UPS电源这一领域倾注了诸多的热忱...

什么是 Ups ?

您好,UPS是无间断电源(英文全称UninterruptiblePowerSupply)的缩写。它是一种用于保护计算机、网络通讯设备或其他电子设备不因突发电压波动、电力中断或其...

UPS 工作原理 - mextrosexual. 的回答 - 懂得

UPS及其工作原理简介UPS是英文UninterruptiblePowerSupply的缩写,意为“不间断供电电源”,是一种含有储能装置(常见的是蓄电池),以逆变器为主要组成...

一、 UPS 电源专业 1、试述工频在线式 UPS 的组成及工作原理? 2...

[最佳回答]去ups电源网站看看

UPS 不间断设备有哪些呢?急需赐教

[回答]UPS电源-台诺电子-家用逆变UPS电源由东莞市台诺电子有限公司提供。东莞市台诺电子有限公司(www.tynopower.com)在UPS电源这一领域倾注了诸多的热忱...

ups 不间断电源是干嘛用的?

UPS不间断电源是一种电力设备,可以在电力中断或电压波动时提供电力支持,保证电子设备正常运行不受影响,避免数据丢失和设备损坏。UPS不仅可以保护计算机和服...

请问下 UPS 电源一般用到什么地方?什么公司用的最多?

10kva的UPS电源可以负载8KW,可以给低于或等8KW的设备使用。UPS不间断电源使用在什么地方:ups不间断电源一般使用在在比较容易断电或电压不稳的地方,比如一些...

山克 ups 可以连接什么用电器?

山克ups可以连接各种用电器,包括电脑、路由器、电视机、音响等电子设备。它的作用是在停电或电压波动的情况下为这些设备提供稳定的电力保障,避免因电力不稳定...

标签:

相关阅读