电子监控继电器应用 应用实例:PNOZ s5安全继电器监控安全门开关

小编头像

小编

管理员

发布于:2026年04月14日

120 阅读 · 0 评论

应用实例:PNOZ s5安全继电器监控安全门开关

上一篇文章我们介绍了Pilz安全继电器PNOZ s5,今天这篇文章我们来举个应用实例:使用PNOZ s5监控安全门开关。

本文包括如下几个主题:

应用场景;安全开关介绍;设计思路;EPLAN电气原理图;

1、应用场景

为了防止人员误入机器作业的危险区域,将该区域设立围栏并安装一扇安全门。只有当安全门关闭后,机器才能运行。如果在机器运行过程中安全门被打开,则立刻切断机器的电源并紧急制动。下面这张图是使用机械式安全开关做主控元件的安全门的示意图:

2、安全开关介绍

安全开关是安全门的核心元件,常见的安全开关有机械式、感应式等等。本例程使用Pilz机械型安全开关PSENmech3.1,其外观如下图所示:

该安全开关有2路常闭触点,在默认情况(未触发)下处于闭合状态;当安全开关被触发后(门被打开),2路常闭触点断开;

3、设计思路

安全门开关的两路常闭触点连接到安全继电器PNOZ s5的两路输入通道S11/S12和S21/S22上,立即动作型常开触点13/14串联到电机控制回路中,控制接触器(KM1)的线圈;接触器KM1控制电机的启停;立即动作型常开触点23/24控制电机的抱闸,当23/24闭合后电机抱闸松开,电机可以正常运行;当23/24断开后电机抱闸闭合,电机不能正常运行;

当安全门关闭时:

安全开关常闭触点闭合;安全继电器PNOZ s5的输入通道处于闭合状态,因此其常开触点13/14和23/24闭合,电机控制回路接通,抱闸松开,可正常运转;

当安全门打开时:

安全开关被触发,其常闭触点断开;安全继电器PNOZ s5的输入通道处于断路状态,因此其常开触点13/14断开,电机控制回路断开,电机失去动力;常开触点23/24断开,电机抱闸闭合,在抱闸的作用下失去动力的电机将紧急制动;

4、EPLAN电气原理图

下面这张图是我用EPLAN绘制的PNOZ s5电源及安全输入通道:

其中:

S3是复位按钮;S4/S5是安全门开关的常闭触点;X3(A1)连接24V正极;X4(A2)连接24V负极;X2(Y32)是PNOZ s5的输出信号,连接到PLC的数字量输入通道;

下面这张图是PNOZ s5辅助触点的原理图:

其中:

输出通道Q0.0接到PNOZ s5的常开触点S13/S14,再连接到电机接触器KM1的线圈;输出通道Q0.1连接到PNOZ s5的常开触点S23/S24,连接到中间继电器K1的线圈;中间继电器K1用于控制电机抱闸(AC 220V),如下图所示:

另外说明的是,Pilz还有PSENgate/PSENlock系列产品,具有更强大的安全门功能,感兴趣可以去官网看下。

好了,这就是基于PNOZ s5的安全门(安全开关)的应用实例,如果有任何问题欢迎留言讨论。

我的新书《西门子S7-200 SMART PLC应用技术——编程、通信、装调、案例》已经出版,欢迎点击下面的链接查看:

#pgc-card .pgc-card-href { text-decoration: none; outline: none; display: block; width: 100%; height: 100%; } #pgc-card .pgc-card-href:hover { text-decoration: none; } /*pc 样式*/ .pgc-card { box-sizing: border-box; height: 164px; border: 1px solid #e8e8e8; position: relative; padding: 20px 94px 12px 180px; overflow: hidden; } .pgc-card::after { content: " "; display: block; border-left: 1px solid #e8e8e8; height: 120px; position: absolute; right: 76px; top: 20px; } .pgc-cover { position: absolute; width: 162px; height: 162px; top: 0; left: 0; background-size: cover; } .pgc-content { overflow: hidden; position: relative; top: 50%; -webkit-transform: translateY(-50%); transform: translateY(-50%); } .pgc-content-title { font-size: 18px; color: #222; line-height: 1; font-weight: bold; overflow: hidden; text-overflow: ellipsis; white-space: nowrap; } .pgc-content-desc { font-size: 14px; color: #444; overflow: hidden; text-overflow: ellipsis; padding-top: 9px; overflow: hidden; line-height: 1.2em; display: -webkit-inline-box; -webkit-line-clamp: 2; -webkit-box-orient: vertical; } .pgc-content-price { font-size: 22px; color: #f85959; padding-top: 18px; line-height: 1em; } .pgc-card-buy { width: 75px; position: absolute; right: 0; top: 50px; color: #406599; font-size: 14px; text-align: center; } .pgc-buy-text { padding-top: 10px; } .pgc-icon-buy { height: 23px; width: 20px; display: inline-block; background: url(https://lf3-cdn-tos.bytescm.com/obj/cdn-static-resource/pgc/v2/pgc_tpl/static/image/commodity_buy_f2b4d1a.png); } S7-200 SMART PLC应用技术 ¥84.5 购买

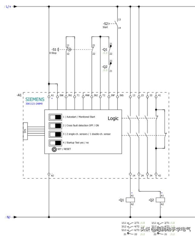
西门子安全继电器的应用举例

SIRIUS 安全集成:通过使用急停按钮和安全继电器停机

任 务

通过3SK1安全继电器的双通道急停命令和主接触器实现电机停机。

解 决方案

安全继电器双通道监控急停设备的命令。当急停设备动作时,安全继电器将打开使能回路,从而以安全方式关断主接触器。一旦急停设备被解锁,且反馈回路闭合,那么可以通过启动按钮进行重启。

控制原理图如下图所示:

相关问答

继电器 view是什么意思

[回答]BottomView是指底视图。继电器的底视图表明你所看的面是底面。即仰视看的图片。继电器不分正负极。继电器只有输入端和输出端。继电器是一种两个接...

继电器 的作用是什么?

[最佳回答]继电器的作用:1、扩大控制按触点组范围;2、放大控制量;3、综合继电器信号;4、继电器与其他电器一起,可以组成程序控制线路实现自动、遥控和监测。继...

继电器 即位片作用?

继电器的作用:1、扩大控制按触点组范围;2、放大控制量;3、综合继电器信号;4、继电器与其他电器一起,可以组成程序控制线路实现自动、遥控和监测。继电器...

200a 继电器 作用?

继电器的作用:1.扩大控制范围。例如,多触点继电器控制信号达到某一定值时,可以按触点组的不同形式,同时换接、开断、接通多路电路。2.放大。例如,灵敏型继...

继电器 的作用是什么_车坛

继电器的作用:扩大控制按触点组范围;放大控制量;综合继电器信号;继电器与其他电器一起,可以组成程序控制线路实现自动、遥控和监测。继电器介绍:继...

速度 继电器 工作原理和用途?

2.速度继电器工作原理:转子2是一块永久磁铁,它和被控制的电动机轴1联在一起,定子3通过支架固定在同一轴上。定子由硅钢片叠成,并装有笼型的短路绕组4。当电动...

【某同学想利用电磁 继电器 制成一个温度自动报警器,实现对温...

[最佳回答](1)当在正常工作的温度范围内时,水银与金属丝断开,电磁铁断电没有磁性,绿灯所在电路接通,绿灯亮;(2)当温度升高,水银达到金属丝下端时,水银是导体,...

继电器 有什么用?

继电器的作用如下:扩大控制按触点组范围:例如,多触点继电器控制信号达到某一定值时,可以按触点组的不同形式,同时换接、开断、接通多路电路。放大控制量:...

继电器 作用_建筑界

继电器作用继电器我来回答我要提问考试三部曲一、按作用原理,继电器可分为:1、电磁继电器:在输入电路内电流的作用下,由机械部件的相对运动产生预定响应的...

DL13电流 继电器 特性?

DL13电流继电器是一种用于电力系统中测量和控制电流的继电器。其特性包括:1.高精度:DL13电流继电器采用数字化技术,具有高精度的电流测量和控制能力,可以实...

标签:

相关阅读