电子烟应用电路 一种SAW电子烟雾化芯片驱动控制电路设计与实现

小编头像

小编

管理员

发布于:2026年04月14日

109 阅读 · 0 评论

一种SAW电子烟雾化芯片驱动控制电路设计与实现

近年来,在全球控烟形式和公众健康舆论的双重压力下,传统卷烟的发展受到越来越多的制约,电子烟作为一类极具发展潜力的非燃烧性卷烟替代品,在世界范围内掀起了产品研发、危害研究、市场拓展及健康消费的热潮[1-2]。

目前,国内外市售主流的电子烟一般采用电热式。该方式基于热传导原理,通过气流传感器、机械按键或触控按键等激发电子烟工作,导通电路给金属发热丝或陶瓷发热片等供电,加热烟油雾化产生气溶胶[3-4]。尽管电热式雾化方式导热速率快、雾化效率高,但却普遍存在如下问题[5-9]:雾化技术核心专利由帝国烟草公司掌控,具有较大知识产权侵权风险;电子烟连续抽吸过程中,发热组件持续升温可高达500~600 ℃,存在潜在安全风险的同时,烟油高温热解会释放醛类等有害成分,健康隐患大;属于接触式雾化,烟油容易在发热组件表面烧结粘附并产生积碳,进而热解释放CO等有害成分、发出焦糊味或引起发热组件阻值发生变化;此外,烟油与发热组件长期接触,重金属会浸出并转移至气溶胶。为了改善或解决电热式雾化方式存在的技术缺陷,许多新型的电子烟雾化方式相继被提出,如超声波雾化[10]、电磁感应雾化[11]、(Surface Acoustic Wave,SAW)雾化[12]、磁悬浮离心雾化[13]、光子雾化[14]等。在前述的这些雾化方式中,SAW雾化凭借能量定向集中、驱动功率低、激励频率高、发热量小等特点[15-16],为能连续稳定地产生有害物质释放量少、粒径小且分布均匀的气溶胶提供了新思路,其在电子烟烟油雾化领域应用前景十分广阔。然而,值得一提的是,SAW雾化芯片的激励频率高达兆赫兹级及以上,属于高频射频信号范畴,电路的集成化、小型便携化研发是一大挑战。此外,鉴于驱动功率对烟雾量、激励频率对气溶胶粒径的直接影响,拟开发的驱动控制电路还应具备功率及频率调节功能。

本文基于SAW技术实现电子烟烟油雾化的应用,将AT89S52单片机、AD9851高频信号发生电路、七阶椭圆低通滤波电路、两级级联电压信号放大电路等有效集成,设计并实现了一款输出频率和功率范围分别从0~65 MHz和0~4.5 W连续可调、信号输出稳定可靠、结构紧凑、体积小巧的驱动控制电路。该电路的成功研制,为推进SAW雾化技术应用并引领电子烟创新发展提供了重要技术支撑。

1 电路设计

1.1 需求分析

SAW雾化型电子烟的基本结构如图1所示,主要包括驱动控制电路和雾化芯片两部分。驱动控制电路主要用于给雾化芯片施以高频交流电信号,雾化芯片的作用是将烟油雾化成气溶胶,芯片由压电基底和叉指换能器组成,换能器一侧的压电基底表面上分散有烟油,另一侧涂有吸声胶以消除反射波影响。对电子烟的工作过程描述如下:启动驱动控制电路,雾化芯片通过信号接口加载高频交流电信号并传递给叉指换能器,换能器利用压电基底自身的逆压电效应,将电信号转变为声信号,形成沿压电基底表面传播的SAW。当SAW与置于压电基底上的烟油相接触时,SAW携带的能量会以漏声表面波的形式以特定角度衍射进入烟油,并使其自由表面产生强烈扰动。当烟油自身的表面张力不足以保持其几何形态的稳定时,便可产生气溶胶。显然,驱动控制电路是确保雾化芯片正常工作以连续稳定产生气溶胶的前提。此外,考虑到电子烟是一种手持式设备,且驱动功率和激励频率分别与烟雾量和气溶胶粒径密切相关,因此开发出一款尺寸小巧、满足驱动功率需求且功率和频率可调的高频驱动控制电路是SAW技术在电子烟雾化领域得到成功应用的关键。

1.2 电路方案

由上述分析可知,拟开发的SAW雾化芯片配套驱动控制电路除能连续稳定地输出高频正弦波交流电信号外,还应满足小尺寸以及功率、频率可调的需求。图2是驱动控制电路的结构框图,电路主要由单片机控制模块、信号发生模块、信号处理模块、人机交互模块和电源模块组成。其中,单片机控制模块作为整个系统的控制单元,完成各模块之间的数据管理与信号传输;信号发生模块用于产生目标高频正弦交流电信号;信号处理模块的作用是实现信号滤波与信号放大;人机交互模块用于根据用户实际抽吸需求,进行功率、频率设定,以及信息显示;电源模块为各模块电路提供电力支持。

2 电路实现

2.1 硬件部分

2.1.1 单片机控制及人机交互电路

单片机是整个驱动控制电路的核心,一方面需要实时监测键盘输入,接收并读取外部信号,实现信号传输并控制AD9851完成相应功能设置,另一方面需要读取整个电路的数据并与LCD通信向用户展示信息。选用TPFQ型AT89S52单片机,端口连线图见图3。P0为8位漏极开路双向I/O口,每位能驱动8个TTL逻辑电平,P1、P2、P3均为具有内部上拉电阻的8位双向I/O口,输出缓冲器能驱动4个TTL逻辑电平[17]。串行输入RXD和串行输出TXD与外部CH340T连接用于下载程序,P3.2~P3.6分别与一个独立按键连接,供用户调节并设置目标激励频率,XTAL1和XTAL2用于产生内部时钟,RST外接一个按键用于实现芯片手动复位,P2.3~P2.7与Nokia 5110 LCD连接用于传输系统数据并进行显示,P0及P1为单片机与AD9851之间的数据传输与通信接口,具体连接方式详见AD9851高频信号发生电路部分。

2.1.2 AD9851高频信号发生电路

AD9851由数据输入寄存器、频率/相位寄存器、直接数字频率合成DDS芯片和内部高速比较器等组成,其中DDS芯片内部集成有32位相位累加器、正弦函数功能查找表、10位D/A转换器、6倍频参考时钟倍乘器等。DDS芯片利用数字方式累加相位,再以相位之和作为地址来查询正弦函数功能表得出正弦波幅度的离散数字序列,最后经D/A转换后输出模拟正弦波交流电信号。高速DDS芯片的时钟频率可达180 MHz,输出频率可达70 MHz,分辨率为0.04 Hz[18]。AD9851有串行和并行两种通信方式,为充分发挥芯片的高速性能,特选用并行方式,相应端口连接图如图4所示,将AD9851的D0~D7与单片机的P1.0~P1.7直接相连实现数据传输,FQ_UD端和W_CLK端分别与单片机的P2.1和P2.2相连实现控制信号传输,RESET端与单片机的P2.0连接实现芯片复位功能,REFCLOCK端与30 MHz有源晶振连接获取参考时钟输入信号,IOUT端输出待处理的正弦波交流电信号。

2.1.3 低通滤波电路

经过AD9851信号发生电路输出的正弦波交流电信号很不稳定、噪声偏大,并且有阶梯状锯齿[19],不是标准的正弦波信号,因此需要在后级增加低通滤波电路,用以去除基频外的杂波分量,有效抑制谐波和杂散,获得稳定的、噪声尽量小的目标正弦波交流电信号。图5为七阶椭圆低通滤波电路,电路的截止频率可达70 MHz,运用反归一化方法可根据用户需求计算出相应电学参数以便选择相应的电子元器件。频率标定系数为FSF=f0/f1,其中f0为正弦波频率,f1为滤波电路-3 dB截止频率。

2.1.4 功率放大电路

AD9851直接合成的正弦波频率信号幅值较小、驱动能力弱,不足以满足后续负载的驱动需求,同时电路的最大输出频率高达70 MHz,一般的运算放大器频摆已不能满足要求[20],进而输出波形会严重失真,为此进行两级级联电压信号放大处理,功率放大电路如图6所示。第一级采用高动态范围的AG603-89通用缓冲射频放大器,在高频时信号增益高且输出电流低;第二级采用三菱场效应高频管RD06HVF,电位器R31用于设置放大电路的静态工作点。

2.2 软件部分

软件主要是对单片机的各端口进行设置,以控制与其连接的各外围电路,进而实现相应功能。开始上电时,所有电路及芯片进行初始化,LCD显示两行字符,分别为“Welcome to HIT”和“000 000 000 Hz”,随即等待用户进行频率设置。单片机实时监测扫描按键输入端口,当有按键动作时,即表示设置频率发生变化。一方面,单片机将按键对应的操作传输给液晶显示屏,向用户实时显示当前操作和设置频率值;另一方面,单片机将设置对应的控制字并传输给AD9851,AD9851 射频电路将根据单片机输入控制字输出对应频率的正弦波交流电信号,整个软件控制流程如图7所示。

3 测试与结果分析

3.1 测试系统

高频SAW雾化芯片驱动控制电路产生的信号通过Tektronix DPO 3204B数字示波器和Diamond SX-200功率计进行测试,测试系统如图8所示。供电端选用电压额定值为12 V(实测值为11.65 V)、电池容量为28 000 mA的可充电电池。驱动控制电路的正面及侧面实物图见图9,主要包括3层,最上层为液晶显示电路,为用户直观显示电路输出频率数据;中间层为主控制层,其上集成有单片机控制电路、AD9851高频信号发生电路及外围按键控制电路等,用于设置并产生预定频率的正弦波交流电信号;最下层为信号处理层,用于滤出噪声干扰信号,并对有用信号进行放大处理。此外,为了防止电路在工作过程中因过热而损坏,在底部增设了一层散热片,以确保电路工作状态良好。

3.2 测试结果

根据如图8中搭建的测试系统,对高频SAW雾化芯片驱动控制电路在不同频率下的工作状态进行测试,主要记录预定频率、实际输出频率、输出电压峰峰值和有效值,实验测试结果如表1所示。由表中数据可以看出,驱动控制电路在0~65 MHz范围内能有效输出预定的大功率信号,频率误差平均只有百分之零点几,精度相对较高,但当频率接近或大于70 MHz时,信号失真严重。此外,通过旋钮式功率控制电位器实现输出功率调节,并对不同频率下控制电路的驱动能力进行测试。结果表明,在有效激励频率范围内,控制电路均能稳定工作,且可实现0~4.5 W的任意功率输出,而SAW芯片实现烟油雾化一般仅需2.5 W左右的正弦交流电信号,因此控制电路完全能满足雾化驱动需求。

4 结论

本文基于SAW电子烟雾化芯片驱动需求,研发了一款输出频率范围为0~65 MHz、输出功率范围为0~4.5 W、全范围可调的小型便携式驱动控制电路。电路主要由AT89S52单片机控制模块、AD9851高频信号发生模块、七阶椭圆低通滤波模块、两级级联电压信号放大模块、Nokia 5110 LCD与按键组成的人机交互模块组成。该控制电路具有信号输出稳定可靠、宽频调节且误差小、负载驱动能力强等优点,不仅可用于电子烟烟油雾化驱动,也可作为满足类似需求的其他SAW微流体雾化的驱动源。

参考文献

[1] NAYIR E,KARACABEY B,KIRCA O,et al.Electronic cigarette(e-cigarette)[J].Journal of Oncological Science,2016,2(1):16-20.

[2] MYERS M L.Towards more effective FDA premarket review of new tobacco products[J].Tobacco Control,2016,25(3):243-244.

[3] 朱东来,陈永宽,韩熠,等.电子烟[M].昆明:云南大学出版社,2015.

[4] GRANA R,BENOWITZ N,GLANTZ S A.E-cigarettes:a scientific review[J].Circulation,2014,129(19):1972-1986.

[5] KONSTANTINOS E,GILLMAN I,STEPHEN S,et al.Analytical assessment of e-cigarettes: From contents to chemical and particle exposure profiles[M].North Carolina:Elsevier,2016.

[6] GUTHERY W.Emissions of toxic carbonyls in an electronic cigarette[J].Beitrae Zur Tabakforschung,2016,27(1):30-37.

[7] MIKHEEV V B,BRINKMAN M C,GRANVILLE C A,et al.Real-time measurement of electronic cigarette aerosol size distribution and metals content analysis[J].Nicotine & Tobacco Research Official Journal of the Society for Research on Nicotine & Tobacco,2016,18(9):1895-1902.

[8] SLEIMAN M,LOGUE J M,MONTESINOS V N,et al.Emissions from electronic cigarettes: key parameters affecting the release of harmful chemicals[J].Environmental Science & Technology,2016,50(17):9644.

[9] ZULKIFLI A,ABIDIN E Z,ABIDIN N Z,et al.Electronic cigarettes: a systematic review of available studies on health risk assessment[J].Rev Environ Health,2018,33(1):43-52.

[10] 潘雪松,陈健.具有超声波雾化功能的电子烟及烟液:中国,CN103932404A [P]. 2014.

[11] 黄忠辉,田兆福,陆漓,等.一种基于电磁感应加热的雾化电子烟:中国,CN105595432A[P]. 2016.

[12] 韩熠,李寿波,孟凡晋,等.一种声表面波雾化器:中国,CN201610767046.5[P]. 2016.

[13] 韩熠,李寿波,李廷华,等.一种磁悬浮离心雾化电子烟:中国,CN106026780A[P]. 2016.

[14] 陈永宽,吴俊,朱东来,等.一种光子雾化烟:中国,CN106307621A[P]. 2016.

[15] QI A,FRIEND J R,YEO L Y,et al.Miniature inhalation therapy platform using surface acoustic wave microfluidic atomization[J].Lab on A Chip,2009,9(15):2184-2193.

[16] WANG J,HU H,YE A,et al.Experimental investigation of surface acoustic wave atomization[J].Sensors & Actuators A Physical,2016,238:1-7.

[17] 陈京培.AT89S52单片机实验系统的开发与应用[D].无锡:江南大学,2007.

[18] 陈京培,徐永梅.基于AT89S52单片机的液晶显示控制电路设计[J].现代电子技术,2008(22):22-25.

[19] WILLIAMS A B,TAYLOR F J.电子滤波器设计[M].北京:科学出版社,2008.

[20] 塞尔吉欧.佛朗哥,刘树棠,朱茂林,等.基于运算放大器和模拟集成电路的电路设计[M].西安:西安交通大学出版社,2009.

作者信息:

李廷华1,朱东来1,韩 熠1,雷芋琳2,李寿波1,张 霞1,巩效伟1,胡 泓2

(1.云南中烟工业有限责任公司技术中心,云南 昆明650231;

2.哈尔滨工业大学(深圳),机电工程与自动化学院,广东 深圳518055)

20W电子烟整体解决方案

When you dance with the devil, you wait for the song to stop.

——《Lock, Stock and Two Smoking Barrels》

电子烟是通过高科技智能芯片和咪头开关来控制烟雾输出量及工作状态。在电子烟内部,电子烟液通过烟丝棉、玻纤绳传送到发热丝,通过吸烟使咪头气动模型形成压力差,导通咪头开关。智能芯片通过锂电池的电流驱动,控制雾化室工作,雾化室里的发热丝产生250-280摄氏度的高温,使烟油雾化,从而形成模拟烟气的汽雾,这种方式正好使烟雾模拟了卷烟的烟气温度(50-60摄氏度),使得电子烟抽起来就像卷烟一样,从而使电子烟使用者在提神的同时还能满足吸烟者的愉悦感和多年养成的心里习惯,真正做到健康环保地吸烟。

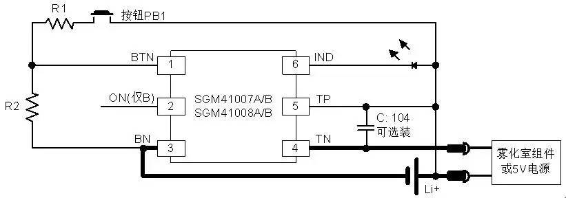
圣邦微电子推出高达20W一体式电子烟专用集成智能芯片SGM41007/8,设计用于加热控制、电池过充、过放、短路和过热保护功能。 其内部电路均包括一个带超时保护的加热控制模块、一个电池保护模块、一个按键读取及指示模块。加热控制档位包括不做火力控制的最大火力输出和可自动对电池电压补偿的大、中、小三档火力输出。其电池保护可阻止电池过度放电和过度充电,并配合外部PTC温度检测防止电池过热,配合内部温度检测防止持续短路损伤芯片本身和电池。

SGM41007B/SGM41008B开机时提供吸吮检测;芯片设计采用单个按钮操作选择工作参数,可识别按钮的点按次数、长按时间和其组合,触发点火、显示火力、显示电池电力、选择充电力和开关机(充电功能不受开关机影响)。其显示包括限时持续、慢闪、频闪等状态,直观指示当前的状态和参数配置。

这两款芯片的特性 十分鲜明:

1. 4火力等级选项:大、中、小恒定和直通全火力;

2. 10s加热超时保护;

3. 电池保护:过电压、短路、过热和欠电压保护;

4. 内置完整功能恒流恒压充电控制(仅SGM41008A/B);

恒流恒压快充

根据芯片温度调节充电电流

可根据输入电压跌落限制充电电流

5. 充电功能,按键控制极大提高充电电流;

6. 开机时对外部电路供电;

7. 多种指示提示能力;

8. TSOT-23-6绿色封装。

良好的性能为生产商和使用者带来更多的好处

1. 提供一种更安全可靠,更低成本,更简单易用的方案,用于可充电电子烟;

2. 简化了电池充电/放电两个环路的切换,通过电路自动切换控制完成充电/放电功能;

3. 使得方案的应用条件设置更为简化,方案可以用于更广泛的热丝驱动应用;

4. 解决了电池在运输,长时间待机情况下的功耗问题,提高电池使用寿命;

5. 解决了电池放电时,随电池电压不同,导致输出功率的不稳定问题;

6. 解决了电池放电过程中,由于瞬间电流过大,使电池电压波动较大,从而导致输出功率不稳定的问题;

7. 解决了电池充电时,温度和充电电压对充电过程的影响。

客户使用非常方便, 参考下列接线图:

图示 一

图示 二

电子烟是一种非燃烧的烟类替代型产品,但电子烟又与卷烟有着本质上的不同。电子烟不燃烧、不含焦油、不含普通烟燃烧时产生的会导致呼吸系统与心血管系统疾病的 460 余种化学物质,因此去除了普通烟中的致癌物质,不会对他人产生“二手烟"的危害也不会污染环境,使用者能够在吸入烟碱雾气的同时感受到如同吸传统烟一样的快意感。电子烟人性化地模拟了吸烟的整个过程,满足人生理心理双方面需求。它以高科技手段打造安全环保的正确吸烟“姿势”,让吸烟也可以很环保,很时尚。

如果您需要了解更多详细信息,请点击下方“阅读原文”与圣邦微电子的工程师联系!

相关问答

电子烟 冒烟怎么回事

[最佳回答]电子调节器冒烟说明电焊机电流大,通过电池电路短路。电池会严重爆炸,非常危险:1。有些电焊机设计成接220伏或380伏。不同的电压有不同的端子。这样...

卡瑞尔 电子烟烟弹 里有烟液能一同充电吗 - 懂得

可以的,没有问题烟油和电池电路是隔离开的,不会有影响

感烟探测器动作原理?

烟感探测器简单介绍:1、感烟器:是烟雾火灾报警器的的统称。2、烟感器有两种类型,离子式感烟探测器和光电式感烟探测器。3、烟感器从用途上分主要有三种...

在国内,目前 电子烟 行业有没有市场?

近年来,电子烟在人群中尤其是青少年中十分盛行,大众认知对电子烟的认知主要为“帮助戒烟”、“时尚符号”。此外,电子烟大多为调味电子烟,其中水果、薄荷醇或...

电子烟 有焦味怎么办?-ZOL问答

可以将电子烟拆解,并用纸巾或棉签轻轻擦拭加热元件和通风孔,以确保畅通无阻。其次,也要注意使用过程中的操作方法。使用时应适度吸引并避免连续长时间的吸气...

点型离子感烟火灾探测器的原理是什么?_住范儿家装官网

主要是采用红外散射原理来探测火灾。一对管(红外发射、接收二级管)安装在黑体中,在无烟环境下,红处接收管几乎接收不到信号,当火灾发生时,会有烟雾...

电子烟 结构工程师面试技巧_结构工程师_帮考网

1.准备充分:在面试前,了解公司的背景和产品结构,对电子烟的相关知识有一定的了解,准备好简历和相关证书。2.突出技能:在面试中,突出自己的技能和...

为什么消防弱电感烟探测器要短接..._消防考试_帮考网

消防弱电感烟探测器短接的问题,实际上涉及到火警报警系统的工作原理。首先,消防感烟探测器是用来监测火灾早期烟雾的设备,它通过一定的电路设计,将...

冰箱 电路板 洒进水冒黑烟怎么处理-ZOL问答

这种冒烟的情况要及时断电,请专业人员进行修理,更换相应损坏的电源配件,如果因此涉及芯片问题,最好直接更换整块板。不懂就别弄了危险2条回答:【推荐答案...

消防智能光电感烟探测器需要电源线吗?

消防智能光电感烟探测器不需要电源线。光电感烟火灾探测器采用特殊结构设计的光电传感器,SMD贴片加工工艺生产,具有灵敏度高、稳定可靠、低功耗、美观耐用...

标签:

相关阅读