电子电路升压应用 用于通信的高压升压和反相转换器

小编头像

小编

管理员

发布于:2025年05月05日

115 阅读 · 0 评论

用于通信的高压升压和反相转换器

电子通信领域正迅速扩展到日常生活的各个方面。检测、传输和接收数据都需要使用大量器件,例如光纤传感器、RF MEMS、PIN二极管、APD、激光二极管、高压DAC等等。在许多情况下,这些器件需要几百伏的电压才能运行,因此需要使用DC-DC转换器,以满足严格的效率、空间和成本要求。

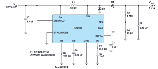
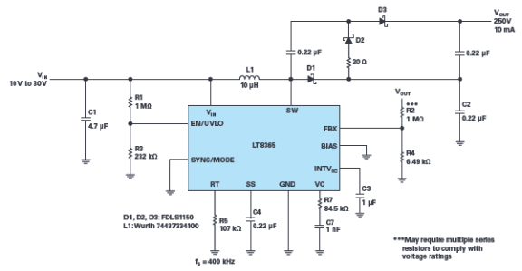
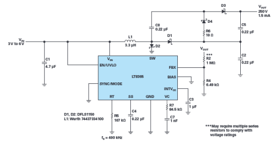
ADI公司的LT8365是一个多用途单芯片升压转换器,集成了一个150 V、1.5 A开关,因此特别适用于通信领域中包括便携式器件在内的高压应用。可以轻松从低至2.8 V和高至60 V的输入中生成高压输出。芯片具备可选的展频功能,可以帮助消除EMI,还有许多其他常用的特性,具体请参见数据手册。图1和图2所示的转换器被用于从12 V输入源为高压DAC、MEMS、RF开关和高压运算放大器提供正压和负压电轨。这些转换器在断续导通模式(DCM)下运行,提供最高10 mA电流,以及+250 V和–250 V输出电压,转换效率约为80%。

升压比 > 1:40

在升压转换器中实施DCM运行的一个优势在于:不论占空比多高,都能够实现高升压比。此外,电感和输出电容的值和物理尺寸都可以减小,从而减小PCB上所使用的解决方案的整体尺寸。图3所示的电路可以轻松部署到小于1 cm2的空间内。

图1.12 V输入到250 V输出的2级升压转换器

图2.12 V输入到–250 V输出的2级反相转换器

图3. 3 V输入到125 V输出的升压转换器

在有些情况下,可用的输入源的电压可能非常低,但却需要高输出电压。此时,可以使用图3所示的转换器来驱动多个雪崩光电二极管、PIN二极管,以及其他需要高偏置电压的器件。这些升压转换器可以从3 V输入生成125 V输出,负载电流最高3 mA。

图4.3 V输入到250 V输出的2级升压转换器

图4所示的转换器利用3 V输入,将125 V输出提升到250 V输出,且支持约1.5 mA电流。在通信领域,有许多器件都需要从低输入电压源中获得这么高的偏置电压。

到底可以达到多高或多低?

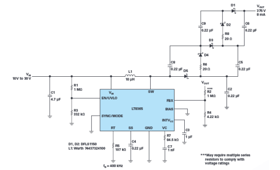
在需要极高电压的情况中,无论是正电压或负电压,升压转换器都可以使用多级来将输出升高至2倍、3倍甚至更多。图1和图2中所示的转换器展示了在两个方向(正电压和负电压)如何将开关电压翻倍。图5中所示的3级升压转换器可以从12 V输入生成8 mA、375 V输出。

图5.12 V输入到375 V输出的3级升压转换器

注意:可用的输出电流必须随着输出电压上升而下降,这是因为开关电流能力没有改变。例如,用于提供20 mA电流的单级转换器在添加第2个级时,会提供约10 mA电流。添加更多级时,始终确保峰值开关电流始终位于可保证的开关限流值范围内。

输出电压检测得到简化

LT8365提供单个FBX引脚来检测输出电压。如本文中所示的所有示意图一样,由连接到FBX引脚的简单电阻分压器来检测输出电压,无论输出极性为何。

结论

LT8365支持需要对低至2.8 V的输入电压实施紧凑、高效、高输出电压升压转换的应用,这在通信领域是非常常见的。它也可以用作反相转换器,在常用的拓扑中,则可用作(例如)CUK和SEPIC转换器。LT8365采用小型散热增强16引脚MSOP封装。

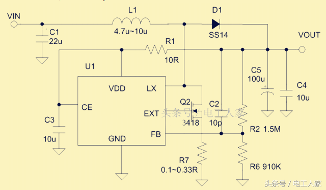
二节可充电池制作升压电路,直接升到55V,效率更高,应急更方便

本文对上篇一节干电池制作升压电路作了改进和补充,可以选用二节可充电的镍氢电池和镍镉电池、一节锂电池作为供电输入电源,供电还可以选用二节干电池。应用更方便,电路效率更高。有兴趣的电工电子爱好者不妨试一下。

一:应用范围

手机、MP3、MP4、USB电子音箱、电子学习机、电子词典、移动应急电源、充电宝、无线设备等。

二:电路功能

输入电压1.5V-3.7V, 输出电压: 5.5 V

二节干电池升压电路图

三:电子元器件参数选择

1、L1:4.7uH, DCR<0.1 ohm,电感。

2、D1:SS14/24,肖特基二极管。

3、C1:10uF, 陶瓷电容。

4、C2:1uF, 陶瓷电容。

5、C3:220uF, 胆电容。

6、C4:10pF, 陶瓷电容。

7、R1:1.8M ohm,电阻精度1%,精度越高,输出电压精度越高。

8、R2:530K ohm,电阻精度1%,精度越高,输出电压精度越高。

9、R3:100 ohm。电阻精度5%,

10、R4:730 ohm,电阻精度1%,精度越高,输出电流精度越高。

11、M1:STS2300/3400, NMOS场效应管。

12、Q1:S8050三极管。

13、IC:升压集成电路,高效率升压DC/DC转换器。

升压IC脚位图

四:电路调试注意事项

1、输入端寄生电阻会导致效率降低,输出端寄生电阻会使观测到的充电电流偏低,而实际应用中这些因素都是不存在的。所以在测试输入/输出端电流时,安培表请使用20A档,即保证安培表内阻最小,并尽量用最短而粗的线。

2、如需调整输出电压值,应该去修改R2,不要修改R1。但输出电压不应超过6V,否则芯片会被烧毁。

输出电压计算:

Vout=1.25V *(1+R1/R2)

1.25*(1+1.8M/530K)=5.5V

3、可以通过调整R4来调整输出电流值,但最好不要超过500mA。

4、如果用干电池供电时,电池要放在外面通风的场所,要利于散热。

五:其它应用参考

输出为3.3V,250MA应用案例(一节电池应用)

3.3V,250MA应用电路图

输出电压计算:

Vout=1.25V *(1+R2/R6)

1.25*(1+1.5M/910K)=3.3V

相关问答

升压电路应用 场合有哪些?

电路应用的场合十分广泛,例如电蚊拍电路捕鼠器电路,还有逆变器电路应急灯电路灯都要用到升压电路,比如还有电牧栏灭蝇灯,后备电源,应急灯,安全指示灯和个人防...

升压电路 是否降低电流达到目的?我看到有些DC-DC板又或者升压...

[最佳回答]加分给我吧.呵呵~听我看看道来:1、DC-DC的boost原理不是损耗输入电流实现的.他是将直流电源调制成高压高频功率交流,通过储能电容将电能存储起来,再...

什么用 电子 管升高电压?

自举电路也叫升压电路,利用自举升压二极管,自举升压电容等电子元件,使电容放电电压和电源电压叠加,从而使电压升高.有的电路升高的电压能达到数倍电源电压。...

说明为什么电力系统中电能的输送需要先 升压 再降压? - 懂得

高压输电主要是为了降低线路损耗,在同输电功率的情况下,电压越高电流就越小,这样高压输电就能减少输电时的电流,从而降低因电流产生的热损耗和降低...

直流电 升压 最快的方法?

采用升压器升压,现在我们的变电站是把交流电用整流模块直接转换成直流电,采用的装置是直流屏,直流屏中有硅链减压装置,起到稳流的作用,在正常情况下用自动档...

【从发电厂到家里为什么要经过降压 升压 】作业帮

[最佳回答]发电厂一般距离用户较远,所以,需要将发电厂发出来的电经过变压器升压,然后,再长距离的进行输送,这样可以减小线路的损耗.当达到用户居住区后,再采用...

电容器怎么 升压 ?

电容器本身是不能对电压进行升压的,但是在某些电路中,可以通过改变电容器的充放电状态来实现电压升高的效果。以下是一些常见的电容器升压电路:1.电容器充电...

电子 科普,降压、 升压 、LDO,我们如何去选合适的电源?

题目所描述的降压、升压、LDO这些内容是在设计电源电路时所要面对的问题,一般来说最终的目标电源为5V或者3.3V等,所以针对不同的输入电压,需要选择不同的电源...

如何自制大功率 升压电路 ?

自制大功率升压电路需要掌握电子学知识和技能,同时具备足够的安全意识。首先需要选择合适的元器件,例如电容、电感和二极管等,然后按照电路图连接好电路,进...

升压电路 的原理的讲解?

原理:一个输入电压通过一个电感线圈(通常称为电感器)以及一个开关管(例如三极管)被施加在变压器的一端。这个开关管周期性地将电路断开并重新连接,这就创...

标签:

相关阅读