电子单相电表应用 单相电子式电能表的功能介绍与应用

小编头像

小编

管理员

发布于:2025年05月06日

100 阅读 · 0 评论

单相电子式电能表的功能介绍与应用

安科瑞电气股份有限公司总部位于上海嘉定,具备从云平台软件到终端元器件的一站式服务能力,形成了“云-边-端”的能源互联网生态体系,目前已有14000多套系统解决方案运行在全国各地,为用户高效和安全用能保驾护航,帮助用户实现能源可视化管理,为企业节能降耗和实现能源数字化建设提供数据服务。同时公司在全国主要城市配置销售、技术支持团队,快速响应客户需求,为用户提供良好的服务体验。

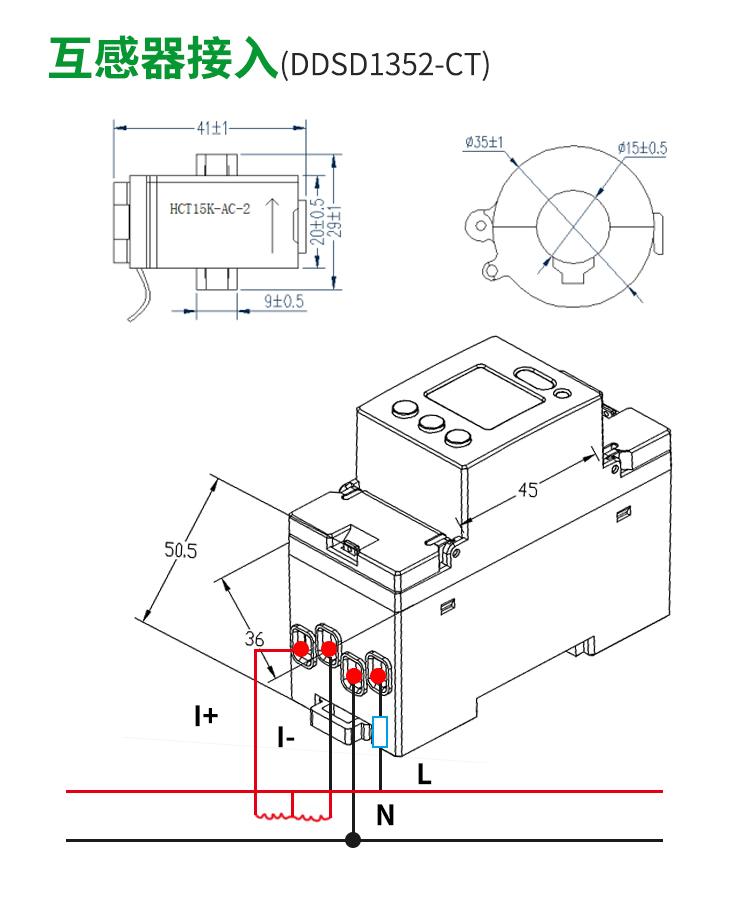
DDS/DDSD/DTSD系列电子式电能表采用LCD显示,除DDS1352外均可进行时钟、费率时段等参数设置,并具有电能脉冲输出功能;可用RS485通讯接口与上位机实现数据交换,极大地方便了用电自动化管理。该系列电能表具有体积小巧、精度高、可靠性好、安装方便等优点。产品符合国家标准GB/T17215.321-2008和企业标准Q31/0114000129C035-2017《导轨式安装电能表企业标准》的要求。

王晶晶 安科瑞电气股份有限公司

单相电表在校园宿舍中的应用案例

随着校园数字化管理的推进,许多高校开始引入智能电力管理系统以优化能源消耗。单相电表作为一种简便、精准的电力监测工具,能够帮助学校实时了解宿舍用电情况,改善管理策略,降低能耗。以下是几个单相电表在校园宿舍应用中的案例,展示了其在节能降耗、费用透明和学生用电安全方面的效果。

案例一:某高校宿舍的用电透明化管理

背景

某高校发现宿舍用电量持续增加,尤其是在夜间高峰时段,用电负荷过大,导致电网压力增大。同时,由于用电费用不透明,学生对于用电缺乏节能意识。

解决方案:

学校在每间宿舍安装单相电表,并配备智能用电监测系统:

实时用电显示 :宿舍内安装显示屏,实时显示当前用电量和电费。

移动应用程序 :学生可以通过手机应用查看宿舍用电情况,并设置用电报警。

结果

电费结算透明 :学生可以清晰了解每月用电量和费用,有效提高了学生对电费的敏感度。

节能意识提高 :通过用电实时监测和费用展示,学生们主动减少不必要的用电行为,降低了10%的整体能耗。

管理效率提升: 学校管理部门可以实时监控各宿舍用电情况,及时发现异常用电现象,提高管理效率。

案例二:某大学的能耗优化与安全用电管理

背景

某大学校园内存在用电不均的问题,不同宿舍楼的用电负荷差异明显,且部分宿舍存在私拉电线和超负荷用电现象,带来安全隐患。

解决方案:

引入智能单相电表,结合能耗管理平台,加强用电监控:

用电负荷分析 :通过单相电表的数据分析,识别各宿舍楼的用电负荷差异,合理调整电力配置。

安全用电监控: 系统自动检测宿舍超负荷用电,并通过警报提醒管理人员进行处理。

结果

用电负荷均衡 :调整后的电力配置减少了电网过载现象,提高了用电设备的安全性和稳定性。

用电安全保障 :自动监控系统减少了私拉电线和超负荷用电现象,宿舍安全隐患大大降低。

学生满意度提升 :学生对于校园用电管理的满意度提高,纷纷反馈用电更安全、可靠。

案例三:某学院的绿色校园节能计划

背景:

某学院推行绿色校园计划,目标是通过科技手段实现校园的节能减排和可持续发展。

解决方案:

在宿舍引入单相电表,并结合可再生能源使用策略:

节能激励机制 :通过单相电表监测,每月评选“节能宿舍”,给予奖励,鼓励学生参与节能活动。

可再生能源使用: 结合校园太阳能板数据,优化宿舍供电结构,提高可再生能源比例。

结果

能耗显著降低 :宿舍整体能耗降低了15%,在绿色校园计划评比中取得了优异成绩。

学生参与度高: 节能激励政策增强了学生的环保意识,积极参与节能活动,推广节能设备的使用。

环保效益显著 :通过提高可再生能源的使用比例,减少了校园碳排放,实现了更可持续的发展。

总结

单相电表在校园宿舍中的应用,通过精确的用电监测和管理,帮助学校实现了用电透明化、节能优化和安全保障。通过智能化手段,不仅提升了学生的节能意识,也大大提高了校园能源管理的效率和安全性。随着智能电网和绿色校园建设的推进,单相电表将发挥更大的作用,推动高校实现节能减排和可持续发展目标。

相关问答

单相电子 式电能表详解?

单相电子式电能表是回收电子电能表厂家经常回收的电表,它采用先进的超低功耗固态集成电路技术和SMT先进工艺,用于计量频率为50Hz的交流单相有功电能。回收电子...

单相电表 最大可以承受多少千瓦?怎样计算?】作业帮

[最佳回答]这个问题你问的笼统,因为电度表的规格很多,并且它还可以装置电流互感器,所以它承受的功率,也就不一定了.至於如何选用电度表,应当根据用电器的额的...

单相电表 怎么看多少度?-楼盘网

[最佳回答]单相电表的读数的最后一位一般为小数,有小数点或红色数字框,或虚线框等标记,看度数时要引起注意;另外配有电流互感器的单相电表,在读数时,要与互感...

电子单相电表 走得快怎么办?

电子单相电表走得快需要联系电力公司进行检查更换。电子单相电表走得快,可能是电表机械部件出现故障或者是被人为贴上了磁铁。如果电表机械部件出现故障,需要...

永泰隆 单相 智能 电表 怎么使用的?

1、当您第一次购电后,插卡前应首先确认自家电表,方法为:首先核对自家电表表号,断开电表出线开关,此时家中断电则证明此表为自家电表;将购电卡插入自家电表...

单相电表 最大可以承受多少千瓦?怎样计算?

单相电表最大是30(100)A,要以带25KW左右。二、三相四线最小是5(20)A,可以带12KW左右。1、增容因各地方的不同.主要是供电局的区域变压器容量及输出的三相...

指明的家用 单相电表 怎么样?

不属偷电,一般接法是13进24出,电能表3和4是并在一起的,所以14进23出接法也是正确的,只是表面上看上去不顺眼不属偷电,一般接法是13进24出,电能表3和4是并在一...

单相电表 导线应怎么选用?

电表接线一般按电表铭牌上面显示的额定电流使用导线,一般单相电表接线使用6平方铜线或10平方铝线就可以安全适宜。电表接线一般按电表铭牌上面显示的额定电流...

单相电表 最大可以承受多少千瓦?怎样计算?

家用的单相电度表,最大额定电流为20A,最大正常负载为40A,即220Vx40A=8800W。电度表主要结构是由电压线圈、电流线圈、转盘、转轴、制动磁铁、齿轮、计度器等...

断开普通 单相电表 电压线圈,使用大功率用电器,会损坏电表吗...

电度表所承载的额定工作电流与断不断开电压线圈无关,即便是断开了电压线圈,那只是电度表停止转动,不能进行正常计量工作而已(那也是人们常说的偷电...

标签:

相关阅读