电子延时有什么应用 延时继电器有什么用

小编头像

小编

管理员

发布于:2025年05月05日

104 阅读 · 0 评论

延时继电器有什么用

延时继电器,作为电气控制领域中的一种重要元件,其独特的时间延迟功能在多个应用场景中发挥着不可替代的作用。下面,我们将详细探讨延时继电器的多种用途及其在实际应用中的优势。

延时继电器有什么用

一、工业自动化控制

在工业自动化领域,延时继电器扮演着至关重要的角色。广泛应用于自动输送线、流水线控制、自动化包装等场景。通过设定延时时间,延时继电器协调不同工序之间的操作,确保生产过程的顺畅与高效。例如,在自动包装线上,延时继电器可以控制包装机械在接收到物料后的延迟启动,以避免物料在未稳定时即被包装,从而提高包装质量和生产效率。延时继电器还能在设备故障时提供延时保护,防止因突然停机而导致的生产中断。

二、通信系统

在通信系统中,延时继电器同样发挥着重要作用。主要用于控制信号的延时传输,确保信号的同步和准确接收。在电话交换机、无线对讲机等通信设备中,延时继电器协调设备之间的信号传输时间,避免因信号冲突而导致的通信失败。通过调整延时时间,可以优化通信网络的性能,提高通信质量和稳定性。

三、家庭电器控制

在家庭电器领域,延时继电器也有着广泛的应用。常被用于电源延时断开、延时通电、延时关闭等场景。例如,空调在启动时需要一定的预热时间,以确保电源稳定后再开始工作。此时,延时继电器可以设定一个合适的延时时间,使空调在接通电源后自动延时启动,从而保护压缩机免受电流冲击。此外,延时继电器还可以用于控制智能家居设备的开关时间,如定时开关灯、窗帘等,提高生活便捷性和舒适度。

四、安防系统

在安防系统中,延时继电器同样发挥着重要作用。常被用于延时触发警报和报警装置,以避免误报和误触发。例如,在入侵报警系统中,当探测到异常入侵时,延时继电器可以设定一个短暂的延时时间(如几秒钟),以区分是人为误触还是真正的入侵行为。如果在这段时间内没有再次探测到异常信号,则不触发警报;否则,则立即发出警报信号,通知相关人员进行处理。这样不仅可以减少误报率,还可以提高安防系统的可靠性和准确性。

五、其他应用场景

除了上述领域外,延时继电器还被广泛应用于照明控制、电力控制、仪器仪表等多个领域。在照明控制中,延时继电器可以实现对照明设备的延时开关控制,如走廊灯、停车场灯等;在电力控制中,可以用于电力设备的延时保护或断电恢复控制;在仪器仪表中,则可以实现对测量、采集等操作的延时控制。这些应用场景都充分利用了延时继电器的延时功能和时间可调性特点,以满足不同场景下的控制需求。

延时继电器作为一种具有时间延迟功能的电气控制元件,在工业自动化控制、通信系统、家庭电器控制、安防系统等多个领域都发挥着重要作用。不仅提高生产效率和设备可靠性,还能提升生活便捷性和安全性。延时继电器有什么用-聚英电子官网

EDA365:常用的延时电路

什么是延时电路?

在数字电路设计中有时需要把一个信号延迟一段时间再和另一个信号作用,典型的延迟电路是一串导向器,当然延时时间是每个导向器的延时之和。本文将简单介绍几种延时电路。

01

精确长延时电路图

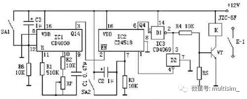
该电路由CD4060 组成定时器的时基电路,由电路产生的定时时基脉冲,通过内部分频器分频后输出时基信号。在通过外设的分频电路分频,取得所需要的定时控制时间。通电后,时基振荡器震荡经过分频后向外输出时基信号。作为分频器的IC2 开始计数分 频。当计数到10 时,Q4 输出高电平,该高电平经D1 反相变为低电平使VT 截止,继电器 断电释放,切断被控电路工作电源。与此同时, D1 输出饿低电平经D2 反相为高电平后加 至IC2 的CP 端,使输出端输出的高电平保持。电路通电使IC1、IC2 复位后,IC2 的四个输出端,均为低电平。而Q4 输出的低电平经 D1 反相变为高电平,通过R4 使VT 导通,继电器通电吸和。这种工作状态为开机接通、定 时断开状态。

02

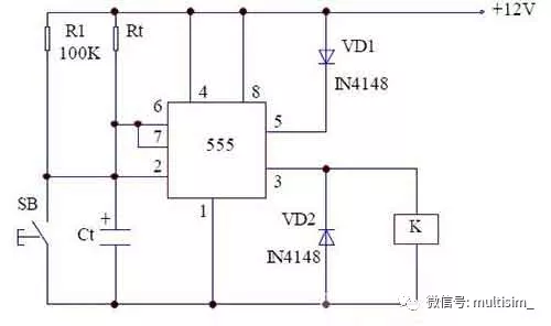
555构成的简易长延时电路

详细电路工作原理解析:555构成的简易长延时电路当按下按钮SB 时,12V 的电源通过电阻器Rt 向电容器Ct 充电,使得6 脚的电位不断升高,当6 脚的电位升到5 脚的电位时,电路复位定时结束。由于在5 脚串上了一个二极管VD1 使得5 脚电位上升,因此比一般接法(悬空或通过小电容接地)具有了更长时间的定时。

03

触摸延时电路图(一)

这里介绍一个简单实用的触摸延时开关电路,它具有简单、廉价、性能好等特点,很适合爱好者自行制作。电路原理:延迟开关电路见图D1—D1,SCR组成开关的主回路,BG1,BG2等组成开关的控制回路。平时,BG1,BG2均处于截止状态,SCR阻断,电灯H不亮。此时220V交流电经D1--D4整流、R3和DW使LED发光,用作夜间指示开关位置。这时流过H的电流仅2mA左右,不足使电灯H发光。需要开灯时,只有用手指摸一下电极片M,因人体泄露电流经R5,R6注入BG2的基极,BG2迅速导通。BG2集电极为低电平,BG1也随之导通,因此有触发电流经BG1注入SCR的控制极使SCR开通,电灯H就通电发光。在BG2导通瞬间,C1通过BG2的c-e极间被并联在DW的两端,因此被迅速充上约12V左右的电压。电灯点亮后,人手离开M,虽然BG2恢复截止状态但由于C1所存储的电荷通过R1向BG1发射结放电,使BG1依然保持导通状态,所以电灯继续发亮。当C1电荷基本放完后,BG1恢复截止态,SCR失去触发电流,当交流电过零时,SCR关断,电灯熄灭。开关延迟时间主要由电阻R1,R2和电容C1的数值决定,下面提供一组实验数据供大家参考。如要进一步增大延时时间,可加大C1容量。除上述主要因素外,BG1的放大倍数以及SCR的触发灵敏度对延时时间也有影响。注意:本电路与市电直接相接,在调试过程中要十分注意,以免触电。有条件的朋友,可以先用隔离变压器把市电隔离,再进行调试。电阻R6的引线要短,一头直接焊在电极片M的背面,另一头焊上一跟软线,再接到印板上的R5。采用两个高阻值电阻的目的是为了确保使用者的绝对安全。

04

触摸延时电路图(二)

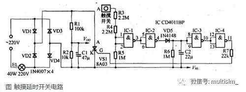
图中为触摸延时开关实验电路。它由整流二极管VD1~VD4组成全波桥式整流电路,作为集成电路工作电源,四2输入端与非门4011、单向晶闸管VS1等组成触摸开关电路。全波桥式整流电路输出高达200V脉动直流电,经过电阻器R1、R2分压,并通过电容器C1滤波,输出约13V的直流电,作为IC工作电源。在照明灯EL亮时,4011稳态工作总电流不到20μA,灯熄灭时401l电流(用50μA量程)几乎无法测出,足见CMOS集成电路的低功耗。此外,在照明灯EL点亮时,R2分压降至2V,4011仍能工作,这就是选用CMOS数字集成电路的原因。当用手触摸金属片A端时,通过降压电阻器R3、R4将感应交流电信号加在IC—1输入端,在交流电正半周时,IC-1的l、2脚为高电平,其输出端下跌为低电平,与之相连IC-2输出端4脚上升为高电平,通过开关二极管VD5向定时电容器C2充电,使得IC-3输入端上升到高电平,其输出端10脚为低电平,IC-4输出端11脚为高电平,通过电阻器R7加在单向晶闸管控制电极G上,触发VS1导通,负载照明灯EL点亮。当C2充电电荷通过定时电阻器R6逐渐放电,使电压下降到低于CMOS门开启电压时,IC-3输出端上升为高电平,IC-4输出端为低电平,单向晶闸管阻断,EL熄灭。当R6为1MΩ、C2为10μF时,触摸开关控制延时约17s,C2换成22μF时,延时增加一倍,C2为47μF延时已绰绰有余。在触摸开关电路中,R5为下拉电阻器,尽管其电阻值为1MΩ,但与非门IC-1输入端为低电平,说明CMOS数字集成电路输入阻抗非常高。四2输入端与非门4011剩余的输入端不能悬空,采用并接方式,当作非门使用。IC也可选用四2输入端或非门4001。

相关问答

电子延时 器的原理?

延时继电器有电子的,有机械的,气囊的,工作原理各有不同;气囊的很简单,实际就是让气体慢慢放,气囊有接触开关,放一定时间后开关在气囊的作用下动作,达到延...

手机相机的 延时摄影 是什么功能 - 9SKXsQphOHI 的回答 - 懂得

现在的手机基本都具有延2113时摄影5261这个功能,把手机固定在三脚架上4102(或者通过其他方式固定)1653,选择延时摄影功能,直接拍摄即可。不过手机自...

延时 开关是干什么用的

【延时开关】是为了节约电力资源而开发的一种新型的自动延时电子开关,省电、方便。主要用于楼梯间,卫生间等场所。延时开关中有触摸延时开关、声光控延时开关...

什么是通电 延时 控制器的原理?

用户的操控指令,电池...电动车控制器是通过改变占空比来实现加速功能。控制器根据车型分不同的功率(也就是控制器外观大小),不同的电压;控制器主要是接受...

光纤的 应用 领域有哪些?

我们平时所说的光纤就是光导纤维的简称,顾名思义就是通过光会反射的这个看似简单的原理来传送信息,早在1870年英国物理学家丁达尔先发现了光具有反射并且一直传...

什么电子 可以让喇叭声音延迟?

有延迟功能的电子版可以让声音延迟有延迟功能的电子版可以让声音延迟

【.当前计算机网络的 应用 主要有哪些?试举例说明.】作业帮

[最佳回答]计算机网络应用--企业信息网络●企业信息网络是指专门用于企业内部信息管理的计算机网络,它一般为一个企业所专用,覆盖企业生产经营管理的各个部...

断电 延时 继电器到底是怎么工作的呢?

断电延时继电器到底是怎么工作的呢?答:断电延时时间继电器的触点,是在继电器通电工作后触点动作,继电器断电后,延时时间到达预置设定的时间触点恢复原始状...断...

楼道 延时 开关的原理和特点是什么_住范儿家装官网

工作原理:开关电路中声音检测采用驻极体话筒MIC,三极管T2组成放大器。无声响静态时T2是处于饱和导通状态,当有声响时,话筒MIC接收声响信号,可使T2截...

5G网络除了手机上网能更快点,还有哪些用途?

本人专注通信相关问题,解答通信疑惑,➕关注了解更多内容!!!5G网络除了手机上网能更快点,还有很多跟我们生活相关的更多重要的用途。5G网络相比4G网络拥...本人...

标签:

相关阅读