电子技术应用接线 干货丨34个电气控制接线图,电子元件工作原理图

小编头像

小编

管理员

发布于:2026年04月14日

106 阅读 · 0 评论

干货丨34个电气控制接线图、电子元件工作原理图

1、可控硅调速电路

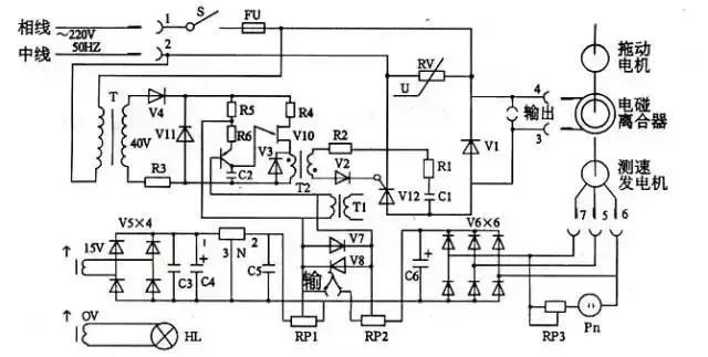
2、电磁调速电机控制图

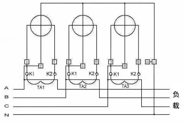
3、三相四线电度表互感器接线

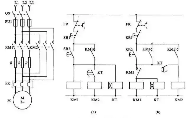
4、能耗制动

5、顺序起动,逆序停止

6、锅炉水位探测装置

7、电机正反转控制电路

8、电葫芦吊机电路

9、单相漏电开关电路

10、单相电机接线图

11、带点动的正反转起动电路

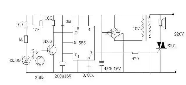
12、红外防盗报警器

13、双电容单相电机接线图

14、自动循环往复控制线路

15、定子电路串电阻降压启动控制线

16、按启动钮延时运行电路

17、星形 - 三角形启动控制线路

18、单向反接制动的控制线路

19、具有反接制动电阻的可逆运行反接制动的控制线路

20、以时间原则控制的单向能耗制动线路

21、以速度原则控制的单向能耗制动控制线路

22、电动机可逆运行的能耗制动控制线路

23、双速电动机改变极对数的原理

24、双速电动机调速控制线路

25、使用变频器的异步电动机可逆调速系统控制线路

26、正确连接电器的触点

27、线圈的连接

28、继电器开关逻辑函数

29、三相半波整流电路图

30、三相全波整流电路图

31、三相全波6脉冲整流原理图

32、六相12脉冲整流原理图

33、负载两端的电压

在一个周期中,每个二极管只有三分这一的时候导通(导通角为120度)。负载两端的电压为线电压。

34、直流调速原理功能图

一二次深度融合用电子传感器的工程应用

上海置信电气股份有限公司的研究人员刘伟、潘明、姚彦良、孙晶晶,在2019年第12期《电气技术》杂志上撰文,阐述了一种用于一二次深度融合的电子传感器在工程实际应用中遇到的若干问题,分析原因,并提出相应的解决方案。结合实际测量数据对比分析,验证方案适用于10kV柱上断路器内置电子传感器输出信号的采样,对一二次深度融合设备的工程应用也有一定的参考意义。

国家电网公司在2016年末提出的“配网自动化终端DTU/FTU需要考虑一二次设备融合的需求和考虑采用电子式互感器来取代传统的电磁式互感器”的总体思路成为了现阶段几乎所有配网自动化终端生产企业的研究对象。

本文主要针对10kV柱上断路器内置电子传感器的输出信号采样在实际工程应用中出现的若干问题进行分析,并提出解决方案。

1 一二次深度融合成套设备工程应用中遇到的问题

某一客户现场挂网运行的线路保护装置采用一二次深度融合成套设备,10kV柱上断路器内置电压、电流电子传感器,电流传感器采用低功耗铁心线圈电流互感器(LPCT),电压传感器采用电容分压式传感器(CVT),控制单元采用基于无源电子传感器的智能馈线终端(FTU)。

在设备挂网运行一段时间中出现以下故障:①设备报“后备欠压”及“电压采样错误”报警,三相电压采样值为:Ua:14593V,Ub:5302V,Uc:5681V,零序电压U0:2604V;②FTU电流采样端子断开输入电缆,零序电流I0显示6.5A;电缆接入电流输入端子后,I0显示为0。

针对上述情况,用万用表在传感器输出口测试电压、电流输出数值均正常。现场挂网运行设备的交流采样部分原理框图如图1所示。

图1 现场FTU交流采样电路示意图

2 问题分析

根据第1节的现场描述可以判断电子传感器及AD芯片等后级电路是正常工作的,那么故障就发生在交流信号的保护电路和调理电路。

2.1 三相电流采样电路分析

图2所示为三相电流采样电路。将样机的电流信号线对机壳施加500V工频电压时未通过,信号线对机壳施加GB/T 15153.1中规定的浪涌4级及GB/T 17626.4中规定的电快速瞬变脉冲群干扰4级时均未通过。

如图2所示分析,电流信号输入端采用压敏电阻10K390抑制差模及共模干扰,抑制共模干扰的压敏电阻存在动作电压低,信号线对机壳承受的耐压较低以及EMC浪涌试验通不过等问题。

图2 三相电流采样电路

电子式电流传感器采用低功耗铁心线圈电流互感器,自带线圈隔离,可以避免因一二次侧间信号与电源共地而引起的测量误差;但电子式电压传感器从10kV母线通过低压臂电容分压到FTU的信号输入间完全没有隔离措施,这将引起:①高压一次侧引入二次侧;②因一、二次侧间信号与电源共地而引起的测量误差。

2.2 三相电压、零序电压及零序电流采样电路分析

如图3所示为三相电压、零序电压及零序电流采样电路。信号输入端保护采用压敏电阻10K390及TVS。但由于10K390的动作电压为39V,存在同图2一样的问题。

图3 交流电压及零序电流采样电路

根据运放“虚短”、“虚断”:

表1 TVS存在时测试结果

表2 TVS去除时测试结果

此外,零序电流由于信号幅值较小(额定值0.2V),易受高频、接地及工频干扰,造成输入端悬空时零序电流有数值显示。

3 解决方案

为了解决上述电磁兼容及交流采样不准等问题,保证测量精度及可靠性,本文从信号的传输、隔离以及AD转换方面提出解决方案,其中隔离方式提出两种方案。

3.1 双绞屏蔽线长线传输

信号在传输过程中会受到电场、磁场和地电位等干扰因素的影响,因此,对于电子传感器模拟小信号而言,为了获得更好的信号质量,建议采用双绞屏蔽线。双绞屏蔽线分为单屏蔽层和双屏蔽层。

双屏蔽层要求内外层绝缘,成本较高;但它对高频信号的抗干扰能力较好,在实际应用中,可将内屏蔽层在二次侧接地,外屏蔽层在一次侧接地。若采用单屏蔽双绞线,则应在接收信号的二次侧将屏蔽层单端接地。

3.2 微型互感器方案

考虑到电子式电流传感器是LPCT,自带线圈隔离,但信号需经8~15m长的电缆传输;而电子式电压传感器输出信号调理回路没有任何隔离措施,故将交采回路设计为微型互感器采集,原理框图如图4所示。

3.3 光电耦合隔离方案

如图5所示,本设计采用高速线性光耦HCNR201进行光电隔离,它具有超低线性度(0.01%)、低增益温度系数、耐压等级高(5kV)、隔离电压高(最高隔离8kV)、单向传输、抗共模干扰能力强及信号一比一线性高速传输等优点。交流电压信号经过调理后接入光耦,光耦将夹杂在输入量中的各种干扰脉冲都挡在输入侧,具有较高的电气隔离和抗干扰能力。

图4 微型互感器方案

图5 光电耦合隔离电路

3.4 ADC采样

输入信号为交流小电压信号,采用差分输入, AD芯片采用MAX11046,该芯片具有3s快速转换时间,高吞吐率:每个通道为250ksps,16位/14位高速并行接口,低温漂、高精度4.096V内部基准支持±5V输入范围,3.0V至4.25V外部基准范围,支持±4.0V至±5.2V满量程输入范围,满足交流模拟量输入通道需要10M以上输入阻抗匹配要求。

4 实验数据分析

以零序电流为例,柱上断路器与FTU间的连线采用方案1中的单屏蔽双绞线,屏蔽层在FTU端接地;隔离方案采用方案2中的微型互感器隔离,AD转换芯片采用方案4中的MAX11046芯片。交采回路经改进后与电子式传感器联调结果见表3。测量精度满足0.5级互感器的比差要求(<0.5% 。

但微型互感器方案在测试相位误差时发现“1V/0.35V”互感器角差为5°,“0.2V/0.2V”互感器在信号下降沿角差为2.3°,这将不满足相差不大于10′的标准规定。相角偏移是电容因素引起的,包括前面的电容分压器、传输电缆分布电容以及互感器线圈分布电容等因素,可以采取一定的补偿措施对电路的相位特性进行改善。

表3 零序电流联调测试结果

仍以零序电流为例,柱上断路器与FTU间的连线采用方案1中的单屏蔽双绞线,屏蔽层在FTU端接地;隔离方案采用方案3中的光耦隔离,AD转换芯片采用方案4中的MAX11046芯片。测量精度亦可满足0.5级互感器的比差要求(<0.5%),测试相位误差时采用示波器对比输入与输出端的波形如图6所示。

光滑曲线为输入信号,带点曲线为输出信号,由图可知,输入线与输出线基本重合,线性度较好;输入信号有效值为10mV时,输出信号有效值为9.98mV,相位误差在5′左右,满足0.5级电子式互感器对采样精度的要求。

图6 光耦隔离试验波形

结论

综上所述:①三相电压采样电路、零序电压采样电路和零序电流采样电路输入端串联的限流电阻与TVS形成分压,影响了采样精度;②电路中采用的防护器件的等级不够,对高压侧串入的干扰不能很好的防护。

鉴于此,文中采用方案1解决8~15m电缆上叠加的电磁干扰,采用方案2或方案3可以完全隔离一二次侧相互串扰问题,方案4提高AD转换的速度、精度以及高输入阻抗匹配问题。

本文采用方案1、方案3以及方案4结合设计了FTU交采回路,FTU机箱采用复合型电磁屏蔽结构及合理的接地设计。经过本设计处理后的一二次深度融合成套设备已经顺利通过电磁兼容等试验项目验证,符合国家配电自动化设备相关标准。

相关问答

A.电磁继电器进行 接线 B. 电子 计算机 技术 进行 接线 C.手工操作...

[最佳回答]B.电子计算机技术进行接线

电子 调节器怎么 接线 呢_车坛

电子调节器有好几种的,有三条线的还有五条线的,汽车电子调节器的接线方法:1、三条线的接发,调节器的正级+火开关的ACC+调节器的负级-发电机的负极-...

电子 助力,怎么 接线 ?

带助力的控制器接线要先明确电源正负极,和电门锁线,连接电源线和电门锁线,首先把电动车支起来,然后先接远洋控制器三根电机线,按照黄,蓝,绿的顺序和电机接好,...

交流 电子 无级调速器接法?

把电源线的火线先接到调速器的一个接口上,另一个接口用导线连接的风扇上的接口上(该接口与电容相连接),电源线的零线直接接到风扇的另一个接口上就可以了。...

电子 传感器怎么 接线 ?

电子传感器是指能够将非电信号(如温度、压力、湿度、流量等)转换为电信号的装置,其接线方式因传感器的类型而异。以下是一些常见的电子传感器的接线方式:热...

电子 调节器怎么 接线

[最佳回答]电子调节器的连接方法如下:1、首先外置电压调节器应该是有5跟线的调节器,先找出地线(黑色的),跟电源线(红的或者是红色带有白的或者是其他的颜色,车...

经常看到电器的 接线 端有“COM”。请问是什么意思?表是什么? ...

是地的意思,如果接线端和电器外壳相通,就是接到大地的意思,一般电冰箱,洗衣机都要可靠接地,另外电源地端也用COM表示电器接线上的COM表示为地线开...

长安4500 电子 助力怎么 接线 ?

长安4500电子助力的接线方法如下:1.接线前请确认车辆的电瓶已经拆除,以确保安全。2.长安4500电子助力主要的接线点包括助力器、转向机、电源和地线,需要将...

电子 接线 方法?

准备螺丝刀,插头,和电线然后我们拧开插头上面的螺丝,把他们拆开,并把螺丝放好,不要弄丢了然后我们把电线从底部的螺丝固定档位中穿过去,然后拧紧固定螺丝...

电子 捕鼠器怎么 接线 ?

步骤/方式1所示是一种简单的电子捕鼠器电路。红黑二接线柱分别接到金属电网上,电网间隙为2cn。当老鼠接触通电的电网时,会被击倒,同时扬声器发出报警信号...

标签:

相关阅读