电子振荡电路应用 振荡电路的用途和振荡条件

小编头像

小编

管理员

发布于:2026年04月14日

104 阅读 · 0 评论

振荡电路的用途和振荡条件

不需要外加信号就能自动地把直流电能转换成具有一定振幅和一定频率的交流信号的电路就称为振荡电路或振荡器。这种现象也叫做自激振荡。或者说,能够产生交流信号的电路就叫做振荡电路。

一个振荡器必须包括三部分:放大器、正反馈电路和选频网络。放大器能对振荡器输入端所加的输入信号予以放大使输出信号保持恒定的数值。正反馈电路保证向振荡器输入端提供的反馈信号是相位相同的,只有这样才能使振荡维持下去。选频网络则只允许某个特定频率f0能通过,使振荡器产生单一频率的输出。

振荡器能不能振荡起来并维持稳定的输出是由以下两个条件决定的;一个是反馈电压uf和输入电压Ui要相等,这是振幅平衡条件。二是uf和ui必须相位相同,这是相位平衡条件,也就是说必须保证是正反馈。一般情况下,振幅平衡条件往往容易做到,所以在判断一个振荡电路能否振荡,主要是看它的相位平衡条件是否成立。

振荡器按振荡频率的高低可分成超低频(20赫以下)、低频(20赫~200千赫)、高频(200千赫~30兆赫)和超高频(10兆赫~350兆赫)等几种。按振荡波形可分成正弦波振荡和非正弦波振荡两类。

正弦波振荡器按照选频网络所用的元件可以分成LC振荡器、RC振荡器和石英晶体振荡器三种。石英晶体振荡器有很高的频率稳定度,只在要求很高的场合使用。在一般家用电器中,大量使用着各种LC振荡器和RC振荡器。

LC 振荡器

LC振荡器的选频网络是LC谐振电路。它们的振荡频率都比较高,常见电路有3种。

(1)变压器反馈LC振荡电路

图1(a)是变压器反馈LC振荡电路。晶体管VT是共发射极放大器。变压器T的初级是起选频作用的LC谐振电路,变压器T的次级向放大器输入提供正反馈信号。接通电源时,LC回路中出现微弱的瞬变电流,但是只有频率和回路谐振频率f0相同的电流才能在回路两端产生较高的电压,这个电压通过变压器初次级L1、L2的耦合又送回到晶体管V的基极。从图1(b)看到,只要接法没有错误,这个反馈信号电压是和输入信号电压相位相同的,也就是说,它是正反馈。因此电路的振荡迅速加强并最后稳定下来。

变压器反馈LC振荡电路的特点是:频率范围宽、容易起振,但频率稳定度不高。它的振荡频率是:f0=1/2πLC。常用于产生几十千赫到几十兆赫的正弦波信号。

(2)电感三点式振荡电路

图2(a)是另一种常用的电感三点式振荡电路。图中电感L1、L2和电容C组成起选频作用的谐振电路。从L2上取出反馈电压加到晶体管VT的基极。从图2(b)看到,晶体管的输入电压和反馈电压是同相的,满足相位平衡条件的,因此电路能起振。由于晶体管的3个极是分别接在电感的3个点上的,因此被称为电感三点式振荡电路。

电感三点式振荡电路的特点是:频率范围宽、容易起振,但输出含有较多高次调波,波形较差。它的振荡频率是:f0=1/2πLC,其中L=L1+L2+2M。常用于产生几十兆赫以下的正弦波信号。

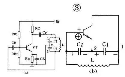
(3)电容三点式振荡电路

还有一种常用的振荡电路是电容三点式振荡电路,见图3(a)。图中电感L和电容C1、C2组成起选频作用的谐振电路,从电容C2上取出反馈电压加到晶体管VT的基极。从图3(b)看到,晶体管的输入电压和反馈电压同相,满足相位平衡条件,因此电路能起振。由于电路中晶体管的3个极分别接在电容C1、C2的3个点上,因此被称为电容三点式振荡电路。

电容三点式振荡电路的特点是:频率稳定度较高,输出波形好,频率可以高达100兆赫以上,但频率调节范围较小,因此适合于作固定频率的振荡器。它的振荡频率是:f0=1/2πLC,其中C=C1C2C1+C2。

上面3种振荡电路中的放大器都是用的共发射极电路。共发射极接法的振荡器增益较高,容易起振。也可以把振荡电路中的放大器接成共基极电路形式。共基极接法的振荡器振荡频率比较高,而且频率稳定性好。

RC 振荡器

RC振荡器的选频网络是RC电路,它们的振荡频率比较低。常用的电路有两种。

(1)RC相移振荡电路

图4(a)是RC相移振荡电路。电路中的3节RC网络同时起到选频和正反馈的作用。从图4(b)的交流等效电路看到:因为是单级共发射极放大电路,晶体管VT的输出电压Uo与输出电压Ui在相位上是相差180°。当输出电压经过RC网络后,变成反馈电压Uf又送到输入端时,由于RC网络只对某个特定频率f0的电压产生180°的相移,所以只有频率为f0的信号电压才是正反馈而使电路起振。可见RC网络既是选频网络,又是正反馈电路的一部分。

RC相移振荡电路的特点是:电路简单、经济,但稳定性不高,而且调节不方便。一般都用作固定频率振荡器和要求不太高的场合。它的振荡频率是:当3节RC。

网络的参数相同时:f0=12π6RC。频率一般为几十千赫。

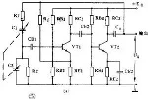
(2)RC桥式振荡电路

图5(a)是一种常见的RC桥式振荡电路。图中左侧的R1C1和R2C2串并联电路就是它的选频网络。这个选频网络又是正反馈电路的一部分。这个选频网络对某个特定频率为f0的信号电压没有相移(相移为0°),其它频率的电压都有大小不等的相移。由于放大器有2级,从V2输出端取出的反馈电压Uf是和放大器输入电压同相的(2级相移360°=0°)。因此反馈电压经选频网络送回到VT1的输入端时,只有某个特定频率为f0的电压才能满足相位平衡条件而起振。可见RC串并联电路同时起到了选频和正反馈的作用。

实际上为了提高振荡器的工作质量,电路中还加有由Rt和RE1组成的串联电压负反馈电路。其中Rt是一个有负温度系数的热敏电阻,它对电路能起到稳定振荡幅度和减小非线性失真的作用。从图5(b)的等效电路看到,这个振荡电路是一个桥形电路。R1C1、R2C2、Rt和RE1分别是电桥的4个臂,放大器的输入和输出分别接在电桥的两个对角线上,所以被称为RC桥式振荡电路。

RC桥式振荡电路的性能比RC相移振荡电路好。它的稳定性高、非线性失真小,频率调节方便。它的振荡频率是:当R1=R2=R、C1=C2=C时f0=12πRC。它的频率范围从1赫~1兆赫。

调幅和检波电路

广播和无线电通信是利用调制技术把低频声音信号加到高频信号上发射出去的。在接收机中还原的过程叫解调。其中低频信号叫做调制信号,高频信号则叫载波。常见的连续波调制方法有调幅和调频两种,对应的解调方法就叫检波和鉴频。

下面我们先介绍调幅和检波电路。

(1)调幅电路

调幅是使载波信号的幅度随着调制信号的幅度变化,载波的频率和相应不变。能够完成调幅功能的电路就叫调幅电路或调幅器。

调幅是一个非线性频率变换过程,所以它的关键是必须使用二极管、三极管等非线性器件。根据调制过程在哪个回路里进行可以把三极管调幅电路分成集电极调幅、基极调幅和发射极调幅3种。下面举集电极调幅电路为例。

图6是集电极调幅电路,由高频载波振荡器产生的等幅载波经T1加到晶体管基极。低频调制信号则通过T3耦合到集电极中。C1、C2、C3是高频旁路电容,R1、R2是偏置电阻。集电极的LC并联回路谐振在载波频率上。如果把三极管的静态工作点选在特性曲线的弯曲部分,三极管就是一个非线性器件。因为晶体管的集电极电流是随着调制电压变化的,所以集电极中的2个信号就因非线性作用而实现了调幅。由于LC谐振回路是调谐在载波的基频上,因此在T2的次级就可得到调幅波输出。

(2)检波电路

检波电路或检波器的作用是从调幅波中取出低频信号。它的工作过程正好和调幅相反。检波过程也是一个频率变换过程,也要使用非线性元器件。常用的有二极管和三极管。另外为了取出低频有用信号,还必须使用滤波器滤除高频分量,所以检波电路通常包含非线性元器件和滤波器两部分。下面举二极管检波器为例说明它的工作。

图7是一个二极管检波电路。VD是检波元件,C和R是低通滤波器。当输入的已调波信号较大时,二极管VD是断续工作的。正半周时,二极管导通,对C充电;负半周和输入电压较小时,二极管截止,C对R放电。在R两端得到的电压包含的频率成分很多,经过电容C滤除了高频部分,再经过隔直流电容C0的隔直流作用,在输出端就可得到还原的低频信号。

调频和鉴频电路

调频是使载波频率随调制信号的幅度变化,而振幅则保持不变。鉴频则是从调频波中解调出原来的低频信号,它的过程和调频正好相反。

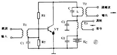
(1)调频电路

能够完成调频功能的电路就叫调频器或调频电路。常用的调频方法是直接调频法,也就是用调制信号直接改变载波振荡器频率的方法。图8画出了它的大意,图中用一个可变电抗元件并联在谐振回路上。用低频调制信号控制可变电抗元件参数的变化,使载波振荡器的频率发生变化。

(2)鉴频电路

能够完成鉴频功能的电路叫鉴频器或鉴频电路,有时也叫频率检波器。鉴频的方法通常分二步,第一步先将等幅的调频波变成幅度随频率变化的调频—调幅波,第二步再用一般的检波器检出幅度变化,还原成低频信号。常用的鉴频器有相位鉴频器、比例鉴频器等。

振荡电路的用途和振荡条件

不需要外加信号就能自动地把直流电能转换成具有一定振幅和一定频率的交流信号的电路就称为振荡电路或振荡器。这种现象也叫做自激振荡。或者说,能够产生交流信号的电路就叫做振荡电路。

一个振荡器必须包括三部分:放大器、正反馈电路和选频网络。放大器能对振荡器输入端所加的输入信号予以放大使输出信号保持恒定的数值。正反馈电路保证向振荡器输入端提供的反馈信号是相位相同的,只有这样才能使振荡维持下去。选频网络则只允许某个特定频率f0能通过,使振荡器产生单一频率的输出。

振荡器能不能振荡起来并维持稳定的输出是由以下两个条件决定的;一个是反馈电压uf和输入电压Ui要相等,这是振幅平衡条件。二是uf和ui必须相位相同,这是相位平衡条件,也就是说必须保证是正反馈。一般情况下,振幅平衡条件往往容易做到,所以在判断一个振荡电路能否振荡,主要是看它的相位平衡条件是否成立。

振荡器按振荡频率的高低可分成超低频(20赫以下)、低频(20赫~200千赫)、高频(200千赫~30兆赫)和超高频(10兆赫~350兆赫)等几种。按振荡波形可分成正弦波振荡和非正弦波振荡两类。

正弦波振荡器按照选频网络所用的元件可以分成LC振荡器、RC振荡器和石英晶体振荡器三种。石英晶体振荡器有很高的频率稳定度,只在要求很高的场合使用。在一般家用电器中,大量使用着各种LC振荡器和RC振荡器。

LC 振荡器

LC振荡器的选频网络是LC谐振电路。它们的振荡频率都比较高,常见电路有3种。

(1)变压器反馈LC振荡电路

图1(a)是变压器反馈LC振荡电路。晶体管VT是共发射极放大器。变压器T的初级是起选频作用的LC谐振电路,变压器T的次级向放大器输入提供正反馈信号。接通电源时,LC回路中出现微弱的瞬变电流,但是只有频率和回路谐振频率f0相同的电流才能在回路两端产生较高的电压,这个电压通过变压器初次级L1、L2的耦合又送回到晶体管V的基极。从图1(b)看到,只要接法没有错误,这个反馈信号电压是和输入信号电压相位相同的,也就是说,它是正反馈。因此电路的振荡迅速加强并最后稳定下来。

变压器反馈LC振荡电路的特点是:频率范围宽、容易起振,但频率稳定度不高。它的振荡频率是:f0=1/2πLC。常用于产生几十千赫到几十兆赫的正弦波信号。

(2)电感三点式振荡电路

图2(a)是另一种常用的电感三点式振荡电路。图中电感L1、L2和电容C组成起选频作用的谐振电路。从L2上取出反馈电压加到晶体管VT的基极。从图2(b)看到,晶体管的输入电压和反馈电压是同相的,满足相位平衡条件的,因此电路能起振。由于晶体管的3个极是分别接在电感的3个点上的,因此被称为电感三点式振荡电路。

电感三点式振荡电路的特点是:频率范围宽、容易起振,但输出含有较多高次调波,波形较差。它的振荡频率是:f0=1/2πLC,其中L=L1+L2+2M。常用于产生几十兆赫以下的正弦波信号。

(3)电容三点式振荡电路

还有一种常用的振荡电路是电容三点式振荡电路,见图3(a)。图中电感L和电容C1、C2组成起选频作用的谐振电路,从电容C2上取出反馈电压加到晶体管VT的基极。从图3(b)看到,晶体管的输入电压和反馈电压同相,满足相位平衡条件,因此电路能起振。由于电路中晶体管的3个极分别接在电容C1、C2的3个点上,因此被称为电容三点式振荡电路。

电容三点式振荡电路的特点是:频率稳定度较高,输出波形好,频率可以高达100兆赫以上,但频率调节范围较小,因此适合于作固定频率的振荡器。它的振荡频率是:f0=1/2πLC,其中C=C1C2C1+C2。

上面3种振荡电路中的放大器都是用的共发射极电路。共发射极接法的振荡器增益较高,容易起振。也可以把振荡电路中的放大器接成共基极电路形式。共基极接法的振荡器振荡频率比较高,而且频率稳定性好。

RC 振荡器

RC振荡器的选频网络是RC电路,它们的振荡频率比较低。常用的电路有两种。

(1)RC相移振荡电路

图4(a)是RC相移振荡电路。电路中的3节RC网络同时起到选频和正反馈的作用。从图4(b)的交流等效电路看到:因为是单级共发射极放大电路,晶体管VT的输出电压Uo与输出电压Ui在相位上是相差180°。当输出电压经过RC网络后,变成反馈电压Uf又送到输入端时,由于RC网络只对某个特定频率f0的电压产生180°的相移,所以只有频率为f0的信号电压才是正反馈而使电路起振。可见RC网络既是选频网络,又是正反馈电路的一部分。

RC相移振荡电路的特点是:电路简单、经济,但稳定性不高,而且调节不方便。一般都用作固定频率振荡器和要求不太高的场合。它的振荡频率是:当3节RC。

网络的参数相同时:f0=12π6RC。频率一般为几十千赫。

(2)RC桥式振荡电路

图5(a)是一种常见的RC桥式振荡电路。图中左侧的R1C1和R2C2串并联电路就是它的选频网络。这个选频网络又是正反馈电路的一部分。这个选频网络对某个特定频率为f0的信号电压没有相移(相移为0°),其它频率的电压都有大小不等的相移。由于放大器有2级,从V2输出端取出的反馈电压Uf是和放大器输入电压同相的(2级相移360°=0°)。因此反馈电压经选频网络送回到VT1的输入端时,只有某个特定频率为f0的电压才能满足相位平衡条件而起振。可见RC串并联电路同时起到了选频和正反馈的作用。

实际上为了提高振荡器的工作质量,电路中还加有由Rt和RE1组成的串联电压负反馈电路。其中Rt是一个有负温度系数的热敏电阻,它对电路能起到稳定振荡幅度和减小非线性失真的作用。从图5(b)的等效电路看到,这个振荡电路是一个桥形电路。R1C1、R2C2、Rt和RE1分别是电桥的4个臂,放大器的输入和输出分别接在电桥的两个对角线上,所以被称为RC桥式振荡电路。

RC桥式振荡电路的性能比RC相移振荡电路好。它的稳定性高、非线性失真小,频率调节方便。它的振荡频率是:当R1=R2=R、C1=C2=C时f0=12πRC。它的频率范围从1赫~1兆赫。

调幅和检波电路

广播和无线电通信是利用调制技术把低频声音信号加到高频信号上发射出去的。在接收机中还原的过程叫解调。其中低频信号叫做调制信号,高频信号则叫载波。常见的连续波调制方法有调幅和调频两种,对应的解调方法就叫检波和鉴频。

下面我们先介绍调幅和检波电路。

(1)调幅电路

调幅是使载波信号的幅度随着调制信号的幅度变化,载波的频率和相应不变。能够完成调幅功能的电路就叫调幅电路或调幅器。

调幅是一个非线性频率变换过程,所以它的关键是必须使用二极管、三极管等非线性器件。根据调制过程在哪个回路里进行可以把三极管调幅电路分成集电极调幅、基极调幅和发射极调幅3种。下面举集电极调幅电路为例。

图6是集电极调幅电路,由高频载波振荡器产生的等幅载波经T1加到晶体管基极。低频调制信号则通过T3耦合到集电极中。C1、C2、C3是高频旁路电容,R1、R2是偏置电阻。集电极的LC并联回路谐振在载波频率上。如果把三极管的静态工作点选在特性曲线的弯曲部分,三极管就是一个非线性器件。因为晶体管的集电极电流是随着调制电压变化的,所以集电极中的2个信号就因非线性作用而实现了调幅。由于LC谐振回路是调谐在载波的基频上,因此在T2的次级就可得到调幅波输出。

(2)检波电路

检波电路或检波器的作用是从调幅波中取出低频信号。它的工作过程正好和调幅相反。检波过程也是一个频率变换过程,也要使用非线性元器件。常用的有二极管和三极管。另外为了取出低频有用信号,还必须使用滤波器滤除高频分量,所以检波电路通常包含非线性元器件和滤波器两部分。下面举二极管检波器为例说明它的工作。

图7是一个二极管检波电路。VD是检波元件,C和R是低通滤波器。当输入的已调波信号较大时,二极管VD是断续工作的。正半周时,二极管导通,对C充电;负半周和输入电压较小时,二极管截止,C对R放电。在R两端得到的电压包含的频率成分很多,经过电容C滤除了高频部分,再经过隔直流电容C0的隔直流作用,在输出端就可得到还原的低频信号。

调频和鉴频电路

调频是使载波频率随调制信号的幅度变化,而振幅则保持不变。鉴频则是从调频波中解调出原来的低频信号,它的过程和调频正好相反。

(1)调频电路

能够完成调频功能的电路就叫调频器或调频电路。常用的调频方法是直接调频法,也就是用调制信号直接改变载波振荡器频率的方法。图8画出了它的大意,图中用一个可变电抗元件并联在谐振回路上。用低频调制信号控制可变电抗元件参数的变化,使载波振荡器的频率发生变化。

(2)鉴频电路

能够完成鉴频功能的电路叫鉴频器或鉴频电路,有时也叫频率检波器。鉴频的方法通常分二步,第一步先将等幅的调频波变成幅度随频率变化的调频—调幅波,第二步再用一般的检波器检出幅度变化,还原成低频信号。常用的鉴频器有相位鉴频器、比例鉴频器等。

来源:网络整理,如涉及版权问题,请及时联系删除

相关问答

电视机、收音机的本机 振荡电路 的作用?

目前使用的都是超外差接收电路,它要求用一个本机振荡电路产生一个正弦波,与接收到的信号通过混频电路产生一个差频----称为中频信号,再通过多级中放电路将信号...

fm本振 电路 功能?

本振就是本地振荡器的简称,一般用于接收机中,其作用就是产生一个频率(本振频率)与接收机接收到的信号频率混频,产生固定频率中频信号,中频信号频率固定,这...

谐振 电路 在生活中的 应用 ?

谐振电路的应用主要有以下几种:一、选频电路或选频放大器构成选频电路或选频放大器,用来在众多的频率信号中选出所要频率的信号进行放大,这种电路在收音机、...

【什么是反馈 电路 ?反馈有什么作用?】作业帮

[最佳回答]反馈电路在各种电子电路中都获得普遍的应用,反馈是将放大器输出信号(电压或电流)的一部分或全部,回授到放大器输入端与输入信号进行比较(相加或相减...

振荡 器的作用?

振荡器是用来产生重复电子信号(通常是正弦波或方波)的电子元件。其构成的电路叫振荡电路.低频振荡器是指产生频率在0.1赫兹到10赫兹之间交流讯号的振荡器。这...

振荡电路 原理?

物理上振荡电路原理:振荡电路的电流无法用线圈在磁场中转动产生,只能是由振荡电路产生。充电完毕:电场能达到最大,磁场能为零,回路中感应电流i=0。放电完...

多谐震荡 电路 是干什么用的?

振荡电路就是脉冲电路,所以的电路板基本都离不开脉冲振荡电路,振荡电路就是一个高速开关一样,所有的电路高科技电器,说白了原理就是千千万万个开关组成的,振...

开关电源 振荡电路 是什么意思?

凡是开关电源都必须有一个振荡电路。这里的振荡电路分为两种,一种是自激振荡,另一种是它激振荡由一颗独立的电子芯片完成振荡。在一些小功率且对输出电压要求...

LC 振荡电路 是怎么工作的?就以下面图中为例,给我讲一下它的振...

[最佳回答]这是一个无线麦克电路:由麦克产生的音频信号在经过BG1放大后,加到BG2的基极作为调制信号.由BG2以及C4,L,C5,R5组成了电容三点式振荡电路.由此产生射...

cl 振荡电路 作用?

LC电路既用于产生特定频率的信号,也用于从更复杂的信号中分离出特定频率的信号。它们是许多电子设备中的关键部件,特别是无线电设备,用于振荡器、滤波器、调谐...

标签:

相关阅读