汽车电子can总线应用 什么是CAN总线?CAN总线到底能做什么?网友:终于有人讲明白了

小编头像

小编

管理员

发布于:2025年05月07日

95 阅读 · 0 评论

什么是CAN总线?CAN总线到底能做什么?网友:终于有人讲明白了

随着工业技术不断发展,CAN总线已广泛应用于车辆、航空、医疗等高安全要求领域。高频发送CAN报文也成为安全测试的必要组成部分,你知道什么是CAN总线吗?它有什么用?今天就给大家来讲解一下CAN总线的基础知识。

一、CAN总线的基本概念

CAN 是Controller Area Network 的缩写,是ISO国际标准化的串行通信协议,也是国际上应用最广泛的现场总线之一。在汽车产业中,出于对安全性、舒适性、方便性、低公害、低成本的要求,各种各样的电子控制系统被开发了出来。

由于这些系统之间通信所用的数据类型及对可靠性的要求不尽相同,由多条总线构成的情况很多,线束的数量也随之增加。为适应“减少线束的数量”、“通过多个LAN,进行大量数据的高速通信”的需要,1986 年德国电气商博世公司开发出面向汽车的CAN 通信协议。此后,CAN 通过ISO11898 及ISO11519 进行了标准化,在欧洲也是汽车网络的标准协议。

二、CAN总线的优势

CAN属于现场总线的范畴,它是一种有效支持分布式控制或实时控制的串行通信网络。较之许多RS-485基于R线构建的分布式控制系统而言,基于CAN总线的分布式控制系统在以下方面具有明显的优越性:

1、网络各节点之间的数据通信实时性强

CAN控制器工作于多种方式,网络中的各节点都可根据总线访问优先权,采用无损结构的逐位仲裁的方式竞争向总线发送数据,且CAN协议废除了站地址编码,有效提高系统的可靠性和系统的灵活性。而利用RS-485只能构成主从式结构系统,通信方式也只能以主站轮询的方式进行,系统的实时性、可靠性较差;

2、开发周期短

CAN具有的完善的通信协议可由CAN控制器芯片及其接口芯片来实现,从而大大降低系统开发难度,缩短了开发周期,这些是仅有电气协议的RS-485所无法比拟的。

3、已形成国际标准的现场总线

与其它现场总线比较而言,CAN总线是具有通信速率高、容易实现、且性价比高等诸多特点的一种已形成国际标准的现场总线。这些也是CAN总线应用于众多领域,具有强劲的市场竞争力的重要原因。

三、CAN总线的优点

1、废除传统的站地址编码,代之以对通信数据块进行编码,可以多主方式工作;

2、采用非破坏性仲裁技术,当两个节点同时向网络上传送数据时,优先级低的节点主动3、停止数据发送,而优先级高的节点可不受影响继续传输数据,有效避免了总线冲突;

4、采用短帧结构,每一帧的有效字节数为8个,数据传输时间短,受干扰的概率低,重新发送的时间短;

5、每帧数据都有CRC校验及其他检错措施,保证了数据传输的高可靠性,适于在高干扰环境下使用;

6、节点在错误严重的情况下,具有自动关闭总线的功能,切断它与总线的联系,以使总线上其他操作不受影响;

7、可以点对点,一对多及广播集中方式传送和接受数据。

8、具有实时性强、传输距离较远、抗电磁干扰能力强、成本低等优点;

9、采用双线串行通信方式,检错能力强,可在高噪声干扰环境中工作;

10、具有优先权和仲裁功能,多个控制模块通过CAN控制器挂到CAN-Bus上,形成多主机局部网络;

11、可根据报文的ID决定接收或屏蔽该报文;

12、可靠的错误处理和检错机制;

13、发送的信息遭到破坏后,可自动重发;

14、节点在错误严重的情况下具有自动退出总线的功能;

15、报文不包含源地址或目标地址,仅用标志符来指示功能信息、优先级信息。

四、CAN总线是最有前途的现场总线之一

CAN 即控制器局域网络,属于工业现场总线的范畴。与一般的通信总线相比,CAN总线的数据通信具有突出的可靠性、实时性和灵活性。由于其良好的性能及独特的设计,CAN总线越来越受到人们的重视。

由于CAN总线本身的特点,其应用范围已不再局限于汽车行业,而向自动控制、航空航天、过程工业、机械工业、纺织机械、农用机械、机器人、数控机床、医疗器械及传感器等领域发展。CAN已经形成国际标准,并已被公认为几种最有前途的现场总线之一。其典型的应用协议有:SAE J1939/ISO11783、CANOpen、CANaerospace、DeviceNet、NMEA 2000等。

好了,以上内容就是帝特电子关于CAN总线的基础知识的详细介绍,希望能对大家有所帮助!感谢您的阅读与支持!

帝特电子长期致力于为客户提供品质的HDMI、DP、DVI(4K/8K)光纤线、音视频高清线、网络延长器、光端机、工业光纤收发器、音视频分配器、音视频切换器、工业232/485/422转换器、串口服务器、电脑周边线材等音视频产品工业线材,打造数字化音视频领先品牌,传递精彩画面,分享快乐时光!欢迎前来了解、交流。

CAN总线应用

嵌入式的工程师一般都知道CAN总线广泛应用到汽车中,其实船舰电子设备通信也广泛使用CAN,随着国家对海防的越来越重视,对CAN的需求也会越来越大。这个暑假,通过参加苏州社会实践,去某船舶电气公司实习几周,也借此机会,学习了一下CAN总线。

概述

CAN(Controller Area Network)即控制器局域网,是一种能够实现分布式实时控制的串行通信网络。

想到CAN就要想到德国的Bosch公司,因为CAN就是这个公司开发的(和Intel)

CAN有很多优秀的特点,使得它能够被广泛的应用。比如:传输速度最高到1Mbps,通信距离最远到10km,无损位仲裁机制,多主结构。

近些年来,CAN控制器价格越来越低,很多MCU也集成了CAN控制器。现在每一辆汽车上都装有CAN总线。

一个典型的CAN应用场景:

CAN总线标准

CAN总线标准只规定了物理层和数据链路层,需要用户自定义应用层。不同的CAN标准仅物理层不同。

CAN收发器负责逻辑电平和物理信号之间的转换。

将逻辑信号转换成物理信号(差分电平),或者将物理信号转换成逻辑电平。

CAN标准有两个,即IOS11898和IOS11519,两者差分电平特性不同。

高低电平幅度低,对应的传输速度快;

*双绞线共模消除干扰,是因为电平同时变化,电压差不变。

物理层

CAN有三种接口器件

多个节点连接,只要有一个为低电平,总线就为低电平,只有所有节点输出高电平时,才为高电平。所谓"线与"。

CAN总线有5个连续相同位后,就插入一个相反位,产生跳变沿,用于同步。从而消除累积误差。

和485、232一样,CAN的传输速度与距离成反比。

CAN总线,终端电阻的接法:

为什么是120Ω,因为电缆的特性阻抗为120Ω,为了模拟无限远的传输线

数据链路层

CAN总线传输的是CAN帧,CAN的通信帧分成五种,分别为数据帧、远程帧、错误帧、过载帧和帧间隔。

数据帧用来节点之间收发数据,是使用最多的帧类型;远程帧用来接收节点向发送节点接收数据;错误帧是某节点发现帧错误时用来向其他节点通知的帧;过载帧是接收节点用来向发送节点告知自身接收能力的帧;用于将数据帧、远程帧与前面帧隔离的帧。

数据帧根据仲裁段长度不同分为标准帧(2.0A)和扩展帧(2.0B)

帧起始

帧起始由一个显性位(低电平)组成,发送节点发送帧起始,其他节点同步于帧起始;

帧结束由7个隐形位(高电平)组成。

仲裁段

CAN总线是如何解决多点竞争的问题?

由仲裁段给出答案。

CAN总线控制器在发送数据的同时监控总线电平,如果电平不同,则停止发送并做其他处理。如果该位位于仲裁段,则退出总线竞争;如果位于其他段,则产生错误事件。

帧ID越小,优先级越高。由于数据帧的RTR位为显性电平,远程帧为隐性电平,所以帧格式和帧ID相同的情况下,数据帧优先于远程帧;由于标准帧的IDE位为显性电平,扩展帧的IDE位为隐形电平,对于前11位ID相同的标准帧和扩展帧,标准帧优先级比扩展帧高。

控制段

共6位,标准帧的控制段由扩展帧标志位IDE、保留位r0和数据长度代码DLC组成;扩展帧控制段则由IDE、r1、r0和DLC组成。

数据段

为0-8字节,短帧结构,实时性好,适合汽车和工控领域;

CRC段

CRC校验段由15位CRC值和CRC界定符组成。

ACK段

当接收节点接收到的帧起始到CRC段都没错误时,它将在ACK段发送一个显性电平,发送节点发送隐性电平,线与结果为显性电平。

远程帧

远程帧分为6个段,也分为标准帧和扩展帧,且RTR位为1(隐性电平)

CAN是可靠性很高的总线,但是它也有五种错误。

CRC错误:发送与接收的CRC值不同发生该错误;

格式错误:帧格式不合法发生该错误;

应答错误:发送节点在ACK阶段没有收到应答信息发生该错误;

位发送错误:发送节点在发送信息时发现总线电平与发送电平不符发生该错误;

位填充错误:通信线缆上违反通信规则时发生该错误。

当发生这五种错误之一时,发送节点或接受节点将发送错误帧

为防止某些节点自身出错而一直发送错误帧,干扰其他节点通信,CAN协议规定了节点的3种状态及行为

过载帧

当某节点没有做好接收的"准备"时,将发送过载帧,以通知发送节点。

帧间隔

用来隔离数据帧、远程帧与他们前面的帧,错误帧和过载帧前面不加帧间隔。

//好好理解1.6最后一张ppt

构建CAN节点

构建节点,实现相应控制,由底向上分为四个部分:CAN节点电路、CAN控制器驱动、CAN应用层协议、CAN节点应用程序。

虽然不同节点完成的功能不同,但是都有相同的硬件和软件结构。

CAN收发器和控制器分别对应CAN的物理层和数据链路层,完成CAN报文的收发;功能电路,完成特定的功能,如信号采集或控制外设等;主控制器与应用软件按照CAN报文格式解析报文,完成相应控制。

CAN硬件驱动是运行在主控制器(如P89V51)上的程序,它主要完成以下工作:基于寄存器的操作,初始化CAN控制器、发送CAN报文、接收CAN报文;

如果直接使用CAN硬件驱动,当更换控制器时,需要修改上层应用程序,移植性差。在应用层和硬件驱动层加入虚拟驱动层,能够屏蔽不同CAN控制器的差异。

一个CAN节点除了完成通信的功能,还包括一些特定的硬件功能电路,功能电路驱动向下直接控制功能电路,向上为应用层提供控制功能电路函数接口。特定功能包括信号采集、人机显示等。

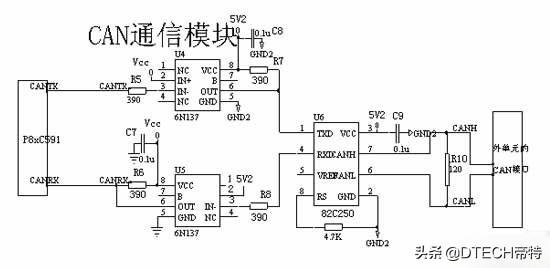
CAN收发器是实现CAN控制器逻辑电平与CAN总线上差分电平的互换。实现CAN收发器的方案有两种,一是使用CAN收发IC(需要加电源隔离和电气隔离),另一种是使用CAN隔离收发模块。推荐使用第二种。

CAN控制器是CAN的核心元件,它实现了CAN协议中数据链路层的全部功能,能够自动完成CAN协议的解析。CAN控制器一般有两种,一种是控制器IC(SJA1000),另一种是集成CAN控制器的MCU(LPC11C00)。

MCU负责实现对功能电路和CAN控制器的控制:在节点启动时,初始化CAN控制器参数;通过CAN控制器读取和发送CAN帧;在CAN控制器发生中断时,处理CAN控制器的中断异常;根据接收到的数据输出控制信号;

接口管理逻辑:解释MCU指令,寻址CAN控制器中的各功能模块的寄存器单元,向主控制器提供中断信息和状态信息。

发送缓冲区和接收缓冲区能够存储CAN总线网络上的完整信息。

验收滤波是将存储的验证码与CAN报文识别码进行比较,跟验证码匹配的CAN帧才会存储到接收缓冲区。

CAN内核实现了数据链路的全部协议。

CAN协议应用层概述

CAN总线只提供可靠的传输服务,所以节点接收报文时,要通过应用层协议来判断是谁发来的数据、数据代表了什么含义。常见的CAN应用层协议有: CANOpen、DeviceNet、J1939、iCAN等。

CAN应用层协议驱动是运行在主控制器(如P89V51)上的程序,它按照应用层协议来对CAN报文进行定义、完成CAN报文的解析与拼装。例如,我们将帧ID用来表示节点地址,当接收到的帧ID与自身节点ID不通过时,就直接丢弃,否则交给上层处理;发送时,将帧ID设置为接收节点的地址。

CAN收发器

SJA1000的输出模式有很多,使用最多的是正常输出模式,输入模式通常不选择比较器模式,可以增大通信距离,并且减少休眠下的电流。

收发器按照通信速度分为高速CAN收发器和容错CAN收发器。

同一网络中要使用相同的CAN收发器。

CAN连接线上会有很多干扰信号,需要在硬件上添加滤波器和抗干扰电路

也可以使用CAN隔离收发器(集成滤波器和抗干扰电路)。

CAN控制器与MCU的连接方式

SJA1000可被视为外扩RAM,地址宽度8位,最多支持256个寄存器

#define REG_BASE_ADDR 0xA000 // 寄存器基址

unsigned char *SJA_CS_Point = (unsigned char *) REG_BASE_ADDR ;

// 写SJA1000寄存器

void WriteSJAReg(unsigned char RegAddr, unsigned char Value) {

*(SJA_CS_Point + RegAddr) = Value;

return;

}

// 读SJA1000寄存器

unsigned char ReadSJAReg(unsigned char RegAddr) {

return (*(SJA_CS_Point + RegAddr));

}

将缓存区的数据连续写入寄存器

…… for (i=0;i<len;i++) { WriteSJAReg(RegAdr+i,ValueBuf[i]); } ……

将连续多个寄存器连续读入缓存区

…… for (i=0;i<len;i++) { ReadSJAReg(RegAdr+i,ValueBuf[i]); } ……

头文件包含方案:

每个程序包含用到的头文件每个程序包含一个公用头文件,公用头文件包含所有其他头文件

#ifndef __CONFIG_H__ // 防止头文件被重复包含

#define __CONFIG_H__

#include <8051.h> // 包含80C51寄存器定义头文件

#include "SJA1000REG.h" // 包含SJA1000寄存器定义头文件

// 定义取字节运算

#define LOW_BYTE(x) (unsigned char)(x)

#define HIGH_BYTE(x) (unsigned char)((unsigned int)(x) >> 8)

// 定义振荡器时钟和处理器时钟频率(用户可以根据实际情况作出调整)

#define OSCCLK 11059200UL

// 宏定义MCU的时钟频率

#define CPUCLK (OSCCLK / 12)

#endif // __CONFIG_H__

SJA1000上电后处于复位状态,必须初始化后才能工作。

(1)置位模式寄存器Bit0位进入复位模式;

(2)设置时钟分频寄存器选择时钟频率、CAN模式;

(3)设置验收滤波,设定验证码和屏蔽码;

(4)设置总线定时器寄存器0、1设定CAN波特率;

(5)设置输出模式;

(6)清零模式寄存器Bit0位退出复位模式;

模式寄存器

只检测模式:SJA1000发送CAN帧时不检查应答位;

只听模式:此模式下SJA1000不会发送错误帧,用于自动检测波特率;SJA1000以不同的波特率接收CAN帧,当收到CAN帧时,表明当前波特率与总线波特率相同。

波特率设置

CAN总线无时钟,使用异步串行传输;波特率是1秒发送的数据位;

CAN帧发送:

发送CAN帧的步骤:1.检测状态寄存器,等待发送缓冲区可用;

2.填充报文到发送缓冲区;

3.启动发送。

SJA1000具有一个12字节的缓冲区,要发送的报文可以通过寄存器16-28写入 ,也可通过寄存器96-108写入或读出

设置发送模式

char SetSJASendCmd(unsigned char cmd) {

unsigned char ret;

switch (cmd) {

default:

case 0:

ret = SetBitMask(REG_CAN_CMR, TR_BIT); //正常发送

break;

case 1:

ret = SetBitMask(REG_CAN_CMR, TR_BIT|AT_BIT); //单次发送

break;

case 2:

ret = SetBitMask(REG_CAN_CMR, TR_BIT|SRR_BIT);//自收自发

break;

case 0xff:

ret = SetBitMask(REG_CAN_CMR, AT_BIT);//终止发送

break;

}

return ret;

}

发送函数

unsigned char SJA_CAN_Filter[8] = { // 定义验收滤波器的参数,接收所有帧

0x00, 0x00, 0x00, 0x00,

// ACR0~ACR3

0xff, 0xff, 0xff, 0xff

// AMR0~AMR3

};

unsigned char STD_SEND_BUFFER[11] = { // CAN 发送报文缓冲区

0x08, // 帧信息,标准数据帧,数据长度 = 8

0xEA, 0x60, // 帧ID = 0x753

0x55, 0x55, 0x55, 0x55, 0xaa, 0xaa, 0xaa, 0xaa // 帧数据

};

void main(void) // 主函数,程序入口

{

timerInit();// 初始化

D1 = 0;

SJA1000_RST = 1; // 硬件复位SJA1000

timerDelay(50); // 延时500ms

SJA1000_RST = 0;

SJA1000_Init(0x00, 0x14, SJA_CAN_Filter); // 初始化SJA1000,设置波特率为1Mbps

// 无限循环,main()函数不允许返回

for(;;) {

SJASendData(STD_SEND_BUFFER, 0x0);

timerDelay(100); // 延时1000ms

}

}

为什么帧ID是0x753,这与CAN帧在缓冲区的存储格式有关。

终端电阻非常重要,当波特率较高而且没加终端电阻时,信号过冲非常严重。

SJA1000有64个字节的接收缓冲区(FIFO),这可以降低对MCU的要求。MCU可以通过查询或中断的方式确定SJA1000接收到报文后读取报文。

如果觉得对您有用,欢迎收藏转发并加关注哦!小编会持续更新更多干货,您的支持是小编最大的动力。谢谢!

相关问答

CAN总线 优缺点及 应用 场景?

CAN总线主要应用于多主结构的快速数据交互场合,例如汽车控制电路、实时性要求很高的工业控制系统等等。CAN总线主要优点就是多主机结构,这是其他任何总线都不...

汽车CAN 有哪些功能?

CAN总线是对汽车中标准的串行数据传输系统的习惯叫法。CAN的英文全称是:ControllerAreaNetwork,意思是区域网络控制器,最早是用于智能化住宅小区的信息传输...

汽车 CAN总线 是什么意思?

汽车的CAN总线是指控制器区域网络总线,它是一种用于汽车之间通信的高速数据传输总线。1.CAN总线可以让车上的各个电子控制单元共享车辆各类信息,充分发挥智...

can总线 如何连接 汽车 各部位的 - 懂得

通过双绞线连接的,每一个需要CAN通信的部件上面都有CAN的接头,所有的设备都通过一个CAN高、一个CAN低两根线,接入到这个网络中。新的设备也可以很方...

汽车CAN总线 是什么意思?

汽车CAN总线是指控制器局域网络(ControllerAreaNetwork,简称CAN)总线系统,它是一种用于在汽车电子系统中进行通信和数据传输的标准化网络协议。CAN总线系...

汽车 CAN总线 是什么意思?说通俗一点?

现代汽车中所使用的电子控制系统和通讯系统越来越多,如发动机电控系统、防抱死系统(ABS)、自动巡航系统(ACC)和车载多媒体系统,这些系统之间,系统和汽车显...

新能源 汽车can 通讯原理?

CAN(ControllerAreaNetwork)是一种串行通信协议,被广泛应用于汽车电子系统中。在新能源汽车中,CAN总线是整个车辆控制系统中最重要的通讯协议之一。CAN总线...

can总线 如何连接 汽车 各部位的?

通过双绞线连接的,每一个需要CAN通信的部件上面都有CAN的接头,所有的设备都通过一个CAN高、一个CAN低两根线,接入到这个网络中。新的设备也可以很方便的接入,...

高尔夫6cd的 can 什么意思

[最佳回答]不是GAN+应该是CAN+。CAN总线为汽车整车电路管理系统,所有用电器由线路全部汇集在ECU管理。这个表示CD和整车数据管理总线的并线,可以控制CD的灯光,...

can总线 详细讲解?

CAN总线是ControllerAreaNetwork的缩写,它是一种串行总线,专为汽车应用而设计。CAN总线能够串联多个不同的嵌入式系统,以实现车载电子控制系统之间的数据传...

标签:

相关阅读