电子灭蚊拍电路应用 电子灭蚊拍电路原理与制作

小编头像

小编

管理员

发布于:2025年05月02日

94 阅读 · 0 评论

电子灭蚊拍电路原理与制作

欢迎关注、点赞、评论。

看看超声波驱蚊器的内部电路结构、分析下到底有没有驱蚊效果

朋友送了我一个超声波驱蚊器,第一感觉做工还可以,塑料外壳是很厚实的!

拆开看是这样的,电路可以分为两部分:

一部分是电源电路,220V进来经过阻容降压、四个二极管整流、25V47UF电容滤波、得到稳定直流电压!

第二部分是由555芯片构成的震荡电路,产生的25KHZ的高频信号从第三脚输出接到压电陶瓷蜂鸣片,产生高频信号驱虫!

根据实物画的线路图:

这种电路驱蚊的原理据说是:发出类似公蚊子拍翅膀的超声波、或者蚊子天敌:蜻蜓震翅发出的声音、蝙蝠发出的超声波,从而达到驱赶蚊子的目的。

至于这个电路驱蚊效果好不好,我那个朋友说效果不大、感觉是忽悠!不过我还没有使用过,天冷了,找不到蚊子了。

但是我感觉这个电路发出的声音肯定很小,因为是超声波,人耳朵听不到,所以准备凑时间,把这个电路震荡频率给它降低,看看这个电路声音到底有多大。

相关问答

干电池蚊子 怎么改多功能?

将干电池蚊子拍改成多功能工具不是一个简单的任务,因为蚊子拍通常是为特定用途设计的,只用于驱除蚊虫。要改造成多功能工具,可能需要进行以下步骤:1.设计和...

电驱蚊 的紫灯什么用?

1、工作原理是利用蚊子的趋光性,将蚊子吸引过来,使其触电身亡,采用高效诱蚊灯管,对蚊虫等有害飞虫都有高效引诱作用,通过静电电击能够瞬间杀灭飞虫;电子灭...

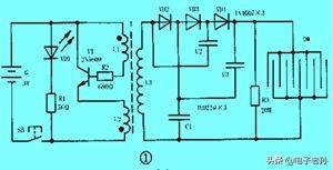
自激振荡 电路 ,看了电蚊 的振荡 电路 ,他那起振的过程和原理我怎么都不理解,请哪们给详细解释下?

前面是一种变压器反馈式的自激振荡器,正反馈信号取自L1加在基极;后面经变压器次级L3升压的电压,又经由C1~C5及VD1~VD5组成的倍压电路再升成千多伏高压.此高压...

太阳能生产厂家有望能研发出夏上半夜照明下半夜 灭蚊 的用品,还能监控,这样会很受大家喜爱吗?

这是个简单幼稚的问题。不是厂家研究的问题,而是你是否愿意用的问题!你的问题有三种功能:1.照明。2.灭蚊。3.监控。只要是电子产品,太阳能“电”都能胜任。...

灭蚊拍 好用吗?是什么原理?

灭蚊拍主要是由高频振荡电路、三倍压整流电路和高压电击网三部分组成。当按下电源开关SB时电流通过三极管和变压器之间形成高频震荡回路,三极管vT和变压器T构...

灭蚊拍 什么意思?

文拍就是你充电的灭蚊拍。文拍就是你充电的灭蚊拍。

灭蚊拍 原理?

电蚊拍用的是电容放电的原理。电蚊拍首先通过一组高频振荡电路,将电池的直流电转换成低压高频交流电,再通过一组升压电路将低压的高频交流电转换成高压高频交...

灭蚊拍 的网怎么清洗?

灭蚊拍的网用吹风机请洗灭蚊拍的网用吹风机请洗

充电式电 灭蚊拍 使用说明书?

电蚊拍用的是电容放电的方法。电蚊拍首先通过一组高频振荡电路,将电池的直流电转换成低压高频交流电,再通过一组升压电路将低压的高频交流电转换成高压高频交...

灭蚊拍 怎么吸引蚊子?

问题:?灭蚊拍不是用来吸引蚊子的,而是用来击打蚊子的。蚊子受到头部感受器的刺激,会感知到人体的二氧化碳吸入量、皮肤表面释放出的气味、体温等指标,从而寻...

标签:

相关阅读