电子控制原理与应用 干货丨34个电气控制接线图,电子元件工作原理图

小编头像

小编

管理员

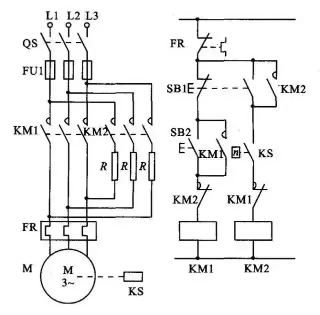
发布于:2025年05月07日

225 阅读 · 0 评论

干货丨34个电气控制接线图、电子元件工作原理图

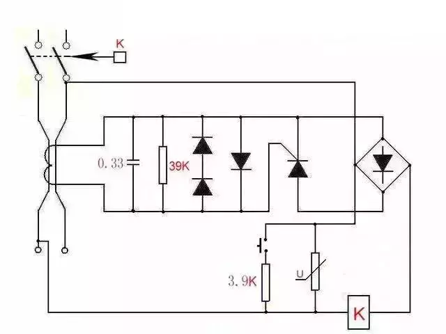
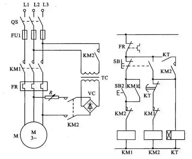
1、可控硅调速电路

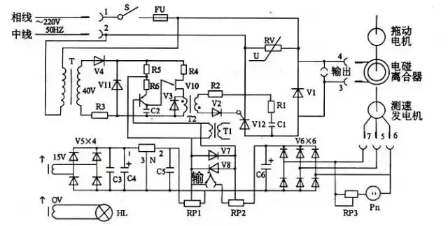
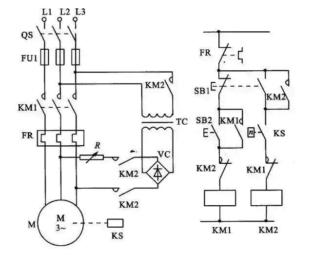
2、电磁调速电机控制图

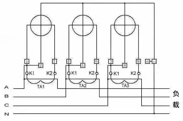
3、三相四线电度表互感器接线

4、能耗制动

5、顺序起动,逆序停止

6、锅炉水位探测装置

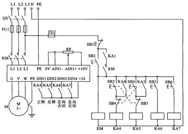
7、电机正反转控制电路

8、电葫芦吊机电路

9、单相漏电开关电路

10、单相电机接线图

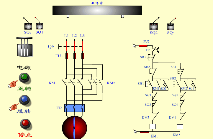
11、带点动的正反转起动电路

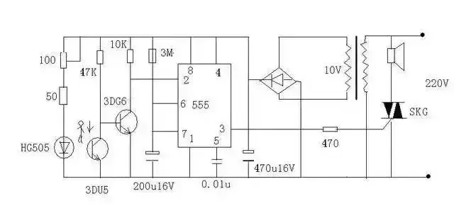
12、红外防盗报警器

13、双电容单相电机接线图

14、自动循环往复控制线路

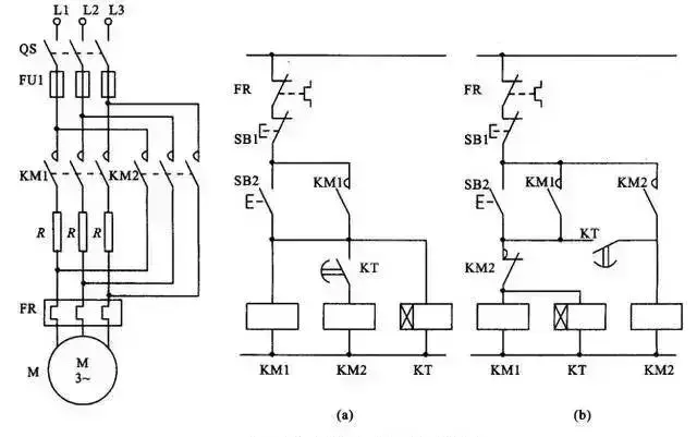
15、定子电路串电阻降压启动控制线

16、按启动钮延时运行电路

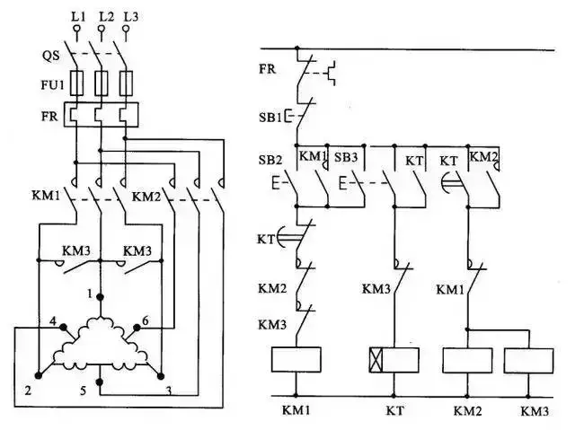
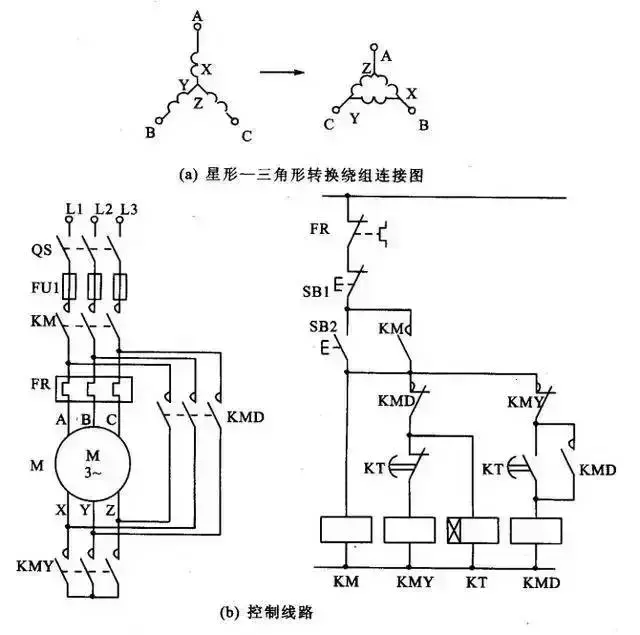
17、星形 - 三角形启动控制线路

18、单向反接制动的控制线路

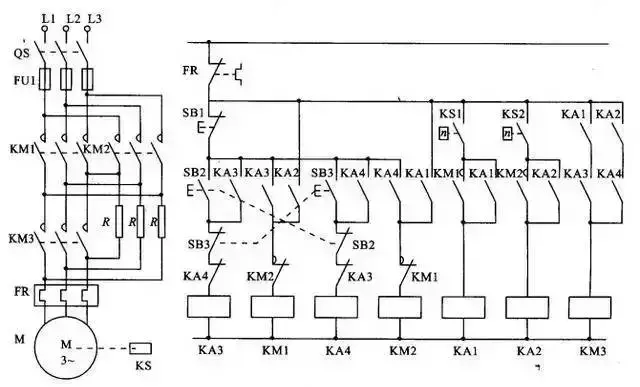
19、具有反接制动电阻的可逆运行反接制动的控制线路

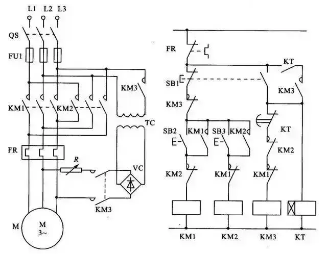
20、以时间原则控制的单向能耗制动线路

21、以速度原则控制的单向能耗制动控制线路

22、电动机可逆运行的能耗制动控制线路

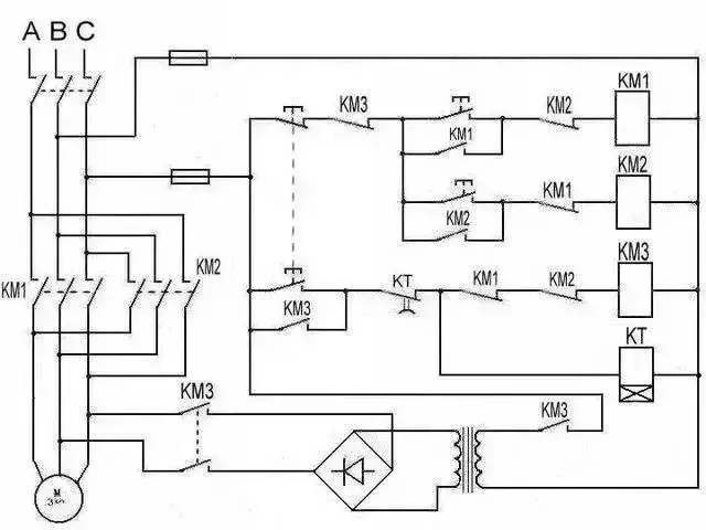
23、双速电动机改变极对数的原理

24、双速电动机调速控制线路

25、使用变频器的异步电动机可逆调速系统控制线路

26、正确连接电器的触点

27、线圈的连接

28、继电器开关逻辑函数

29、三相半波整流电路图

30、三相全波整流电路图

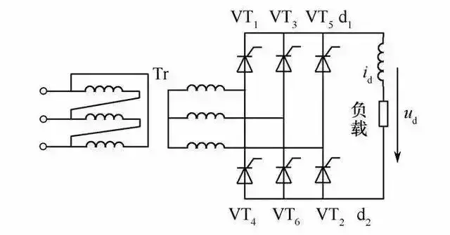
31、三相全波6脉冲整流原理图

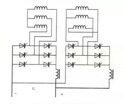
32、六相12脉冲整流原理图

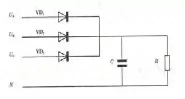
33、负载两端的电压

在一个周期中,每个二极管只有三分这一的时候导通(导通角为120度)。负载两端的电压为线电压。

34、直流调速原理功能图

动画演示十大电气控制原理

1,按钮开关

2,通电延时继电器

3,断电延时型时间继电器

4,交流接触器

5,自动往返控制过程

6,异步电动机转动原理

7,热继电器

8,滑轮式行程开关

9,星三角启动

10,带融丝闸刀

更多技术文章请关注“电子技术达人社”!

相关问答

01M自动变速箱 电子控制系统 组成和 原理 - 汽车维修技术网

[回答]qcwx_s2()

电动 控制 的工作 原理 ?

电动车控制器是通过改变占空比来实现加速功能。控制器根据车型分不同的功率(也就是控制器外观大小),不同的电压;控制器主要是接受用户的操控指令,电池...电...

材料成型及 控制工程 专业学什么?什么是材料成型及 控制工程 申请方

[回答]控制工程专业的很多同学都想了解金...专业培养要求:本专业学生主要学习材料科学及各类热加工工艺的基础理论与技术和有关设备的设计方法,受到现代...

控制工程 专业就业方向? 申请方

控制理论与控制工程隶属于控制科学与工程一级学科目前,各大院校与控制理论与控制工程专业相关的研究方向都略有不同的侧重点。以哈尔滨工程大学为例...

电子 节温器2根线 控制原理 ?

原理及功能:电子接吻器两根线控制原理的话,就是一有一根线是长供电。一根线是保险丝提供的场供电,另外一根是电脑板输出的,这个占空比信号进行加热,信号的...

汽车电子控制系统 有哪些类型相关知识汇总 - 汽车维修技术网

以下是汽车维修技术网分享的关于汽车电子控制系统有哪些类型的知识,以及汽车电子控制系统有哪些类型相关问题的介绍,希望这些汽车电子控制系统有哪些类型内容能...

电子 水泵 控制原理 ?

水泵控制器的工作原理水泵控制器是根据所检测到的水源状态,管道用水量和管道压力变化等数据去启动与停止水泵。可以由压力罐,压力开关,缺水保护装置,止...水...

准备考研了,初步决定是杭州 电子 科技大学的控制理论 与控制 工程(双控)专业,不知道好不好啊,求分析?

不知道一楼是不是杭电的,如果不是的话也没有资格说那种话。杭州电子科技大学在浙江省名气还是很大的,就业也很高。至于这个专业到底好不好,这个我也不清楚了...

柴油汽车 电子 风扇 控制原理 ?

柴油汽车电子风扇通常是由一个电子控制模块负责控制,控制模块会通过传感器对发动机温度、冷却液温度、压力等参数进行监测,判断出是否需要启动风扇。当需要降...

宝马 电子 节温器2根线 控制原理 ?

电子节温器2根线的控制原理介绍如下:1.机械开启功能。当电子节温器周围的冷却液温度达到103℃时,电子节温器内部的石蜡膨胀,石蜡将电子节温器的阀门顶开。2...

标签:

相关阅读