传感器的应用电子电路 20个传感器的工作原理动图大全,学习自动化知识必不可少的资料

小编头像

小编

管理员

发布于:2025年05月05日

107 阅读 · 0 评论

20个传感器的工作原理动图大全,学习自动化知识必不可少的资料

各类传感器接线图,原理图接线图讲的明明白白

接近开关,光电开关传感器接线图集

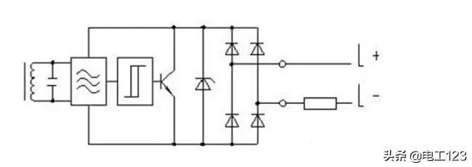
光电开关传感器双线直流接线方法

光电开关传感器电路原理图

接线电压:10—65V直流

常开触点(NO)

无极性

防短路的输出

漏电电流≤0.8mA

电压降≤5V

注意不允许双线直流传感器的串并联连接

光电开关传感器三线直流接线图

电路原理图

接线电压:10—30V直流

常开触点(NO)

电压降≤1.8V

防短路的输出

完备的极性保护

三线直流与四线直流传感器的串联

当串联时,电压降相加,单个传感器的准备延迟时间相加。

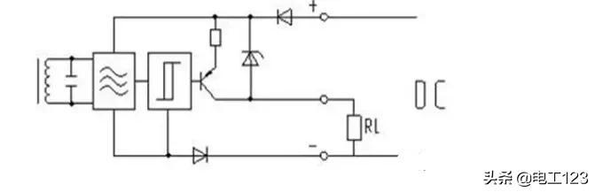
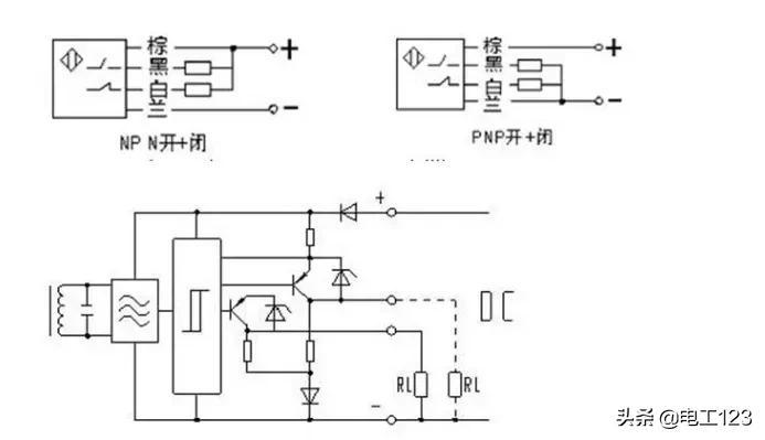
四线直流光电开关传感器接线方法

电路原理图

接线电压:10—65V

切换开关

防短路的输出

完备的极性保护

电压降≤1.8V

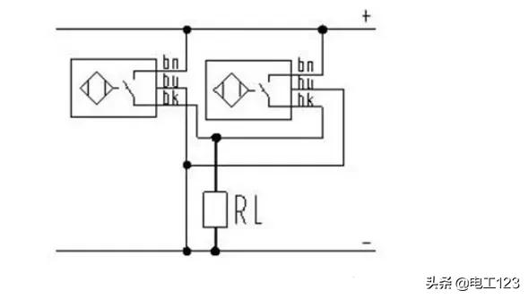
三线直流与四线直流光电开关传感器的并联接线图

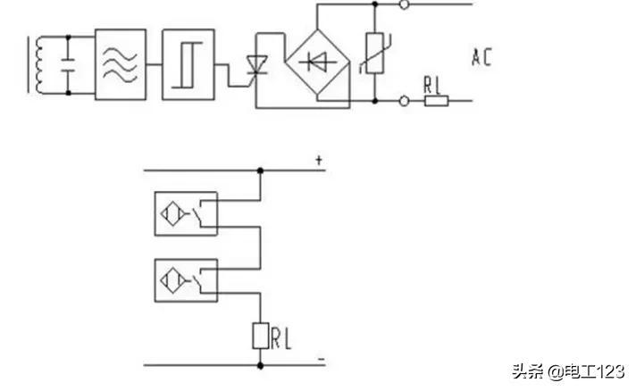
光电开关传感器双线交流接线方法

电路原理图

常开触点(NO)

常闭触点(NC)

接线电压:20—250V交流

漏电电流≤1.7mA

电压降≤7V(有效值)

双线交流传感器的串联

常开触点:“与”逻辑

常闭触点:“或非”逻辑

当串联时,在传感器上的电压降相加,它减低了负载上可利用的电压,因此要注意:不能低于负载上的最小工作电压(注意到电网电压的波动)。

机械开关与交流光电开关传感器串联接线方法

断开的触点中断了传感器的电源电压,若在传感器被衰减期间内机械触点闭和的话,则会产生一个短时间的功能故障,传感器的准备延迟时间(t≤80ms)避免了立即的通断动作。

补偿方法:将一电阻并联在机械触点上(当触点断开时也是一样),此电阻使传感器的准备时间不再起作用,对于200V交流,此电阻大约为82KΩ/1w。

电阻的计算方法:近似值大约为400Ω/V

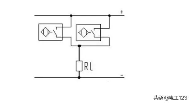
双线交流光电开关传感器的并联接线方法

常开触点:“与”逻辑

常闭触点:“或非”逻辑

闭和触点使传感器的工作电压短路,当触点短开以后只有在准备延迟时间(t≤80ms)之后传感器才处于功能准备状态。

补偿办法:触点上串联一个电阻可以可靠地保证了传感器的最小工作电压,因此避免了在机械触点断开之后的准备延迟。

计算电阻的公式:R=10/I P=I²×R

来源:网络,如有侵权请联系删除。

相关问答

什么是 传感器 ?它由哪几个部分组成?分别起到什么作用?求解_作业帮

[最佳回答]传感器是一种以一定的精确度把被测量转换为与之有确定对应关系的、便于应用的某种物理量的测量装置,能完成检测任务;传感器由敏感元件,转换元件,转...

传感器电路 啥意思?

传感器的电路决定着传感器的质量,传感器的质量决定着系统的优劣,传感器电路的作用是很大的,传感器电路可以说直接决定了生产质量以及生产效率。在工业生产过...

传感器 常用5种信号处理 电路 ?

信号预处理电路、信号放大电路、信号变换电路、滤波电路、信号补偿电路。信号预处理电路、信号放大电路、信号变换电路、滤波电路、信号补偿电路。

传感器 电路 中属于什么部分?

大多数的电信号都是通过传感器测量出来的,因此传感器在电路中属测量部分部分大多数的电信号都是通过传感器测量出来的,因此传感器在电路中属测量部分部分

传感器 能直接接 电路 里面吗?

可以的的,传感器是将非电量变化转换为电量变化采集、运算。不过传感器的电压与接线方式都有要求,需要按照产品的要求使用,如果使用不当可能造成传感器损毁。...

传感器 接口 电路的 组成?

接口电路一般由以下几部分组成:1.基本逻辑电路:包括命令寄存器、状态寄存器和数据缓冲寄存器,是接口电路中的核心2.端口地址译码电路:实现设备的选择功能3...

传感器 前端是做什么的?

传感器是检测系统的前端,传感器输出信号处理的电路对检测系统有着至关重要的作用,其直接决定了检测结果的正确性。通常传感器输出的信号是夹杂噪声和干扰的微...

传感器电路的 识读 - 汽车维修技术网

[回答]qcwx_s2()

现代瑞纳曲轴位置 传感器 A 电路 是指什么意思 - 汽车维修技术网

[回答]现代瑞纳曲轴位置传感器A电路是什么意思?现代瑞纳曲轴位置传感器A电路是传感器的供电电路。这样的状况代表ECU未收到来源于传感器的准确电压,可能是...

(通常是电学量),例如热敏 传感器 ,主要是 应用 了】作业帮

[最佳回答](1)根据图1中曲线的趋势可以得出,电阻随温度的升高而减小,因此热敏电阻的阻值随温度的升高而减小,为了使温度过高时发送报警信息,则热敏电阻阻值最...

标签:

相关阅读