6v6gt电子管应用参数 HIFI 小机器有大能耐:PSAUME(诗雅达)P12 电子管合并功放

小编头像

小编

管理员

发布于:2025年05月02日

107 阅读 · 0 评论

HIFI 小机器有大能耐:PSAUME(诗雅达)P12 电子管合并功放

产品零售价:¥4900元/台

中山创信科技旗下的家庭影院品牌锐榜(RESPOND)可说是国产影音品牌中的佼佼者。成立于2003年的RESPOND锐榜,虽然成立的时间不长,但它却以生产高质量的家庭影院音箱在众多品牌的激烈竞争中赢得了市场和声望。集合了专业级优秀设计团队,拥有超过20年以上的音箱研究设计经验,除了拥有经过世界权威THX认证的高级工程师外,更拥有自身的独家专利技术,自行设计、生产出多个系列的优秀产品,对应了不同用户群体的广泛需求。

量身定做

锐榜在成立15周年的时候(2018年),为了拓展Hi-Fi领域,首次推出Hi-Fi书架箱B501,一经推出,马上受到业界的关注,是RESPOND锐榜设计师好几年的心血结晶之作,无论是单元、箱体还是分频器设计,充分展现出锐榜对声音、对音乐的理解和追求。虽然算不上昂贵的音箱,但是声音表现、造工以及售价等已经让不少外国品牌汗颜,数千元的价格,就能拥有一对面面俱到的音箱。此后创信科技又再创立PSAUME诗雅达,推出了3款功放以更好地搭配B501,分别是P10、P12、P17。三款功放的设计都是一样的,区别是后级功率放大使用不同型号的电子管:P10 使用 4 支 6P1、P12使 用 4 支 6P6P(6V6)、P17 使用 4 支 6P14(EL84)。

这三款功放都是小巧、小功率设计,而且都配备了耳机输出口,看来是更适合于近场监听、桌面Hi-Fi的使用场合。而机器的控制都在顶部而非一般音响常见的前面板,更适合桌面使用。两组RCA输入可以连接多台讯源,而且还加入了同轴光纤、USB解码和aptX蓝牙4.0输入,功能丰富实用。

小体积 大内涵

本文主角P12每声道采用两支6P6P推挽功率放大,前置输入采用两支6N3。功放线路并不复杂,以小巧的体积获得实实在在的12W 输出。两个旋钮分别切换讯源和调节音量。前面板有一个6.3mm耳机接口。官方标配了4支曙光6P6P,整机发热量不大,放在桌面上靠近也不会感觉到明显的热量。

P12 的前级电路采用了两只 6N3 电子管,与晶体管配合组成高增益低失真的对称倒相电路,直接驱动功率放大级。这种胆石混合的前级的设计,目的是为了对付谐波失真。通常而言的做法是通过加深环路负反馈来降低失真的,但深度的负反馈又会带来相移,从而引起瞬态失真及电路的不稳定。为解决上述矛盾,P系列利用电子管具有高电压转换速率及晶体管低内阻的特性,设计出独特的胆石混合线路。由于放大级数少失真低,达至电路稳定,得以取消了各种消振及补偿器件,降低了瞬态失真。

6V6不简单

功率放大的 6P6P(6V6)是一款经典的电子管,有的老烧称它是好声音的小功率管。

6V6和6L6:这两种管子都是功放管,但差别很大。6L6最高屏极电压360伏,最大屏极耗散功率19瓦,甲乙类单管输出10.8瓦。而6V6最高屏极电压315伏,最大屏极耗散功率12瓦,甲乙类单管输出5.5瓦。当年美国人想从欧洲购买6V6技术,可欧洲人不肯转让。于是美国RCA厂在其拥有的2A3胆管技术上进行了改进,生产研发出了6L6胆管,后来该胆被广泛用于收音机及剧院电声放大。

可与6V6直接代用替换管有:英国GEC KT66、俄罗斯6P3P等,现曙光生产的6L6GC、6P6P是略加改进过的同类胆。

6V6在国内流行较晚,解放后我国南京电子管厂率先生产6V6GT电子管。6P6P与6V6各项指标参数都一致,可互换。不过P12上面所使用的曙光6P6P的匹配阻抗与一般6V6不同,需要电路另作调整。这支6P6P看上去黑黑的,这是采用了喷涂石墨的处理。对于6P6P而言,玻璃是否喷碳很重要。试验表明,玻璃喷碳的管子要比外壳不喷碳的管子性能稳定许多。如果没有喷碳,有可能有一些电子轰击到玻璃外壳,引起玻璃的二次放射,同时玻璃上电位的不同会导致电子管玻璃出现放电现象,导致蓝光和杂音。玻璃的二次放射可能会影响到管子的特性参数,所以喷碳的6P6P 要比透明的好。

由于6V6音色厚暖悦耳,在推挽状态下效果非常好,许多非常有名的电路都有采用,麦景图名机C240选用其作功率放大管。

实在的12W

试听搭配了Esoteric P-500转盘和D-500解码,这套老组合现在依然很有韵味。音箱当然用锐榜B501,以及一对Guru Junior书架箱。两对音箱我交换着听,再加上朱利达JD202 BRC功放作参考,去探索P12的功力。虽然P系列是为了锐榜的音箱而开发,但也不是只能搭配锐榜,它搭配其他品牌的音箱也有不错效果。先说说Junior,这对音箱并不算好推,低频虽有不俗质量但不容易出来,适合搭配大功率的功放。我本来并不看好小功率的P12推动Junior,但结果有惊喜,低频能量足,而且低音提琴、贝斯、鼓这些低音乐器有不错的质感。我听《罗马松树》后半段,最后有一段层层递进的合奏,每一层递进都有一次大能量的迸发,低频发挥一般的音响表现不出这个层次,而Junior和P12就表现了出来。低频到位同时声音也通透,透亮醇美,令人陶醉。P12本身味道不重,搭配中性到偏厚的音箱都没问题。

与B501完美配合

锐榜B501和P12的搭配是官配了,两者当然有着化学反应。P12将B501的实力完全体现,让这对“相貌平平无奇”的B501发出令人惊讶的好声音。同样的一段《罗马松树》,B501表现出良好的层次感,能量感很大,我更喜欢的是在大能量、重低频之下保持的清晰感,乐器细节表现优秀,而且与层次感息息相关的声场纵深也是表现出色,营造出一个宽大而立体的现场。如果是桌面Hi-Fi使用,音量不会开很大,这低频层次感在1/3音量左右就可以体现,不需要扭得很大,而把音量加大,能量充满房间,P12作传统摆位还有不少余力,两种用途都不错。听Felix Ayo版《四季》,小提琴的线条感优美,声场定位理想,低音部分细节清晰,泛音也是饱满,速度和高频延伸令人满意。P12搭配B501播放爵士人声也很讨喜,低频下潜充分,人声饱满亮泽,扎实稳重的声音听上去真实自然,而透明亮泽的音色营造出不俗的环境氛围,有很好的空间感。P12和B501的组合加起来不到万元,但两者相辅相成全力发挥,确实是物超所值。

值得一提的还有耳机口。我将HIFIMAN SUNDARA接入P12,开声的时候我还以为我设错了音箱出声,因为声场的距离和包围感并不像来自耳机。查看之后发现我并没有接音箱,我所听到的确实是SUNDARA的声音,这又是一大惊喜。SUNDARA的声音推好和没推好差别很大,而且还不是大功率就可以,还需要些“缘分”,P12就是那“有缘”的耳放,声音通透开扬。SUNDARA是低阻耳机,听起来底噪也不明显。

总结

PSAUME P12有模拟输入、数字输入、蓝牙输入,搭配B501可作桌面音响,也可作传统Hi-Fi摆位。搭配B501十分神奇,是非常值得推荐的组合。而P12本身12W的功率推动书架箱效果本身就不错,耳放也加分不少,不可错过。

技术参数: ■ 输出功率(4/8Ω):12W+12W ■ 适用耳机阻抗:32Ω~600Ω ■ 整机频响:20Hz~40kHz(-1.0dB) ■ 谐波失真:0.5%(1kHz) ■ 信噪比:75dB ■ 输入灵敏度:220mV ■ 输入阻抗:100kΩ ■ 使用电子管:6N3x2、6P6Px4 ■ USB:16bit/48kHz ■ 同轴/光纤:24bit/192kHz ■ 蓝牙:4.0,支持aptX、SBC、AAC

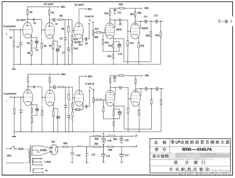
DIY 做一台带LP放大的前级放大器(附电路图)

随着人们对音乐艺术欣赏水平的不断提高,LP黑胶唱片这种古老的音乐载体又重新得到了广大音乐爱好者的青睐,但是,现代大部分音响设备中却没有设置LP输入接口和放大这一功能,大家也都觉得非常无奈,而且如想要单独购置这样一个称心的设备,其价格又十分昂贵。出于上述原因,笔者将最近自己设计制作的一台LP唱放设备毫无保留地介绍给大家。

一直懒得动手,今年国庆期间本人终于下了决心,准备设计制作一台带LP放大的前级放大器,这次我的设计思路是体积尽量小巧,但出于发烧,电源变压器及扼流圈总是无法缩水,所以该机壳本人还是采用了一块21,5CMX30,5CM厚度为2MM的铝板作为机壳板,机壳高度为5,5CM,面板制作时首先要把所有的孔用钻床全部钻好见图:1。

图:1

然后我对它再进行金属表面拉丝处理,处理方法是用180目的砂皮对它进行单方向打磨,主意:一定要戴好手套,以防手汗或水印渗入铝板,打磨好之后的效果见下图:2。打磨好后一定要马上用透明树脂漆封掉,以免氧化。

图:2

侧面和前面板采用胡桃木加工而成,见图:3

图3

至于LP放大电路,由于一般我们常用的是MM拾音唱头,它的输出信号只有30左右毫伏,而且还需要对它进行RIAA曲线补偿,使信号各频段能得到均衡地放大,要放大如此小的信号,为了避免噪声一般爱好者都采用的负反馈式RIAA补偿网络(如马兰士7),但本对负反馈电路用于高保真音频放大总是耿耿于怀,对它既爱又狠,因为它虽然能降低噪声、稳定电路性能、提高技术指标,但对声音的开扬度有一定的压缩作用,这个设计思路本人准备放弃。所以这次本人决定大胆地尝试,产用了RC衰减式RIAA网络补偿电路,分别有R8、R9、C6、C7组成,关于RIAA的网络补偿的时间常数和阻容元件参数的具体设计请参阅相关书籍,在这里不再赘述。我想只要元器件质量可靠,只要电路设计与布局合理,噪声问题还是能够控制在一定范围的,具体电路见图4。

图4

本机的LP放大部分电路采用了三只美国双三极管电子管12AX7A,本人采用是雷神公司的东西,分别对LP的左右声道各级信号进行放大、RIAA补偿及输出处理,每个双三极管的二个管子都分别负责左右声道的信号处理和放大,为了提高放大倍数,前二级均产用共阴极放大,第一级放大倍数约为70倍,约37DB,于加入了RIAA的RC衰减式均衡网络,这个衰减过程约需要损耗大于20db的信号,所以这一级的放大倍数约只有29db,第三级为了降低输出阻抗,接成了阴极输出器,它的放大倍数是小于等于1,约0.9倍。所以该放大器的总增益可达65DB。CD前置放大部分产用美国GE公司的6AU6和6V6GT电子管,而且是均为共阴极放大器,三极管接法,该二级放大器的增益约为35DB,可轻易地做到10V以上的输出电平。

扼流圈的制作,

说实话一般产品机为了节约成本电源滤波部分大多采用π型CRC滤波,但作为DIY为了追求HIFI就必须要用CLC滤波,那么用CLC滤波就必须使用到扼流圈,笔者手头就利用早期报废的电脑显示屏中的电源变压器(是进口的),当然后期的电脑显示器大多使用开关电源故无法利用。经过测量电源变压器是好的初级为220V,次级16V,当我拆开一看其铁芯质量极好,钢片厚薄为0.35MM,叠厚2.5CM,舌宽1.9CM,而且初次级是单独绕制的可以分开绕制,绕制时可用0.21MM线径一绕到骨架绕不下为止,这时它的电感量刚好约10H

,电流可达100MA。

电源变压器的绕制

笔者手头正好有一只闲置的从德国二手设备上拆下来的电源变压器根据铁芯,体积大小用来绕制前级电源非常适合,于是拆开线包罩子一看原来是正宗西门子的东西,线包王字架结构,硅钢片极薄,仅0.27MM,叠厚4.3CM,舌宽2.25CM,奇怪的是这种铁芯片子的结构非常特殊,是一体化的“日”字形结构,根据我保守估算铁芯功率在65W左右,刚好符合胆前级变压器的要求,具体见下图:5。

图:5

可惜这种变压器只有一个,如有二个的话用来制作输出变压器那绝对是一流的,现在也只能用它来制作电源变压器了,为了出好声,值!设计时次级电压2*300V/100AM一组,2*3.15V/2.4A一组,5V/2A一组,线径分别用0.17MM、1MM、1MM绕制,匝数分别为,初级每伏4匝0.42线径836匝(效率安95%计算),次级1140*2(2*300V)匝,24匝(6.3V),19匝(5V),绕制线时一定要戴好手套,以防手汗接触到漆包线,否则容易腐蚀漆包线,绕制变压器是一个比较费工时的事情,但为了HI-FI是值得的,而且自己绕的也放心啊。见图:6

见图:6

电阻电容的选用

要做好一台高质量的LP前置放大器,除了上述电路设计和制作优质的变压器及扼流圈以外,电阻电容的选用也极为重要,要选择适当的电阻也是极为费时的事,尽管本人的电阻库存量极为庞大,但还是浪费了我不少时间,本人选用的电阻基本上都是选用美了国的DALE电阻和大红袍金膜电阻,一些国产的金属氧化膜电阻尽量不要去用它,因为它的可靠性非常差,特别是关键部位的电阻一定要选择一定的功余量,如;6V6GT上端的屏极电阻R21,按理论上来说功率只要4.5W就足够了,但实际使时我产用了三个2W/22.4K的DALE电阻并联,这样足有6W的功率,可是工作时还是非常炀手的,后来不放心,还是采用了美国10W/7.5K的DALE电阻,这样做成本虽然高一些,但可靠性得到极大的提高。

电容的选择

由于笔者电源部分是采用电子管整流,所以,第一级CLC中的π型滤波电容的容量设计时不能过大,否则会缩短整流管的寿命,因为现在好的古董整流管的价格已经被炒得非常高了,值得保护。但我也常看到一些成品机上所使用的容量非常大,有时甚至达到数百UF的电解电容,这实际上是不允许的。在这里我选用的是德国楞次公司(现在已经改为德国电信公司)出品的ITT16UF无极性聚丙烯电容,这种电容高频损耗极好,这样对高频的细节是极为有利的。第二级的滤波电容,我是通过几轮的实验最终我选择了二个英国的BHC ALS-20系列的电解电容,这种电容的特点是低频表现特别丰满,为了进一步提高高频的细腻程度,在这个二电容二端再分别并上二个0.22UF的RIFA830小电容器。放大器中的各级耦合部分我分别采用的是:美国的Black Cat(是胶木封装的那种)和瑞典的Rifa电容,输出电容采用了美国的Western-Electric锡膜电容,总之还是用了重料的。另外,还有一个重要的问题必须说明,那就是RIAA网络补偿电路中使用的电阻电容,必须要经过精准配对,数值一定要精确,其中的C6和C7分别是2200P和6800P,电容最好要选择云母电容,以保证补偿后的输出频响特性曲线能得到完美而平直,笔者这次就是选择了云母电容,因为云母电容的容量是相当稳定的。整机的装配笔者全部采用搭棚焊接,而且基本上使用元器件的自身引脚作连接,其余部分使用西电麻布线,搭棚焊接尽管功夫深了一些,但对音效的提升是极为有利的。

装配完毕后,通过仔细检查确保接线无误后,插上全部电子管,先将功能开关调至LP位置,在无信号输入状态下通电试听,静态噪声令人非常满意,当音量旋钮到12点位置,在一米以外已经基本听不到噪声,这样的状态已经达到了我的预期目的了,毕竟RIAA电路采用的是RC衰减式,略有些噪声也属正常.然后当功能切开关换到CD状态时背景噪声十分宁静,听不到半点噪声。至于声音的表现我不想用更多的形容词来描写,总之,一定会使你一听钟情,百听不厌。完工后外观见图:7,正在演译中。

图:7

相关问答

6c6d 电子管参数 ?

束射功率四极管6P6系玻璃外壳八脚管,其阳极极限耗散功率为12W,用于A1、AB1类功率放大。6P6P与6V6-GT相似,可以互换使用。热丝加热UH…………………………6...

6v6 g 电子管参数 ?

6V6G是一种直接加热的电子管,常用于放大音频信号。以下是一些常见的参数:-电压放大倍数(Mu):14-额定灯丝电压(直流):6.3V-额定灯丝电流(直流):0.45...6V6G...

电子管 12ax7推 6v6gt 但声小,怎样办?

6V6阳极电压250V,阳极电流45mA,栅负压12.5V,灯丝6.3V。满足以上工作条件后功率还是明显小的话,看看前级推动能力是否不足?检查前级各个工作点电位,交联电容...

6v6电子管 音质怎么样?

6v6电子管是相当不错的胆机功放管,用它做功放机优点是输出功率大,噪音小。尤其是推挽输出更是锦上添花,。不但交越失真度会更小,而且输出功率可以满负荷工作...

曙光 电子管6V6GT 与俄罗斯EH6Ⅴ6,美国RcA6Ⅴ6哪个更好?

美国的音色比较硬声底比较干净,国产的温暖些,音色略显得丰富。总体都不错,罗卜白菜各有所爱。美国的音色比较硬声底比较干净,国产的温暖些,音色略显得丰富。...

电子管 后级功放好吗?

答:电子管后级功放是相当好的,后级功放效果比较好的胆机功放机的后级也就是输出级的电子管型号比较多。比如小功率的有6p1、6p14、6v6GT、6L6、6p3p等,输出...

电子管6v6 和6p6p哪个好?

电子管6v6好。6v6电子管是相当不错的胆机功放管,用它做功放机优点是输出功率大,噪音小,音质纯厚、饱满。尤其是推挽输出更是锦上添花,。不但交越失真度会更...

6v6电子管 gm和ge那种好?

美国的音色比较硬声底比较干净,国产的温暖些,音色略显得丰富。总体都不错,罗卜白菜各有所爱。美国的音色比较硬声底比较干净,国产的温暖些,音色略显得丰富。...

6v6电子管 哪款好。比如美国RCA和国产电工牌相比,那个好些?

美国的音色比较硬声底比较干净,国产的温暖些,音色略显得丰富。总体都不错,罗卜白菜各有所爱。美国的音色比较硬声底比较干净,国产的温暖些,音色略显得丰富。...

美国RCA6sk7是什么用途的 电子管 ?

6SK7,遥截止五极管,管座为8脚,常用于电子管收音机的中频放大电路中。老式大8脚五灯j电子管收音机常用的五只电子管分别为5Y3(5Z2P)整流管、6V6(6P6P)功放管、6...

标签:

相关阅读