电子平衡电桥应用 电桥的作用是什么?

小编头像

小编

管理员

发布于:2026年04月14日

110 阅读 · 0 评论

电桥的作用是什么?

  在电子电路中,经常听说个电桥这个词,工程师们使用电桥电路测量电路连接情况,测量精准,方法巧妙使用方便,得到了广泛的应用。今天这篇文章将为大家详细讲解关于电桥的作用是什么?

电桥的作用

  一、电桥的作用

  电桥一般指的是惠斯通电桥,是一个由4个电阻组成的用来测量其中一个电阻阻值(其余3个电阻阻值已知)的装置。4个电阻组成一个方形。一电流表连接两个相对的接头,一电流表连接其余两个相对的接头,当电流表显示无电流通过,则电桥处于平衡状态。

  电桥的主要作用是测量各类带有电感特性设备的直流电阻测试,特别适用于大型电力变压器,互感器的直流电阻的测量;测量简单、迅速、操作一目了然。把电阻片的电阻变化率ΔR/R转换成电压输出,然后提供给放大电路放大后进行测量,它是一种电阻测量工具。电阻电桥的工作方式有两种,单臂工作和双臂工作。单臂工作中只有一个臂接入被测量,其他三个臂采用固定电阻;双臂工作情况下,如果电桥两个臂接入被测量,另两个为固定电阻就被称为双臂工作电桥,又被称为半桥形式,果四个桥臂都接入被测量则称为全桥形式。

  二、电桥的原理

  如图,假设四个电阻固定,当S闭合时,若满足:“R3*R2=R1*R4”,即对角的电阻乘积相等,则此时Ucd等于0,就是cd间没有电压。利用这个原理,当等式两边四个量中的一个为未知量的时候,如果调节其余的三个值能使得等式成立,那么用公式就可以得到未知量。

  但是实际上只要等式两边各有一个可以调节的可变电阻,那么另外两个电阻有一个是定值,则余下的另外一个必然可以得到。用这个原理可以做成电阻测量箱,而这个原理用的就是“电桥”的概念,或者说“平衡电桥”的概念。

电桥的使用技巧

(此处已添加圈子卡片,请到今日头条客户端查看)

电桥是利用比较法测量电路参数的仪器,具有很高的准确度和灵敏度。它可以用来测量电阻、电容、电感和电路的参数。电桥可分为测量电容、电感等交流参数的交流电桥和测量电阻等直流参数的直流电桥两种类型。其中直流电桥又可分为单臂电桥和双臂电桥两种。

单臂电桥

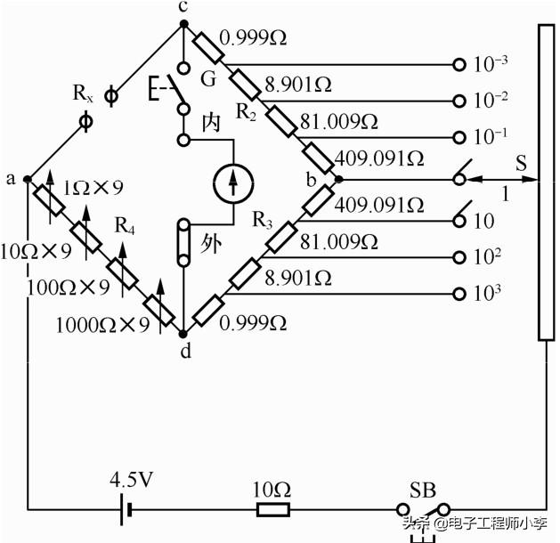
直流单臂电桥又称作惠斯登电桥,是一种测量 1Ω以上中值电阻的比较精密的测量仪器。单臂电桥的测量原理如图2.1所示。在此以QJ23a型直流单臂电桥为例,介绍它的结构和使用方法。

图2.1中,被测电阻Rx和R2、R3、R4这3个已知电阻连接成四边形。4个电阻的连接点a、b、c、d称为电桥的顶点;由这4个电阻组成的支路 ac、cb、ad、bd 称为桥臂。在电桥的 a、b 两个顶点之间(一般称为电桥输入端)接一个直流电源,而在电桥的c、d两个顶点之间(一般称为电桥输出端)接一个指零仪(检流计)。当电桥电源接通之后,调节桥臂电阻R2、R3和R4,使c、d两个顶点的电位相等,即指零仪两端没有电位差,其电流Ig=0,这种状态称为电桥平衡。

当电桥平衡时,有:

图2.1 单臂电桥的电路原理图

式(2-1)中,R2/R3称为电桥的比率臂,电阻R4称为比较臂。当电桥平衡时,可以由R2、R3和R4的电阻值求得被测电阻Rx。为读数方便,制造时,使R2/R3的值为十进制倍数的比率,如0.1、1.0、10、100 等。这样,Rx便为已知量 R4的十进制倍数,便于读取。用电桥测电阻实际上是将被测电阻与已知的标准电阻进行比较来确定被测电阻值,只要比率臂电阻和比较臂电阻R2、R3和R4足够精确,Rx的测量准确度也就比较高。

直流单臂电桥的准确度分为0.01、0.02、0.05、0.1、0.2、0.5、1.0、2.0共8个等级。

由于式(2-1)是根据Ig=0得出的结论,所以指零仪必须采用高灵敏度的检流计,以确保电桥的平衡条件,从而保证电桥的测量精度。

1.主要技术指标

(1)量程

1~1111×104Ω。

(2)误差

±0.1%。

(3)主要参数

主要参数见表2.1。

表2.1 QJ23a单臂电桥参数

(4)指零仪电流常数

指零仪电流常数一般为<6×10−7A/mm。

2.前面板位置图

QJ23a单臂电桥前面板位置图如图2.2所示。

图2.2

图2.2中各部分的含义如下。

① 外接工作电源接线柱。

② 指零仪指示表头。

③ 电源选择开关。

④ 量程倍率读数开关。

⑤ 外接指零仪接线柱。

⑥ 指零仪选择开关。

⑦ 工作电源按钮开关。

⑧ 指零仪按钮开关。

⑨ 被测电阻接线柱。

⑩ 标度盘千位读数开关。

⑾标度盘百位读数开关。

⑿标度盘十位读数开关。

⒀标度盘个位读数开关。

图2.2 QJ23a单臂电桥前面板位置图

3.使用方法

① 指零仪选择开关拨向“内接”,将指零仪指针调至零位。

② 估计被测阻值,然后根据表2.1 将量程倍率读数开关转动到适当数值。

③ 按下“B”按钮与“G”按钮,并调节测量盘旋钮,使指零仪指针重新回到零位。

Rx= (量程倍率读数) × (标度盘示值)Ω

例如:量程倍率在×10挡位,标度盘千位、百位、十位、个位读数开关分别为4、1、7、0挡位,根据公式,Rx= (量程倍率读数) × (标度盘示值)=10×4170=41700(Ω)= 41.7(kΩ)。

④ 在测量10kΩ以上的电阻时,可外接高灵敏度指零仪,电源电压可以相应提高,但不得超过表2.1所示数值。

4.注意事项和维修保养

① 测量电感电路的电阻(如电机、变压器等)时,应先按“B”按钮,再按“G”按钮;断开时,应先放“G”按钮,再放“B”按钮。

② 外接电源时,电源选择开关拨向“外接”,电源按极性接在接线柱上。

③ 如果电桥长期搁置不用,应将电池取出。

④ 仪器长期搁置不用,在接触处可能产生氧化,造成接触不良。为使接触良好,应涂上一薄层无酸性凡士林,予以保护。

⑤ 电桥应放在环境温度 5~35℃、相对湿度 25%~80%的环境内,室内空气中不应含有能腐蚀仪器的气体和有害杂质。

⑥ 仪器应保持清洁,并避免阳光暴晒和剧烈震动。

⑦ 仪器在使用中,如发现指零仪灵敏度显著下降,可能是因电池寿命完毕引起,应更换新的电池。

双臂电桥

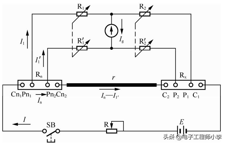
直流双臂电桥又称凯尔文电桥,它是测量小电阻(1Ω以下)的精密仪器。双臂电桥的测量原理如图2.3所示。图中Rx是被测电阻, Rn是比较用的可调电阻。Rx和Rn各有两对端钮,C1和C2、Cn1和Cn2是它们的电流端钮,P1和P2、Pn1和Pn2是它们的电位端钮。

接线时,必须使被测电阻Rx只在电位端钮P1和P2之间,而电流端钮在电位端钮的外侧,否则就不能排除和减少接线电阻与接触电阻对测量结果的影响。可调电阻Rn的电流端钮Cn2与被测电阻Rx的电流端钮C2用电阻为r的粗导线连接起来。R1、R'1、R2和R'2是桥臂电阻,其阻值均在10Ω以上。在结构上把R1和R'1以及R2和R'2做成同轴调节电阻,以便改变R1或R2的同时,R'1和R'2也会随之变化,并能始终保持:

图2.3 双臂电桥的电路原理图

测量时接上Rx,调节各桥臂电阻使电桥平衡。此时,因为Ig=0,可得到被测电阻Rx为:

可见,被测电阻Rx仅决定于桥臂电阻R2和R1的比值及比较可调电阻Rn,而与粗导线电阻r无关。比值R2/R1称为直流双臂电桥的倍率。所以电桥平衡时:被测电阻值=倍率读数×比较可调电阻读数。

提示

为了保证测量的准确性,连接 Rx和 Rn的电流端钮导线应尽量选用导电性能良好且短而粗的导线。

只要能保证

,R1、R'1、R2和R'2均大于10Ω,r又很小,且接线正确,直流双臂电桥就可较好地消除或减小接线电阻与接触电阻的影响。因此,用直流双臂电桥测量小电阻时,能得到较准确的测量结果。在此以QJ44型直流双臂电桥为例,介绍它的结构和使用方法。

1.主要技术指标

(1)总有效量程

0.0001~11Ω,分5个量程。

(2)允许误差极限

电桥的参考温度为20℃±1.5℃,参考相对湿度为40%~60%;电桥的标称使用温度为20℃±10℃,标称使用相对湿度为25%~80%。在参考温度和参考相对湿度的条件下,电桥各量限的允许误差极限为

式中:Elim——允许误差极限,Ω;

X ——标度盘示值,Ω;

C ——等级的指数值;

RN——基准值。

(3)主要参数

主要参数见表2.2。

表2.2 双臂电桥参数

注意:① 相对湿度在参考条件下,温度超过参考温度范围,但在标称使用范围之内,由于温度变化引起的附加差不应超过相应一个等级指数值。

② 温度在参考条件下,湿度超过参考相对湿度范围,但在标称使用相对湿度范围之内,由于湿度变化引起的附加差不应超过相应一个等级指数值的20%。

③ 电桥的工作电源为 1.5V(内附 1.5V 一号电池,6 节并联),晶体管放大器工作电源为6F22/9V(3节并联)。

④ 内附晶体管指零仪的灵敏度可以调节。在测量0.01~11Ω范围内,在规定的电压下,当被测量电阻变化允许在一个极限误差时,指零仪的偏转大于等于一个分格,就能满足测量准确度的要求。灵敏度不要过高,否则不易平衡,测量电阻的时间不易过长。

2.前面板位置图

QJ44型双臂电桥前面板位置图如图2.4所示。

图2.4 QJ44型双臂电桥前面板位置图

图2.4中各部分的含义如下。

① 外接工作电源接线柱。

② 指零仪灵敏度调节旋钮。

③ 晶体管检流计工作电源开关。

④ 滑线读数盘。

⑤ 步进读数盘。

⑥ 指零仪按钮开关。

⑦ 工作电源按钮开关。

⑧ 被测电阻接线柱。

⑨ 量程倍率读数开关。

⑩ 指零仪电气调零旋钮。

⑪ 指零仪指示表头。

3.使用方法

① 在电桥外壳底部的电池盒内,装入1.5V 一号电池(4~6节并联使用)和6F22/9V(3节并联使用),并联线内部已经连接好,此时电桥即能正常工作。如用外接直流电源1.5~2V时,电池盒内的1.5V电池应预先全部取出。

② 将被测电阻连接到电桥相应的 C1、P1、P2、C2接线柱上,如图2.5所示,A、B之间为被测电阻。

图2.5 被测电阻连接图

③ 将“B1”开关扳到“通”位置,晶体管放大器电源接通,等待5min后,调节指零仪指针指在零位上。

④ 估计被测电阻阻值大小,选择适当量程倍率,先按下“G”按钮,再按下“B”按钮,调节步进读数盘和滑线读数盘,使指零仪指针指在零位上,电桥平衡,被测量电阻按下式计算:

被测电阻值(Rx)=量程倍率读数×(步进盘读数+滑线盘读数)

⑤ 在测量未知电阻时,为保护指零仪指针不被打坏,指零仪灵敏度调节旋钮应放在最低位置,使电桥初步平衡后再增加指零仪灵敏度。在改变指零仪灵敏度或环境等因素的影响时,有时会引起指零仪指针偏离零位。

4.注意事项和维修保养

① 在测量电感电路的直流电阻时,应先按下“B”按钮,再按下“G”按钮;断开时,先断开“G”按钮,后断开“B”按钮。

② 测量0.1Ω以下阻值时,“B”按钮应间歇使用。

③ 在测量 0.1Ω以下阻值时,C1、P1、C2、P2接线柱到被测量电阻之间的连接导线电阻为0.005~0.01Ω;测量其他阻值时,连接导线电阻可不大于0.005Ω。

④ 电桥使用完毕后,“B”按钮与“G”按钮应松开。“B”开关应放在“断”位置,避免浪费晶体管检流计放大器工作电源。

⑤ 如果电桥长期搁置不用,应将电池取出。

⑥ 仪器长期搁置不用,在接触处可能产生氧化,造成接触不良。为使接触良好,应涂上一薄层无酸性凡士林,予以保护。

⑦ 电桥应放在环境温度 5~35℃、相对湿度 25%~80%的环境内,室内空气中不应含有能腐蚀仪器的气体和有害杂质。

⑧ 仪器应保持清洁,并避免阳光暴晒和剧烈震动。

⑨ 仪器在使用中,如发现指零仪灵敏度显著下降,可能是因电池寿命完毕引起,应更换新的电池。

(此处已添加圈子卡片,请到今日头条客户端查看)

相关问答

何谓 电桥平衡 ?实验中如何判断电桥平衡?_作业帮

[最佳回答]电桥电路中,桥支路的两个顶点的电势相等时,检流计中无电流通过,称为电桥达到平衡.判断电桥平衡的方法有二:一是反复通断G键,看检流计有无偏转(跃接...

电桥 电路在 平衡 时有什么特点_作业帮

[最佳回答]电桥电路一般地,被测量是非常微弱的,必须用专门的电路来测量这种微弱的变化,最常用的电路就是各种电桥电路,主要有直流和交流电桥电路.电桥...

请问在测直流 电桥 的时候,G——检流计是什么作用?

当电桥的两端电势不等的时候,就会在G流计两端产生压差,形成电流通过G流计.电桥平衡的时候,G流计两端电势相等,于是没有电流通过G流计,因此通过G流计就可判断桥...

【什么是电桥为什么 电桥平衡 ?】作业帮

[最佳回答]电桥电路中,桥支路的两个顶点的电势相等时,检流计中无电流通过,称为电桥达到平衡.判断电桥平衡的方法有二:一是反复通断G键,看检流计有无偏转(跃接...

【惠斯登 电桥 测电阻试验中两个滑动变阻器各起什么作用】作业帮

[最佳回答]其中一个滑动变阻器R,可以分为R1,R2,调节R,就可以调节R1/R2,也就是比率系数(K).另外一个滑动变阻器记为R0,R0作为比较臂,调节它,已达到电桥平衡.使...

万用表的 电桥 功能?

1、电桥:由电阻、电容、电感等元件组成的四边形测量电路。最简单的是由四个支路组成的电路。各支路称为电桥的“臂”。2、(1)测量原理不同:电桥是利用平衡...

【惠斯顿 电桥 的工作原理?】作业帮

[最佳回答]平衡时,检流计所在支路电流为零,则有,(1)流过R1和R3的电流相同(记作I1),流过R2和R4的电流相同(记作I2).(2)B,D两点电位相等,即UB=UD.因而有I1R1=I2...

伏安法和惠斯通 电桥 测电阻的优缺点!急在线急等··_作业帮

[最佳回答]惠斯通电桥是一种测量电阻的精密仪器,R1、R2、R、Rx为四个桥臂上的电阻,G为检流计,E为直流电源,K为开关.当调节电桥使检流计G上的电流为零时,电桥达...

电桥 法测量电阻的原理是什么?如何判断 电桥平衡 ? - 懂得

当结点间的电势相同时这时电桥处于平衡四个电阻时R1XR4=R2XR3电流平衡即通过调节比例臂与测量臂,似的电桥的桥臂平衡,此时桥两端电位相等,通常使用...

为什么应变片传感器大多采用 不平衡电桥 作为测量电路?_作业帮

[最佳回答]一、电桥输出受电压的波动及漂移的影响较小;二、电桥输出受环境因素(主要是温度)的影响较小;三、电桥容易校正零点.一、电桥输出受电压的波动及漂...

标签:

相关阅读