应用电子工程大全 干货|工程师必看五大经典NE555应用电路

小编头像

小编

管理员

发布于:2026年04月14日

111 阅读 · 0 评论

干货|工程师必看五大经典NE555应用电路

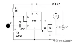
(一):NE555触摸定时开关

成电路IC1是一片555定时电路,在这里接成单稳态电路。平时由于触摸片P端无感应电压,电容C1通过555第7脚放电完毕,第3脚输出为低电平,继电器KS释放,电灯不亮。

当需要开灯时,用手触碰一下金属片P,人体感应的杂波信号电压由C2加至555的触发端,使555的输出由低变成高电平,继电器KS吸合,电灯点亮。

同时,555第7脚内部截止,电源便通过R1给C1充电,这就是定时的开始。

当电容C1上电压上升至电源电压的2/3时,555第7脚道通使C1放电,使第3脚输出由高电平变回到低电平,继电器释放,电灯熄灭,定时结束。

定时长短由R1、C1决定:T1=1.1R1*C1。按图中所标数值,定时时间约为4分钟。D1可选用1N4148或1N4001。

(二):NE555自动窗帘电路

该电路使用晶体管,集成电路和一个继电器的混合物,并且用于自动地打开和关闭的一对帘。使用开关S3还允许手动控制,使窗帘,只留部分打开或关闭。该电路控制一个连接到一个简单的滑轮机构的马达,以移动窗帘。

自动操作该电路可分为三个主要部分,一个双稳锁存器,一个定时器和一个换向电路。拨动开关S3确定手动或自动模式。如上所示的电路被绘制在自动位置,并操作如下。双稳态内置Q1和Q2以及相关电路和控制继电器的A/2左右。S1用于打开窗帘和S2,关闭窗帘。

在上电,简要正脉冲加到Q2的通过C2的基极。第2季将在,并激活继电器A/2。C3和R4的网络形成用于中继一低电流保持电路。继电器A/2是一个12V继电器与500欧姆的线圈。它需要稍微减流动比它操作它,保持它通电。

一旦继电器已动作时,通过线圈的电流是由R4减少,节省电力消耗。当Q2关断,C3将被解除,但在Q2被激活(无论是在开关电源或按S1),电容C3将通过继电器线圈充电非常迅速。初始充电电流足以激发通过R4继电器和电流足以使其保持通电。

(三):NE555水开报警器

水开报警器由温度控制电路、低频振荡电路和高频振荡电路等三部分组成。RP、RT和VT1组成温度控制电路。由IC1、R2、R3、C1组成的低频振荡电路,其强制复位端④脚受VT1控制。

IC2、R4、R5、C2等组成的高频震荡器,其强制复位端④脚受IC1控制。当水温达到一定温度时,RT阻值变小,VT1截止,IC1④脚为高电平,IC1开始振荡,输出低频脉冲,调制IC2组成的高频振荡器工作,发出滴-滴声。

(四):两款NE555三极管好坏鉴别仪电路

图中555、R1、C1构成多谐振荡器,555输出端③脚一路经R1为C1充放电,另一路经R3给VT1提供基极电压。当③脚为高电平时,C1被充电,同时VT1导通。当③脚为低电平时,C1经R1放电,同时VT1截止。

LED1、LED2、R5作为被测三极管C、b极电源电压,555的放电端⑦脚连接于被测管e极。设LED1为红色,LED2为绿色。当测量NPN型三极管时,红色发光管闪烁,说明管子是好的。

若红绿发光管都不亮,说明c、e极间开路,或b、c或者b、e极短路或开路。当测量PNP型三极管时,绿色发光管闪烁,说明管子是好的,否则说明c、e极间开路,或b、c或者b、e极短路或开路。

(五):NE555红外线遥控延时灯

现代家庭一般都有红外遥控器,我们可利用现有的遥控器控制一个红外遥控延时灯。图中H是一体化红外接收头,C1为滤波电容器,由于遥控器发出的是一串数字脉冲,因此经C1滤波后,得到一个负向脉冲使555单稳态电路工作。

以上图文内容均转载自订阅号:电子工程世界(微信搜索 eeworldbbs 关注)

欢迎微博@EEWORLD

如果您也写过此类原创干货欢迎将您的原创发至:bbs_service@eeworld.com.cn,一经入选,我们将帮你登上头条!

聚焦行业关注热点, 了解科技最新前沿

敬请关注EEWorld电子头条

手机访问:http://www.eeworld.com.cn/mp/wap

电脑访问:http://www.eeworld.com.cn/mp

与更多行业内网友进行交流请登陆EEWorld论坛。

电子技术:20个常用的模拟电路,电子工程师总结的经验精华,干货

模拟电路相信很多的电子电力技术人员都知道,而且非常熟悉,模拟电路广泛的应用在了计算机,自动化控制和电子电路中,一点都不夸大的说,模拟电路几乎贯穿着整个电子技术的发展,应用非常的普遍,今天我们就重点来看看常用的20个经典的模拟电路:

相关问答

清华大学电机 工程 应用电子技术 系怎么样?设有哪些专业? 申请方

[回答]~接下来我为大家简单介绍一下我们清华大学的电机工程与应用电子技术系开设的专业以及研究情况专业设置:电气工程及其自动化-本科学院简介:清华大学...

应用电子 技术与电子信息 工程 技术专业有什么区别?

应用电子技术与电子信息工程技术专业在某些学校或地区可能具有不同的名称和设置,因此具体的区别可能会有所不同。下面是一般情况下的区别:1.专业定位:应用电...

河南工学院 电子 信息 工程 学院怎么样?设有哪些专业? 申请方

[回答]~接下来我为大家简单介绍一下我们河南工学院的电子信息工程学院开设的专业以及研究情况专业设置:本科专业:电子信息工程、通信工程、光电信息科学与...

电子应用 技术与电子信息 工程 有什么区别?

电子应用技术和电子信息工程是两个相互关联但又有所区别的学科领域。下面是它们之间的主要区别:定义:电子应用技术强调的是电子技术在实际应用中的具体实现,...

电子 信息 工程 技术和计算机 应用 技术有什么不一样?

区别大了,计算机应用技术,以后更多的是和计算机编程,维护相关的工作。而电子信息工程技术,可以进入电子公司,从事电路板,或者软件方面的编程。区别大了,计算...

电气工程 及其自动化 电子 信息工程实际 应用 区别?..._电气工程...

电气工程及其自动化和电子信息工程都是涉及电子技术的领域,但它们的应用领域和重点有所不同。电气工程及其自动化主要涉及电力系统、电机与电器、自...

软件技术专业和 应用电子 技术,电子信息 工程 哪个好?

电子信息工程略好一点,更多的时候专业不是重要的,行业才是重要的,好多工作岗位招聘条件是相关或者相近专业都可以。女怕嫁错郎,男怕入错行!选一个适合自己或...

电子 信息 工程 和信息安全哪个更好?

信息安全总的说就是网络安全居多或者从事军事上的信息对抗,就是防病毒防网络入侵的。电子信息工程主要从事电路级研究,就是做出实现某些特殊功能的专用电路来...

电子 信息 工程 技术,数控技术,哪个比较好,哪个就业面广?

电子信息工程技术专业更好,就业面更广。电子信息工程技术专业拥有丰富的教育资源和强大的师资力量,教学质量非常好,就业前景非常好,就业面比数控技术专业更...

人工智能和 电子 信息 工程 哪个好?

人工智能是计算机科学的一个分支,它企图了解智能的实质,并生产出一种新的能以人类智能相似的方式做出反应的智能机器,该领域的研究包括机器人、语言识别、图像...

标签:

相关阅读