电力电子传动的应用 电力传动概况

小编头像

小编

管理员

发布于:2025年05月05日

87 阅读 · 0 评论

电力传动概况

电力传动概况

电机工作时,根据其控制的对象不同,有的需要在一定宽度范围内调速,有的需要在一定负载变化范围内稳速,有的需要以一定的要求加速和减速等。总之.电机传动需要满足控制对象机械运动的出力和速度要求。电力传动就是利用电力电子变流装置对电机的转矩和转速这两个主要参数进行调节控制,以满足控制对象的特性要求。典型的电力传动系统框图如图所示。

电力传动的电机通常分为两大类∶一类是直流电源供电的直流电机,另一类是交流电源供电的交流电机。还有一些与常见的交直流电机结构不同的特殊电机,统称为特殊电机采用直流电机进行转矩、转速的调节和控制的传动称为直流传动;采用交流电机进行转矩、转速的调节和控制的传动称为交流传动;采用特殊电机的传动,称之为特殊电机的电力传动。

直流传动和交流传动在 19世纪 90年代先后诞生。在20世纪的大部分年代里,鉴于直流电机具有对速度进行完全和便利的控制能力,高性能的传动都采用直流电机;结构简单、维护量少的交流电机由于转矩和转速的调节困难,只能用在大量的不需要调速的传动系统中。20世纪 80年代以后.由于矢量控制技术和直接力矩控制技术的发展为交流电机调速提供了理论依据,加之电力电子可关断器件的实用化,交流传动技术开始走向成熟,其优越性开始得到显现。到1995年左右,欧洲停止了维修量大的直流传动系统机车,开始全部生产交流传动机车。我国也于1998年提出了用10年左右时间实现从直流传动到交流传动的转换的铁路牵引传动产业政策。

电力传动虽然分为调速传动和不调速传动.但实际上关注的主要是调速传动。对于不能调速传动,电力电子技术主要解决电机的起动问题(软起动);对于调速传动1.中力电子技术不仅要解决好电机的起动问题,还要解决好电机整个调速过程中的控制问题,在有的场合还必须解决好电机的停机制动和定点停机制动控制问题。

调速传动最初是为了满足电机传动对象的需要,即机械运动性能的需要,如车辆的传动。车辆传动中,什么时候起动、什么时候调速、什么时候停车,都是根据线路要求和路况来决定的。随着能源的紧续和人们节能意识的增强,调速传动1经成为电机节能的主要手段如风机.水泵的调速已经相当普及。目的是为了节能。对于冈机和水委这样的离心、式负载通过调速来节能,有非常好的效益。如果转速降为 1/2.功耗将降为1/8。有资料显示,50kW 的风机或水泵,如果一年运行2 000 h,运行速度为额定值的75%,其调速传动装置的投资回收周期约为1.9年。

直流电机传动

直流电机,既可作发电机用,又可作电动机用。通以直流电而产生转动机械能的运行方式为直流电动机工作方式;施加转动机械能而发出直流电的运行方式为直流发电机工作方式。直流电机传动主要是电动机运行方式,即通以直流电,使电机按照要求输出转矩和转速。直流电机传动在制动时,电机可以是发电机运行方式,发出直流电,把旋转机械能变成电能回馈到直流电网中。

直流电机有两个独立的磁通源,且一般情况下两个磁通源相互正交(垂直)。一个磁通源用于建立电机主磁场,也称励磁磁通,由定子上的励磁绕组产生;另一个磁通源由转子绕组的电流产生。通以电流的转子绕组在主磁场作用下受力.带动转子旋转。转子绕组也称中枢绕组。转子电流也称电枢电流。这两个独立的磁通源口以独立控制,也口以某种形式的组合控制。

直流传动电机两端电压的调节根据供电电源是交流电源还是直流电源,分为 AC/DC的整流方式和 DC/DC.的直流斩波方式。对于AC/DC.的整流方式,电机两端电压的调节主要有相控方式和脉宽调制(Pulse Width Modulation,PWM)方式两种。如图所示是二极管全波整流桥、相控整流桥和 PWM整流桥三种 AC/DC 整流方式的电压波形的对比。

直流传动调速非常方便,但直流电机的电刷和机械换向器给直流传动带来了诸多不便和限制。首先,机械换向器和电刷的存在,给直流电机带来了很大的维修量和维修成本。其次是机械换向器虽然损耗和功率密度不大,但是对于换向器片间电压、换向电流和电机转速有严格限制。一般地,直流电机的最高电压限制在1 500 V左右,相应地,最大功率不超过800 kW。直流电机还不能用在化学腐蚀和易于爆炸的环境中。

交流电机传动

交流传动与直流传动一样,也是为了调节转矩和转速,但交流传动的转矩和转速调节比直流传动复杂得多。交流传动中般采用三相交流电源供电形式。交流电机一般分为异步电机和同步电机两种形式。异步电机也叫感应电机。异步电机的转子分为笼型和绕线式两类.都是由一些导体构成,本身没有磁场。

在异步电机的定子绕组中通过三相电流,产生一个旋转运动的磁场,电机转子导体在定子旋转磁场切割下会感应出电动热.从而产生转子电流。带电流的转子导体在定子磁场下受力,会带动转子跟着定子磁场旋转。但是转子的转速不能与定子的磁场旋转速度一样。否则,转子导体与定子磁场没有相对运动.就不能切割磷成线,也就不能感应出转子电动势了。这就是异步电动机的基本工作原理。

感应电机就是因为是步由 机的定子磷场与转子异步运动从而感应出电动热而得名。同步电机的转子与异步电机的不一样,同步电机的转子是有磁场的,要么外加励磁,要么采用永磁材料。在同步电机定子中通过三相电流,产生一个旋转运动的磁场,就带动具有磁场的转子一起运动.这相当干定子磁体吸引着转子磁体起运动。因此,定子旋转磁场的转速与转子的转速是完全一样的.同步的。异步电机与同步电机的定子结构差不多,都是通以三相交流电进行工作的。图所示是电力电子DC/AC三相逆变器驱动交流电机的示意图。

交流电机定子磁场的旋转速度与施加给定子的电流频率成比例关系。这样,电机的定子磁场转速可以折算成定子频率,一般用/表示。异步电机的定子磁场转速与转子转速之差称为转差。转差折算成频率称为转差频率,一般用f表示;显然,同步电机的转差频率为零。由此看来,对于同步电机.只能通过调节定子电压(电流)频率来实现转速的平滑调节;对于异步电机,除了调节定子电压(电流)频率外,还可以通过调节转差频率/来实现转速的平滑调节。

异步电机中通过调节转差频率/来实现调速的方法比较多。一是通过调节电机两端电压改变八来调速。这种方法对于风机和水泵类离心式负载比较适用,允许的转差频率可以大范围变化;这种方法对于恒转矩负载不适用,因为允许的转差频率变化很小。二是通过转子串联电阻改变/来调速。这种方法只适用于转子绕线式电机,且这种调速方法工作效率低,转差功率全消耗在串入的电阻上。为了提高工作效率,转子回路中不串入电阳,而是接入一个转差频率的功率变换装置,把这部分能量送回给电网。这种方法就是第三种方法,称为串级调速。四是在绕线式异步电机的转子中接入频率可调的变频器来调速,称为双馈电机调速。

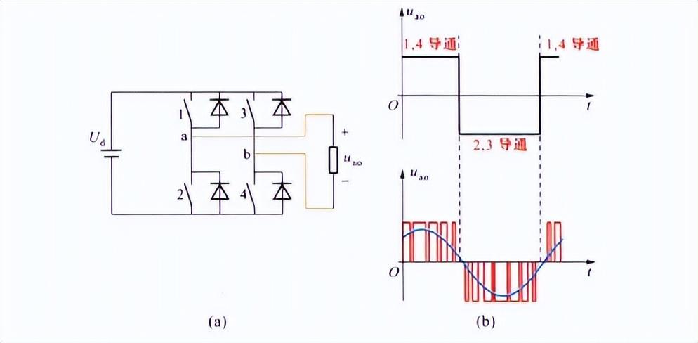
目前交流电机最为普遍的调速方法,无论是同步电机还是异步电机,都是通过调节定子电压(电流)的频率f来实现。如何来调节加载电机两端电压的频率呢?下面就以DC/AC 单相变换的逆变器工作原理来说明。如图 所示是单相逆变器的工作原理图。

图(a)是单相逆变器的主电路图。根据开关1、4和开关2.3的闭合断开时间的不同选择,可以获得图(b)上方所示的方波交流电压,也可以获得图(b)下方所示的正弦脉冲(SPWM)交流电压。显然,逆变器输出的电压频率是可以根据需要改变的。图所示是三相逆变器的主电路和三相输出电压波形。 三相输出 PWM电压通过滤波可以等效成三相正弦波电压。

图(b)下方波形和图(b)波形实质上就是1964年提出的分谐波控制的脉宽调制技术原理的应用。分谐波脉宽调制技术的基本原理是;面积相等而形状不同的窄脉冲加在具有惯性的环节上时,其效果基本相同。

因此,图中的(a)和(b)对应的每一等分的面积相等时,(a)和(b)电压加在具有电感的环节中产生的电流效果基本相同。显然,如果把图4-33中的(b)的脉冲列的宽度都成比例地减小到原来的60%,维持高度不变,则其等效的正弦半波电压的幅值也将只有原来的60%,如图所示。

根据 1964 年提出的分谐波脉宽调制原理,理论上,DC/AC变换的逆变器可以调制出不超过直流侧电压幅值的任意大小和任意形状的输出电压波形。对于交流电机,能改变电机定子电压的量只有三个;频率、幅值、相位。采用PWM调制技术.逆变器可以输出不同频率、不同幅值的等效正弦波电压,并且可根据需要随时调整该等效正弦波电压的相位角。

通过调节交流电机(异步电机或同步电机)定子电压频率/.来实现转速的平滑调节.就是现在经常讲的变频调速。 为了满足各种生产机械的需要,变频调速除了要调节定子电压频率外,还需要同时调节定子电压,以维持电机的转矩基本恒定。这就是交流电机VVVF (Variable-Voltage Variable-Frequency)调速。简单的 VVVF 调速采用维持电机定子端电压 U。

和定子频率、之比基本恒定来调速。U和I之比约等于电机的磁通。磁通量是个标量,所以常说的VVVF 调速就是Vf标量控制调速。

1972年,德国西门子工程师 Felix Blaschke 用英文发表了磁场定向控制(Field Oriented Control,简称 FOC)的论文《感应电机磁场定向的控制原理》(作者1971年用德文发表过),从理论上解决了感应电机可以像直流电机一样进行转矩和转速的瞬时调节控制的问题。由于电机的磁场做通势是有方向的,是个矢量。因此,磁场定向控制(FOC)也称为矢量控制(Vector Control,简称VC)。Felix Blaschke 的这篇文章现在是国际上公认的矢量控制技术的奠基石。

1985年 DepenBrock提出直接力矩控制(Diret Torque Control,简称 DTC)之前,与只能控制电流大小的 VI标量控制相比较而言,只有FOC是矢量控制技术。因此长期以来,矢量控制就成了FOC的代名词。

FOC 的解耦控制对电机参数的依赖性很强,而电机转子电阻在电机运行过程中变化最大。为了获得电机整个运行过程的优良的动静态特性,FOC. 系统需要对电机参数(特别是转子电阻)的变化进行辨识或补偿。自1971年至 1985年的十多年间,在一个控制周期内,既能元成坐标变换等复杂运算和控制。又能完成对电机参数进行部视等i运算的高性能微外理器还没有得到长足发展。因此FOC用干普通电机上.在当时难以获得很好的动静态特性。于是,在1985年,另一种控制思路,即 DTC 诞生了。

DTC.摒弃了对电机参数依赖性强的转子磁通势实施控制(即转子磁场定向控制),采取了只受电机定子电阻影响的定子磁通势控制。对定子磁通势进行控制,无法达到转子磁场定向的解耦控制效果。为此 DTC引入了转矩内环,通过转矩环来实现对磁链扰动的抑制,I达大至生矩利速度的解群老制由一对磁销的折动1机制 法用的是两行苦"丘 一丘"控制

即滞环控制.所以力矩和速度的解粗控制不是平滑的.即力矩和速度的控制是有脉动的。DTC通过转矩内环对定子电压实施"乓-乓"控制,相当于对定子电压的大小和相位实施控制,从而实现了速度和力矩的脉动解耦控制。因此 DTC也是一种矢量控制技术。

汽今为止,转子磁场定向控制(FQC)和直接力矩控制(DTC)是交流传动系统中两种典型的高性能电机调节控制方式,无论在一般工业领域还是在轨道交通中都得到了广泛的应用。

特殊电机传动

无论是直流电机还是交流电机,定子与转子之间都有气隙。电机要完成传动的任务,首先必须在电机定、转子之间建立气隙磁场。直流电机的气隙磁场在磁极下是均匀一致的;而交流电机的气隙磁场是成正弦波分布的,在旋转的磁极下看也是均匀一致的。在上面两小节中介绍的直流电机传动和交流电机传动中,气隙磁场都是大小不变的,且都是由电磁线圈通电产生的。这一小节将要介绍的几种电机传动,要么气隙磁场是永磁体产生的,要么气隙磁场是变化的。因此,本节介绍的电机传动称为特殊电机传动。

永磁无刷直流电机传动(PMBLDCM)。20世纪 80年代开发出钕铁硼永磁材料以来,在中小功率的传动应用中,采用水磁铁建立气隙磁场的电机传动更具优越的动力性能、更小的体积和更高的效率.故而越来越受欢评。如果押把有流电机的定千同酸磁极换成永酸体。

然后把定、转子互换,即把定子永磁磁极放到转子上,同时把转子绕组分布在定子上,这样就成了一台永磁直流电动机。由于转子绕组搬到了定子上,所以电刷和换向器就不需要了,所以习惯上称为永磁无刷直流电机。与普通直流电机对应,永磁无刷直流电机的转子磁场呈现均匀分布,定子绕组中则根据转子磁极的转动位置通以正方向或反方向的直流电。定子绕组中的电流控制由电力电子变换装置来完成。为了便于电力电子装置的控制,定子绕组一般分为三组或二相来控制,如图 所示。根据传动特性的需要,该电力电子装置控制定子绕组中直流电流的大小和方向。

永磁同步电机传动(PMSM)。把交流同步电机的转子励磁磁极换成永磁磁极就得到了水磁同步电机。表面上永磁同步电机与永磁无刷电机差不多,实质上差别很大。永磁同步电机的永磁转子设计成磁场呈现正弦分布,且定子三相绕组中通以普通同步电机一样的正弦交流电,由逆变器来控制正弦电流的大小和相位,如图所示。在实施控制时,永磁同步电机和永磁无刷直流电机的转子位置检测也不一样。永磁同步电机中,转子位置需要连续实时检测,需要高分辨率的位置传感器;而永磁无刷直流电机在一个控制周期内只需检测并提供6个位置信号即可。

同步磁阻电机传动(Syncrel)。钕铁硼等永磁体是通过充磁来实现的,这些永磁体在一定条件下会失去磁性,如高温,剧烈振动等。为了解决永磁转子失磁这样的问题,一种新的电机形式发展起来了,它就是磁阻电机。所谓磁阻电机,就是采用铁磁材料制成形状和磁阳有规律变化的生(定子)然后基于转子倾向于和定子磁证最大的位誉对齐(即搜索最小磁阻位置)这一原理制成的电机。

把水磁同步电机的永磁转子换成铁磁材料做的齿状转子。就得到—台同步磁阳电机。同步磁阻电机的定子绕组在定子和转子之间的气隙中生成一个空间正弦分布的磁场,而且在稳态条件下,转子与该磁场同步旋转。同步磁阻电机可以直接采用为异步电机开发的逆变器技术实现传动控制,但它的控制较异步电机简单,矢量控制时,前者不用对磁场矢量进行定位。同时,同步磁阻电机比异步电机有更高的效率和转矩密度。

开关磁阻电机传动(SRM)。开关磁阻电机的工作原理与同步磁阻电机一样,但它的结构设计比后者简单得多。开关磁阻电机的定子和转子均为凸极的双凸极电机,其定子的设计类似于直流电机的定子磁极设计,采用集中绕组∶转子设计成齿数(或称凸极数)与定子不一样的齿状凸极。

如图所示是定子12极、转子8极的三相开关磁阻电机及其控制示意图。为了实现连续旋转,定子每相电流根据转子的位置按一定的顺序开通和关断.转子位置的检测通过位置传感器进行。开关磁阳电机传动的优点是具有非常宽的调速范围和较高的效率,且鲁棒性很好。由于开关磁阻电机不是正弦波磁场分布设计,而是采用集中绕组和双内极定 、转子结构.所以其运行特征是高度非线性,常规的交流电机建模技术不能直接用来描述之。但是因为它这样的结构.它的噪声和转矩脉动比其他电机大。但可L以运行在环培条件很恶劣的场合,所以非常适用于航空航大系统传动中。

电力电子脉宽调制技术对电机传动的影响

1964年从通信领域引入到电力电子领域的脉宽调制(习惯称PWM)技术,大大促进了电力申电子技术在电力传动中的发展。在直流电压源供电的直流传动中.通过 PWM技术可以获得可变的直流电压幅值;在直流电压源供电的交流传动中,通过 PWM技术可以获得可变的交流电压幅值、频率和相位。

PWM技术供电电压不像真正的直流电压或正弦交流电压,PWM电压中除了要求的直流电压或正弦交流基波电压以外还含有丰富的谐波,其中电压的变化率很大,即 du/dt很大。电压型逆变器给电机供电还存在着另一个问题∶在电机中性点产生共模电压。正弦波电压供电的 du/d t非常低,对于2000 V/50Hz的电压来说,du/dt最大值只有0.2m√2(≈ 0.89)Vs;逆变器供电的电压 du/dt 与开关器件以及驱动电路有关,对于IGBT逆变器来说,通常为6 000~8000 Vμs,高的时候达到15 000 V/μs。

这么高的 du/dt 通过电缆线路加在电机上,会在电机的端部产生过电压。IEC34-17标准要求在 d/dr 在 500 V/us以内。虽然可以在变流器的输出端加上正弦波滤波器,但由于体积、重量、效率等各方面的要求限制,特别是在中大容量的电力传动中,往往是逆变器出来的电压直接通过电缆连接到电机上。这么高的 du/dt,会对电缆和电机的绝缘造成很大影响,甚至破坏绝缘。另外,正弦电压供电时在电机绕组的中心不产生共模电压;逆变器供电的PWM电压在电机绕组的中心产生共模电压。共模电压会在电机轴承上产生电晕放电,腐蚀轴承。

针对逆变器 PWM电压供电带来的问题,人们进行了很多研究,并提出了许多解决 PWM 谐波电压影响的办法。除了采取正弦波滤波器外,可以在输出线路上采用线路电抗器、PWM 电压 du/d 滤波器,还可以采取加强电机绝缘的办法.特别是在电机接线端子的绕组端部加强绝缘的办法防止电机绝缘击穿;可以采用如下办法减小共模电压带来的轴承电流影响;电机转轴接地系统,对轴水和轴竞进行绝缘,采用陶瓷轴承衬,采用法拉第底蔽层 也可以采用导电润滑机油来直接给转轴电压提供电流通路等。

电力传动主要应用领域

需要对电机的速度和力矩特性进行控制的场合,就有电力传动的应用,所以电力传动应用领域非常广阔。随着社会发展的更高需求,电力传动已经深入到社会生活的各个方面。

信息家电和IT业。信息化程度越来越高的家用电器中,电机传动系统也从简单的通断开关型发展成为变频调速型,如变频空调、变频冰箱等。还有录像机、VCD机、DVD机的电机传动,以及计算机内的 CPU 风扇和各种磁盘光盘驱动器等都离不开电力传动。

(1)机械加工设备 在计算机和网络的联系和控制下,把电机及其传动装置和各种传感器与机械紧密结合在一起,可以根据要求自由地控制,精度高,响应速度快,可以根据设计文档自动完成所需的机械加工。如加工中心数控机床。工业机器人,刀具库。自动化仓库等通过运输托盘和台车连接起来,在计算机指令和电机传动控制下,实现设计、加工、检测和装配自动化。

(2)起重机与输送机 起重机是搬运物料的机械设备,一般有多种动作,分别由起升,运行、变幅、回转等机构完成,经常通过多台电机传动来完成。它要求能迅速、平稳地起动和制动。且多台电机运行同步,以达到搬运物料的准确和安全起吊和着落。输送机是连续搬运各种物料的装置,各大商场里的自动滚梯也可以归入输送机范畴。双电机或多电机传动输送机时,要注意各电机的速度协调和合理分配功率。

(3)风机与水泵风机和水泵的用量很大.它们的总电量约与全国所有用由量的1/3. 风机和水泵的传动控制主要是为了改变电机的速度以节电节能。风机水泵的负载特性使得可以通过调压来调速,但现在市场上大量供应的用于风机水泵的变频调速器绝大多数是VVVF 控制的。现在市场上也开始供应调速性能更好的矢量控制变频调速器。

(4)电梯 电梯按照建筑物楼层的多少分为低速 快速和高速三种电核不管低速中速还是高速电梯.传动电机需要适应频繁起动和制动的要求。且要求噪声小,过载能力强。对电梯的控制要求是安全可靠、平稳舒适、平层准确,另外希望效率高、经济实用、调度运行合理。随着高层建筑的日益增多.每一高层建筑内都设置了多台电梯。为了缩短电梯候梯时间,提高总体运行效率和服务质量,通常将3~8台电梯编组管理,进行电梯群控。

(5)矿山机械 矿山机械包括矿山挖掘机、矿用自卸车和矿井提升机等为适应矿用挖掘机外载荷量变化频繁、振动和冲击载荷大、环境温差大等工作特点,要求传动系统具有良好的调速特性.堵转特性和环境适应能力。矿用自卸车采用两台电机分别驱动左右后轮 要求很高的可靠性和协调性,并能适应在振动大、灰尘大、温差大的恶劣环境下工作。矿井提升机是采矿业中联系井下和地面的主要运输工具,用于提升煤炭、矿石、人员、材料、设备等,其安全保护最重要。电机传动等所用的电器设备局符合矿山与煤矿的防爆、防尘等要求,还需有在紧急状态下或停电时的自动制动装置。

(6)金机械各类轧钢机及其辅助加工线在冶金工业中占有很大的比重 其电力传动与自动化水平举足轻重。总体上分为可逆热轧机、热连轧机、带钢冷轧机和可逆冷轧机四种。可逆热轧机单台电机容量可达8 000 kW 以上,转速为每分钟数十转,要求频繁快速正反转、高达3倍的过载能力。热连轧机为了保证连续稳定的轧制,不造成堆钢或拉钢现象,要对多台车机的速度进行协调控制带钢冷到机的主传动调速系统要求调速精度高 响应快 调速时各机架速度相对值保持不变。可逆冷轧机用于品种规格多的轧制。它工作时初始道次压下量大,轧制速度低,轧乳制力矩大;后面道次压下量小,速度高,力矩小。电机具有恒功特性,且恒功区范围宽。

(7)船舶 船舶传动以往主要是各种辅机,如舵机、锚机和系缆绞盘机、起重机和起货绞车等。近些年来在大力发展全电系统的船舶,特别是国防船舰系统。交流传动电力推进已经是船舶工业的主要发展目标,比如军用舰艇、破冰船 、拖船、电缆敷设船等。船舶电力传动系统要求能适应海上的工作环境∶冷却介质温度高、相对湿度大、盐雾腐蚀大、船舶低频振动和倾斜摇摆等。

(8)交通轨道交通几.平全部使用电传动。铁路内机车和电力机车吊然动力来源不一样,但都采用电传动技术,城市轨道交通全都采用电传动技术。由于交流传动技术的发展和成熟,自2000年以来,我国轨道交通都在大力发展交流传动技术。因为交流传动技术与直流传动相比,除了少维护和节能外,还有许多优点:

①在转向架有限安装空间内可以设置更大功率的电机.以适应高速或重载的需要;

②电机能在静止状态下任意的时间有高的起动力,利于复杂条件及重载的起动;

③可以在3倍左右的宽速度范围内实现恒功率输出.以适应多种运输要求;

④黏着系数比直流传动高 10%以上,容易控制列车发挥更大的牵引力。轨道交通传动中,几乎都采用异步电机传动。为了节约能源和减少环境污染,电动汽车也得到大力发思。电动汽车传动中.除了异步电机外。高效率和高力知性能的永磁无刷由机也很

受青睐。现在城市轨道交通中,直线电机交流传动也得到广泛关注,如北京地铁机场线和广州地铁4号线等,还有上海磁悬浮线路也是直线电机的交流传动。

(9)其他领域 医疗器械、食品加工和石油机械等也大量使用电机传动。如石油钻井平台、管线、石油精炼等。钻井平台中的钻井绞车、转盘和泥浆泵等需要调速运行,管线电机需要多台控制加调速实现流量控制,石油精炼要求恒速运行居多。

电力电子技术的主要应用领域

电力电子技术的主要应用领域

电源设计中的电力电子技术

现代计算机和通信等都依赖于开关模式变换器的直流电源,这些电源装置可以是笔记本电脑的电池管理变换器,也可以是服务器簇的冗余供电的多变换器电源,或是程控交换机的电源。它们具有多路独立输出、多电压等级的特点,以供给计算机及其外设和显示屏之需。这种小功率电源系统的设计也处处渗透着电力电子技术的最新成就。

分布式供电技术。给计算机系统供电的分布式结构电源.包括个离线式有源功率因数校正(PFC)电路和后级的不同负载点的多个DC/DC.变换器。这种结构因使用中间电压级来进行功率分N而不同干传统的隆压功率变换结构。近期会采用12V的电压总线或 48V 的电压总线,通过各 DC/DC. 变换器把能量传递到各独立的功能板或子系统中。

高动态响应、低电压(2 V以下,甚至1V以下)输出的高性能计算机电源系统正在开发之中。这就需要高功率密度、低功耗、高效率的性能指标,以及同步整流、多相多重、板上功率变换以及板级互联等新技术。到 2004年初,国外实验室已开发出70 A/1.2V、效率87%的局性能电源。在不久的将来,一种更先进的芯片级的互联技术和功率变换技术将会出现在世人面前。

通信工业是供电电源和电池的最大用户之一,使用范围从无绳电话的小电源到超高可靠性的后备电源系统。例如,维持中央办公区电话网络通信的典型电源系统是一个5kW的功率变换器,它由一个前端离线功率因数矫正(PFC)升压变换器和两个2.5kW 的前向变换器组成。前端离线 PFC升压变换器确保电源系统的可靠供电.后端的前向变换器给电话系统直流48V的配电总线提供大电流输出。该领域甚至有其自己主要的年会——国际通信能源会议(INternational TELecommunication Energy Conference,INTELEC)。

太空中电能的产生和储存都很困难,电源在设计上的限制,诸如重量、效率和可靠性等的严格要求,可以说把对电力电子技术研究的努力推向了极致。

太阳能申池、料申池、执申核能,申池组和飞轮,是卫屋和太空探测器的主要电源和储能装置。在绝大多数情况下,因这些电源功率小日电特性不稳定,因此必须应用电力电子技术把这些能源转换成可用的形式,才能满足使用的要求。

现代太空电源系统非常庞大。例如,一个典型的通信卫星就装备有数百个独立直流电源,为每个网络节点提供最可靠的电能;国际太空站上,用以维持科学探索任务和生命支持系统的冗余电源和馈电设备异常复杂。在太空上。因为所有电能损耗的热量都通过辐射冷却的形式散发到太空中,这些电源系统在高温差和强辐射的环境下要确保其可靠性,其挑战性是巨大的.所以电源系统的热管理尤其重要。当今许多基本的由力由子变换由路 最初都是为太空系统设计的,如早期的DC/DC变换器和燃料电池,就是为20 世纪 60年代的太空计划而开发的.其中包括阿波罗登月计划。当今.美国航空航天局.欧洲的大空署,以及它们的主要技术供货商,都是先进电力电子技术的国际巨头。

电机传动中的电力电子技术

在 20世纪 90年代中期以前,大多数调速系统都由采用晶闸管和双向晶闸管器件的变换器供电,最典型的是晶闸管-直流电机调速系统。20世纪 70年代功率晶体管问世后,在功率等级较低的电机中逐步采用了功率晶体管变换器.以获得较好的申电机调速性能。20世纪 90年代中期以来,大功率IGBT的应用,以及 IGBT逆变技术的成熟和发展,迅速在相关功率等级的应用领域取代了晶闸管和双向晶闸管。早期的逆变器,主要用于步进电机.打印机,机器人以及磁盘驱动器等小功率应用中。在大中功率段常用的交一直一交逆亦器有两类。

IGRT变频器和GTO变额器。这些逆变器开始主要用于20~100kW等级的由机传动系统中。如电动汽车电机传动系统、电力机车的辅助传动系统。随着器件容量和装置功率的增加,逐步应用于容量为300~1 000 kW 及其以上的电机传动中,如地铁列车和高速电动车组的牵引传动系统中。由于装置功率大,低压时电流很大不经济,所以一般用中压(1~10kV)。这两种器件各有优缺山.IGBT开关频率高.但导通压隆和损耗大;GTO电压高,电流大,导通压降小.但开关损耗大、开关频率低。

但考虑到驱动等因素,总体上IGBT要受欢迎得多。针对IGBT和 GTO的优缺点,取长补短,开发出了IGCT(集成门极换向晶闸管),它的电压、电流、导通压降和 GTO相近,门极电压驱动,开关快、频率高,像IGBT。目前,商品化的IGBT逆变器已经做到1 000 kW以上,而像舰船潜艇一类的数千千瓦等更高容量的电机传动系统逆变器仍然须采用GTO 或 IGCT。IGCT逆变器在俄国和韩国已有应用,我国也已试验成功。三相逆变器在大功率电机中的真正实用化,极大地推动了交流电机调速的发展。

电力系统中的电力电子技术

电力系统是电力电子技术应用的一个重要领域。近年来电力电子器件和计算机技术的快速发展,使已有的研究成果和技术不断得到改善。最早成功应用于电力系统的大功率电力电子技术是高压自流输电(HVDC))。

1986年美国电力科学研穿院提出了灵活交流输由(FACTS)概念,相继出现了统一潮流控制器等多种设备。

1988年提出了定制电力(Customer Power)的概念。电力电子技术在电力系统中的应用,如在发电环节中的应用,包括大型发电机的静止励磁控制,水力、风力发申机的变速恒频励磁等。在输电环节中高压直流输电(HVDC)和轻型高压直流输电(HVDC Light)技术。近年来,轻型直流输电采用IGBT组成换流器应用在脉宽调制技术进行无源逆变;灵活交流输电(FACTS)技术是"一项基于电力电子技术与现代控制技术对交流输电系统的阻抗、电压及相位实施灵活、快速调节的输电技术"。

在配电系统中的应用,如动态无功发生器、电力有源滤波器等,以加强供电可靠性和提高电能质量。电能质量控制既要满足对电压形率,谐波和不对称度的要求。又要抑制各种瞬态的波动和十扰。电力电子技术和现代控制技术在配申系统中的应用.是在FACT各项成敦技术的基础上发展起来的电能质量控制新技术。

汽车工业中的电力电子技术

汽车工业领域已成为电力电子技术的主要增长占之—。现在人们习惯上说的治车由子实际上就是汽车工业中的电力电子技术。电力电子在新一代汽车上主要应用于以下方面;用电力电子开关器件替代传统的机械开关和继电器;用电力电子控制系统对车上负载进行精密控制∶利用电力电子技术改造原有的12V电源系统,使之成为多电压系统;使用适合电力申千控制的、更先进的驱动申动机。预计在不久的将来.从小功率的车窗 座椅控制。到大功率电传动系统,都蕴涵着电力电子技术的最新成就。

电子点火器,电压调节器,电动机驱动控制和音响系统是当前电力电子技术在汽车工业中最普遍的应用。现代汽车采用电子点火系统,要点燃气缸里的混合气体需要几千伏的电压,应用升压变换器和耦合变压器正在取代传统的火花塞。全电子控制的电助力驾驶系统正在某些车型上采用、这种系统应用电力电子技术控制电机,协助转动驾驶杆,改进了驾驶响应速度,降低了能耗,并消除了皮带传动的噪声,正在取代传统的皮带传动的液压泵。

电制冷空调系统也开始在汽车上装备。汽车头灯的强光灯和尾灯的高亮度LED灯也需要电力电子技术以有效的形式传递电能。一个重大的技术进步是要提高汽车电控系统的电压等级,近期将采用40-50 V等级取代目前的 10~15V等级。比如,汽车音响系统立体声功率放大器通常能传递 40W甚至更大的功率,但12V的供电电源在8 Q的扬声器上最大只能产生18 W的输出,采用电力电子升压变换器可给功率放大器电路提供更高的电压,使之达到家用音响的效果。

在电动汽车和混合动力汽车的主电气系统中.电力申子都起着决定件的作用。纯电动汽车具有高性能、零排放,低成本的优点.但目前仍受电池的阳限制。混合动力汽车采用各种各样的设计方案,把发动机和电驱动系统结合在一起,充分发挥各自的优点。两种汽车的能量控制单元都是逆变器和 DC/DC. 变换器,其容量在千瓦级以上。

采用更高电压、传递更大电流的新型充电器已经诞生。比如一种称为 Hughes 的感应充电器就很有新意。它使用一种类似乒乓球拍的不导电磁性拍板进行感应充电。该磁性拍板相当于变压器的一次侧,它把工频电压转变为80 kHz 的交流电。电动汽车中的充电埠相当于变压器的二次侧,它把高频交流电进行整流和调节.然后对汽车里的电池组进行充电电力电子技术更是电动汽车的核心技术之一,最为主要的是驱动电动机的电传动系统。汽车电传动系统通常由电力电子变换器、电池和控制系统构成。目前新型的电动汽车采用感应电动机,无刷永磁电动机开关磁阳电动机等多种形式.容量从几十到几百干瓦不等,正在逐步取代传统的直流电动机驱动。电力电子变换技术的发展为汽车的新型传动方式提供了坚实的技术保障。

绿色照明中的电力电子技术

照明是人类文明的永恒需求。电光源在 100多年里经历了"白炽灯一直管荧光灯—高压放电灯—节能荧光灯—无灯丝灯"等几代产品。

20世纪 80年代,随着电力电子变频技术的发展成熟,高频应用又促成某些更新一代电光源的诞生,从此,电力电子在绿色照明中开始占有重要的一席之地。可以说,照明技术的迅速变革,是电力电子技术在其中起了主要作用。

一个典型的例子是,紧凑型节能灯和电子镇流器的问世,吹响了以照明节能为核心的绿色照明的前奏曲。采用不同成分的稀土荧光粉可制成各种色温的气体放电节能灯,发光率比常规荧光灯提高一一倍,可以做成各种形状便干紧率安装,替代白炽灯T。可节电75%~80%采用电力电子技术做成的电子镇流器实际上是一个电子变频器(从50 Hz变换到30 kHz以上)加一个高频电感镇流器。

由于频率提高,di/dt 高,不再需要配置起辉器,在供电电压降低或环境温度较低的场合也能使灯管正常工作,此外,在几十千赫频率下消除了气体放电灯的烁和音颗噪声。 采用申子镇流器后,高频电感比工频电感重量减轻几十倍,节省材料 80%左右,灯管的实际工作寿命延长3~5倍.同时能提供更好的可靠性、更低的损耗、更高的亮度。由于电子镇流器体积小、反应快,它可以在照相机闪光灯和汽车灯等应用领域中使用。应该说,电子镇流器是电力电子高频化应用中的一个典型产品,许多的电力电子新技术——功率因数校正、谐波抑制、零电压开关、多种保护等都可以在高性能电子镇流器中得到应用而提高其可靠性和改善运行参数。

新能源开发中的电力电子技术

在全球气候变化和世界石油、煤炭等化石能源日益紧缺的今天,低耗高效和寻找开发新能源是根本出路,因而,可再生能源以及燃料电池受到世界各国的高度重视。再生能源是指可自行再生的能源,如日光能、风能、潮汐能、地热能以及生物废料能等。从燃料电池、微燃气轮机.风能,太阳能和潮汐能等新能源中得到的一次电能,难以直接被标准的电气负载使用.所以.将其高数而经济地转换为民生用电 。已成为先进科技国家兼环保和发电的重要产业政策。电力电子是解决能源问题的关键技术,它对新能源的开发、转换、输送、储存和利用等各方面发挥着重要作用。

太阳能发电站一般有两种方式。一种方式是把太阳能转换为热液体后再发电,如太阳能热电厂。由液体加热系统产生蒸汽以推动涡轮或发电机热厂中的热能位储存装置可保证连续发电;另一种方法是直接把太阳能转换为电能,太阳能光伏变频器把太阳能电池板获得的原始低电压直流电变换为所需要的交流电,或直接供负载使用,或将电能馈入市电。光伏发电有广大的市场发展潜力,先进国家不仅政策性地发展太阳能技术,而且立法制定法规来规范产业安全标准。太阳能电池板获得的电压大小和功率与许多因素有关,如太阳照射角度、云层遮挡水平、季节气候变化等,所以要对光伏发电的中间直流电压进行可调的升压变换处理。

随着再生能源技术的发展,"分布式发电系统"将得到事大的发展空间。所谓分布式发电系统是指∶借由诸如风力发电、太阳能发电.天然气发电等区域性发电系统连接而成的公共发电系统。微电子技术、电力电子技术应用于电力网络与输配电系统,形成一个智能型分布式再生能源网络。讲一步的发展是再生能源网络与信息网络结合形成个整合信自和电力网络的未来生活环境,实现电能的网络化。

相关问答

电力电子 与电力 传动 好就业吗?

就业情况非常好,电力电子与电力传动专业就业前景分析本专业适合到电力系统、电气工程及其相关领域的高校、科研单位及企业从事教学、研发、管理、生产等方...

电力传动 系统的主要类型?

电力传动系统主要有以下类型:直流电机传动:直流电机是一种将直流电能转换为机械能的装置,其工作原理基于安培定律和法拉第电磁感应定律。直流电机具有较好的调...

电力电子技术 有哪些优点说一下电力电子技术的优点!_作业帮

[最佳回答]电力电子技术应用领域很广泛,经常都是用弱点控制强电或者各种机器,比如说降压斩波电路可以拖动直流电动机,升压斩波电路可以传动直流电机.交流调功...

...动化专业以后出来工作可以干什么 - jjai10000 的回答 - 懂得

电气工程及其自动化专业的人可以从事很多技术类工作,比如电气工程师,电气助理工程师,售后技术支持,设备机器人调试等等。本专业毕业生可在高等院校...

电力 系统及其自动化和 电力电子 与电力 传动 哪个专业好一点?

电力系统及其自动化与电力电子与电力传动相比较,前者更具有优势,更有潜力。本专业毕业生有着广阔的就业渠道,因为自动化技术的应用广泛,其就业领域也五花八...

湖南工业大学研究生的 电力 系统和 电力电子传动 两个..._考研_...

从师资和就业方面来看,电力系统和电力电子传动两个研究方向都有各自的优势。就师资方面来说,电力系统研究方向的导师普遍具有较为丰富的实践经验和...

长春工业大学 电力电子 与电力 传动 怎么样?

电力电子与电力传动是电气工程及其自动化专业的一个方向,电气工程及其自动化这个专业很好,本科生如果是男生工作很好签,但是如果是女生就比较受歧视,一般这个...

电力 系统及其自动化与 电力电子 与电力 传动 那个专业就业前景广阔?待遇好?

一个偏强电,一个便弱点,要想说哪个前景好,不可贸然定论啊!我是学电气工程及其自动化的,这个专业最好的就业方向就是进省局市局,待遇好,一年10w――20w,当...

中小型变频器中普遍采用 电力电子 器件是什么?

中小型变频器中普遍采用电力电子器件是:IGBT模块或单管,整流二极管或可控硅等直流元件。IGBT(InsulatedGateBipolarTransistor),绝缘栅双极型晶体管,是由...

谁能帮助我!电动辊的 应用 有哪些?

[回答]公司网站,除了小作坊外,正轨企业都有自己的公司网站用以推广宣传,...还要关注厂家的占地面积去关注,试想一下,一个只有几十平米的小作坊生产出来的...

标签:

相关阅读