数字电子电路应用 「电子」数字逻辑电路简单应用与知识扩展!

小编头像

小编

管理员

发布于:2026年04月14日

102 阅读 · 0 评论

「电子」数字逻辑电路简单应用与知识扩展!

第10 章 数字逻辑电路简单应用与知识扩展

10.0 本章引言

不知如何应用的学习是一种很痛苦很郁闷的学习!

理论与实际之间还有一段路要走,还有一座桥要过!

希望本章的内容对你能有所助益!为你铺路搭桥!

原创微信公众号:卧龙会IT技术

任何知识的学习与应用都是相辅相成的。学习主要是为了应用,而合适的应用活动会增强和巩固所学的知识,促进对所学知识点的理解和掌握。这一点无论是对于学生还是教师,都是适用的。

固然,“数字逻辑电路”课程是专业基础课程,但是因此而忽视该课程的实践与应用,甚至刻意强调该课程的“入门与基础”性质,那是错误的认识!即使二极管这样的简单器件,要想学好也是需要很多应用实例来支撑的,更遑论其他。

2004 年秋天在“教育部电子信息科学与电气信息类基础课程教学指导分委员会”的主持下,重新修订了“数字电子技术基础课程教学基本要求”。基本要求再次强调了本门课程的性质是“电子技术方面入门性质的技术基础课”,其任务在于“使学生获得数字电子技术方面的基本知识、基本理论和基本技能,为深入学习数字电子技术及其在专业中的应用打下基础”。

似乎说得没错!而且很多《数电》教材的前言中也都刻意强调这个“入门与基础”的性质。很多讲授者也都以“基本要求”中的“入门与基础”性质为尚方宝剑,不讲或刻意回避应用方面的内容,或以其为由规避学生的质疑。

不错,“数字逻辑电路”也好,还是“数字电子技术基础”也罢,因为它们是专业基础课程,固然具有“入门和基础”的性质。但是如果因此而心安理得地不去安排、编写和讲授有关知识的(适度)应用,那就大错特错了!

与课程对应的实验课有一定程度的“实践”和“应用”作用。但是“实验”和“试验”不是一个概念,“实验”在于其“实证”性,在实验室教师的刻意安排下,去“验证”和巩固所学的知识。而合适的应用实践例子不但可以帮助理解、掌握和巩固所学的知识,还可以使学生了解和掌握如何利用所学的知识来完成实际任务要求,还可以延伸扩展学生们的知识面。

本章的内容取舍、例子选择都颇费心思。基本想法(或主旨或原则)如下。

① 内容围绕课程大纲所要求的主要知识点来组织;

② 结合实际要适度:太难、太偏、太宽泛的应用例子都不宜采用;

③ 内容例子要有“双向延展”性:既可巩固所学知识,又可一定程度上扩展延伸知识面;

④ 容易找到的且不是很重要的例子不讲。

另外,一个稍具规模的实际应用例子单靠数字电子电路和技术(或单靠模拟电子电路和技术)是不能完成的,一般至少要包含数字电路和逻辑电路,甚至还要采用单片机。仅含有数字电路或模拟电路的往往是较大应用电路中的一个功能子模块。

由此可见,“合适”的应用实例是多么难找啊!但为了使学生能够更好地掌握所学的知识内容并扩展延伸知识面,以及提高动手能力和解决实际问题的能力,笔者还是尝试着来编写这一章的内容,希望本章内容能够对学生的学习和将来的工作有所助益。

10.1 与门(与非门)和或门(或非门)的应用基础

在第1、2 章就学过与门、与非门、或门、或非门的内容:

与门:YAB;与非门:Y AB;

或门:YAB;或非门:YA  B 。

它们在实际电路中是如何应用的呢?当然最直接最基本的应用就是在电路中对输入的两个逻辑信号进行“与”、“与非”、“或”、“或非”逻辑运算,这个千真万确、一点都没错。原创微信公众号:卧龙会IT技术

但是,如果我们学习知识仅仅停留在这个基本层面,而不是在更高的层面上多角度地看问题,那么当每次遇到问题时,都要“从头再来”:从最低层面开始运用你所学的知识来判断和解决问题,那就要花费很多时间、耗费不少精力,而且效率低下,不能高效率地分析问题和解决问题。最典型的例子是你在考研和应聘的考场上将花费很多宝贵时间而不能有效解答主要的问题。

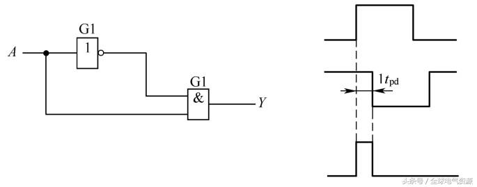
回忆一下第2 章中的习题2.2 ,题中(图P2-2 中)给定了与门G1、或门G2 和异或门G3 的两个输入端的信号,要求画出它们的输出信号的波形,并注意仔细观察输入与输出波形之间的逻辑关系,从中可以得到对实际逻辑电路的分析与设计相当有用的结论。

另外,第1 章的表1-15 中提到过0-1 律(对与逻辑:A· 0=0 和A· 1=A;对或逻辑:A+0=A和A+1=1)。那么从实际应用角度看,这个0-1 律和与门、或门有什么联系呢?

首先以“与门”为例,将习题2.2 中的与门G1 的输入输出波形重画为图10-1 。

图10-1 与门的应用例子之一

(1)试问:从实际应用角度该与门叫做什么?A和B输入端分别叫做什么?

(2)回答:该与门叫做“逻辑闸门”,起“逻辑闸门”控制信号作用。在图10-1 中,A输入端为“被测信号输入端”,B输入端为“逻辑闸门控制端”,或叫“闸门控制端”,或简称“门控端”。

(3)分析:由图10-1 和与门的逻辑表达式YAB以及0-1 律中的A0=0 和A1=A可知:

1)当B=0 时,Y=A0=0 。无论输入端A怎样变化,输出端Y始终为0,不随A而变化,这相当

于逻辑闸门“关断”。

2)当B=1 时,Y=A1=A。(在B=1 期间)Y随A而变化,相当于逻辑闸门“打开”。

3)如果将与门换成与非门,仅是其输出Y反相而已,其“逻辑闸门”作用这个实质性质是不

变的。

(4)结论:用与门(与非门)作为逻辑闸门时,在其控制端用“1”开,用“0”关。将图10-1 中的门G 换成或门时,分析如下(读者自己画一下或门的图及其输出波形)。1)分析:根据或门逻辑表达式YAB以及0-1 律中的A+1=1 和A+0=A可知:

① 当B=1 时,Y=A+1=1 。无论A怎样变化,输出端Y始终为1,不随A而变化,相当于逻辑闸门“关断”。

② 当B=0 时,Y=A+0=A。(在B=0 期间)Y随A而变化,相当于逻辑闸门“打开”。

③ 如果将或门换成或非门,仅是其输出Y反相而已,其“逻辑闸门”作用这个实质性质是不

变的。

2)结论:用或门(或非门)作逻辑闸门时,在其控制端用“0”开,用“1”关。

可见,在实际工作中遇到类似的电路图时,就不要再从与门(与非门)、或门(或非门)的基本

逻辑功能开始分析了,从更高层面和实用角度来讲,采用“逻辑闸门”的概念可以迅速分析出电路各

部分之间的关系,甚至一眼就能看出电路的功能和作用(本书中很多逻辑图都可以用逻辑闸门的道理

来分析)。在考研时你可以节省很多时间来做更难更复杂的题目,在应聘笔试时你可以很“在行”、很

“老道”地答题,在面试时你可以很“内行”地与考官交流沟通,会令考官对你刮目相看。下面将与门(与非门)、或门(或非门)的逻辑闸门作用的知识小结如表10-1 所示。

表10-1 与门(与非门)、或门(或非门)逻辑闸门作用小结

门电路从书本基本理论上看从实际应用角度看表达式功能0-1 律开/关门定理功能解释与门Y  A B与逻辑A  0=0“ 关门” 定理与逻辑闸门“1” 开“0” 关A  1=A“ 开门” 定理与非门Y  A B与非逻辑0 1A  “ 关门” 定理A 1  A“ 开门” 定理或门Y A B 或逻辑A+0=A“ 开门” 定理或逻辑闸门“0” 开“1” 关A+1=1“ 关门” 定理或非门Y A B 或非逻辑0A A “ 开门” 定理1 0A  “ 关门” 定理

简记为:

① 与和与非用“1”开、用“0”关;

② 或和或非用“0”开、用“1”关。下面继续讲解逻辑闸门的扩展应用。

撰文 | 杭州电子科技大学 张文超

张文超---《数字逻辑电路》一书主编

更多精彩,专注IT技术,请关注

微信公众号:卧龙会IT技术

有大神直播免费公益课!赶快来与卧龙会大神互动

此为本书其中第十章的引文及第一小节,本文由作者提供给卧龙会进行知识分享。继续关注我们卧龙会IT技术公众号,获知本文的后续章节!作者也请大家多多指教!

一文读懂数字电子技术

一、集成门电路

数字集成电路按其内部有源器件的不同可以分为两大类:一类为双极型晶体管集成电路(TTL电路);另一类为单极型集成电路(MOS管组成的电路)。

1.TTL集成逻辑门电路

(1)TTL与非门

CT74S肖特基系列TTL与非门的电路组成如图2-19(a)所示,它由输入级、中间级、输出级3个部分组成。

图2-19 TTL与非门电路图

输入级:由多发射极管VT1和电阻R1组成,多发射极管的3个发射结为3个PN结。其作用是对输入变量A、B、C实现逻辑与,所以它相当于一个与门。

中间级:由VT2、R2和VT6、RB、RC组成,VT2集电极和发射极同时输出两个逻辑电平相反的信号,用以驱动VT3和VT5。

输出级:由VT3、VT4、VT5和R4、R5组成,它采用了达林顿结构,VT3和VT4组成复合管降低了输出高电平时的输出电阻,提高了带负载能力。

TTL 与非门的逻辑符号如图 2-19(b)所示;逻辑表达式为:

对图2-19所示电路,如果高电平用1表示,低电平用0表示,则可列出图2-19所示的真值表,如表2-1所示。

表2-1 TTL与非门真值表

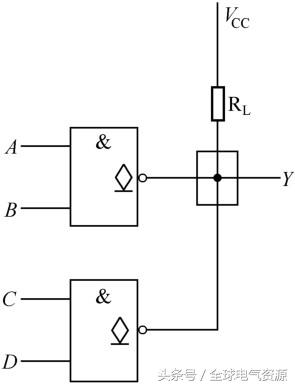
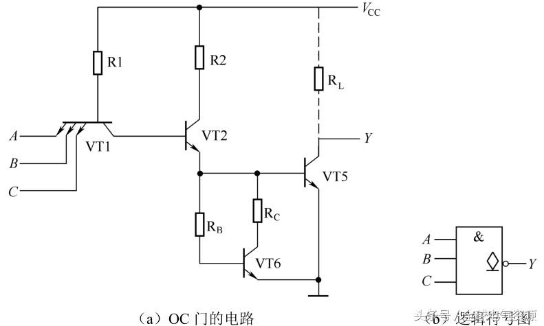
(2)集电极开路与非门(OC门)

① 工作原理。

集电极开路与非门也叫 OC 门,能使门电路输出的电压高于电路的高电平电压值,且门电路的输出端可以并联以实现逻辑与功能,即线与(一般的TTL门电路不能线与)。

OC门的电路如图2-20(a)所示,逻辑符号如图2-20(b)所示,逻辑表达式为:

图2-20 集电极开路与非门及逻辑符号

② OC 门的应用。

OC门可以实现线与,如图2-21所示,逻辑表达式为

;驱动显示器、实现电平转换,如图2-22所示。

图2-21 用OC门实现线与

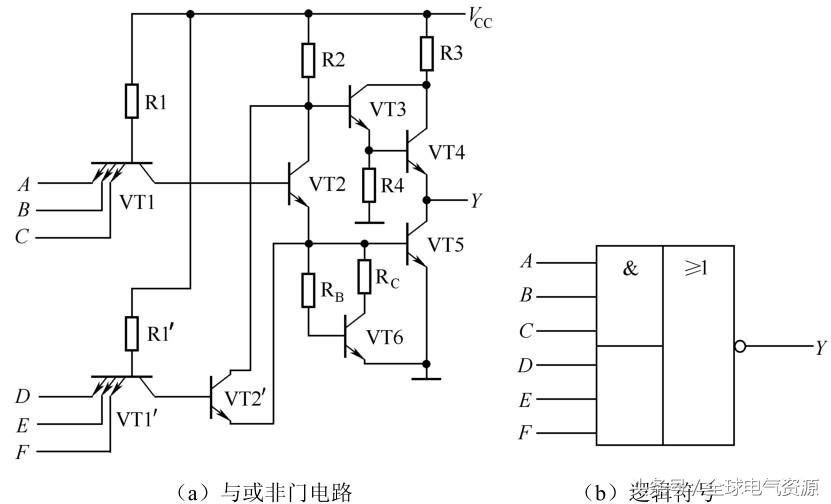
(3)与或非门

与或非门电路如图2-23(a)所示,逻辑符号如图2-23(b)所示,逻辑表达式为:

图2-22 驱动显示器、实现电平转换

图2-23 与或非门及逻辑符号

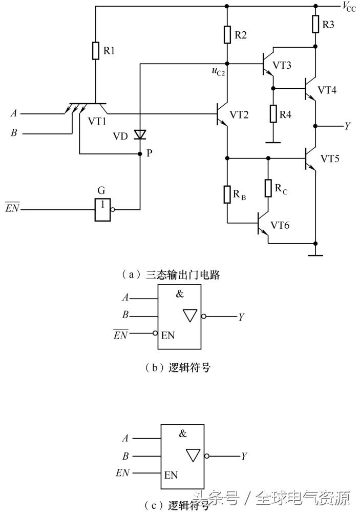
(4)三态输出门

三态输出门是指不仅可输出高电平、低电平两个状态,而且还可输出高阻状态的门电路,如图2-24所示,

为控制端。

=0时,G输出P=1,VD截止,输出Y=

,三态门处于工作状态。

低电平有效。

图2-24 三态输出与非门及其逻辑符号

=1时,G输出P=0,VD导通,输出高阻状态。

2.CMOS集成逻辑门

和 TTL 数字集成电路相比,CMOS 电路的突出特点是微功耗、高抗干扰能力。

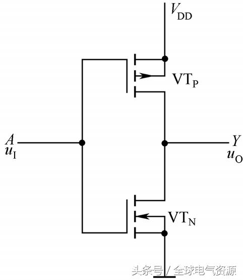
(1)CMOS反相器

由两个场效应管组成互补工作状态,如图 2-25 所示。逻辑表达式为:

图2-25 CMOS 反相器

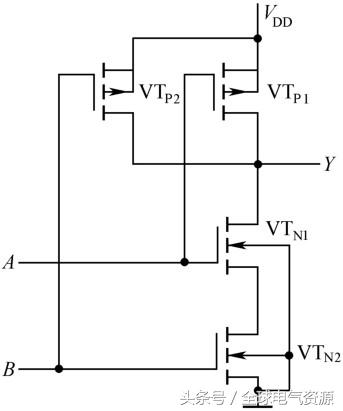
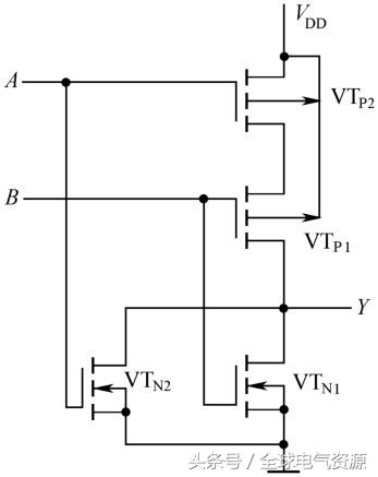
(2)CMOS与非门

如图2-26所示,两个串联的增强型NMOS管VTN1和VTN2为驱动管,两个并联的增强型PMOS管VTP1和VTP2为负载管,组成CMOS与非门,逻辑表达式为:

(3)CMOS或非门

如图2-27所示,两个并联的增强型NMOS管VTN1和VTN2为驱动管,两个串联的增强型PMOS管VTP1和VTP2为负载管,组成CMOS或非门,逻辑表达式为:

图2-26 CMOS 与非门

图2-27 CMOS 或非门

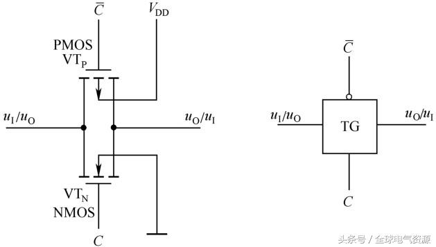
(4)CMOS传输门

将两个参数对称一致的增强型NMOS管VTN和PMOS管VTP并联可构成CMOS传输门,电路和逻辑符号如图2-28所示。

图2-28 CMOS 传输门及逻辑符号

(5)CMOS三态门

图 2-29(a)所示为低电平控制的三态门输出,图 2-29(b)为逻辑符号。

图2-29 CMOS 三态门输出及逻辑符号

时,VTP2和VTN2导通,VTN1和VTP1组成的CMOS反相器工作,所以

,VTP2和VTN2同时截止,输出Y对地和对电源VDD都呈高阻状态。

(6)CMOS异或门

图2-30(a)所示为异或门,图2-30(b)为逻辑符号。

图2-30 CMOS 异或门及逻辑符号

当输入A=B=0或A=B=1时,即输入信号相同,输出Y=0;当输入A=1或B=1时,即输入信号不同,输出Y=1。其真值表如表2-2所示。

表2-2 异或门真值表

3.复合门电路

除了上述介绍的逻辑门电路外,还有或非门、异或门、同或门等,表2-3是基本门和常用复合门的逻辑符号、逻辑表达式及逻辑功能。

表2-3 基本门和常用复合门的对照表

二、组合逻辑电路

逻辑电路在任何时刻的输出状态只取决于这一时刻的输入状态,而与电路的原来状态无关,则该电路称为组合逻辑电路。

1.组合逻辑电路的分析方法

(1)分析步骤

① 根据给定的逻辑电路写出输出逻辑关系式。一般从输入端向输出端逐级写出各个门输出对其输入的逻辑表达式,从而写出整个逻辑电路的输出对输入变量的逻辑函数式。必要时,可进行化简,求出输出逻辑函数式。

② 列出逻辑函数的真值表。将输入变量的状态以自然二进制数顺序的各种取值组合代入输出逻辑函数式,求出相应的输出状态,并填入表中,即得真值表。

③ 根据真值表和逻辑表达式对逻辑电路进行分析,最后确定其功能。

(2)分析举例

分析图2-31所示逻辑电路的功能。

图2-31 逻辑电路

① 写出输出逻辑函数表达式:

② 列出逻辑函数的真值表。将输入A、B、C取值的各种组合代入式(2-5)中,求出输出Y的值。由此列出真值表,见表2-4。

表2-4 真值表

续表

③ 逻辑功能分析。由表2-4可知:在输入A、B、C这3个变量中,有奇数个1时,输出Y为1,否则Y为0,由此可知,图2-34为这3位奇校验电路。

2.组合逻辑电路的设计方法

(1)设计步骤

组合逻辑电路的设计,应以电路简单、所用器件最少为目标,其设计步骤为:

① 分析设计要求,列出真值表;

② 根据真值表写出输出逻辑函数表达式;

③ 对输出逻辑函数进行化简;

④ 根据最简输出逻辑函数式画逻辑图。

(2)设计举例

设计一个A、B、C3个人表决电路。当表决某个提案时,多数人同意,提案通过,同时A具有否决权。用与非门实现。

① 分析设计要求,列出真值表,见表2-5。设A、B、C同意提案用1表示,不同意用0表示,Y为表决结果,提案通过为1,通不过为0。

表2-5 真值表

续表

② 将输出逻辑函数化简,变换为与非表达式。由图 2-32 的卡诺图进行化简,可得

图2-32 卡诺图

将上式变化为与非表达式

③ 根据输出逻辑函数式(2-6)画逻辑图,如图2-33所示。

3.组合逻辑电路中的竞争冒险

(1)竞争冒险现象及其产生的原因

信号通过导线和门电路时,都存在时间的延迟,信号发生变化时也有一定的上升时间和下降时间。因此,同一个门的一组输入信号,通过不同数目的门,经过不同长度导线的传输,到达门输入端的时间会有先有后,这种现象称为竞争。

图2-33 逻辑电路

逻辑门因输入端的竞争而导致输出产生不应有的尖峰干扰脉冲(又称过渡干扰脉冲)的现象,称为冒险。如图2-34所示。

图2-34 产生正尖峰干扰脉冲冒险

(2)冒险现象的判别

在组合逻辑电路中,是否存在冒险现象,可通过逻辑函数来判别。如果根据组合逻辑电路写出的输出逻辑函数在一定条件下可简化成下列两种形式时,则该组合逻辑电路存在冒险现象,即:

例如,函数式

,在A=C=0时,

。若直接根据这个逻辑表达式组成逻辑电路,则可能出现竞争冒险。

(3)消除冒险现象的方法

①增加多余项。例如:

,当A=1,C=1时,存在着竞争冒险。根据逻辑代数的基本公式,增加一项 AC,函数式不变,却消除了竞争冒险,即

② 加封锁脉冲。在输入信号产生竞争冒险时间内,引入一个脉冲将可能产生尖峰干扰脉冲的门封锁住。封锁脉冲应在输入信号转换前到来,转换后消失。

③ 加选通脉冲。对输入可能产生尖峰干扰脉冲的门电路增加一个接选通信号的输入端,只有在输入信号转换完成并稳定后,才引入选通脉冲将它打开,此时才允许有输出。

④ 接入滤波电容。如果逻辑电路在较慢速度下工作,可以在输出端并联一电容器。由于尖峰干扰脉冲的宽度一般都很窄,因此用电容即可吸收掉尖峰干扰脉冲。

⑤ 修改逻辑设计。

三、时序逻辑电路

与组合逻辑电路不同,时序逻辑电路在任何一个时刻的输出状态不仅取决于当时的输入信号,而且还取决于电路原来的状态。

1.同步时序逻辑电路的分析方法

(1)分析步骤

① 写方程式。写出时序逻辑电路的输出逻辑表达式(即输出方程)、各触发器输入端的逻辑表达式(即驱动方程)和时序逻辑电路的状态方程。

② 列状态转换真值表。将电路现状的各种取值代入状态方程和输出方程中进行计算,求出相应的次态和输出,从而列出状态转换真值表。

③ 逻辑功能的说明。根据状态转换真值表来说明电路的逻辑功能。

④ 画出状态图和时序图。

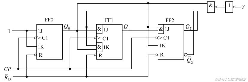
(2)分析举例

分析图 2-35 所示电路的逻辑功能,并画出状态转换图和时序图。

图2-35 待分析逻辑电路图

① 写方程式:

输出方程:

驱动方程:

状态方程:将驱动方程式代入 JK 触发器的特性方程Qn+1=

,得到电路的状态方程为

②列状态转换真值表:该电路的现状为

,代入输出方程(2-9)和状态方程(2-11)中进行计算后得 Y=0 和

,然后再将001当作现态代入状态方程式(2-11),得

,以此类推。可求得可求得表2-6所示的状态转换真值表。

表2-6 状态转换真值表

③ 逻辑功能说明:由表2-6可看出,图2-35所示电路在输入第六个计数脉冲CP,返回原来的状态,同时输出端Y输出一个进位脉冲。因此,该电路为同步六进制计数器。

图2-36 状态转换图和时序图

④ 画状态转换图和时序图。根据表2-6可画出图2-36(a)所示的状态转换图。图中的圆圈内表示电路一个状态,箭头表示状态转换方向,箭头线上方标注X/Y为转换条件,X为转换前输入变量的取值, Y为输出值,由于本例没有输入变量,故X未标上数值。

2.同步时序逻辑电路的设计方法

同步时序逻辑电路的设计和分析正好相反,根据给定逻辑功能的要求,设计同步时序逻辑电路。设计的关键是根据设计要求确定状态转换的规律和求出各触发器的驱动方程。

来源于《电工从业技能深入精通》

作者:张志远,版权归原作者所有,如有侵权,请联系删除。

看完文章后,您可以:

1、分享到朋友圈,把正能量传递给更多的人!

2、关注微信公众号:全球电气资源(ID:qqdqzy888) 或我们的官方网站(www.ourger.com) 获取更多有用电气专业知识、图纸、计算软件及资讯。

猜你喜欢:

电子元器件的种类与作用(超全)

数字万用表测量直流、交流电流方法总结

正弦交流电路的基础知识

一个外国人自制电子三极管的过程

家庭电路连接方法

相关问答

数字电路 在生活中有哪些广泛 应用 ?

数字电路与数字电子技术广泛的应用于电视、摇控器,机顶盒,雷达、通信、电子计算机、自动控制、航天等科学技术领域。数字电路的分类:包括数字脉冲电路和数字逻...

数字电路 主要有哪些 应用 ?

数字电路与数字电子技术广泛的应用于电视、雷达、通信、电子计算机、自动控制、航天等科学技术领域。数字电路的分类:包括数字脉冲电路和数字逻辑电路。前者研...

大学里学的 数字电路 ,模拟电路以后都有哪些作用?

数字电路和模拟电路不仅是电气自动化工程的基础而且是人工智能的基础的基础所涉及的面是相当广曾经在七十年代开始应用在集成电路上是小型计算机上的重要组...

数字电路 有什么用?

数字电路是用来处理数字信号的。它很重要啊,数字电路和模拟电路都是电路的基础。大部分电子产品里面都是有数字信号和模拟信号的。数字电路的学习会比模拟...

数字电路 和模拟电路有什么好处?

楼上说得对模拟和数字电路是电子行业的基础之一。要说学了能找什么样的工作,只能说跟没学时找的工作一样,因为这只是基础学科,带来不了多大的经济效益。但是...

数字电路 八大基础电路?

数字电路没有八大基础电路,模拟电路有八大基础电路。用数字信号完成对数字量进行算术运算和逻辑运算的电路称为数字电路,或数字系统。由于它具有逻辑运算和...

什么是 数字电子 技术?

数字电子技术主要研究各种逻辑门电路、集成器件的功能及其应用,.逻辑门电路组合和时序电路的分析和设计、集成芯片各脚功能。555定时器等。随着计算机科学与...

模拟电路, 数字电路 电子电路 的区别?

首先模拟电路和数字电路都属于电子电路。模拟电路要求把握对模拟量变化掌控,这点是其相对于数字电路来讲的难点。数字电路要求建立在数字逻辑的基础之上,相对...

数字电子 技术基础]?

电子技术包括两个,一时电力电子技术另一个是信息电子技术模拟电子技术和数字电子技术都属于信息电子技术。数字电子技术处理的都是逻辑电路,对于学者的逻辑...

线性 电路 、非线性电路、模拟电路、 数字电路 之间的关系与联系是怎样的?

问题容易理解。线性与非线性是一种分类法,模拟和数字是另一类分类法。因此,可以有线性模拟电路,非线性模拟电路。并且从概念上说,也可以有线性数字电路,非...

标签:

相关阅读