应用模拟电子学 《模拟电子学讲义:分立和集成大信号放大器设计》阅读和学习引导

小编头像

小编

管理员

发布于:2025年05月02日

93 阅读 · 0 评论

《模拟电子学讲义:分立和集成大信号放大器设计》阅读和学习引导

《模拟电子学讲义:分立和集成大信号放大器设计(Lecture Notes in Analog Electronics: Discrete and Integrated Large Signal Amplifiers)》一书的主要内容介绍、重要技术和观点总结

《模拟电子学讲义:分立和集成大信号放大器设计》

《Lecture Notes in Analog Electronics: Discrete and Integrated Large Signal Amplifiers》是一本关于离散和集成大信号放大器的模拟电子学讲义,全面介绍了大信号放大器的设计、分析和测试方法。

该书主要内容包括三个方面:

1.基础知识:介绍了放大器的基本特性、功率放大器的基本结构、失真和线性度、随机信号分析等基础知识。

2. 离散大信号放大器的设计和分析:详细介绍了单极性和双极性晶体管的大信号模型、偏置电路设计、压缩和失真分析、抑制谐波等方面的内容。

3. 集成大信号放大器的设计和分析:涵盖了集成放大器的大信号模型、随机过程、失真机制及其抑制方法、输出阻抗、反馈与功耗等重要内容。

书中重要的技术和观点包括:

1. 大信号放大器设计的关键技术:电路结构的选择、晶体管参数的选择、偏置电路设计、负载网络设计等。

2. 失真机理与抑制:在大信号放大器中产生失真的机理主要包括压缩失真、交趾失真和雪崩效应等,对这些失真现象的分析和抑制是大信号放大器设计中的关键问题。

3. 集成大信号放大器的特点:集成放大器与离散放大器相比,具有更高的稳定性、更小的板上面积、更低的功耗和更好的抗干扰能力。

总之,本书全面而深入地介绍了大信号放大器的相关技术和观点,对于学习和研究该领域的学生和从业者具有很高的参考价值。

《Lecture Notes in Analog Electronics: Discrete and Integrated Large Signal Amplifiers》一书中“Introduction”章节的主要内容介绍、重要技术和观点总结

《Lecture Notes in Analog Electronics: Discrete and Integrated Large Signal Amplifiers》一书中的“Introduction”章节主要介绍了大信号放大器的概念和重要性,以及本书的组织结构和内容概览。

该章节的重要内容包括:

1.大信号放大器的概念和重要性:大信号放大器是电子电路中的重要组成部分,广泛应用于功率放大、振荡等领域,对于电子系统的性能和效率有着至关重要的作用。

2. 本书的组织结构和内容概览:本书分为三个部分,第一部分介绍了大信号放大器的基础知识;第二部分重点介绍了离散大信号放大器的设计和分析;第三部分则涵盖了集成大信号放大器的设计和分析。

3. 本书的读者对象和使用建议:本书适合从事电子电路和通信系统设计的工程师和研究人员、电子电路的教师和学生以及需要深入了解大信号放大器的人员使用。本书的章节结构紧凑,内容清晰且有良好的逻辑性,建议读者按照章节顺序阅读,以达到最佳的学习效果。

总之,“Introduction”章节为读者引入了本书的主题和内容,对于深入理解大信号放大器设计与分析的意义以及本书的组织结构和使用建议等方面有着重要的意义。

《Lecture Notes in Analog Electronics: Discrete and Integrated Large Signal Amplifiers》一书中“Power Electronic Devices”章节的主要内容介绍、重要技术和观点总结

《Lecture Notes in Analog Electronics: Discrete and Integrated Large Signal Amplifiers》一书中的“Power Electronic Devices”章节主要介绍了功率电子器件的种类、原理、参数和应用等方面的内容。

Si、SiC和GaN的带隙随温度变化的函数

该章节的重要内容包括:

1. 各种功率电子器件的种类和特点:介绍了常用的功率电子器件包括二极管、快恢复二极管、整流器、IGBT、MOSFET、继电器等,以及它们的特点、结构和工作原理等。

2. 功率电子器件的参数和性能指标:介绍了功率电子器件的主要参数和性能指标,包括最大耐压、最大耗散功率、开关时间等,这些参数和指标对于设计和选择功率电子器件至关重要。

3. 功率电子器件的应用:介绍了功率电子器件在各种电力电子系统和电力转换器中的应用,包括交流电源、直流电源、逆变器等。同时,还介绍了功率电子器件在工业控制和汽车电气系统中的应用。

总之,“Power Electronic Devices”章节为读者介绍了功率电子器件的种类、原理、参数和应用等方面的内容。掌握这些知识对于大信号放大器的设计和分析至关重要。

《Lecture Notes in Analog Electronics: Discrete and Integrated Large Signal Amplifiers》一书中“Basic Theory of Large Signal Amplification”章节的主要内容介绍、重要技术和观点总结

《Lecture Notes in Analog Electronics: Discrete and Integrated Large Signal Amplifiers》一书中的“Basic Theory of Large Signal Amplification”章节主要介绍了大信号放大器的基本理论、结构和应用等方面的内容。

各类功率放大器的图示解释

该章节的重要内容包括:

1. 大信号放大器的基本原理:介绍了大信号放大器的基本原理和结构,包括输入和输出端口、直流偏置电路、放大器核心电路等。同时还介绍了大信号放大器的性能指标,如增益、频率响应、失真等。

2. 放大器核心电路:介绍了常用的放大器核心电路,包括共射放大器、共碰极放大器、共源放大器等。同时还讨论了这些电路的优缺点和应用范围。

3. 大信号放大器的应用:介绍了大信号放大器在高功率电子电路、音频放大器、射频放大器等方面的应用。同时还讨论了大信号放大器的抗干扰性、稳定性等方面的问题。

总之,“Basic Theory of Large Signal Amplification”章节为读者介绍了大信号放大器的基本理论、结构和应用等方面的内容。掌握这些知识对于设计和分析大信号放大器非常重要,同时也为读者提供了更好的理解和应用大信号放大器的基础。

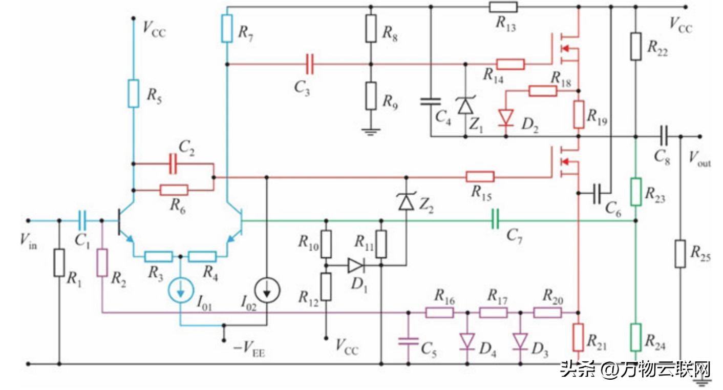
《Lecture Notes in Analog Electronics: Discrete and Integrated Large Signal Amplifiers》一书中“Discrete and Integrated Power Amplifier Circuits”章节的主要内容介绍、重要技术和观点总结

《Lecture Notes in Analog Electronics: Discrete and Integrated Large Signal Amplifiers》一书中的“Discrete and Integrated Power Amplifier Circuits”章节主要介绍了离散和集成的功率放大器电路和设计方案等内容。

离散式NMOS功率晶体管输出级的AB类功率放大器的原理图

该章节重要的内容包括:

1. 不同类型的功率放大器电路:介绍了常见的功率放大器电路,包括B类、AB类、C类、D类等。通过比较它们的特点,可以了解不同功率放大器电路的优缺点和适用范围。

2. 消除功率放大器的失真:讨论了功率放大器的失真问题,包括交趾失真、噪声失真、时域失真等。同时介绍了消除这些失真的方法,如反馈、变换器、多电平技术等。

3. 集成功率放大器设计:介绍了集成功率放大器的设计,包括使用CMOS、BiCMOS等技术实现功率放大器的集成。同时,也探讨了功率放大器集成化所面临的问题和挑战,如温度稳定性、功耗、线性度等。

总之,“Discrete and Integrated Power Amplifier Circuits”章节为读者介绍了离散和集成的功率放大器电路和设计方案。掌握这些知识对于实现高效、低失真、低噪声的功率放大器至关重要。同时,了解集成化设计方案的发展趋势和面临的挑战,有助于为今后的功率放大器设计提供更好的启示。

《Lecture Notes in Analog Electronics: Discrete and Integrated Large Signal Amplifiers》一书中“Operational and Transconductance Amplifiers”章节的的主要内容介绍、重要技术和观点总结

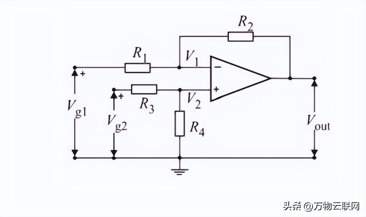
《Lecture Notes in Analog Electronics: Discrete and Integrated Large Signal Amplifiers》一书中的“Operational and Transconductance Amplifiers”章节主要介绍了运算放大器和跨导放大器的原理、特点以及应用等方面的内容。

运算放大器的结构

该章节重要的内容包括:

1. 运算放大器:介绍了运算放大器的基本原理、电路结构、参数和特点,包括增益、输入阻抗、输出阻抗、共模抑制比等。同时还介绍了运算放大器的应用场景,包括放大、滤波、比较、积分、微分、振荡等。

2. 跨导放大器:介绍了跨导放大器的基本原理和电路结构,包括差动对输入、跨导放大阶段、输出阶段等。同时还阐述了跨导放大器的应用场景,如模拟信号处理、传感器接口等。

3. 集成运算放大器的精度和稳定性:介绍了集成运算放大器的精度和稳定性问题,包括偏置电压、温度、电源噪声等的影响。同时,还介绍了解决这些问题的方法,如自适应调节、刻度电路等。

总之,“Operational and Transconductance Amplifiers”章节为读者全面介绍了运算放大器和跨导放大器的原理、特点、优缺点和应用等方面的知识。掌握这些知识对于设计高性能的模拟电路至关重要。同时,集成运算放大器的精度和稳定性问题是集成电路设计中必须要面对的挑战,理解这些问题并采取有效的解决方法,对于保证集成电路的性能至关重要。

《Lecture Notes in Analog Electronics: Discrete and Integrated Large Signal Amplifiers》一书中“Analog Computations”章节的主要内容介绍、重要技术和观点总结

《Lecture Notes in Analog Electronics: Discrete and Integrated Large Signal Amplifiers》一书中的“Analog Computations”章节主要介绍了模拟计算的基本原理和应用。该章节涵盖的关键技术和观点有:

差分平衡放大器

1. 模拟计算的基本原理:该章节介绍了在模拟电路中实现基本计算操作(如加法、减法、乘法、除法、求幂等)的原理,包括四象限乘法器、运算放大器实现减法和除法等。

2. 基于模拟计算实现的电路:该章节深入探讨了一些基于模拟计算实现的电路,如积分器、微分器、Sallen-Key滤波器等,凸显了模拟计算在模拟电路中的重要性。

3. 模拟计算的优点和缺点:该章节对比了模拟计算和数字计算的优缺点,阐述了模拟计算的一些独特的特点,如精度受到器件的温度漂移、线性度和器件匹配等因素的同时限制,但模拟计算在一些应用中具有较好的抗噪性和低功耗等优点。

总之,“Analog Computations”章节通过介绍模拟计算的基本原理和应用,加深了读者对模拟电路中计算的理解。同时,对比了模拟计算和数字计算的优缺点,突出了模拟计算在某些应用中的独特优势。掌握这些知识对于设计高性能的模拟电路至关重要。

《Lecture Notes in Analog Electronics: Discrete and Integrated Large Signal Amplifiers》一书中“ Basic Applications of the OAs”章节的主要内容介绍、重要技术和观点总结

《Lecture Notes in Analog Electronics: Discrete and Integrated Large Signal Amplifiers》一书中的“Basic Applications of the OAs”章节主要介绍了运算放大器(OA)的基本应用。该章节涵盖的关键技术和观点有:

1. 运算放大器的基本原理:该章节介绍了运算放大器的基本构造和特点,包括反馈电路、输入、输出特性等方面。同时介绍了运算放大器的运算模型和几种典型的运算模式。

2. OA 的反馈电路:该章节展示了 OA 常用的反馈电路,包括反向反馈电路和正向反馈电路,详细讲解了它们的工作原理和稳定性特点。

3. OA 的基本应用:该章节介绍了几种常用的 OA 应用,包括比较器、积分器、微分器、积分微分器等,详细讲解了它们的工作原理和应用场景。

总之,“Basic Applications of the OAs”章节通过详细介绍运算放大器的基本原理和应用,让读者对运算放大器及其应用有了充分的了解。同时,通过这些经典应用的讲解和分析,读者也可以深入了解运算放大器的工作原理和性能特点,为更复杂的电路设计打下基础。该章节对于学习模拟电路的读者尤为重要。

《Lecture Notes in Analog Electronics: Discrete and Integrated Large Signal Amplifiers》一书中“A Short Review of Microelectronic Technology Processes”章节的主要内容介绍、重要技术和观点总结

《Lecture Notes in Analog Electronics: Discrete and Integrated Large Signal Amplifiers》一书中“A Short Review of Microelectronic Technology Processes”章节主要介绍了微电子技术制程的概述。该章节涵盖的关键技术和观点有:

1. 常见微电子制程:该章节介绍了典型的微电子技术制程,包括CMOS(互补金属氧化物半导体)技术、双极性技术、高电压技术等。同时还讨论了微电子技术制程之间的优缺点。

2. 工艺流程:该章节详细讲解了典型的微电子制程工艺流程,这些流程包括晶圆制备、图案形成、掺杂、光刻等。通过对这些步骤的详细阐述,读者能够了解到微电子制程中不同阶段的实际操作方法和问题解决方案。

3. 创新技术:该章节还介绍了一些新型的微电子技术,如三维 IC 技术、超级晶体管(FinFET)技术、纳米技术等,这些新型技术的介绍对于读者理解当今微电子技术的前沿技术和未来发展趋势非常有帮助。

总的来说,“A Short Review of Microelectronic Technology Processes”章节为读者提供了微电子技术制程的概述和详细的工艺流程介绍,帮助读者理解微电子技术的基本工作原理和特点。此外,该章节还介绍了一些新型微电子技术,使读者能够深入了解当前微电子技术研究的前沿和未来发展趋势。该章节对于学习和研究电子工程和微电子学的读者非常有用。

美国大学本科的通识课程到底学什么?——麻省理工学院

最近,《2022年度U.S. News世界大学排名》出炉,哈佛大学、麻省理工学院、斯坦福大学稳坐前三。

在同样刚刚发布的《泰晤士高等教育2021年度世界大学声誉排名》中,哈佛大学排名第一、麻省理工学院排名第二、斯坦福大学排名第四。

我们知道,美国的高等教育,特别是本科阶段的高等教育,是比较重视通识教育的,那么我们就来看看这几所美国最著名的大学本科生阶段的通识教育课程是如何设计的?我们能够从能到什么启示?

首先我们来看看以理工和经管类专业闻名世界的麻省理工学院(MIT)。

我们要知道,所有被麻省理工学院录取的学生,不管你的学科兴趣是什么,在大一阶段都是没有确定专业的(undecided)。

那么大一需要选修通识教育的课程并达到相应要求(General Institute Requirements GIRs),同时在此期间探索自己的学科兴趣。这个GIRs就是麻省理工学院的核心课程,是本科生后面几年教育的基础。

根据麻省理工学院的介绍,它的创始校长威廉·巴顿·罗杰斯曾写道:哲学家的抽象研究通常是实用性发现和改进最有益处的来源。

所以,在麻省理工学院的学生,无论学习何种专业,都要完成这种通识课程。

这个通识教育课程主要分为六大类课程:

1、理科核心课程(数理化生);

2、HASS(人文、艺术、社科类)课程;

3、沟通技巧;

4、实验室课程;

5、REST(理工科专业类)课程;

6、体育课。

接下来我们来看看各类课程的细节。

#1

理科核心课程

学生必须在数学、物理、生物和化学领域的完成6门基础性课程。比如《生物学导论》学习的内容主要包括生物化学、遗传学、分子生物学、细胞生物学。化学有《固态化学导论》和《基础化学》。数学方面,所有学生都要完成单变量和多变量微积分的学习。

#2

HASS课程

学生在人文(历史、文学、哲学等)、艺术(雕塑、故事、剧本、音乐、舞蹈、电影、电子游戏),和社科领域(人类学、经济学、语言学、政治学、心理学)要至少完成8个科目。

在你选择的专注领域中,要选择3-4门科目。目前有几十个专注的领域可供选择,包括:人类学、艺术、文化和科技、古代和中世纪研究,非洲和非裔研究、考古、亚洲和亚裔研究、比较媒体研究、计算机和社会、发展经济学、教育、经济学、伦理、各类外语、美国研究、国际文学和文化研究、历史、建筑、艺术和设计历史、拉丁美洲研究、法律研究、语言学、文学、中东研究、音乐、哲学、政治学、宗教研究、俄罗斯和欧亚研究、科学技术和社会戏、戏剧艺术、城市研究、女性和性别研究、写作等。

#3

沟通课程

需要完成四门专注于沟通技巧的课程,至少两门和你的专业相关,目的是训练有效的写作和口头表达技巧。

#4

实验室课程

(有58门课供选择)

要求在实际操作、基于项目的工作方面要达到最低12个学分要求,以激发你的智慧、规划技巧和观察分析能力。

具体课程包括:土木和环境工程设计、环境流体传输流程和水文实验室、环境化学实验室、设计和制造、电动机械机器人系统设计、测量和仪表化、材料结构、建立技术实验室、实验室化学、光谱学基础、配位化合物合成和动力学、大分子高活性化合物、有机结构测定、推理概论、编程基础、电气工程和计算机导论(机器人)、电气工程和计算机导论(通讯网络)、电气工程和计算机导论(医疗技术)、电气工程和计算机导论(互联嵌入式系统)、模拟电路实验室、数字系统实验室、微型计算机项目实验室、电力电子实验室、机器人学:科学和系统、现代光学项目实验室、频闪仪项目实验室、实验分子生物学基础、应用分子生物学实验室、分子生物学技术导论、实验物理、实验分子神经生物学、系统神经科学实验室、语言心理学实验室、机器激发人体视觉、空间分析和地理信息系统实验室导论、沉积环境、野外沉积学、野外地质学、地质学数据分析、天气和气候实验室、实验大气化学、实地海洋学、光学天文学观察手段、计量经济数据分析、统计学思维和数据分析、人、团队和组织实验室、投资实验室、企业财务实验室、实验项目、飞行器发展、空间系统发展、政治科学实验室、数学项目实验室、生物工程实验室基础、生物电路工程实验室、核辐射测量和保护原理、语言学实地研究方法。

#5

REST课程

(有62门课供选择)

要求在理科和技术领域选择两门选修课,让自己有机会在已经研究的领域进一步学习,或者在自己专业之外探索潜在感兴趣的领域。

具体课程包括:工程计算和数据科学、计算机编程和工程应用数值方法导论、生态学基础、固体力学、机械和材料、力学和控制、鸡血工程师数值计算、材料热力学、建模和仿真导论、结构设计导论、生物化学导论、有机化学、热力学和动力学、物理化学、电子电路、信号处理、计算结构、概率导论、计算机数学、遗传学、普通生物化学、物理、相对论、量子物理、特殊相对论导论、能量物理、天文学导论、早期宇宙、神经科学导论、流体力学、网络安全、地质学导论、地球物理和行星科学导论、大气、海洋和气候动力学导论、我们的空间探险历程、太阳系以外行星:物理和探测方法、经济学中的统计方法导论、商业分析中的优化方法、应用概率论、统合工程:材料和结构、微分方程、概率论和统计学导论、线性代数、线性代数和优化、概率论和随机变量、热力学和生物分子系统、核工程和电离辐射导论、应用核物理导论、模拟电子学:从电路到零碳网络、系统安全、热力学1/热力学2/动力学、光谱学导论/分子的电子结构、计算机编程Python导论/计算思维和数据科学导论、计算机编程Python/计算机科学和工程学导论。

#6

体育课程

(有90门课程供选择)

学生至少选自四门体育课,再加上一个通过100码游泳的测试,因为你的大脑是建立在你的身体之上,我们希望身体和大脑都很强健。

体育课程种类包括:水上运动类(游泳、潜水等)、舞蹈类(交谊舞、有氧舞蹈锻炼、Hip Hop、现代舞、萨尔萨舞、摇摆舞等)、健身类(循环训练、单车、跆拳道、普拉提、瑜伽、高强度间歇训练、跑步、力量训练、举重等)、健康类(健康关系、营养、压力管控、心肺复苏/急救知识、财务健康、冥想、恢复力、健康和药物的使用等)、个人运动(气手枪、射箭、羽毛球、自行车、花剑、佩剑、高尔夫、匹克球、运动手枪、运动步枪、自我防卫、女性自我防卫、滑冰、花样滑冰、壁球、网球等)、武术类(合气道、柔道、空手道、跆拳道等)、户外运动类(徒步、攀岩、皮划艇、跑酷、航海、滑降滑雪、滑板滑雪等)、团队运动类(曲棍球、冰球、足球、契可球、排球等)。

总体来说,一个学生在麻省理工学院本科阶段,大概一半的时间是学习通识课,一半的时间是学习专业课。

麻省理工学院在全美大学综合排名第二,本科专业来说,工科排名第一、商科第二、计算机第一。那么,从它的通识教育课程也可以看出,数理化生是基础,需要掌握人文、艺术和社科类知识、需要掌握书面和口头沟通技巧,通过实验课和理工科的选修课为自己未来打下基础和找到专业方向。最后,身体要棒。

相关问答

如何学好模电?

要学好模拟电子学,需要先具备一定的数学和物理基础,如微积分、电磁学等。其次,需要认真学习电路分析和设计的基本原理,掌握电路理论和分析方法,理解各种电...

电工学 电子学 与数字电路和 模拟 电路的区别?

电工学、电子学、数字电路和模拟电路都是电子工程领域的重要内容,它们之间存在一些区别。以下是它们的主要区别:1.电工学:电工学是研究电能的发电、输送、分...

电子学 》与《 模电》《数电》的,区别是什么?为什么有的专业上《 电子学 》,有的上《模电》《数电》?

电子学更基本,偏向于物理一些,属于基础学科~对于电子这方面需求不深的专业是不会学的~比如电信系~他要知道最基本的电路知识,而对于电子的基础知识是没有需求...

现在在学 模拟 电路,单是 模拟 电路设计这一块有什么值得推荐的...

载线是从事电子电路设计的前辈们为了有助于理解电路的工作原理进行简单的设计而提出来的方法。但以本书作者的经验,即便不采用这些方法,也...但以...

请问 应用 电子技术是学什么的呀?

涉及到应用电子学原理和技术来设计、开发和应用各种电子设备和系统。在学习应用电子技术方面,通常涉及以下内容:1.电路基..."应用电子技术"是一个广泛的领...

加法放大电路的计算公式?

加法放大电路(也称为加法器)是一种基本的电子电路,用于将两个或多个电压信号相加。在模拟电子学中,加法放大电路通常使用运算放大器(OperationalAmplifier,...

集成电路考研难考吗?

集成电路考研是一个相对较难的考试,因为它涉及到多个学科的知识,包括电子学、半导体物理、模拟电路、数字电路等。此外,集成电路的设计和制造也需要一定的工程...

粒子可以碰撞,光子可以碰撞吗?为什么?

这个问题的简单答案是,光子确实会相互碰撞和干扰,它们只会很快发生碰撞和干扰,但很难检测到。但是,它们不会相互分散,因为它们只能在介质中交换能量和动量。...

arm入门应当学些什么,linux系统有什么用啊-ZOL问答

arm是嵌入式开发应用的硬件,linux是嵌入式开发应用的软件。我们所谓的嵌入式开...基础课主要包括:电路、模拟电子学、数字电子学、C语言;专业基础课程主要包括...

南京理工大学电子工程与光电技术学院怎么样?设有哪些专业? 申...

[回答]和信息时代的到来,学院得到了前所未有的快速发展。学院目前拥有光学工程(一级学科)和电磁场与微波技术(二级学科)2个国家重点学科、通...学院目...

标签:

相关阅读